Где можно купить в Питере профиль среднего качества?
Нужно подешевле Кании , но и не самый оцтой
В общем типо золой середины по цене- качеству


Да нормальные профиля, если припасть слово "станочный" то будет то что надо.Алексей Ершов писал(а):А чем отличается станочный профиль от конструкционного?

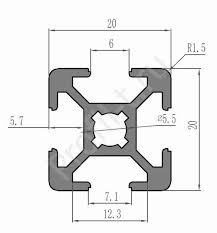
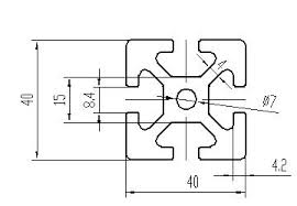
Ага, так не честно, вы привели отличие не конструкционного со станочным, на первом момент инерции два раза меньше чем на втором. В той ссылке которую дал Алексей Ершов найдете аналог профиля ItemВ 0.0.026.03, у него момент инерции точно такой как у вас на втором рисунке.Fisher писал(а):Но на первом профиле станок строить нельзя, а на втором можно попробовать.


Fisher писал(а):Да я собственно не моменты сравнивал, а показал, что очень часто за станочный профиль выдают то, что для применения в станке годится разве что для крепления лампы освещения.
Картинки вставил, которые первыми под руку попались.
Но и на них видно, что толщина диагоналей в первом варианте от силы 1,5 мм, а во-втором - 4 мм.
Как закончу очередной станок, из AL профиля с толщиной стенки 1.5мм, будет не лень выложу фотки, и результат работы, что можно на нем сделать.Fisher писал(а):Но и на них видно, что толщина диагоналей в первом варианте от силы 1,5 мм,
На каком профиле если не секрет делаешь станок? Где брал? Почем?Baha писал(а):Как закончу очередной станок, из AL профиля с толщиной стенки 1.5мм, будет не лень выложу фотки, и результат работы, что можно на нем сделать.Fisher писал(а):Но и на них видно, что толщина диагоналей в первом варианте от силы 1,5 мм,


Как говорят в таких случаях, "мне стыдно признаться", обычные квадратные сечением 25 на 25мм, я любитель из всякого хлама делать станки.Алексей Ершов писал(а):На каком профиле если не секрет делаешь станок? Где брал? Почем?