Нужны услуги металлобработки.

Правила форума
Разрешается публиковать предложения по покупке/продаже как физическим лицам так и коммерческим организациям, при соблюдении следующих условий:
1. должны присутствовать характеристики товаров
2. должна присутствовать стоимость товара или услуги
3. должно присутствовать описание способов оплаты и доставки
4. один продавец - одна тема

Фотографии товаров приветствуются (фотографии должны быть вложениями к сообщениям).

Возможно размещение ссылки на свой сайт, с описанием товара, при обязательном соблюдении пунктов 1-3.

Администрация форума может удалить тему или сообщения из данного раздела, без объяснения причин!

Внимание, общий раздел закрыт для создания новых тем! Создавайте темы в профильных разделах (Куплю, Продам, Услуги)!
VKulikov
Новичок
Сообщения: 5
Зарегистрирован: 24 окт 2013, 09:18
Репутация: 0
Контактная информация:

Нужны услуги металлобработки.

Сообщение VKulikov »

Необходимо изготовить прототип и опытную партию изделий с прицелом на мелкосерийное производство.
Материал Ваш - Д16Т либо В95, сталь (любая инструментальная), бронза. Желательно Челябинск или окрестности. Оплата наличными или на карточку (или любыми электронными деньгами).
3d модели в SolidWorks в размерах (не эскизы). Чертежи - в DXF.
Общее количество деталей сборки - 20 шт. Количество готовых изделий в опытной партии - обсуждаемо.
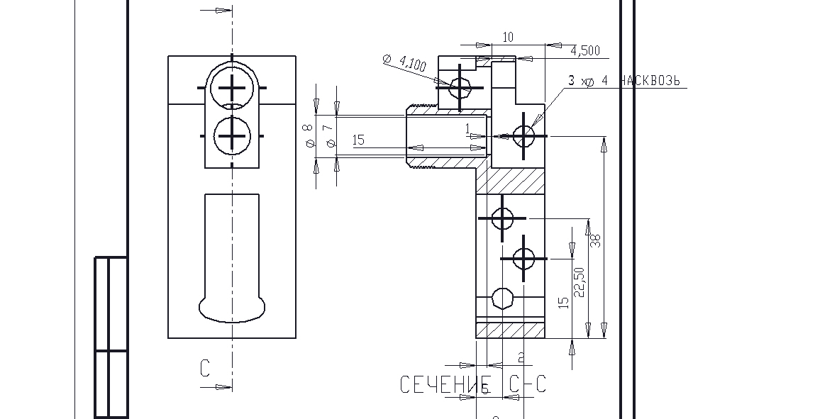
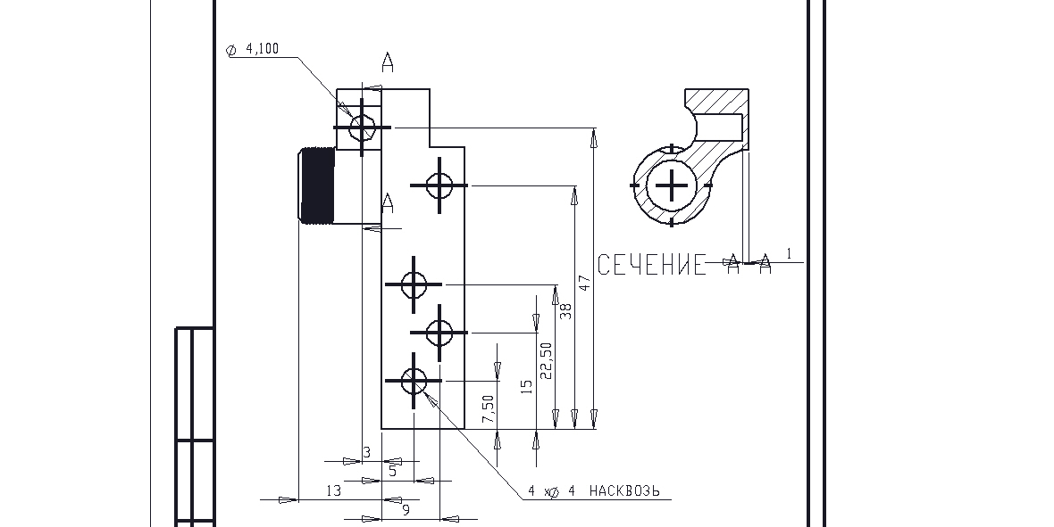
Ниже наиболее сложные детали:
дюраль (2156 просмотров) <a class='original' href='./download/file.php?id=20122&mode=view' target=_blank>Загрузить оригинал (81.74 КБ)</a>
дюраль
дюраль (2156 просмотров) <a class='original' href='./download/file.php?id=20123&mode=view' target=_blank>Загрузить оригинал (68.8 КБ)</a>
дюраль
part_6_RP.JPG[/attachment ][attachment=7]Чертеж2.JPG
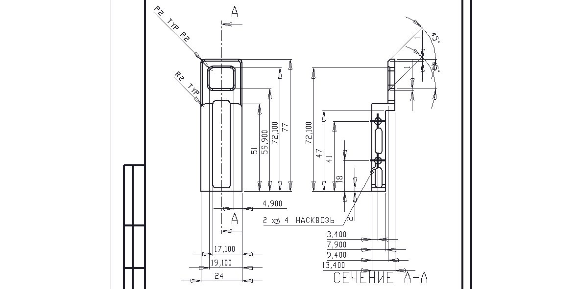
дюраль (2156 просмотров) <a class='original' href='./download/file.php?id=20126&mode=view' target=_blank>Загрузить оригинал (139.91 КБ)</a>
дюраль
дюраль (2156 просмотров) <a class='original' href='./download/file.php?id=20127&mode=view' target=_blank>Загрузить оригинал (109.56 КБ)</a>
дюраль
дюраль (2156 просмотров) <a class='original' href='./download/file.php?id=20128&mode=view' target=_blank>Загрузить оригинал (118.49 КБ)</a>
дюраль
дюраль (2156 просмотров) <a class='original' href='./download/file.php?id=20129&mode=view' target=_blank>Загрузить оригинал (130.44 КБ)</a>
дюраль
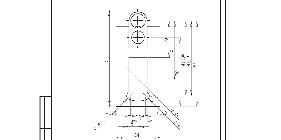
сталь (2156 просмотров) <a class='original' href='./download/file.php?id=20130&mode=view' target=_blank>Загрузить оригинал (118.74 КБ)</a>
сталь
сталь (2156 просмотров) <a class='original' href='./download/file.php?id=20131&mode=view' target=_blank>Загрузить оригинал (87.86 КБ)</a>
сталь
сталь (2156 просмотров) <a class='original' href='./download/file.php?id=20132&mode=view' target=_blank>Загрузить оригинал (65.8 КБ)</a>
сталь
Вложения
дюраль (2156 просмотров) <a class='original' href='./download/file.php?id=20124&mode=view' target=_blank>Загрузить оригинал (90.4 КБ)</a>
дюраль
дюраль (2156 просмотров) <a class='original' href='./download/file.php?id=20125&mode=view' target=_blank>Загрузить оригинал (99.3 КБ)</a>
дюраль
aftaev
Зачётный участник
Зачётный участник
Сообщения: 34042
Зарегистрирован: 04 апр 2010, 19:22
Репутация: 6194
Откуда: Казахстан.
Контактная информация:

Re: Нужны услуги металлобработки.

Сообщение aftaev »

VKulikov, хорошо бы еще точность изготовления указать
Дилетанту сложные вещи кажутся очень простыми, и только профессионал понимает насколько сложна самая простая вещь
Кто хочет - ищет возможности, кто не хочет - ищет оправдание.
Найди работу по душе и тебе не придется работать.
VKulikov
Новичок
Сообщения: 5
Зарегистрирован: 24 окт 2013, 09:18
Репутация: 0
Контактная информация:

Re: Нужны услуги металлобработки.

Сообщение VKulikov »

Насчет точности изготовления - 5 сотых вполне хватит.
evgenyjp
Почётный участник
Почётный участник
Сообщения: 1516
Зарегистрирован: 10 авг 2011, 17:40
Репутация: 802
Откуда: Japan
Контактная информация:

Re: Нужны услуги металлобработки.

Сообщение evgenyjp »

хорошая точность :) думаю мало кто возьмется и ценник будет приличный...
VKulikov
Новичок
Сообщения: 5
Зарегистрирован: 24 окт 2013, 09:18
Репутация: 0
Контактная информация:

Re: Нужны услуги металлобработки.

Сообщение VKulikov »

evgenyjp писал(а):хорошая точность :) думаю мало кто возьмется и ценник будет приличный...
На мой взгляд точность вполне нормальная, механизм должен быть работоспособным во-первых и эстетически привлекательным во-вторых. Сложного в изделии ничего нет, вся выборка материала всех деталей расчитана с учетом траектории движения фрезы и на 4-х координатном станке из прутка режется без переставления заготовки. Единственная деталь - шарнир, в которой на торце есть обрабатываемый участок. Но если технологически это будет затруднительно - ничего не мешает изменить конструктив под требования ппроизводства. Автор конструкции и чертежей - я сам, что нужно - переделаю.
Что касается ценника - озвучивайте в личку, все обсуждаемо.
aftaev
Зачётный участник
Зачётный участник
Сообщения: 34042
Зарегистрирован: 04 апр 2010, 19:22
Репутация: 6194
Откуда: Казахстан.
Контактная информация:

Re: Нужны услуги металлобработки.

Сообщение aftaev »

VKulikov писал(а):механизм должен быть работоспособным
что это за механизм?
VKulikov писал(а): Единственная деталь - шарнир, в которой на торце есть обрабатываемый участок.
шарнир такой изготовить :shock:
Дилетанту сложные вещи кажутся очень простыми, и только профессионал понимает насколько сложна самая простая вещь
Кто хочет - ищет возможности, кто не хочет - ищет оправдание.
Найди работу по душе и тебе не придется работать.
VKulikov
Новичок
Сообщения: 5
Зарегистрирован: 24 окт 2013, 09:18
Репутация: 0
Контактная информация:

Re: Нужны услуги металлобработки.

Сообщение VKulikov »

aftaev писал(а):
VKulikov писал(а):механизм должен быть работоспособным
что это за механизм?
VKulikov писал(а): Единственная деталь - шарнир, в которой на торце есть обрабатываемый участок.
шарнир такой изготовить :shock:
1. Это имеет значение? Спортивный инвернтарь aka снаряжение.
2. Три токарных и одна фрезеровальная операция. Отверстие по оси под шток (тупо сверление отверстия), шарнир (шар), фаска под 45 на входе в паз штока - это токарка. Фрезеровка - два шлица под зажим шарнира. Если делать занижение в торце - нужна оснастка, но его можно не делать - не критично, оно сделано для дополнительной жесткости узла крепления шарнира, но этим можно пренебречь.
Шарнир, кстати, зажимной - т.е. класс поверхности - чем шершавей (ниже) - тем лучше. Отпустили, выставили, зажали.
nik1
Мастер
Сообщения: 8408
Зарегистрирован: 02 окт 2012, 07:37
Репутация: 3629
Откуда: Красногорск
Контактная информация:

Re: Нужны услуги металлобработки.

Сообщение nik1 »

Если не найдете поближе, то из дюрали можно попробовать запилить
Два вопроса, как планируете делать угол без скругления? фото 1
На второй фотке в этом месте фаска проблемантичная, фреза упрется в стенку
Вложения
vvv.JPG (2100 просмотров) <a class='original' href='./download/file.php?id=20174&mode=view' target=_blank>Загрузить оригинал (47.16 КБ)</a>
vvv1.JPG (2100 просмотров) <a class='original' href='./download/file.php?id=20175&mode=view' target=_blank>Загрузить оригинал (47.9 КБ)</a>
VKulikov
Новичок
Сообщения: 5
Зарегистрирован: 24 окт 2013, 09:18
Репутация: 0
Контактная информация:

Re: Нужны услуги металлобработки.

Сообщение VKulikov »

nik1 писал(а):Если не найдете поближе, то из дюрали можно попробовать запилить
Два вопроса, как планируете делать угол без скругления? фото 1
На второй фотке в этом месте фаска проблемантичная, фреза упрется в стенку
1. Упс, косяк модели - там радиус 2мм, недосмотрел или, что вероятнее, солид потерял операцию.
2. Обратно косяк, но уже точно по недосмотру. Фаска в этом месте появилась исторически, на предыдущих прототипах она снималась просто кромкорезом от руки. нужно поправить модель.
Повторюсь - абсолютно все в моделях и чертежах может быть подогнано под особенности оборудования и режущего инструмента.
К слову: рабочий прототип был изготовлен методом селективного лазерного спекания, порошковое 3д, если проще. Точность там была не просто никакая, а вообще - за гранью воображения. Однако после суток возни с дремелем изделие было собрано и успешно протестировано на тренировке. Жесткость материала, вернее её отсутствие не позволило полноценно использовать прототип - нужно делать в металле.
Насчет поближе: желание найти производство неподалеку обусловлено как раз новизной изделия со всеми вытекающими допилами и правками. Удастся наладить взаимодействие удаленно - нет проблем - жду конкретику в ЛС.
Ответить

Вернуться в «Предложения покупки/продажи/услуг»