Коллеги, прошу помощи!
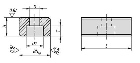
Нужны плоские пазовые позиционирующие сухари шириной 14 мм под винт М5, как на картинке.
Казалось бы - мелочь, но уже перерыл все, что можно, и не могу найти.
Единственное, что нашел - фирменные от KIPP, но они стоят 1362 руб. за штуку и под заказ. Мне их нужно минимум 20 и в дальнейшем планирую закупать периодически. В моем понимании, не может какой-то сухарь стоить дороже, чем твердосплавная пластина! Нужен вариант с адекватной ценой.
Если кто знает, где такие есть, поделитесь информацией, пожалуйста.
Где купить пазовые сухари?
-
AlanDerby
- Опытный
- Сообщения: 114
- Зарегистрирован: 05 авг 2021, 13:37
- Репутация: 20
- Контактная информация:
Где купить пазовые сухари?
Производим принтеры: virshke.com
Запускаем производство станочной оснастки: virshketech.com
Запускаем производство станочной оснастки: virshketech.com
-
nevkon
- Почётный участник

- Сообщения: 2477
- Зарегистрирован: 17 июл 2015, 10:25
- Репутация: 310
- Настоящее имя: Константин
- Откуда: Балаково (Саратовская обл.)
- Контактная информация:
Re: Где купить пазовые сухари?
У вас там допуск по 6 квалитету заявлен да поверхности довольно чистые, так что еще как может.
-
AlanDerby
- Опытный
- Сообщения: 114
- Зарегистрирован: 05 авг 2021, 13:37
- Репутация: 20
- Контактная информация:
Re: Где купить пазовые сухари?
По любому у китайцев можно раза в 2 дешевле купить. Вот только найти бы кто их продает.
Производим принтеры: virshke.com
Запускаем производство станочной оснастки: virshketech.com
Запускаем производство станочной оснастки: virshketech.com
-
sinkacnc
- Мастер
- Сообщения: 488
- Зарегистрирован: 11 июл 2023, 10:35
- Репутация: 38
- Настоящее имя: Alexey
- Контактная информация:
Re: Где купить пазовые сухари?
Закажи у фрезеровщика
-
AlanDerby
- Опытный
- Сообщения: 114
- Зарегистрирован: 05 авг 2021, 13:37
- Репутация: 20
- Контактная информация:
Re: Где купить пазовые сухари?
Проще уж тогда самому сделать. Фрезерный есть. Как вариант, рассматриваю - купить шпонки на 14 мм и просверлить. Дешево и сердито.
Не хотелось этим заниматься, но видимо придется.
Не хотелось этим заниматься, но видимо придется.
Производим принтеры: virshke.com
Запускаем производство станочной оснастки: virshketech.com
Запускаем производство станочной оснастки: virshketech.com
-
nevkon
- Почётный участник

- Сообщения: 2477
- Зарегистрирован: 17 июл 2015, 10:25
- Репутация: 310
- Настоящее имя: Константин
- Откуда: Балаково (Саратовская обл.)
- Контактная информация:
Re: Где купить пазовые сухари?
Иметь фрезерный по металлу и искать где купить... Конечно нужную точность получить нелегко, но тем не менее реально.
-
AlanDerby
- Опытный
- Сообщения: 114
- Зарегистрирован: 05 авг 2021, 13:37
- Репутация: 20
- Контактная информация:
Re: Где купить пазовые сухари?
Да, все реально, но тут уже надо считать, что дороже - детали или время на их изготовление.
Производим принтеры: virshke.com
Запускаем производство станочной оснастки: virshketech.com
Запускаем производство станочной оснастки: virshketech.com
-
AlanDerby
- Опытный
- Сообщения: 114
- Зарегистрирован: 05 авг 2021, 13:37
- Репутация: 20
- Контактная информация:
Re: Где купить пазовые сухари?
В общем, лайфхак! Для этих целей отлично подошли шпонки. Просто просверлил в них дырки для винтов и они прямо в натяжечку, как положено, встали в пазы. И стоили они 266 рублей с доставкой, вместо 1362 за фиременные сухари.
Производим принтеры: virshke.com
Запускаем производство станочной оснастки: virshketech.com
Запускаем производство станочной оснастки: virshketech.com