Подключение частотника Delta
- ccuser
- Новичок
- Сообщения: 33
- Зарегистрирован: 18 сен 2013, 20:25
- Репутация: 7
- Контактная информация:
Подключение частотника Delta
Такой вопрос. Собираюсь подключать частотник Delta VFD022EL21A (2.2кВт, 1 фаза, 220В, 24А).
По мануалу перед частотником рекомендуют ставить быстродействующие плавкие предохранители, также допускается установка автомата. Номинал и предохранителей и автомата 50 А. Кто-то ставил предохранители или и автомат сойдёт? Такой большой номинал ставили или экономили и ставили меньше?
Также люди часто ставят контактор и заводят его на кнопки вкл/выкл. Зачем это нужно и можно ли обойтись без него? Мне в идеале поставить бы перед частотником автомат и всё.
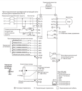
Порядок подключения показан на страницах мануала.
По мануалу перед частотником рекомендуют ставить быстродействующие плавкие предохранители, также допускается установка автомата. Номинал и предохранителей и автомата 50 А. Кто-то ставил предохранители или и автомат сойдёт? Такой большой номинал ставили или экономили и ставили меньше?
Также люди часто ставят контактор и заводят его на кнопки вкл/выкл. Зачем это нужно и можно ли обойтись без него? Мне в идеале поставить бы перед частотником автомат и всё.
Порядок подключения показан на страницах мануала.
-
rry
- Мастер
- Сообщения: 224
- Зарегистрирован: 25 дек 2020, 12:01
- Репутация: 38
- Настоящее имя: Victor
- Контактная информация:
Re: Подключение частотника Delta
токи не большие у вас, если грубо, то пойдёт любой от C25 например, но если планируется длительная работа на максималках, то лучше побольше и главное толщину проводов под эти токи - это важнее, чем автомат
контактор тоже больше для удобства, не надо в щиток лезть - проще включить и если чего - проще быстро выключить
контактор тоже больше для удобства, не надо в щиток лезть - проще включить и если чего - проще быстро выключить
-
rry
- Мастер
- Сообщения: 224
- Зарегистрирован: 25 дек 2020, 12:01
- Репутация: 38
- Настоящее имя: Victor
- Контактная информация:
Re: Подключение частотника Delta
а где написано про 50А ?
с этим частотником и на 10 вполне может хватеть
с этим частотником и на 10 вполне может хватеть
- xenon-alien
- Почётный участник

- Сообщения: 4520
- Зарегистрирован: 01 янв 2013, 13:13
- Репутация: 925
- Настоящее имя: Daniel
- Откуда: Закарпатская обл. Украина
- Контактная информация:
Re: Подключение частотника Delta
Для частотникак как минимум желателен автомат и ЭМИ фильтр (что би мозги не шалили от выбросов и наводок) на входе и ферритовые кольца на выходе.
У вас ПЧ 2,2кВт / 220в = 10А + запас на преобразование. По этому смело можно ставить 13А автомат (если найдёте) Или 10А промышленный (D). Я на 3,2 кВт шпиндель 16А автомат ставлю.
От куда там у вас 24А взялось - не понятно.
Номинальный ток для ПЧ 11А (если смотреть характеристику в интернете) Так что 10А автомат подойдёт лишь, если не будете на полную его нагружать.
У вас ПЧ 2,2кВт / 220в = 10А + запас на преобразование. По этому смело можно ставить 13А автомат (если найдёте) Или 10А промышленный (D). Я на 3,2 кВт шпиндель 16А автомат ставлю.
От куда там у вас 24А взялось - не понятно.
Номинальный ток для ПЧ 11А (если смотреть характеристику в интернете) Так что 10А автомат подойдёт лишь, если не будете на полную его нагружать.
- ccuser
- Новичок
- Сообщения: 33
- Зарегистрирован: 18 сен 2013, 20:25
- Репутация: 7
- Контактная информация:
Re: Подключение частотника Delta
Вот скрины мануала.
- ccuser
- Новичок
- Сообщения: 33
- Зарегистрирован: 18 сен 2013, 20:25
- Репутация: 7
- Контактная информация:
Re: Подключение частотника Delta
Номинальный ток 24 А по мануалу и на шильдике. 11 А это выходной ток.xenon-alien писал(а): ↑27 янв 2024, 16:53 Для частотникак как минимум желателен автомат и ЭМИ фильтр (что би мозги не шалили от выбросов и наводок) на входе и ферритовые кольца на выходе.
У вас ПЧ 2,2кВт / 220в = 10А + запас на преобразование. По этому смело можно ставить 13А автомат (если найдёте) Или 10А промышленный (D). Я на 3,2 кВт шпиндель 16А автомат ставлю.
От куда там у вас 24А взялось - не понятно.
Номинальный ток для ПЧ 11А (если смотреть характеристику в интернете) Так что 10А автомат подойдёт лишь, если не будете на полную его нагружать.
- AlexVlg
- Опытный
- Сообщения: 175
- Зарегистрирован: 29 ноя 2017, 10:17
- Репутация: 12
- Настоящее имя: Александр
- Откуда: Волгоград
- Контактная информация:
Re: Подключение частотника Delta
Вот интересно, выходной ток 11ампер. А шпиндель сколько может скушать? И если автомат или предохранитель на 50А. В основном щите как минимум на 80 стоять должен. И вообще, 50 ампер при напряжении 220в это очень большая цифра. 2.2 кв. Это утюг. Вообще номинальный ток шпинделя около 3 ампер без нагрузки, около 9ти при полной.
- AlexVlg
- Опытный
- Сообщения: 175
- Зарегистрирован: 29 ноя 2017, 10:17
- Репутация: 12
- Настоящее имя: Александр
- Откуда: Волгоград
- Контактная информация:
Re: Подключение частотника Delta
Контактор не обязательно ставить, а вот фильтр на входе и кольцо на выходе, очень желательно.
- AlexVlg
- Опытный
- Сообщения: 175
- Зарегистрирован: 29 ноя 2017, 10:17
- Репутация: 12
- Настоящее имя: Александр
- Откуда: Волгоград
- Контактная информация:
Re: Подключение частотника Delta
Для справки, 50 ампер при напряжении 220в. 11 киловат мощности.
-
rry
- Мастер
- Сообщения: 224
- Зарегистрирован: 25 дек 2020, 12:01
- Репутация: 38
- Настоящее имя: Victor
- Контактная информация:
Re: Подключение частотника Delta
всё в целом верно. частотник 2.2квт номинально работает на 10А максимум, дельта допускает долгую нагрузку от 180% - т.е. в теории на шпиндель можно и 3кВт выдавать, но это будет критическая нагрузка - и автомат С16 или С20 будет норм.
Токи на разгон и торможение очень часто раз в 5-10 могут превышать номинальные и это нормально, и токи вполне могут эти 25А превышать, но это очень короткие по времени превышения, и даже если вылезет 50А на пол секунды, то С25 не должен это вырубать.
А производитель частотников дельта не знает какие вы будете автоматы врубать, толи тип С, который допускает 5 или 10 кратное превышение тока, толи тип D - допускающий 100 - кратное превышение на относительно долгое время, или вообще дешманские B, которые сразу выкунуть надо, в общем на всякий случай говорит - ставьте на 50 ампер и будет вам счастье, когда в наших реалиях это и есть автомат С10 или если с запасом то С16 )
-
rry
- Мастер
- Сообщения: 224
- Зарегистрирован: 25 дек 2020, 12:01
- Репутация: 38
- Настоящее имя: Victor
- Контактная информация:
Re: Подключение частотника Delta
да, кондёры там огромные, сглаживают, поэтому если упростить, то 100 кратные нагрузки по току на разгон тяжелой оправки за 5 секунд кондёры превращают скачек потребления тока раз в 5 на 100мс, что автоматы ABB типа С нормально воспримут и не отрубятся за это время, даже С10
-
rry
- Мастер
- Сообщения: 224
- Зарегистрирован: 25 дек 2020, 12:01
- Репутация: 38
- Настоящее имя: Victor
- Контактная информация:
Re: Подключение частотника Delta
Да, возвращаясь к заданному вопросу дам вредный совет)), ставьте такой автомат, какой есть от C10 и далее до 50А, и не парьтесь) будет вырубать - поставьте побольше, но без фанатизма, только до 50А) ... контактор нах не нужен вообще, эми фильтр, кольца и прочие приблуды тоже в начальном варианте не нужны
- AlexVlg
- Опытный
- Сообщения: 175
- Зарегистрирован: 29 ноя 2017, 10:17
- Репутация: 12
- Настоящее имя: Александр
- Откуда: Волгоград
- Контактная информация:
Re: Подключение частотника Delta
На частотник 2.2 кв. 16 ампер автомата более чем достаточно.. 50 ампер, в случае если шпиндель заклинит, будете огнетушителем тушить. Не дай бог, конечно...
- ccuser
- Новичок
- Сообщения: 33
- Зарегистрирован: 18 сен 2013, 20:25
- Репутация: 7
- Контактная информация:
Re: Подключение частотника Delta
Кольцо на выходе это да, но пока не обязательно, а EMI-фильтр в этой модели встроеный. На одной из приведённых страниц мануала, где вертикально изображена цепочка от сети до шпинделя с пояснениями, указано, что у моделей 1ф/220В и 3ф/380В есть встроеный РЧ-фильтр. У меня на прошлой работе был большой портальник со шкафом напольным. Там и фильтры были, и контакторы, и много чего, конпки всякие выведены были наружу, но там в частотнике видимо такого функционала не было, т.к. он покупался году в 2010-2011.
Последний раз редактировалось ccuser 28 янв 2024, 14:49, всего редактировалось 1 раз.
- ccuser
- Новичок
- Сообщения: 33
- Зарегистрирован: 18 сен 2013, 20:25
- Репутация: 7
- Контактная информация:
Re: Подключение частотника Delta
По мануалу, перегрузочная способность частотника - 150% от номинального тока в течение одной минуты. В моём случае номинальный 24 А, допустимая перегрузка по току - 36 А в течение одной минуты.
- ccuser
- Новичок
- Сообщения: 33
- Зарегистрирован: 18 сен 2013, 20:25
- Репутация: 7
- Контактная информация:
Re: Подключение частотника Delta
По мануалу, производитель рекомендует ставить автомат типа B с предельным превышением по току в 3-5 раз. Находил ещё статью на сайте продавца оборудования, не Delta, по выбору автомата для частотника. Там написано, что автомат обычно выбирается в два раза больше номинального тока, тип B. 24А x 2 = 48А (ближайший автомат как раз 50А).rry писал(а): ↑ А производитель частотников дельта не знает какие вы будете автоматы врубать, толи тип С, который допускает 5 или 10 кратное превышение тока, толи тип D - допускающий 100 - кратное превышение на относительно долгое время, или вообще дешманские B, которые сразу выкунуть надо, в общем на всякий случай говорит - ставьте на 50 ампер и будет вам счастье, когда в наших реалиях это и есть автомат С10 или если с запасом то С16 )
- ccuser
- Новичок
- Сообщения: 33
- Зарегистрирован: 18 сен 2013, 20:25
- Репутация: 7
- Контактная информация:
Re: Подключение частотника Delta
Контактор на схеме подключения это как доп. функционал скорее. Он там подключён к контактам RB и RC (слева), типа если частотник увидит неполадки, он сам себя обрубит. Частотник всё-таки умнее простого автомата) Вот там да, можно подумать о контакторе, но позже.rry писал(а): ↑ Да, возвращаясь к заданному вопросу дам вредный совет)), ставьте такой автомат, какой есть от C10 и далее до 50А, и не парьтесь) будет вырубать - поставьте побольше, но без фанатизма, только до 50А) ... контактор нах не нужен вообще, эми фильтр, кольца и прочие приблуды тоже в начальном варианте не нужны
-
Jonsonsh
- Кандидат
- Сообщения: 97
- Зарегистрирован: 25 ноя 2020, 20:30
- Репутация: 9
- Настоящее имя: Евгений
- Контактная информация:
Re: Подключение частотника Delta
Я поинтересовался в службе тех поддержки на русской дельте (deltronics.ru), так как тоже меня интересуют выбор автомата для частотника
Мой Вопрос в техподдержку: Прошу уточнить по поводу автоматического выключателя для ПЧ vfd022el21a - в документации для него рекомендуется автоматический выключатель 50А класса B, при его мощности 2.2кВт (эквивалентно 10А), это не ошибка (согласно рекомендации по автомату защиты, вводной автомат в ЩС для питания ПЧ и прочего оборудования должен превышать 50А и линия питания для такого ПЧ должна быть очень мощной, что зачастую превышает величину вводных кабельных линий в здание)?
Ответ: Не путайте кВт и кВА, особенно на небольших мощностях и преобразовании однофазного питания в трехфазное. Номинальный входной ток этого ПЧ – 24А. Преобразователь выдерживает перегрузки 150% в течение 1 минуты, соответственно ему в эту минуту нужен входной ток 36А. Там есть ещё кое-какие нюансы, но идея, думаю, понятна. Вы можете на свой страх и риск поставить автомат на меньшее значение (многие так и делают), но тогда можете столкнуться с отключением автомата при нормальной работе ПЧ, что серьезно усложнит диагностику причины отключения. Если такие ложные отключения будут нечастыми (1-2 раза в день), то для преобразователя это неопасно.
Кто-то мерял кстати амперметром фактическое потребление шпинделем во время работы на максимальной нагрузке?
Мой Вопрос в техподдержку: Прошу уточнить по поводу автоматического выключателя для ПЧ vfd022el21a - в документации для него рекомендуется автоматический выключатель 50А класса B, при его мощности 2.2кВт (эквивалентно 10А), это не ошибка (согласно рекомендации по автомату защиты, вводной автомат в ЩС для питания ПЧ и прочего оборудования должен превышать 50А и линия питания для такого ПЧ должна быть очень мощной, что зачастую превышает величину вводных кабельных линий в здание)?
Ответ: Не путайте кВт и кВА, особенно на небольших мощностях и преобразовании однофазного питания в трехфазное. Номинальный входной ток этого ПЧ – 24А. Преобразователь выдерживает перегрузки 150% в течение 1 минуты, соответственно ему в эту минуту нужен входной ток 36А. Там есть ещё кое-какие нюансы, но идея, думаю, понятна. Вы можете на свой страх и риск поставить автомат на меньшее значение (многие так и делают), но тогда можете столкнуться с отключением автомата при нормальной работе ПЧ, что серьезно усложнит диагностику причины отключения. Если такие ложные отключения будут нечастыми (1-2 раза в день), то для преобразователя это неопасно.
Кто-то мерял кстати амперметром фактическое потребление шпинделем во время работы на максимальной нагрузке?
- AlexVlg
- Опытный
- Сообщения: 175
- Зарегистрирован: 29 ноя 2017, 10:17
- Репутация: 12
- Настоящее имя: Александр
- Откуда: Волгоград
- Контактная информация:
Re: Подключение частотника Delta
Мерял только на холостом, на разных частотах, когда настраивал частотник на максимальный момент при низких оборотах. У меня на шпинделе маркировка 8.5 А. Этот ток прописывается в частотнике, логично, что больше он не выдаст, если только на пике.