Фрезерный станок Beaver 24AV
-
Ilnur
- Новичок
- Сообщения: 8
- Зарегистрирован: 27 июн 2021, 13:31
- Репутация: 0
- Настоящее имя: Ильнур
- Контактная информация:
Фрезерный станок Beaver 24AV
Добрый день!
Можно ли где-нибудь найти информацию по системе управления данным станком? Где можно достать схемы по подключению (принципиальные схемы)? Есть сам станок без системы управления (отсутствует компьютер), некоторые провода явно откидывали (откручивали). В связи с этим и возникли вопросы.
Можно ли где-нибудь найти информацию по системе управления данным станком? Где можно достать схемы по подключению (принципиальные схемы)? Есть сам станок без системы управления (отсутствует компьютер), некоторые провода явно откидывали (откручивали). В связи с этим и возникли вопросы.
- Rom327
- Почётный участник

- Сообщения: 2989
- Зарегистрирован: 03 апр 2015, 13:23
- Репутация: 437
- Настоящее имя: Роман
- Откуда: Подольск
- Контактная информация:
Re: Фрезерный станок Beaver 24AV
Ну если компа в комплекте нет, придется мудрить что-то свое. Выкладывай фотки что есть...
Это сугубо мое мнение, могу и ошибаться...
https://vk.com/rom327
GRBL настройки: http://blogandbux.blogspot.com/2018/07/ ... revod.html
G коды: http://3d-stanki.ru/spravochnik/program ... stankov-2/
https://vk.com/rom327
GRBL настройки: http://blogandbux.blogspot.com/2018/07/ ... revod.html
G коды: http://3d-stanki.ru/spravochnik/program ... stankov-2/
- Rom327
- Почётный участник

- Сообщения: 2989
- Зарегистрирован: 03 апр 2015, 13:23
- Репутация: 437
- Настоящее имя: Роман
- Откуда: Подольск
- Контактная информация:
Re: Фрезерный станок Beaver 24AV
Моторы есть? Какое посадочное место под моторы? Способ передачи зубчатая рейка?
Это сугубо мое мнение, могу и ошибаться...
https://vk.com/rom327
GRBL настройки: http://blogandbux.blogspot.com/2018/07/ ... revod.html
G коды: http://3d-stanki.ru/spravochnik/program ... stankov-2/
https://vk.com/rom327
GRBL настройки: http://blogandbux.blogspot.com/2018/07/ ... revod.html
G коды: http://3d-stanki.ru/spravochnik/program ... stankov-2/
-
Ilnur
- Новичок
- Сообщения: 8
- Зарегистрирован: 27 июн 2021, 13:31
- Репутация: 0
- Настоящее имя: Ильнур
- Контактная информация:
Re: Фрезерный станок Beaver 24AV
Моторы есть, шаговые двигатели стоят. У меня вопрос в другом: нет мануалов и схемы управления. Некоторые элементы управления отсоединены (либо откинули). Есть ли вообще на такие станки принципиальные схемы? Чтобы понять что куда идет.
-
Евжений
- Мастер
- Сообщения: 1168
- Зарегистрирован: 05 апр 2016, 20:18
- Репутация: 136
- Настоящее имя: Жэзэрэл
- Откуда: Там, сям.
- Контактная информация:
Re: Фрезерный станок Beaver 24AV
Не встречал.
ВК https://vk.com/id353124059
О Боже, дай мне .... пендель!
О Боже, дай мне .... пендель!
- Rom327
- Почётный участник

- Сообщения: 2989
- Зарегистрирован: 03 апр 2015, 13:23
- Репутация: 437
- Настоящее имя: Роман
- Откуда: Подольск
- Контактная информация:
Re: Фрезерный станок Beaver 24AV
Судя по фотографиям которые ты прислал, невозможно понять, что у тебя есть, а чего нет! Пришли фотки ВСЕГО что есть... Иначе бессмысленно задавать вопросы...
Это сугубо мое мнение, могу и ошибаться...
https://vk.com/rom327
GRBL настройки: http://blogandbux.blogspot.com/2018/07/ ... revod.html
G коды: http://3d-stanki.ru/spravochnik/program ... stankov-2/
https://vk.com/rom327
GRBL настройки: http://blogandbux.blogspot.com/2018/07/ ... revod.html
G коды: http://3d-stanki.ru/spravochnik/program ... stankov-2/
-
Ilnur
- Новичок
- Сообщения: 8
- Зарегистрирован: 27 июн 2021, 13:31
- Репутация: 0
- Настоящее имя: Ильнур
- Контактная информация:
Re: Фрезерный станок Beaver 24AV
-
Ilnur
- Новичок
- Сообщения: 8
- Зарегистрирован: 27 июн 2021, 13:31
- Репутация: 0
- Настоящее имя: Ильнур
- Контактная информация:
Re: Фрезерный станок Beaver 24AV
-
nevkon
- Почётный участник

- Сообщения: 2477
- Зарегистрирован: 17 июл 2015, 10:25
- Репутация: 310
- Настоящее имя: Константин
- Откуда: Балаково (Саратовская обл.)
- Контактная информация:
Re: Фрезерный станок Beaver 24AV
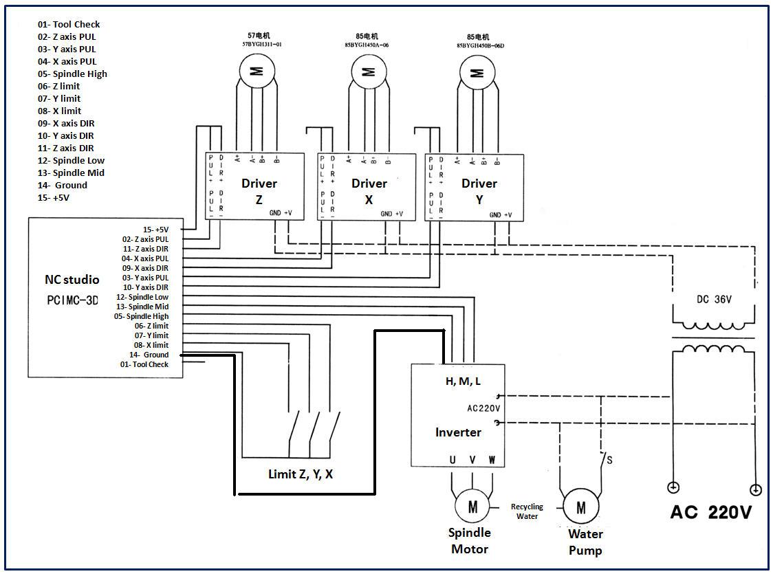
В этой мешанине проводов будет сложно что-нибудь понять сходу. Драйвера больше на серво смахивают, особенно разъемами.
Разъемчик на последнем фото похож на тот что используется в плате нц-студио. Хотя может быть и любая другая. Контроллера внутри не видно, значит был в ПК.
Разъемчик на последнем фото похож на тот что используется в плате нц-студио. Хотя может быть и любая другая. Контроллера внутри не видно, значит был в ПК.
- Rom327
- Почётный участник

- Сообщения: 2989
- Зарегистрирован: 03 апр 2015, 13:23
- Репутация: 437
- Настоящее имя: Роман
- Откуда: Подольск
- Контактная информация:
Re: Фрезерный станок Beaver 24AV
Странно последнее время себя авторы вопросов ведут... Задают вопрос и не предоставляют полной информации. А на наводящие вопросы пытаются скалиться, типа "а это то вам зачем?" Непонятно, нужно им помогать или нет...
Это сугубо мое мнение, могу и ошибаться...
https://vk.com/rom327
GRBL настройки: http://blogandbux.blogspot.com/2018/07/ ... revod.html
G коды: http://3d-stanki.ru/spravochnik/program ... stankov-2/
https://vk.com/rom327
GRBL настройки: http://blogandbux.blogspot.com/2018/07/ ... revod.html
G коды: http://3d-stanki.ru/spravochnik/program ... stankov-2/
-
Ilnur
- Новичок
- Сообщения: 8
- Зарегистрирован: 27 июн 2021, 13:31
- Репутация: 0
- Настоящее имя: Ильнур
- Контактная информация:
Re: Фрезерный станок Beaver 24AV
На этом станке точно шаговики стоят. Спасибо за помощь, в ближайшее время буду разбираться с электрикой. Думал, может у кого завалялись схемы или еще какая-нибудь информация по подобным станкам.nevkon писал(а): ↑24 авг 2021, 15:30 В этой мешанине проводов будет сложно что-нибудь понять сходу. Драйвера больше на серво смахивают, особенно разъемами.
Разъемчик на последнем фото похож на тот что используется в плате нц-студио. Хотя может быть и любая другая. Контроллера внутри не видно, значит был в ПК.
-
nevkon
- Почётный участник

- Сообщения: 2477
- Зарегистрирован: 17 июл 2015, 10:25
- Репутация: 310
- Настоящее имя: Константин
- Откуда: Балаково (Саратовская обл.)
- Контактная информация:
Re: Фрезерный станок Beaver 24AV
Там у вас типовая схема подключения, ничего необычного не видно.
- Rom327
- Почётный участник

- Сообщения: 2989
- Зарегистрирован: 03 апр 2015, 13:23
- Репутация: 437
- Настоящее имя: Роман
- Откуда: Подольск
- Контактная информация:
Re: Фрезерный станок Beaver 24AV
Если стояла NCStudio То информации полно...
Это сугубо мое мнение, могу и ошибаться...
https://vk.com/rom327
GRBL настройки: http://blogandbux.blogspot.com/2018/07/ ... revod.html
G коды: http://3d-stanki.ru/spravochnik/program ... stankov-2/
https://vk.com/rom327
GRBL настройки: http://blogandbux.blogspot.com/2018/07/ ... revod.html
G коды: http://3d-stanki.ru/spravochnik/program ... stankov-2/