Система управления 3D-принтером с обратной связью в simulink

Обсуждение аспектов работы с CAD программами, моделирование, расчеты, симуляция.
София
Новичок
Сообщения: 1
Зарегистрирован: 10 апр 2020, 23:14
Репутация: 0
Настоящее имя: София
Контактная информация:

Система управления 3D-принтером с обратной связью в simulink

Сообщение София »

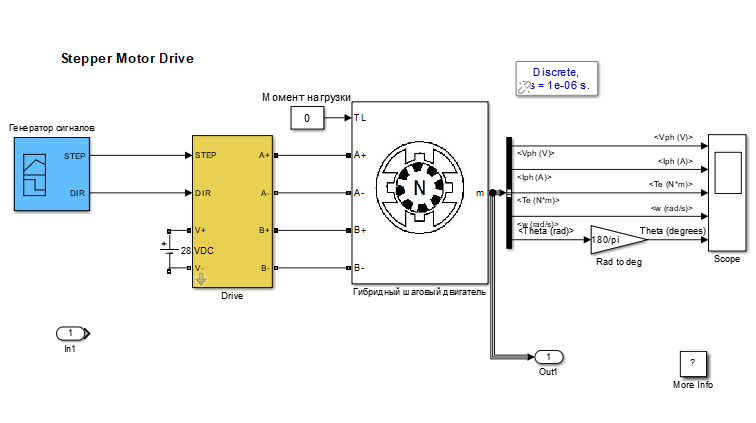
Всем доброго времени дня!Может кто подсказать, как правильно собрать схему в симулинке,чтобы получилась адекватная с использованием энкодеров на валу шаговика для отслеживания реального положения печатающей головки. В качестве subsystem использую встроенную модель шагового двигателя из библиотеки(не знаю, куда подключить in, и правильно ли стоит out).Правильно ли подсоединение энкодера,как на 1 картинке?
Вложения
1.png (6747 просмотров) <a class='original' href='./download/file.php?id=179833&mode=view' target=_blank>Загрузить оригинал (16.01 КБ)</a>
2.png (6747 просмотров) <a class='original' href='./download/file.php?id=179834&mode=view' target=_blank>Загрузить оригинал (31.33 КБ)</a>

Вернуться в «CAD пакеты»