AC Servo MINAS A4 Series помогите запустить

Контроллеры, драйверы, датчики, управляющие устройства.
Аватара пользователя
РЕКЛАМА
Почётный участник
Почётный участник
Сообщения: 736
Зарегистрирован: 11 дек 2012, 21:46
Репутация: 80
Откуда: Брянск
Контактная информация:

AC Servo MINAS A4 Series помогите запустить

Сообщение РЕКЛАМА »

Доукомплектовал связку серва mhmd042p1u - мозги mbddt 2210003.

Документация по такому набора тут: http://industrial.panasonic.com/ww/i_e/ ... acs_e.html

Помогите подключить по степ-дир к лпт, в смысле куда чего к каким разъемам на какие контакты и если чего менять в настройках. (мотор и питание подключены).

Адски боюсь чего спалить, а знание англицкого на уровне 3 класса.

Помогите......

При включении без подключения к компу светит ошибка 38 "Run-inhibition input protection" гугл перевел как : Run-торможение входа защиты

На что он ругается?
Аватара пользователя
РЕКЛАМА
Почётный участник
Почётный участник
Сообщения: 736
Зарегистрирован: 11 дек 2012, 21:46
Репутация: 80
Откуда: Брянск
Контактная информация:

Re: AC Servo MINAS A4 Series помогите запустить

Сообщение РЕКЛАМА »

Есть в комплекте шнурок для com порта..
aftaev
Зачётный участник
Зачётный участник
Сообщения: 34042
Зарегистрирован: 04 апр 2010, 19:22
Репутация: 6194
Откуда: Казахстан.
Контактная информация:

Re: AC Servo MINAS A4 Series помогите запустить

Сообщение aftaev »

Читаешь мануал там должна быть функция ручного вращения нужна чтоб проверить роботоспособность. В Яскавах это JOG функция запускается через кнопки на серве Fn002
Для начало ее запусти убедиться что мотор и усилок совместимы и исправны
Дилетанту сложные вещи кажутся очень простыми, и только профессионал понимает насколько сложна самая простая вещь
Кто хочет - ищет возможности, кто не хочет - ищет оправдание.
Найди работу по душе и тебе не придется работать.
Аватара пользователя
РЕКЛАМА
Почётный участник
Почётный участник
Сообщения: 736
Зарегистрирован: 11 дек 2012, 21:46
Репутация: 80
Откуда: Брянск
Контактная информация:

Re: AC Servo MINAS A4 Series помогите запустить

Сообщение РЕКЛАМА »

это все стояло на одном агрегате в паре, и на момент деинсталяции работало.
В мануале разбираюсь-никак не разберусь, очень там много информации, а какая из них мне необходима не могу вычленить..
та ошибка которую он выдает, я так понимаю, это жалоба на отсутствие сигналов управления?

моргает ошибка 38 при включении. экран то-же моргает постоянно. на попытки ввести чего-нибудь результат-error.. :(
aftaev
Зачётный участник
Зачётный участник
Сообщения: 34042
Зарегистрирован: 04 апр 2010, 19:22
Репутация: 6194
Откуда: Казахстан.
Контактная информация:

Re: AC Servo MINAS A4 Series помогите запустить

Сообщение aftaev »

Серва может быть в режиме удержания или просто включена. Никаких ошибок не должно быть.
При включении серва ждет сигнал включения S-on если его нет вал сервы свободно вращается. Когда подаем сигнал S-on серва подает напряжение на мотор и удерживает позицию(если она задана в настройках)

В твоем варианте возможно нет тормозного резистора или что то не подключил.
Фото выложи чтоб было видно провода.
Дилетанту сложные вещи кажутся очень простыми, и только профессионал понимает насколько сложна самая простая вещь
Кто хочет - ищет возможности, кто не хочет - ищет оправдание.
Найди работу по душе и тебе не придется работать.
aftaev
Зачётный участник
Зачётный участник
Сообщения: 34042
Зарегистрирован: 04 апр 2010, 19:22
Репутация: 6194
Откуда: Казахстан.
Контактная информация:

Re: AC Servo MINAS A4 Series помогите запустить

Сообщение aftaev »

И покажи ссылку конкретно на мануал, лень по твоей ссылке искать где там твоя модель.
Дилетанту сложные вещи кажутся очень простыми, и только профессионал понимает насколько сложна самая простая вещь
Кто хочет - ищет возможности, кто не хочет - ищет оправдание.
Найди работу по душе и тебе не придется работать.
Аватара пользователя
РЕКЛАМА
Почётный участник
Почётный участник
Сообщения: 736
Зарегистрирован: 11 дек 2012, 21:46
Репутация: 80
Откуда: Брянск
Контактная информация:

Re: AC Servo MINAS A4 Series помогите запустить

Сообщение РЕКЛАМА »

http://industrial.panasonic.com/ww/i_e/ ... s_a4_e.pdf
прошивка вроде как в них у всех одинаковая, разнятся только мощностью , корпусом и на 1-3 фазы
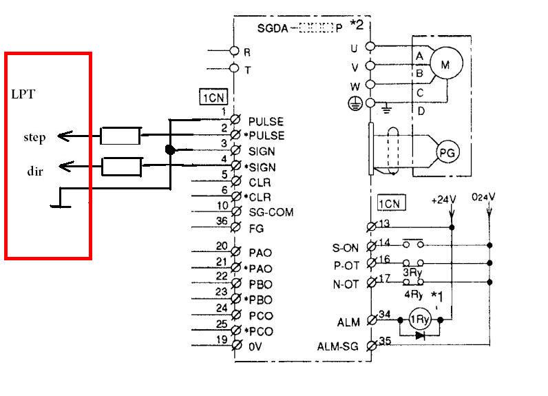
P21.jpg (5332 просмотра) <a class='original' href='./download/file.php?id=11989&sid=846f6481b3db20f547329147b84885f1&mode=view' target=_blank>Загрузить оригинал (138.64 КБ)</a>
Подключено все как было, только почему-то не было петли (счас оранжевая) стоит. на ошибку не повлияло
Аватара пользователя
РЕКЛАМА
Почётный участник
Почётный участник
Сообщения: 736
Зарегистрирован: 11 дек 2012, 21:46
Репутация: 80
Откуда: Брянск
Контактная информация:

Re: AC Servo MINAS A4 Series помогите запустить

Сообщение РЕКЛАМА »

http://industrial.panasonic.com/ww/i_e/ ... 4e_08s.pdf

а это я так понял по устранению неисправностей мануал..
aftaev
Зачётный участник
Зачётный участник
Сообщения: 34042
Зарегистрирован: 04 апр 2010, 19:22
Репутация: 6194
Откуда: Казахстан.
Контактная информация:

Re: AC Servo MINAS A4 Series помогите запустить

Сообщение aftaev »

Что за петля? Коричневый провод? Из-за него фотку и попросил это тормозной резистор
Дилетанту сложные вещи кажутся очень простыми, и только профессионал понимает насколько сложна самая простая вещь
Кто хочет - ищет возможности, кто не хочет - ищет оправдание.
Найди работу по душе и тебе не придется работать.
aftaev
Зачётный участник
Зачётный участник
Сообщения: 34042
Зарегистрирован: 04 апр 2010, 19:22
Репутация: 6194
Откуда: Казахстан.
Контактная информация:

Re: AC Servo MINAS A4 Series помогите запустить

Сообщение aftaev »

Серва до этого где стаяла?
Дилетанту сложные вещи кажутся очень простыми, и только профессионал понимает насколько сложна самая простая вещь
Кто хочет - ищет возможности, кто не хочет - ищет оправдание.
Найди работу по душе и тебе не придется работать.
Аватара пользователя
РЕКЛАМА
Почётный участник
Почётный участник
Сообщения: 736
Зарегистрирован: 11 дек 2012, 21:46
Репутация: 80
Откуда: Брянск
Контактная информация:

Re: AC Servo MINAS A4 Series помогите запустить

Сообщение РЕКЛАМА »

Широкоформатный принтер "Leopard"

А там просто перемычка и резистор внутри или это непростая проводина?
aftaev
Зачётный участник
Зачётный участник
Сообщения: 34042
Зарегистрирован: 04 апр 2010, 19:22
Репутация: 6194
Откуда: Казахстан.
Контактная информация:

Re: AC Servo MINAS A4 Series помогите запустить

Сообщение aftaev »

РЕКЛАМА писал(а):А там просто перемычка и резистор внутри или это непростая проводина?
эта перемычка чтобы подключить внутренний резистор все правильно.

Судя по описанию ошибки серва ждет сигналы. Нужно переводить серву в степ/дир.
Ищи прогу от нее и подключай к компу.
Дилетанту сложные вещи кажутся очень простыми, и только профессионал понимает насколько сложна самая простая вещь
Кто хочет - ищет возможности, кто не хочет - ищет оправдание.
Найди работу по душе и тебе не придется работать.
Аватара пользователя
РЕКЛАМА
Почётный участник
Почётный участник
Сообщения: 736
Зарегистрирован: 11 дек 2012, 21:46
Репутация: 80
Откуда: Брянск
Контактная информация:

Re: AC Servo MINAS A4 Series помогите запустить

Сообщение РЕКЛАМА »

Вау!
Я её оживил.
Пришлось разобрать разъем, который оказался не com а просто конектор, подключить питание для активизации оптопар, замкнуть cw и ccw выходы на com-.

Что-то не могу найти как отключить эти концевики, этож лишние 24 вольта бп тратить, больше ни для чего он не нужен..

В большом разъеме мозгов провода еще были подпаяны на :
pelse1
pulse2
sign1
sign2
oa+
oa_

Что это может означать? может она по шаговому режиму и была подключена?

А серва так и должна при попытке ее крутануть возвращаться обратно? както слабовато фиксируется, не будет косяков в процессе работы?
aftaev
Зачётный участник
Зачётный участник
Сообщения: 34042
Зарегистрирован: 04 апр 2010, 19:22
Репутация: 6194
Откуда: Казахстан.
Контактная информация:

Re: AC Servo MINAS A4 Series помогите запустить

Сообщение aftaev »

РЕКЛАМА писал(а):Что-то не могу найти как отключить эти концевики, этож лишние 24 вольта бп тратить, больше ни для чего он не нужен..
В настройках сервы должно отключаться. Ищи прогу для этой сервы.
РЕКЛАМА писал(а):А серва так и должна при попытке ее крутануть возвращаться обратно?
В смысле? Словно вал резиновый? Крутишь вал, чем сильнее крутишь тем сильнее сопротивляется?
Дилетанту сложные вещи кажутся очень простыми, и только профессионал понимает насколько сложна самая простая вещь
Кто хочет - ищет возможности, кто не хочет - ищет оправдание.
Найди работу по душе и тебе не придется работать.
aftaev
Зачётный участник
Зачётный участник
Сообщения: 34042
Зарегистрирован: 04 апр 2010, 19:22
Репутация: 6194
Откуда: Казахстан.
Контактная информация:

Re: AC Servo MINAS A4 Series помогите запустить

Сообщение aftaev »

РЕКЛАМА, как лучше быть с твоим Панасом написал в ЛС.
Дилетанту сложные вещи кажутся очень простыми, и только профессионал понимает насколько сложна самая простая вещь
Кто хочет - ищет возможности, кто не хочет - ищет оправдание.
Найди работу по душе и тебе не придется работать.
Аватара пользователя
РЕКЛАМА
Почётный участник
Почётный участник
Сообщения: 736
Зарегистрирован: 11 дек 2012, 21:46
Репутация: 80
Откуда: Брянск
Контактная информация:

Re: AC Servo MINAS A4 Series помогите запустить

Сообщение РЕКЛАМА »

именно как резиновый, сдвигаешь его, а он упирается чем дальше тем сильнее и встает там где был. можно провернуть на примерно на 1/8 оборота за шкив на моторе.

Может проще продать ее или поменяться на шаговики с драйверами? ?
Аватара пользователя
ukr-sasha
Мастер
Сообщения: 3401
Зарегистрирован: 21 мар 2011, 07:47
Репутация: 2181
Настоящее имя: Украинец Александр Григорьевич
Откуда: Киев, Украина
Контактная информация:

Re: AC Servo MINAS A4 Series помогите запустить

Сообщение ukr-sasha »

Это нормальное поведение для сервы.
У вас просто не настроены коэффициенты ПИД. Попробуйте постепенно увеличивать П, и сами заметите, как будет изменяться жесткость вала двигателя.
aftaev
Зачётный участник
Зачётный участник
Сообщения: 34042
Зарегистрирован: 04 апр 2010, 19:22
Репутация: 6194
Откуда: Казахстан.
Контактная информация:

Re: AC Servo MINAS A4 Series помогите запустить

Сообщение aftaev »

РЕКЛАМА писал(а):Может проще продать ее или поменяться на шаговики с драйверами? ?
Все ровно :) У серв так и будет это меняется через настройку ПИ.
У Яскав есть функции настройки жесткости через функции от 1 до 10 чем больше цифра тем жестче вал. Далее идет тонкая настройка ручками.
У тебя тож должно быть. Нужно найти мануал на твою серву.
Дилетанту сложные вещи кажутся очень простыми, и только профессионал понимает насколько сложна самая простая вещь
Кто хочет - ищет возможности, кто не хочет - ищет оправдание.
Найди работу по душе и тебе не придется работать.
Аватара пользователя
РЕКЛАМА
Почётный участник
Почётный участник
Сообщения: 736
Зарегистрирован: 11 дек 2012, 21:46
Репутация: 80
Откуда: Брянск
Контактная информация:

Re: AC Servo MINAS A4 Series помогите запустить

Сообщение РЕКЛАМА »

Да мануалы есть, там по ссылкам, но они все на англицком, запустил я ее только благодаря картинкам..

а прежде чем лезть в дебри настроек надо сначала ее научить компьютора слушаться хоть как-то.
pulse и sign это вероятно степ и дир? почему их два комплекта? что еще и куда надо завести для управления?
aftaev
Зачётный участник
Зачётный участник
Сообщения: 34042
Зарегистрирован: 04 апр 2010, 19:22
Репутация: 6194
Откуда: Казахстан.
Контактная информация:

Re: AC Servo MINAS A4 Series помогите запустить

Сообщение aftaev »

РЕКЛАМА писал(а):pulse и sign это вероятно степ и дир?
Да
РЕКЛАМА писал(а):почему их два комплекта?
Степ + Степ -
Дир + Дир -
Обычно так

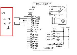
Вот Яскава как подключается к ЛПТ. Твои Мицу скорее всего имеют ту же распиновку.
Серва схема.JPG (5289 просмотров) <a class='original' href='./download/file.php?id=12003&sid=846f6481b3db20f547329147b84885f1&mode=view' target=_blank>Загрузить оригинал (53.76 КБ)</a>
Схема.JPG (5289 просмотров) <a class='original' href='./download/file.php?id=12004&sid=846f6481b3db20f547329147b84885f1&mode=view' target=_blank>Загрузить оригинал (96.77 КБ)</a>
Дилетанту сложные вещи кажутся очень простыми, и только профессионал понимает насколько сложна самая простая вещь
Кто хочет - ищет возможности, кто не хочет - ищет оправдание.
Найди работу по душе и тебе не придется работать.
Ответить

Вернуться в «Электроника»