Безопасная шестерня для вала шагового двигателя
- PaulSan
- Кандидат
- Сообщения: 48
- Зарегистрирован: 15 дек 2019, 20:49
- Репутация: -5
- Контактная информация:
Безопасная шестерня для вала шагового двигателя
Для человека "простота хуже воровства"..., но для конструкций у простоты минусов нет, при той же эффективности.
А я, очередной раз, при всём желании чего-нибудь сделать, опять начинаю трепаться...
Применение редукторов вместе с парой шестерня-рейка мне видится так же, как кушать макароны с хлебом... Простейшая передача шестерня-рейка сама по себе может менять редукцию. И добавлять к ним редукторы, которые ещё и сложнее, это вывалить на станок кучу лишних запчастей, чтобы казалось навороченным изобретением, когда покажешь девчонкам...
Короче, в последнее время продаётся подобная шестерня...., которая при установке на вал смотрится "страшно"... У неё огромный рычаг воздействия на вал, который ещё и крепится "на кончике", где даже видна фрезеровка вала (обработка для фиксации шестерни болтом). Ежу понятно, что либо подшипник изнасилует, либо сломит вал, в первую очередь в самом тонком месте - где фрезеровка вала.
Прошу совета, чтобы доработать это безобразие... :
1. В первую очередь, предполагаю углубить посадочное место для вала во-первых для уменьшения рычага, во-вторых для того, чтобы убрать самое тонкое место вала - фрезеровку в "безопасное место" - в тело шестерни, и в-третьих, чтобы увеличить площадь прилегания к валу для уменьшения резонанса при вибрациях. 2. Вообще увеличить длину шестерни в зоне посадочного места на вал до длины, равной всей длине вала с зазором 1мм, т.е. 32мм.
3. Использовать теперь уже полную площадь сопрягаемых деталей для установки дополнительных болтов фиксации шестерни - 2 болта на одну сторону фрезеровки, т.е. 4 болта, и увеличить их диаметр, чтобы так же увеличить площадь прилегания к валу.
4. Уменьшить диаметр шестерни до максимально возможного с изменением модуля ли, или без этого, для увеличения момента передачи.
5. В связи с уменьшением диаметра шестерни компенсировать ресурс за счёт закалки зубьев, их последующей шлифовки и увеличения длины зуба с 15 мм до 20-ти с заменой рейки соответственно. Что из этого можно делать, что нельзя? Когда оправдается производство такой модернизации? и пр.
Спасибо.
А я, очередной раз, при всём желании чего-нибудь сделать, опять начинаю трепаться...
Применение редукторов вместе с парой шестерня-рейка мне видится так же, как кушать макароны с хлебом... Простейшая передача шестерня-рейка сама по себе может менять редукцию. И добавлять к ним редукторы, которые ещё и сложнее, это вывалить на станок кучу лишних запчастей, чтобы казалось навороченным изобретением, когда покажешь девчонкам...
Короче, в последнее время продаётся подобная шестерня...., которая при установке на вал смотрится "страшно"... У неё огромный рычаг воздействия на вал, который ещё и крепится "на кончике", где даже видна фрезеровка вала (обработка для фиксации шестерни болтом). Ежу понятно, что либо подшипник изнасилует, либо сломит вал, в первую очередь в самом тонком месте - где фрезеровка вала.
Прошу совета, чтобы доработать это безобразие... :
1. В первую очередь, предполагаю углубить посадочное место для вала во-первых для уменьшения рычага, во-вторых для того, чтобы убрать самое тонкое место вала - фрезеровку в "безопасное место" - в тело шестерни, и в-третьих, чтобы увеличить площадь прилегания к валу для уменьшения резонанса при вибрациях. 2. Вообще увеличить длину шестерни в зоне посадочного места на вал до длины, равной всей длине вала с зазором 1мм, т.е. 32мм.
3. Использовать теперь уже полную площадь сопрягаемых деталей для установки дополнительных болтов фиксации шестерни - 2 болта на одну сторону фрезеровки, т.е. 4 болта, и увеличить их диаметр, чтобы так же увеличить площадь прилегания к валу.
4. Уменьшить диаметр шестерни до максимально возможного с изменением модуля ли, или без этого, для увеличения момента передачи.
5. В связи с уменьшением диаметра шестерни компенсировать ресурс за счёт закалки зубьев, их последующей шлифовки и увеличения длины зуба с 15 мм до 20-ти с заменой рейки соответственно. Что из этого можно делать, что нельзя? Когда оправдается производство такой модернизации? и пр.
Спасибо.
Последний раз редактировалось PaulSan 15 янв 2020, 02:20, всего редактировалось 1 раз.
- Lafayette
- Мастер
- Сообщения: 3514
- Зарегистрирован: 11 фев 2017, 21:25
- Репутация: 445
- Настоящее имя: Михаил
- Контактная информация:
Re: Безопасная шестерня для вала шагового двигателя
Как по мне, так бесполезная затея. Для того и придумали редуктора, хоть ременный, хоть какой, чтобы не насиловать мотор со всеми вытикающими и т.д.
-
aftaev
- Зачётный участник

- Сообщения: 34042
- Зарегистрирован: 04 апр 2010, 19:22
- Репутация: 6194
- Откуда: Казахстан.
- Контактная информация:
Re: Безопасная шестерня для вала шагового двигателя
Возможно крупные производители портальных станков, лазерных, гидроабразивнх и тд... переели макароны и используют редуктора в паре рейка шестерня.PaulSan писал(а):Применение редукторов вместе с парой шестерня-рейка мне видится так же, как кушать макароны с хлебом...
На станке стоит редуктор 1:5, на выходе шестеренка М1.5 20 зубов. То есть чтобы получить такой же момент, нужно сделать шестеренку с 4мя зубамиPaulSan писал(а):4. Уменьшить диаметр шестерни до максимально возможного с изменением модуля ли, или без этого, для увеличения момента передачи.
Вот это все точно сэкономит на покупке редукторовPaulSan писал(а):5. В связи с уменьшением диаметра шестерни компенсировать ресурс за счёт закалки зубьев, их последующей шлифовки и увеличения длины зуба с 15 мм до 20-ти с заменой рейки соответственно.
Дилетанту сложные вещи кажутся очень простыми, и только профессионал понимает насколько сложна самая простая вещь
Кто хочет - ищет возможности, кто не хочет - ищет оправдание.
Найди работу по душе и тебе не придется работать.
Кто хочет - ищет возможности, кто не хочет - ищет оправдание.
Найди работу по душе и тебе не придется работать.
- PaulSan
- Кандидат
- Сообщения: 48
- Зарегистрирован: 15 дек 2019, 20:49
- Репутация: -5
- Контактная информация:
Re: Безопасная шестерня для вала шагового двигателя
Вытекающие, это сменить мотор? Как часто? Много ли он стоит? И это в сравнении с амортизацией редукторов.Lafayette писал(а):со всеми вытикающими и т.д.
Спасибо.
- Лодочник
- Мастер
- Сообщения: 2178
- Зарегистрирован: 10 авг 2012, 05:24
- Репутация: 1835
- Настоящее имя: Олег
- Откуда: г.Королев
- Контактная информация:
Re: Безопасная шестерня для вала шагового двигателя
Обломить вал мотора 14мм диаметром проще простого при чрезмерном усилии прижима. При недостаточном прижиме будет люфт. Выставить рейку идеально ровно тоже задача непростая, особенно если рейка дешевая и "не очень ровная"...
- PaulSan
- Кандидат
- Сообщения: 48
- Зарегистрирован: 15 дек 2019, 20:49
- Репутация: -5
- Контактная информация:
Re: Безопасная шестерня для вала шагового двигателя
Крупные производители производят деньги, а потом всё остальное.aftaev писал(а):Возможно крупные производители портальных станков, лазерных, гидроабразивнх и тд... переели макароны и используют редуктора в паре рейка шестерня.
Ну я же допустил смену модуля.aftaev писал(а):На станке стоит редуктор 1:5, на выходе шестеренка М1.5 20 зубов. То есть чтобы получить такой же момент, нужно сделать шестеренку с 4мя зубами Интересно посмотреть на шестеренку М1.5 с 4мя зубами и как оно будет равномерно вращаться
Согласен, что первый образец самый дорогой.aftaev писал(а):Вот это все точно сэкономит на покупке редукторов
- PaulSan
- Кандидат
- Сообщения: 48
- Зарегистрирован: 15 дек 2019, 20:49
- Репутация: -5
- Контактная информация:
Re: Безопасная шестерня для вала шагового двигателя
Да уж... Это правда даже в теории потому, что сам ещё не пробовал ничего выставлять)Лодочник писал(а): При недостаточном прижиме будет люфт. Выставить рейку идеально ровно тоже задача непростая, особенно если рейка дешевая и "не очень ровная"...
-
aftaev
- Зачётный участник

- Сообщения: 34042
- Зарегистрирован: 04 апр 2010, 19:22
- Репутация: 6194
- Откуда: Казахстан.
- Контактная информация:
Re: Безопасная шестерня для вала шагового двигателя
Потому китайские заводы производящие роутеры например и любители сэкономить на всем, ставят редуктораPaulSan писал(а):Крупные производители производят деньги, а потом всё остальное.
Редуктор купили за 48$ а шаговик за 60$. У знакомых ременные редуктора лет 7 работают без замены.PaulSan писал(а):Вытекающие, это сменить мотор? Как часто? Много ли он стоит? И это в сравнении с амортизацией редукторов.
Дилетанту сложные вещи кажутся очень простыми, и только профессионал понимает насколько сложна самая простая вещь
Кто хочет - ищет возможности, кто не хочет - ищет оправдание.
Найди работу по душе и тебе не придется работать.
Кто хочет - ищет возможности, кто не хочет - ищет оправдание.
Найди работу по душе и тебе не придется работать.
- PaulSan
- Кандидат
- Сообщения: 48
- Зарегистрирован: 15 дек 2019, 20:49
- Репутация: -5
- Контактная информация:
Re: Безопасная шестерня для вала шагового двигателя
Так им же не выгодно производить простую технику во-первых. А потом, зачем изобретать новое, когда можно "слизать" и лепить, лепить...aftaev писал(а):Потому китайские заводы производящие роутеры например и любители сэкономить на всем, ставят редуктора Странно как то заводы, производящие деньги не додумались поставить копеечную шестеренку. Если это можно было сделать, то эти заводы производили шаговики уже с нарезанной шестеренкой на валу
Вот это аргумент.)aftaev писал(а):Редуктор купили за 48$ а шаговик за 60$. У знакомых ременные редуктора лет 7 работают без замены.
-
aftaev
- Зачётный участник

- Сообщения: 34042
- Зарегистрирован: 04 апр 2010, 19:22
- Репутация: 6194
- Откуда: Казахстан.
- Контактная информация:
Re: Безопасная шестерня для вала шагового двигателя
Логика детского сада. Производители производят деньги, а чтобы больше денег заработать, нужно усложнить станок, чтобы была выше себестоимостьPaulSan писал(а):Так им же не выгодно производить простую технику во-первых.
Почему например роутеры по дереву не выглядят как космические корабли?
Недавно делали пусконаладку двигателя 0,5Мвт. По сути обычный асинхронный двигатель, но не дешевый. Двигатель обвешан 50ю различными датчиками (давление, температура, вибрация, осевой сдвиг, влажность...). Что мешает производителям станков чтобы усложнить технику, на каждый шаговик понавешать кучу таких же датчиков?
Как изобретешь, покажи. Мне интересно посмотреть на шестеренку в 4ре зуба. За одно почитай что происходит с моментом шаговика при дроблении шага.PaulSan писал(а):А потом, зачем изобретать новое, когда можно "слизать" и лепить, лепить...
Дилетанту сложные вещи кажутся очень простыми, и только профессионал понимает насколько сложна самая простая вещь
Кто хочет - ищет возможности, кто не хочет - ищет оправдание.
Найди работу по душе и тебе не придется работать.
Кто хочет - ищет возможности, кто не хочет - ищет оправдание.
Найди работу по душе и тебе не придется работать.
- PaulSan
- Кандидат
- Сообщения: 48
- Зарегистрирован: 15 дек 2019, 20:49
- Репутация: -5
- Контактная информация:
Re: Безопасная шестерня для вала шагового двигателя
Надёжная техника проста. А в эпоху потребления не выгодно делать просто и надёжно... потому, что все автоматизировались роботами и они должны без остановки работать и делать запчасти...aftaev писал(а):Потому китайские заводы производящие роутеры например и любители сэкономить на всем, ставят редуктора Странно как то заводы, производящие деньги не додумались поставить копеечную шестеренку. Если это можно было сделать, то эти заводы производили шаговики уже с нарезанной шестеренкой на валу
Что касается простоты шестерни на валу, то тут конечно конструкция изначально не предполагает надёжность из-за хрупкости вала. Поэтому, чтобы реализовать эту замуту, мне нужно сначала сделать другой вал)... и только для себя... боюсь мой карман не одобрит такую простоту... а крупные производители будут поджидать в переулке при попытке наладить производство... простые, казалось бы, вещи, только у нас форум не для них... в идеале)
- PaulSan
- Кандидат
- Сообщения: 48
- Зарегистрирован: 15 дек 2019, 20:49
- Репутация: -5
- Контактная информация:
Re: Безопасная шестерня для вала шагового двигателя
Повторю - с возможностью изменения модуля. Сделать 10 мелких зубов, например... На шестернях планетарных редукторов 86-го движка какой модуль? Вроде бы мелкий и шестерни тоже... Вопрос только в том, что в этом редукторе длина окружности мала и площадь зацепления больше из-за того, что это окружность, в отличии от рейки... Вывод - сделать мелкий модуль на большой длине возможно только с высокой точностью... а у нас ещё и вал хрупкий... щет..... ну ладно, главное потрепаться и подавить сочка, а остальное мелочиaftaev писал(а): Мне интересно посмотреть на шестеренку в 4ре зуба
- PaulSan
- Кандидат
- Сообщения: 48
- Зарегистрирован: 15 дек 2019, 20:49
- Репутация: -5
- Контактная информация:
Re: Безопасная шестерня для вала шагового двигателя
так навешают скоро, не всё сразу... да и начали уже - энкодеры, да тормозы стали повышать стоимость шаговиков и значительно... и драйверы у них другие и так же дороже, значительно..... Но это не может быть примером для темы разговора потому, что ведётся речь о простоте при равных характеристиках... а энкодеры, говорят, всё же дают толк, вопрос только в какой степени от цены.aftaev писал(а):Что мешает производителям станков чтобы усложнить технику, на каждый шаговик понавешать кучу таких же датчиков?
- PaulSan
- Кандидат
- Сообщения: 48
- Зарегистрирован: 15 дек 2019, 20:49
- Репутация: -5
- Контактная информация:
Re: Безопасная шестерня для вала шагового двигателя
...я уже не говорю про обслуживание электроники, где только одна диагностика стоит, как целый механизм..... а если позабыть про деньги, из-за которых люди ломают спины в прямом и переносном..., то эта любимая многими электроника может не спросить вас и выключить двигатель автомобиля из-за какой-то мелкой неисправности, когда вы едете в тайге... спасибо электронике, что покормила волков..... а простой карбюратор, как бы он не кашлял, привезёт вас домой..... вот и вся разница.PaulSan писал(а):энкодеры, да тормозы стали повышать стоимость шаговиков и значительно... и драйверы у них другие и так же дороже, значительно....
- donvictorio
- Мастер
- Сообщения: 2458
- Зарегистрирован: 11 окт 2012, 16:26
- Репутация: 683
- Настоящее имя: Виктор
- Откуда: Санкт-Петербург
- Контактная информация:
Re: Безопасная шестерня для вала шагового двигателя
не все. масса производителей вешают шестерню на вал шаговика, а сам шаговик на пружинную платформу. и ничо, ездит лихо, люфтов нет.aftaev писал(а):Возможно крупные производители портальных станков, лазерных, гидроабразивнх и тд... переели макароны и используют редуктора в паре рейка шестерня.
ничего не происходит.aftaev писал(а):За одно почитай что происходит с моментом шаговика при дроблении шага.
сначала сделай для себя, покажи, что это круто, а те, кто на этом захочет заработать сами подтянутся.PaulSan писал(а):и только для себя... боюсь мой карман не одобрит такую простоту.
шестерёнок для реек масса на рынке, всевозможных видов. ты нашёл не самую удачную конструкцию.
- Serg
- Мастер
- Сообщения: 21923
- Зарегистрирован: 17 апр 2012, 14:58
- Репутация: 5183
- Заслуга: c781c134843e0c1a3de9
- Настоящее имя: Сергей
- Откуда: Москва
- Контактная информация:
Re: Безопасная шестерня для вала шагового двигателя
Но зато может перескакивать через зуб, чем меньше модуль, тем более вероятнее. Способ борьбы один - увеличивать износ увеличивая усилие прижима, а заодно и вероятность поломки вала.donvictorio писал(а):не все. масса производителей вешают шестерню на вал шаговика, а сам шаговик на пружинную платформу. и ничо, ездит лихо, люфтов нет.
Я не Христос, рыбу не раздаю, но могу научить, как сделать удочку...
- donvictorio
- Мастер
- Сообщения: 2458
- Зарегистрирован: 11 окт 2012, 16:26
- Репутация: 683
- Настоящее имя: Виктор
- Откуда: Санкт-Петербург
- Контактная информация:
Re: Безопасная шестерня для вала шагового двигателя
здесь есть нюанс. для бесконтактных портальников, где все ускорения регламентированы и не приводят с перескокам, сама возможность перескока при перегрузках это плюс. к примеру уехал портал мимо концевиков в упоры, упала деталь криво в стол и зацепила портал и ничего страшного не произошло (это из практики). для контактных станков, с жёсткой посадкой через редуктор такая штука не катит, но там уже другая проблема:UAVpilot писал(а):Но зато может перескакивать через зуб,
проблема сохраняется, даже если рейка дорогая и ровная.Лодочник писал(а):Выставить рейку идеально ровно тоже задача непростая, особенно если рейка дешевая и "не очень ровная"...
так что тема живая, применябельная, и не в шестерёнках там дело. с ними как раз таки все в порядке.
- PaulSan
- Кандидат
- Сообщения: 48
- Зарегистрирован: 15 дек 2019, 20:49
- Репутация: -5
- Контактная информация:
Re: Безопасная шестерня для вала шагового двигателя
дело в тем, что подобный прижим двигателя, это так же целый механизм, который не проще ременного редуктора... и оба варианта так, или иначе отбирают мощность... А я пытаюсь, махая лопатками, упростить конструкцию... подмести весь мусор.donvictorio писал(а): а сам шаговик на пружинную платформу.
видимо не правильно ищу, не нашёл с маленьким диаметром..donvictorio писал(а):шестерёнок для реек масса на рынке, всевозможных видов
Что будет происходить, если "компенсатор" неровности рейки сделать в виде эластичных шайб, или эластичной муфты в теле шестерни? Понятно, что либо двигатель, либо шестерня будет наклонятся и уменьшать площадь сцепления, но так ли это критично?
Так же думаю над вариантом сделать компенсатор неровности в виде маленьких втулок в отверстиях крепления двигателя, которые будут работать так же, как пружинный прижим - в одном направлении и не наклонять двиг.
Т.е., задача стоит не прижимать шестерню, не мучить этим двиг и вал, и даже не увеличивать момент редуктором, а просто компенсировать неровность рейки, которую сам же и нагородил. Сколько это, 0.5 мм? Т.е., механизм может быть маленьким, как минимум. Осталось его упростить... Потому что у феррари дорожный просвет тоже маленький, однако подвеска не проста.
Последний раз редактировалось PaulSan 25 дек 2019, 01:10, всего редактировалось 1 раз.
- donvictorio
- Мастер
- Сообщения: 2458
- Зарегистрирован: 11 окт 2012, 16:26
- Репутация: 683
- Настоящее имя: Виктор
- Откуда: Санкт-Петербург
- Контактная информация:
Re: Безопасная шестерня для вала шагового двигателя
ременной редуктор это не замена прижиму.PaulSan писал(а):дело в тем, что подобный прижим двигателя, это так же целый механизм, который не проще ременного редуктора
вообще тут всего 3 варианта есть. жёсткая связь шестерня-рейка. люфт выбирается за счет сильного прижима шестерни к рейке, используя упругую деформацию вала, корпуса и тд. плюсы - ничего делать не надо, минусы - маленький диапазон выборки люфта, повышенный износ подшипников, риск поломки вала.
жёсткая связь рейка шестерня с зазором, шестерня двойная, с упругим элементом. на вал сильно меньше нагрузка, люфт выбирается натягом между шестернями. повышенный износ рейки.
ну и третий - это шестерёнка на пружинке.
есть также множество вариантов с профилем зуба, прямой или косой, машинный или эвольвента и тд. короче детали машин в помощь. https://vk.com/wall-4426957_6193
- PaulSan
- Кандидат
- Сообщения: 48
- Зарегистрирован: 15 дек 2019, 20:49
- Репутация: -5
- Контактная информация:
Re: Безопасная шестерня для вала шагового двигателя
а вот с поглощением информации, признаться, у меня туговато... читать - высшей меры наказание... Поэтому, часто приходится придумывать давно придуманное.donvictorio писал(а):детали машин в помощь. https://vk.com/wall-4426957_6193
из всех вариантов пока что склоняюсь ничего не делать, давить сочка и беспощадно рушить двигатель... Во-первых потому, что лень - эт двигатель прогресса, во-вторых, шаговик не такой уж дорогой и в-третьих, с надеждой верю, что очередной новый шаговик в итоге, жёстко сточит неровность рейки.donvictorio писал(а):вообще тут всего 3 варианта есть
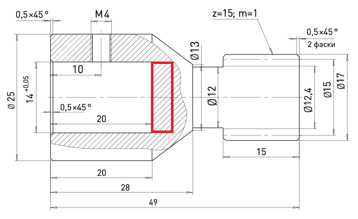
А для этого, нужно хотя бы один раз поднять зад и сделать токарю тех.задание для шестерни, которая задействует всю поверхность вала полностью и укоротит рычаг воздействия. А на счёт уменьшения диаметра шестерни с увеличением её длины и сменой модуля, пока по-прежнему не врубон. На счёт цены изготовления аналогично. Кто делал зубья на заказ? Сколько сдерут за такую, которая в вопросе темы?
Спасибо всем за ответы.
Последний раз редактировалось PaulSan 25 дек 2019, 02:12, всего редактировалось 3 раза.