Н-мост -как правильно собрать
Н-мост -как правильно собрать
Здравствуйте.
Не профи:
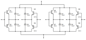
Собрал H-мост(2 шт) (полмоста -схему прилагаю) на кт972А(4 шт), кт973А(4), 1Т4007(8)(защитные диоды -на схеме не показаны - катоды вверх)
-управляющее напряжение 5в
-базовые резисторы(4 шт) х 2,2Ком (0,5 ВТ) на схеме не показан-там где INPUT
-напряжение Vcc 12v с того же блока питания (ATX)
-двигатель 100 ом MSCB048B05 6 выводов(из какой то оргтехники 1,8 гр/шаг)-даташит не нашел - подключил по биполярной схеме на макс мощ(крайние выводы) средние выводы заглушены
-логическая часть - микросхема(мелко-не смотрел)-ее выходы снабжены H-мостом - проверено -управляется махонький движулька(18,0 град/шаг) со срывом и остановкой в одну сторону-последний наверно некорректно демонтирован
Тестирование:
начали быстро и сильно нагреваться кт972(все) - тут же выключил питание (двигатель не гу-гу)
Вопросы:
1. Включение PNP транзистора(нижнего) не должно быть коллектором вверх?
2. Как правильно посчитать базовый резистор (напряжение насыщения база-эмиттер кт972 - макс 2,5 вольт)?
3. В принципе, можно ли наращивать H-мост(какие особенные бывают?) каскадом -другим Н-мостом?
4. Что из схем альтернативное посоветуете?
Спасибо.
Не профи:
Собрал H-мост(2 шт) (полмоста -схему прилагаю) на кт972А(4 шт), кт973А(4), 1Т4007(8)(защитные диоды -на схеме не показаны - катоды вверх)
-управляющее напряжение 5в
-базовые резисторы(4 шт) х 2,2Ком (0,5 ВТ) на схеме не показан-там где INPUT
-напряжение Vcc 12v с того же блока питания (ATX)
-двигатель 100 ом MSCB048B05 6 выводов(из какой то оргтехники 1,8 гр/шаг)-даташит не нашел - подключил по биполярной схеме на макс мощ(крайние выводы) средние выводы заглушены
-логическая часть - микросхема(мелко-не смотрел)-ее выходы снабжены H-мостом - проверено -управляется махонький движулька(18,0 град/шаг) со срывом и остановкой в одну сторону-последний наверно некорректно демонтирован
Тестирование:
начали быстро и сильно нагреваться кт972(все) - тут же выключил питание (двигатель не гу-гу)
Вопросы:
1. Включение PNP транзистора(нижнего) не должно быть коллектором вверх?
2. Как правильно посчитать базовый резистор (напряжение насыщения база-эмиттер кт972 - макс 2,5 вольт)?
3. В принципе, можно ли наращивать H-мост(какие особенные бывают?) каскадом -другим Н-мостом?
4. Что из схем альтернативное посоветуете?
Спасибо.
Re: Н-мост -как правильно собрать
H-мост
Сейчас полно готовых h-bridg в виде одной микросхемы.
Сейчас полно готовых h-bridg в виде одной микросхемы.
Re: Н-мост -как правильно собрать
На некоторые вопросы ответы нашел сам
1. Включение PNP транзистора(нижнего) не должно быть коллектором вверх? ====== Схема правильная(можно наверно и верх-низ поменять местами)
2. Как правильно посчитать базовый резистор (напряжение насыщения база-эмиттер кт972 - макс 2,5 вольт)? ===== Уменьшил резисторы до 1,5 Ком - началось жужжание двигателя
Каждая обмотка 100ом = было подключено по биполярной схеме на мах - мощность(крайние выводы=>200 Ом),
переключил все на 100 Ом(крайний+средний вывод) -жужжание стало более явным, даже с подталкиванием(пальцем крутанул) не крутится.
Скорее всего тока не хватает - померил напряжение на обмотках 3 вольта - явно просело из-за нагрузки(не потянуть видать) ---надо попробовать БП на 24--40 вольт.
3. В принципе, можно ли наращивать H-мост(какие особенные бывают?) каскадом -другим Н-мостом? === скорее всего да (?есть ли здесь спецы по электронике чтоб опровергнуть)
ВОПРОС без ответа:
4. Что из схем альтернативное посоветуете? (?цены на готовые надежные Н-мосты до 3 А м.б. подскажете?)
1. Включение PNP транзистора(нижнего) не должно быть коллектором вверх? ====== Схема правильная(можно наверно и верх-низ поменять местами)
2. Как правильно посчитать базовый резистор (напряжение насыщения база-эмиттер кт972 - макс 2,5 вольт)? ===== Уменьшил резисторы до 1,5 Ком - началось жужжание двигателя
Каждая обмотка 100ом = было подключено по биполярной схеме на мах - мощность(крайние выводы=>200 Ом),
переключил все на 100 Ом(крайний+средний вывод) -жужжание стало более явным, даже с подталкиванием(пальцем крутанул) не крутится.
Скорее всего тока не хватает - померил напряжение на обмотках 3 вольта - явно просело из-за нагрузки(не потянуть видать) ---надо попробовать БП на 24--40 вольт.
3. В принципе, можно ли наращивать H-мост(какие особенные бывают?) каскадом -другим Н-мостом? === скорее всего да (?есть ли здесь спецы по электронике чтоб опровергнуть)
ВОПРОС без ответа:
4. Что из схем альтернативное посоветуете? (?цены на готовые надежные Н-мосты до 3 А м.б. подскажете?)
-
Impartial
- Мастер
- Сообщения: 953
- Зарегистрирован: 23 фев 2011, 01:50
- Репутация: 36
- Контактная информация:
Re: Н-мост -как правильно собрать
http://www.ebay.com/itm/1x-IRAMS10UP60B ... 416da6cf00Ivn писал(а):4. Что из схем альтернативное посоветуете? (?цены на готовые надежные Н-мосты до 3 А м.б. подскажете?)
Re: Н-мост -как правильно собрать
1. 300р с доставкой да еще наебей-в полном смысле м.б. (в СПб в микронике только за 3 дня -по 860 руб.\штуку)Impartial писал(а): http://www.ebay.com/itm/1x-IRAMS10UP60B ... 416da6cf00
2. Показатели зашкаливают -!всё таки IGBT силовой модуль:
.... POWER MODULE PLUG N DRIVE, 10UP60; Voltage, Input Max:450V; Current, Output Max:10A; Voltage, Output Max:600V; Outputs, No. of:3; Power Dissipation:27W; Frequency:20kHz; Voltage, Supply Min:12V; Voltage, Supply Max:15V; Termination Type:Through Hole; Case Style:DIP Module; Pins, No. of:23; Temperature, Operating Range:-40 C to +150 C; Temp, Op. Max:150 C; Temp, Op. Min:-40 C; Base Number:10; IC Generic Number:10UP60; Logic Function Number:60; Voltage, Output:600V ...
3. Так понял -управляется 12-15v -значит промежуточные транзисторы-ключи мастрячить придется
-------------
по-проще что-нибудь, мало ли чего...
Спасибо.
- Serg
- Мастер
- Сообщения: 21923
- Зарегистрирован: 17 апр 2012, 14:58
- Репутация: 5183
- Заслуга: c781c134843e0c1a3de9
- Настоящее имя: Сергей
- Откуда: Москва
- Контактная информация:
Re: Н-мост -как правильно собрать
по даташиту там обычные TTL-входы.Ivn писал(а):3. Так понял -управляется 12-15v -значит промежуточные транзисторы-ключи мастрячить придется
Я не Христос, рыбу не раздаю, но могу научить, как сделать удочку...
Re: Н-мост -как правильно собрать
Спасибо.Но пока буду на дискретных строить (дороговато для готовых сборок -тогда уж сразу KIT набор купить с 3(4) движками там же (6-8 тыс.-начальный китайский комплект)UAVpilot писал(а):по даташиту там обычные TTL-входы.Ivn писал(а):3. Так понял -управляется 12-15v -значит промежуточные транзисторы-ключи мастрячить придется
Кстати, прилагаю схему, по которой собирал -нарисовано в протеусе(скачал для ознакомительных целей- говорят там можно симулировать работу устройства -кто б еще подсказал "на пальцах" как)
*соответственно, транзисторы КТ972, КТ973, диоды 1N4007, вверх "+", низ -земля(GND), внешние(на базы)- входы с предыдущего Н-моста, внутренние - выходы на обмотки двигателя,
резисторы на входах баз - 1,5Ком(на схеме не показаны)
- Сергей Саныч
- Мастер
- Сообщения: 9116
- Зарегистрирован: 30 май 2012, 14:20
- Репутация: 2858
- Откуда: Тюмень
- Контактная информация:
Re: Н-мост -как правильно собрать
Раскачка этой схемы должна быть минимум от 0 до +питания. Иначе транзисторы будут сильно греться.
Чудес не бывает. Бывают фокусы.
Re: Н-мост -как правильно собрать
Если не трудно, просветите насчет сущности и алгоритма раскачки этой схемы.Serg-tmn писал(а):Раскачка этой схемы должна быть минимум от 0 до +питания. Иначе транзисторы будут сильно греться.
*Пока транзисторы не греются, но и движок только жужжит
Re: Н-мост -как правильно собрать
На mosfet собери.
- Сергей Саныч
- Мастер
- Сообщения: 9116
- Зарегистрирован: 30 май 2012, 14:20
- Репутация: 2858
- Откуда: Тюмень
- Контактная информация:
Re: Н-мост -как правильно собрать
Сигнал раскачки - это то, что мы подаем на вход схемы. Поскольку каждая половина моста собрана по схеме комплементарного эмиттерного повторителя, размах выходного напряжения не может превышать входное (схема не дает усиления по напряжению, только по току). Поэтому напряжение входного сигнала должно быть от нуля до +питания, как минимум, то есть нужен предварительный каскад усиления по напряжению. Он есть? Откуда берутся сигналы на входы? Приведите полную схему подключения, начиная от источника сигнала.Ivn писал(а):Если не трудно, просветите насчет сущности и алгоритма раскачки этой схемы.
PS: если точнее, выходное напряжение этой схемы всегда будет меньше входного на удвоенную величину падения напряжения база-эмиттер.
Чудес не бывает. Бывают фокусы.
Re: Н-мост -как правильно собрать
Сигналы берутся с биполярного драйвера mitsumi ncl039 через резисторы 1,5 кОм -там Н-мост судя по маленькому исходному шд (на фото красным выделено 4 широкие дорожки вверху)Serg-tmn писал(а): Приведите полную схему подключения, начиная от источника сигнала.
схема управления работает -на emc проверено с реверсом на исходном шд - ок
даташита нет - искал по форумам ток около 80мА-395мА, напряжение 5 В.
*целевой шд - mscb048b04(-"- 05) даташита также нет.
Спасибо.
- Вложения
-
- ncl039.png (83.44 КБ) 7869 просмотров
- Ворон226
- Мастер
- Сообщения: 1923
- Зарегистрирован: 01 окт 2012, 18:14
- Репутация: 181
- Откуда: Солнечногорск Московской обл. - Борки Конаковского р-на - Скоморохово Фировского р-на
- Контактная информация:
Re: Н-мост -как правильно собрать
В ключе транзисторы включены по схеме эмитерного повторителя - какое напряжение на Базе транзистора - такое и на выходе. Если на управление Вы подаёте 5 В, то на выходе ключа 5В - Uб-э (около 0,7В) = 4,3 В. Где же остальное напряжение? 12В (напряжение питания) - 4,3 В (на выходе) = 7,7 В - они падают на транзисторе! А теперь посчитаем: сколько мощности будет выделяться на ОДНОМ транзисторе при токе двигателя равном 2,7А (например)?
7,7 В * 2,7 А = около 21 Вт в виде тепла!
Теперь о базовых резисторах. Если Ток ключа должен быть равным 3 А (например), то ток базы ключа будет равен 3А : коэффициент усиления по току транзистора. Допустим по паспорту этот коэффициент равен 20. Тогда базовый ток будет равен 3А : 20 = 0,15 А
Входной сигнал равен 5В
Напряжение база-эммитер - 0,7 В
Значит базовый резистор должен быть равен: (5-0,7)/0.15 = 29 Ом, но мощностью 0,15*0,15*4,3В = 0,1 Вт
Похоже как-то так...
Выводы:
1. Напряжение управляющего сигнала в подобной схеме должно быть не 5 В, а 12 В. В этом случае транзисторы ключа будут практически не греться, т.к. мощность, выделяемая на каждом из них будет равна: 0,2 В * 3 А = 0.6 Вт!!!
2. Если собираешь транзисторную схему нужно знать параметры транзисторов.
3. Нужно искать проверенную схему ключа. Хотя бы в инете.
Удачи!
7,7 В * 2,7 А = около 21 Вт в виде тепла!
Теперь о базовых резисторах. Если Ток ключа должен быть равным 3 А (например), то ток базы ключа будет равен 3А : коэффициент усиления по току транзистора. Допустим по паспорту этот коэффициент равен 20. Тогда базовый ток будет равен 3А : 20 = 0,15 А
Входной сигнал равен 5В
Напряжение база-эммитер - 0,7 В
Значит базовый резистор должен быть равен: (5-0,7)/0.15 = 29 Ом, но мощностью 0,15*0,15*4,3В = 0,1 Вт
Похоже как-то так...
Выводы:
1. Напряжение управляющего сигнала в подобной схеме должно быть не 5 В, а 12 В. В этом случае транзисторы ключа будут практически не греться, т.к. мощность, выделяемая на каждом из них будет равна: 0,2 В * 3 А = 0.6 Вт!!!
2. Если собираешь транзисторную схему нужно знать параметры транзисторов.
3. Нужно искать проверенную схему ключа. Хотя бы в инете.
Удачи!
Хочешь быть счастливым? Будь им!
Re: Н-мост -как правильно собрать
Мой случай по вашей методике -если что не так -поправьте:
-напряжение управления 5В - Uб-э( для КТ972 -max 2.5В) =? на выходе ключа получаем 3 вольта (для примераUб-э= 2 вольта)
-по приведенному расчету 12-3=9 вольт -?падают на транзисторе -?транзюки загнутся д.б. сразу
-при токе двигателя ~2.7А получаем 9*2.7=24.3 Вт ?? при 8 Вт рассеивания по даташиту(кстати коэфф усиления кт972а -средний 750(до 2000 по графику м.б.)
Чёто не врубаюсь: из теории так понял что для ключевого режима нужно обеспечить ток базы (насыщения) при определенном напряжении не превышающем Uб-э(чтоб включился, выключился -зависит от типа проводимости), а сопротивление отрытого перехода Коллектор - Эмиттер определяет мощность выделения тепла при прокачке тока по законам Ома - I=U/R ? ?P=U*I - или еще для силового ключа надо обязательно драйвер-ключ-типа кт315 ставить?
*Бум пробовать-экскрементировать(по Попанову)
Пока все времени нет взяться за паяльник и банально повысить напряжение вольт так до 50(БП сваять =транс+мост+фильтр простой)
...И опыт сын ошибок трудных...
**эмиттерный повторитель"- для меня - словосочетание-так как не электронщик
***в протеусе симулировать кто нибудь умеет-раскажет-скинет мануал русский?
Спасибо.
-напряжение управления 5В - Uб-э( для КТ972 -max 2.5В) =? на выходе ключа получаем 3 вольта (для примераUб-э= 2 вольта)
-по приведенному расчету 12-3=9 вольт -?падают на транзисторе -?транзюки загнутся д.б. сразу
-при токе двигателя ~2.7А получаем 9*2.7=24.3 Вт ?? при 8 Вт рассеивания по даташиту(кстати коэфф усиления кт972а -средний 750(до 2000 по графику м.б.)
Чёто не врубаюсь: из теории так понял что для ключевого режима нужно обеспечить ток базы (насыщения) при определенном напряжении не превышающем Uб-э(чтоб включился, выключился -зависит от типа проводимости), а сопротивление отрытого перехода Коллектор - Эмиттер определяет мощность выделения тепла при прокачке тока по законам Ома - I=U/R ? ?P=U*I - или еще для силового ключа надо обязательно драйвер-ключ-типа кт315 ставить?
*Бум пробовать-экскрементировать(по Попанову)
Пока все времени нет взяться за паяльник и банально повысить напряжение вольт так до 50(БП сваять =транс+мост+фильтр простой)
...И опыт сын ошибок трудных...
**эмиттерный повторитель"- для меня - словосочетание-так как не электронщик
***в протеусе симулировать кто нибудь умеет-раскажет-скинет мануал русский?
Спасибо.
- Serg
- Мастер
- Сообщения: 21923
- Зарегистрирован: 17 апр 2012, 14:58
- Репутация: 5183
- Заслуга: c781c134843e0c1a3de9
- Настоящее имя: Сергей
- Откуда: Москва
- Контактная информация:
Re: Н-мост -как правильно собрать
Всё прекрасно гуглится. На kazus.ru есть большая тема про него со всякими ссылками, примерами и консультациями хороших спецов.Ivn писал(а):в протеусе симулировать кто нибудь умеет-раскажет-скинет мануал русский?
Я не Христос, рыбу не раздаю, но могу научить, как сделать удочку...
- Ворон226
- Мастер
- Сообщения: 1923
- Зарегистрирован: 01 окт 2012, 18:14
- Репутация: 181
- Откуда: Солнечногорск Московской обл. - Борки Конаковского р-на - Скоморохово Фировского р-на
- Контактная информация:
Re: Н-мост -как правильно собрать
Самая главная ошибка - это попытка рассмотреть транзистор БЕЗ нагрузки, базовых резисторов и т.п. Потому и не кусает...
Хочешь быть счастливым? Будь им!
Re: Н-мост -как правильно собрать
Прилагаю методику расчета транзистора -попытался систематизировать изученный вопрос в exel
понимаю что резистивная нагрузка -не индуктивная(всплески-обратная эдс и т.д.)
ПРОШУ СПЕЦИАЛИСТОВ -проверить-поправить-дать-направить.
Спасибо.
понимаю что резистивная нагрузка -не индуктивная(всплески-обратная эдс и т.д.)
ПРОШУ СПЕЦИАЛИСТОВ -проверить-поправить-дать-направить.
Спасибо.
- Вложения
-
- Расчет биполярного транзистора -по ключу100омКТ972А.xls
- (31 КБ) 890 скачиваний
Re: Н-мост -как правильно собрать
?или здесь электронщиков нет? прошу откликнитесь (к Нику пока вопросов нет -видно по софту спец)
Даташит КТ972А прилагаю для ускорения процесса.
Спасибо.
Даташит КТ972А прилагаю для ускорения процесса.
Спасибо.
- Вложения
-
- kt972.pdf
- (50.58 КБ) 841 скачивание
- Ворон226
- Мастер
- Сообщения: 1923
- Зарегистрирован: 01 окт 2012, 18:14
- Репутация: 181
- Откуда: Солнечногорск Московской обл. - Борки Конаковского р-на - Скоморохово Фировского р-на
- Контактная информация:
Re: Н-мост -как правильно собрать
Приведенный тобой расчет в корне неверен. Это (приведённое тобой) обычный ключ с общим эмиттером. Для его управления нужен сигнал не менее 2,4 В.
Ты же желаешь собрать мостовую схему - там транзисторы включены по схеме эмиттерного повторителя - это совсем другой расчет! Если не собираешься читать умные книжки - просто поверь, что для управления таким ключом необходим сигнал соответствующий напряжению питания. Иначе транзисторы начнут переводить мощность блока питания в тепло.
Что тебе делать, если управляющий сигнал меньше?
Нужно на входе моста ставить ключи (те, что ты рассчитывал
)
Как это может выглядеть?
Ты же желаешь собрать мостовую схему - там транзисторы включены по схеме эмиттерного повторителя - это совсем другой расчет! Если не собираешься читать умные книжки - просто поверь, что для управления таким ключом необходим сигнал соответствующий напряжению питания. Иначе транзисторы начнут переводить мощность блока питания в тепло.
Что тебе делать, если управляющий сигнал меньше?
Нужно на входе моста ставить ключи (те, что ты рассчитывал
Как это может выглядеть?
Хочешь быть счастливым? Будь им!
Re: Н-мост -как правильно собрать
Спасибо Ворон *226 диоды вспомнились:). Вчера до ночи проводил опыты (обмотки менял, частоты шагов, напругу до 24в поднял, резисторы базы до 510 ом -укусило одним словом) всё равно микродёргание шаговика -на обмотках 2,5в
Вопросы возникли:
1. Какой номинал резисторов в цепи коллектора(как считать)?
2. Доп. транзисторы - КТ972А можно ставить?
3. GND логической схемы и GND моста НАДО ЛИ соединять? (блоки питания разные)
4.(не очень пока актуально) на MOSFET посоветовали выше собрать - ?напряжение базы(обычно+20в) таким же макаром обеспечивают?
Вопросы возникли:
1. Какой номинал резисторов в цепи коллектора(как считать)?
2. Доп. транзисторы - КТ972А можно ставить?
3. GND логической схемы и GND моста НАДО ЛИ соединять? (блоки питания разные)
4.(не очень пока актуально) на MOSFET посоветовали выше собрать - ?напряжение базы(обычно+20в) таким же макаром обеспечивают?
