момент кручения в SolidWorks Simulation

Кирилл Кириллыч
Новичок
Сообщения: 1
Зарегистрирован: 12 авг 2019, 10:38
Репутация: 0
Контактная информация:

момент кручения в SolidWorks Simulation

Сообщение Кирилл Кириллыч »

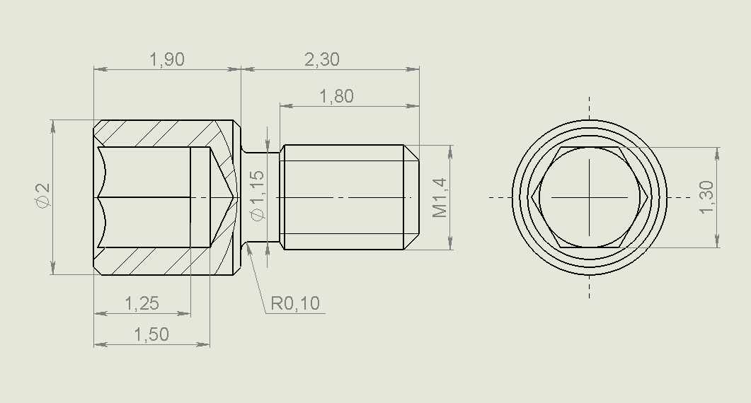
Добрый день!
Помогите узнать максимальный крутящий момент винта, при котором он сломается.
Винт на практике выдерживает момент 20 Н*см. В программе Simulatiun он и половины не выдерживает. Что я делаю не правильно?
Вложения
Безымянный.png (7589 просмотров) <a class='original' href='./download/file.php?id=167575&mode=view' target=_blank>Загрузить оригинал (295.92 КБ)</a>
Безымянный2.png (7585 просмотров) <a class='original' href='./download/file.php?id=167576&mode=view' target=_blank>Загрузить оригинал (22.78 КБ)</a>

Вернуться в «SolidWorks»