куплю выпуклую Т-фрезу (фасонную).

Запросы на покупку оборудования, комплектующих и материалов
lukis
Новичок
Сообщения: 38
Зарегистрирован: 06 июл 2018, 12:56
Репутация: 3
Настоящее имя: Сергей
Откуда: Волгоград
Контактная информация:

куплю выпуклую Т-фрезу (фасонную).

Сообщение lukis »

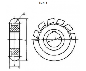
Здравствуйте, требуется выпуклая Т-фреза (фасонная).
Диаметр диска при этом должен быть до 8 мм
Радиус режущей кромки 1,5 мм
Толщина диска 3 мм
Хвостовик фрезы возмен любого диаметра (от 2 до 13 мм) под цанговый зажим ER20. Хвостовик фрезы может быть припаян, составлять одно целое с диском, либо быть съемным (если диски сменные).
Важно чтобы глубина паза (в самой глубокой точке), который возможно обработать фрезой была минимум 2,5 мм.

Подразумевается работа с алюминиевыми сплавами по типу Д16Т или 7075-Т6
IMG_20190712_203603.jpg (3438 просмотров) <a class='original' href='./download/file.php?id=166256&mode=view' target=_blank>Загрузить оригинал (23.81 КБ)</a>
БольшИй диаметр не подходит по 3 причинам:
- есть паз внутри детали, к которому "не подлезть" с диаметром диска больше 8 мм.
- Мой высокообротистый шпиндель может фрезеровать при скорости минимум 8 тысяч оборотов, лучше 10+, максимальная скорость 24 тысячи оборотов. А скорость подачи максимум 2 м/минуту, а лучше не более 1,5м/минуту.
- Желание делать все канавки по контуру и внутри детали одной фрезой.

Фото детали прилагаю. Для канавок(пазов) по контуру детали возможно подошла бы фреза и с более широким по диаметру диском (например 10 мм), но глубина должна паза должна быть 2,5 мм или больше (3-5 или больше мм)
Паз по контуру детали (3438 просмотров) <a class='original' href='./download/file.php?id=166257&mode=view' target=_blank>Загрузить оригинал (22.92 КБ)</a>
Паз по контуру детали
полукруглый паз вокруг шпенька внутри детали (3438 просмотров) <a class='original' href='./download/file.php?id=166258&mode=view' target=_blank>Загрузить оригинал (26.24 КБ)</a>
полукруглый паз вокруг шпенька внутри детали

А для канавок внутри детали с меньшей толщиной диска (2-2,5 мм) и соответственно радиусом зуба. Также внутри детали паз может быть меньшей глубины (2 мм минимум).
полукруглый паз вокруг шпенька внутри детали + видно и по контуру детали более глубокий паз (3438 просмотров) <a class='original' href='./download/file.php?id=166255&mode=view' target=_blank>Загрузить оригинал (22.4 КБ)</a>
полукруглый паз вокруг шпенька внутри детали + видно и по контуру детали более глубокий паз
полукруглый паз вокруг шпенька внутри детали + видно и по контуру детали более глубокий паз (3438 просмотров) <a class='original' href='./download/file.php?id=166254&mode=view' target=_blank>Загрузить оригинал (17.75 КБ)</a>
полукруглый паз вокруг шпенька внутри детали + видно и по контуру детали более глубокий паз
По этой причине это может быть и две разные фрезы уже с плавающими параметрами, лишь бы они нашлись...
freza_vypuklaya_t-obraznaya_radiusnaya_32_r5_s_tsilindricheskim_khvostovikom.jpg (3438 просмотров) <a class='original' href='./download/file.php?id=166259&mode=view' target=_blank>Загрузить оригинал (72.16 КБ)</a>
размеры.png (3438 просмотров) <a class='original' href='./download/file.php?id=166260&mode=view' target=_blank>Загрузить оригинал (191.12 КБ)</a>
шлифовальная фреза.jpg (3438 просмотров) <a class='original' href='./download/file.php?id=166261&mode=view' target=_blank>Загрузить оригинал (83.85 КБ)</a>
Аватара пользователя
индеецпетя
Мастер
Сообщения: 302
Зарегистрирован: 12 янв 2018, 07:07
Репутация: 64
Настоящее имя: Стас
Откуда: Красноярск
Контактная информация:

Re: куплю выпуклую Т-фрезу (фасонную).

Сообщение индеецпетя »

в чем проблема сделать модель фрезы и заказать у заточника?
Ответить

Вернуться в «Куплю»