электрическая принципиальная схема платы Mach3

Контроллеры, драйверы, датчики, управляющие устройства.
Аватара пользователя
ScrewDriver
Мастер
Сообщения: 1942
Зарегистрирован: 06 сен 2016, 01:44
Репутация: 498
Настоящее имя: Василий
Откуда: Москва
Контактная информация:

электрическая принципиальная схема платы Mach3

Сообщение ScrewDriver »

Всем добрый день.

Помогите найти схему платы, может у кого-нибудь есть?
Не схему подключения, а именно схему платы.
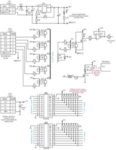
Плата вот такая (стандартная):
2017-11-24 12-44-27.JPG (8788 просмотров) <a class='original' href='./download/file.php?id=125257&mode=view' target=_blank>Загрузить оригинал (3.9 МБ)</a>
2017-11-24 12-44-43.JPG (8788 просмотров) <a class='original' href='./download/file.php?id=125258&mode=view' target=_blank>Загрузить оригинал (4.15 МБ)</a>
Не пойму что они там с питанием сделали и перемычкой этой.
Промышленная автоматика, ПЛК, приводы, SCADA системы
Мой Ютуб канал.
Аватара пользователя
Lafayette
Мастер
Сообщения: 3514
Зарегистрирован: 11 фев 2017, 21:25
Репутация: 445
Настоящее имя: Михаил
Контактная информация:

Re: электрическая принципиальная схема платы Mach3

Сообщение Lafayette »

С этой не помню, но валяется почти такая же. Так у неё не подано питание на одну микросхему. Нужно перемычку кидать от ножки соседней. Возможно здесь так же.
Аватара пользователя
sima8520
Почётный участник
Почётный участник
Сообщения: 4510
Зарегистрирован: 24 ноя 2016, 23:35
Репутация: 1617
Настоящее имя: Илья
Откуда: Беларусь, Гомель
Контактная информация:

Re: электрическая принципиальная схема платы Mach3

Сообщение sima8520 »

ScrewDriver писал(а):схему платы
тут на пол дня работы чтобы срисовать
Аватара пользователя
ScrewDriver
Мастер
Сообщения: 1942
Зарегистрирован: 06 сен 2016, 01:44
Репутация: 498
Настоящее имя: Василий
Откуда: Москва
Контактная информация:

Re: электрическая принципиальная схема платы Mach3

Сообщение ScrewDriver »

sima8520 писал(а): тут на пол дня работы чтобы срисовать
Если кто-то полдня уже потратил, зачем тратить еще и свои?
Промышленная автоматика, ПЛК, приводы, SCADA системы
Мой Ютуб канал.
Zampoteh
Опытный
Сообщения: 172
Зарегистрирован: 18 сен 2016, 18:20
Репутация: 48
Настоящее имя: Александр
Контактная информация:

Re: электрическая принципиальная схема платы Mach3

Сообщение Zampoteh »

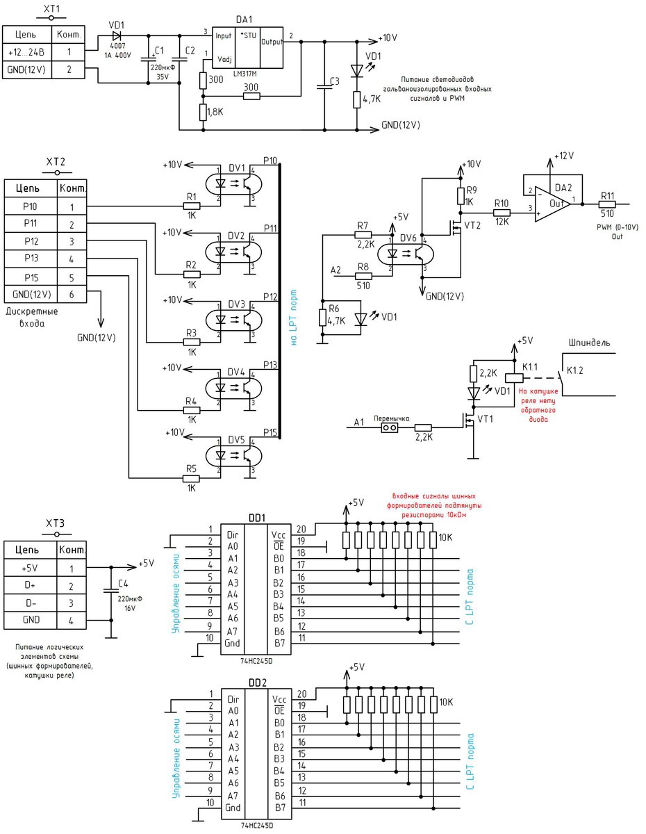
На пурике есть мануал. Перемычка надета - 17й пин управляет реле через транзисторный ключ. Перемычка снята - 17й пин выходит как dir оси В.

Я когда-то досконально замучил такую плату, там всё примитивно. Выходы лпт через две микрухи-повторители идут на клеммы, входы через оптопары на лпт, сработка на замыкание. Питание схемы от юсб, отдельно можно запитать до 24 вольт, там линейник lm317 стоит, он же нужен для преобразователя шим->0...10в. Преобразователь собран в виде кондера и резистивного делителя, далее операционник, и на выход. В общем-то всё.
Аватара пользователя
ScrewDriver
Мастер
Сообщения: 1942
Зарегистрирован: 06 сен 2016, 01:44
Репутация: 498
Настоящее имя: Василий
Откуда: Москва
Контактная информация:

Re: электрическая принципиальная схема платы Mach3

Сообщение ScrewDriver »

Zampoteh писал(а): Я когда-то досконально замучил такую плату, там всё примитивно. Выходы лпт через две микрухи-повторители идут на клеммы, входы через оптопары на лпт, сработка на замыкание. Питание схемы от юсб, отдельно можно запитать до 24 вольт, там линейник lm317 стоит, он же нужен для преобразователя шим->0...10в. Преобразователь собран в виде кондера и резистивного делителя, далее операционник, и на выход. В общем-то всё.
Угу, спасибо..
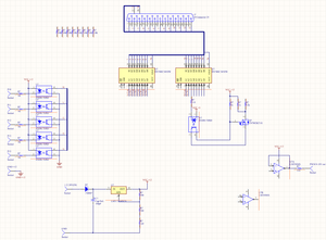
На самом деле я уже даже схему почти полностью перерисовал от нефиг делать =)

Не знаю, хватит ли меня до конца ее перерисовать, там с преобразователем на операционнике не до конца ясно, по хорошему его надо поднимать и смотреть.
Но суть ясна =)
Пока получается вот такое:
2017-11-27_22-44-08.png (8651 просмотр) <a class='original' href='./download/file.php?id=125479&mode=view' target=_blank>Загрузить оригинал (53.63 КБ)</a>
Промышленная автоматика, ПЛК, приводы, SCADA системы
Мой Ютуб канал.
Аватара пользователя
ScrewDriver
Мастер
Сообщения: 1942
Зарегистрирован: 06 сен 2016, 01:44
Репутация: 498
Настоящее имя: Василий
Откуда: Москва
Контактная информация:

Re: электрическая принципиальная схема платы Mach3

Сообщение ScrewDriver »

Argon-11 писал(а):
Интерфейсная плата.jpg
ага она =))))
Ну вот, а я пол вечера убил. В интернете что-то искал, да не нашел.
Спасибо, не буду тогда дальше рисовать.
Промышленная автоматика, ПЛК, приводы, SCADA системы
Мой Ютуб канал.
Ответить

Вернуться в «Электроника»