Первый пост обновлен на актуальное состояние
Заявки лучше писать на вотсап/телеграм. Или звонить по телефону - на форуме не очень часто. Но потом все равно обязательно писать в мессенджер.
+7 965 807 80 25 Слава. (Можно кидать в телеграм, вотсап)
2. Проект - "Идеальный профиль" (в наличии на складе)
Данный профиль разработан опытнейшими форумчанами. Ниже в ветке можете почитать бурное обсуждение
В итоге родился "ИДЕАЛ". Мечта любого ЧПУ-строителя. Профиль, который все ждали! Да еще и по ценам, о которых вы даже не мечтали. Дешевле - только если вы откроете прием цветмета и вам принесут его прямо в руки. Если желания открывать прием чермета нет - тогда велкам заявку в личку!
Подходят сухари под алюминиевый профиль. Например soberizavod`ские
Вот еще эти: https://darxton.ru/catalog_item/gayka-d ... -rezba-m8/
Выглядят вот так: Re: Недорогой профиль для стола (очень недорого) (в наличии) #459
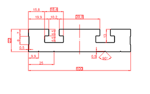
Габарит 100*22
Вес - 5 кг/м
Сплав 6063 Т5
Чертеж, 3дмодель и прочее: Цена:
Безнал (покупка на ЮЛ или ИП):
"Сырой"- посчитаю по запросу руб/м
Анодированный - цена по запросу. Под заказ от 500 кг.
Наличка
"Сырой"- 2697 руб/м
До транспортной довезу бесплатно.
Разрез - 70 руб.
На распил беру погрешность в 2 мм.
Ребята - ОБЯЗАТЕЛЬНО ПРОСЧИТЫВАЙТЕ НА САЙТЕ ТК стоимость доставки. Отправка из Великого Новгорода.
А то могут быть неприятные казусы.
Я когда сдаю в ПЭК, ДЛ, Желдор - они всегда пишут стоимость. Этот квиток обычно отправляю.
СДЭК не пишет ничего. А я, когда сдаю - не спрашиваю, предполагая что заказчик рассчитал примерную стоимость доставки.
Оплата варианты: перевод на карту Сбербанка/Тинькова, покупка через ЮЛ с оформлением документов.
Для жителей республики Беларусь - возможна оплата через сайт Золотая Корона.
По другим странам, платежи тоже должны пройти.
Коллеги, рассмотрю возможность бартера на станок с полем 1500х600 мм с моей доплатой
