Плата, или прошивка? Не пройди мимо, помоги разобраться!
-
Dotsent
- Новичок
- Сообщения: 16
- Зарегистрирован: 18 дек 2016, 21:56
- Репутация: 0
- Настоящее имя: Евгений
- Контактная информация:
Плата, или прошивка? Не пройди мимо, помоги разобраться!
Приветствую всех!
Собрал первый принтер, а печатать не могу... Экструдер не нагревается!
Такая смена восторга на разочарование... Напомнило как в детстве, в 90-х, не запустилась заветная Sega MD2, когда пришлось её отдавать мастеру на перепайку PAL/SECAM/NTSC.
Симптомы пациента такие:
термистор работает, температуру показывает исправно (комнатную), на изменения реагирует.
термопара исправна, при подключении к аккуму от шуруповёрта 12v экструдер нагревается.
Нагрев не идёт ни из Repetier-host, ни из меню принтера.
принтер Zonestar P802
прошивка Repetier 0.92.9, плата вот такая:
https://ru.aliexpress.com/store/product ... 0.0.sxQdF2
Помогите советом, кто чем сможет.
Собрал первый принтер, а печатать не могу... Экструдер не нагревается!
Такая смена восторга на разочарование... Напомнило как в детстве, в 90-х, не запустилась заветная Sega MD2, когда пришлось её отдавать мастеру на перепайку PAL/SECAM/NTSC.
Симптомы пациента такие:
термистор работает, температуру показывает исправно (комнатную), на изменения реагирует.
термопара исправна, при подключении к аккуму от шуруповёрта 12v экструдер нагревается.
Нагрев не идёт ни из Repetier-host, ни из меню принтера.
принтер Zonestar P802
прошивка Repetier 0.92.9, плата вот такая:
https://ru.aliexpress.com/store/product ... 0.0.sxQdF2
Помогите советом, кто чем сможет.
- selenur
- Почётный участник

- Сообщения: 4605
- Зарегистрирован: 21 авг 2013, 19:44
- Репутация: 1622
- Настоящее имя: Сергей
- Откуда: Новый Уренгой
- Контактная информация:
Re: Плата, или прошивка? Не пройди мимо, помоги разобраться!
Возможно тут тебе больше посоветуют http://3dtoday.ru/ т.к. это их спецификаDotsent писал(а):Приветствую всех!
Собрал первый принтер, а печатать не могу... Экструдер не нагревается!
Такая смена восторга на разочарование... Напомнило как в детстве, в 90-х, не запустилась заветная Sega MD2, когда пришлось её отдавать мастеру на перепайку PAL/SECAM/NTSC.
Симптомы пациента такие:
термистор работает, температуру показывает исправно (комнатную), на изменения реагирует.
термопара исправна, при подключении к аккуму от шуруповёрта 12v экструдер нагревается.
Нагрев не идёт ни из Repetier-host, ни из меню принтера.
принтер Zonestar P802
прошивка Repetier 0.92.9, плата вот такая:
https://ru.aliexpress.com/store/product ... 0.0.sxQdF2
Помогите советом, кто чем сможет.
Мой сайт: http://selenur.ru
Исходники моих программ: https://github.com/selenur
Instagram https://www.instagram.com/zheigurov/
Исходники моих программ: https://github.com/selenur
Instagram https://www.instagram.com/zheigurov/
- xenon-alien
- Почётный участник

- Сообщения: 4520
- Зарегистрирован: 01 янв 2013, 13:13
- Репутация: 925
- Настоящее имя: Daniel
- Откуда: Закарпатская обл. Украина
- Контактная информация:
Re: Плата, или прошивка? Не пройди мимо, помоги разобраться!
Возле клем есть транзистора (силовые ключи). На сколько я помню, то один отвечает за подключение подогрева стола, а второй - подогрев головки (ШИМ, если не ошибаюсь).
Вот попробуйте проверить что у вас на выходе. Есть ли 12-24В? Если есть, то какой ток?
Может БП слабый, если с аккумулятора работает. Или подключите аккум к плате вместо БП временно.
Ну и можно проверить ещё, доходит ли до транзистора управляющий сигнал с платы, когда включаете прогрев экструдера.
Больше идей у меня нету.
Вот попробуйте проверить что у вас на выходе. Есть ли 12-24В? Если есть, то какой ток?
Может БП слабый, если с аккумулятора работает. Или подключите аккум к плате вместо БП временно.
Ну и можно проверить ещё, доходит ли до транзистора управляющий сигнал с платы, когда включаете прогрев экструдера.
Больше идей у меня нету.
-
Dotsent
- Новичок
- Сообщения: 16
- Зарегистрирован: 18 дек 2016, 21:56
- Репутация: 0
- Настоящее имя: Евгений
- Контактная информация:
Re: Плата, или прошивка? Не пройди мимо, помоги разобраться!
xenon-alien,
Управляющий сигнал 5v до ноги доходит.
Но сравнивая с исправным подогревом стола, работают они по разному. У транзистора стола на корпусе 12v, но когда подаётся на ногу 5v, то на корпусе пропадает.
А на корпусе транзистора экструдера всегда 10,5 v и не пропадает, когда на ногу подаётся 5v.
Смотрел ролики как проверяют n-транзисторы, там попеременно нужно касаться одной ноги то плюсом, то минусом, относительно другой. Транзюк посе этого остаётся либо открытым, либо закрытым. И показания сопротивления между его основанием и другой ногой меняются, в зависимости закрыт он или открыт. Так вот проверил так свой, показания изменяются, но совсем немного, а на видео показания менялись сильно. Может от того что у них цифровой мультиметр в режиме прозвона диодов, а у меня стрелочный в режиме проверки сопротивления Х1.
Управляющий сигнал 5v до ноги доходит.
Но сравнивая с исправным подогревом стола, работают они по разному. У транзистора стола на корпусе 12v, но когда подаётся на ногу 5v, то на корпусе пропадает.
А на корпусе транзистора экструдера всегда 10,5 v и не пропадает, когда на ногу подаётся 5v.
Смотрел ролики как проверяют n-транзисторы, там попеременно нужно касаться одной ноги то плюсом, то минусом, относительно другой. Транзюк посе этого остаётся либо открытым, либо закрытым. И показания сопротивления между его основанием и другой ногой меняются, в зависимости закрыт он или открыт. Так вот проверил так свой, показания изменяются, но совсем немного, а на видео показания менялись сильно. Может от того что у них цифровой мультиметр в режиме прозвона диодов, а у меня стрелочный в режиме проверки сопротивления Х1.
- ALS
- Опытный
- Сообщения: 159
- Зарегистрирован: 15 ноя 2013, 01:46
- Репутация: 161
- Откуда: Севастополь
- Контактная информация:
Re: Плата, или прошивка? Не пройди мимо, помоги разобраться!
Значит, китайцы сэкономили : вместо транзистора, который управляется логическим уровнем, поставили обычный, у которого напряжение на затворе должно быть больше. Или просто перемаркированный. Или брак.
Проблема весьма распространенная в "этих ваших ардуинах" : https://arduinodiy.wordpress.com/2012/0 ... tl-levels/
Если лень читать или с языком проблемы, то выпаивайте его и меняйте на IRLZ44.
Проблема весьма распространенная в "этих ваших ардуинах" : https://arduinodiy.wordpress.com/2012/0 ... tl-levels/
Если лень читать или с языком проблемы, то выпаивайте его и меняйте на IRLZ44.
Последний раз редактировалось ALS 07 мар 2017, 02:15, всего редактировалось 1 раз.
-
Dotsent
- Новичок
- Сообщения: 16
- Зарегистрирован: 18 дек 2016, 21:56
- Репутация: 0
- Настоящее имя: Евгений
- Контактная информация:
Re: Плата, или прошивка? Не пройди мимо, помоги разобраться!
ALS, Как крону правильно подключить, чтобы проверить пойдёт ли нагрев, не подскажете? Плюс на ногу, на которую 5v идёт, а минус куда? Учитывая что я принтер включать буду, и нагрев соответственно.
- ALS
- Опытный
- Сообщения: 159
- Зарегистрирован: 15 ноя 2013, 01:46
- Репутация: 161
- Откуда: Севастополь
- Контактная информация:
Re: Плата, или прошивка? Не пройди мимо, помоги разобраться!
http://www.vishay.com/docs/91328/91328.pdf , первая страница
плюс на ногу, обозначенную как G, минус - на S (общий минус всей схемы)
но только ж затвор (G) должен быть отключен от всей остальной схемы, это очевидно, да ?
плюс на ногу, обозначенную как G, минус - на S (общий минус всей схемы)
но только ж затвор (G) должен быть отключен от всей остальной схемы, это очевидно, да ?
-
Dotsent
- Новичок
- Сообщения: 16
- Зарегистрирован: 18 дек 2016, 21:56
- Репутация: 0
- Настоящее имя: Евгений
- Контактная информация:
Re: Плата, или прошивка? Не пройди мимо, помоги разобраться!
ALS,
Для меня не особо очевидно. А что будет если не отпаивать G, 9v же не страшно для ардуины?
Для меня не особо очевидно. А что будет если не отпаивать G, 9v же не страшно для ардуины?
- ALS
- Опытный
- Сообщения: 159
- Зарегистрирован: 15 ноя 2013, 01:46
- Репутация: 161
- Откуда: Севастополь
- Контактная информация:
Re: Плата, или прошивка? Не пройди мимо, помоги разобраться!
страшно. она умрет
эта платка, она ж с ардуиной содиняется проводами ?
ну так просто откиньте тот провод, который подает на транзистор 5 вольт и вместо него подайте +9 от кроны
---
а, только сейчас разглядел - там же атмега расположена на самой плате и транзистор управляется прямо от нее, да ?
тогда только аккуратно прогреть вывод паяльником и приподнять его над платой
либо найти дорожку от этого вывода к меге и аккуратно перерезать ее
эта платка, она ж с ардуиной содиняется проводами ?
ну так просто откиньте тот провод, который подает на транзистор 5 вольт и вместо него подайте +9 от кроны
---
а, только сейчас разглядел - там же атмега расположена на самой плате и транзистор управляется прямо от нее, да ?
тогда только аккуратно прогреть вывод паяльником и приподнять его над платой
либо найти дорожку от этого вывода к меге и аккуратно перерезать ее
-
alexvk
- Новичок
- Сообщения: 14
- Зарегистрирован: 08 янв 2019, 22:17
- Репутация: 0
- Настоящее имя: Alexander
- Контактная информация:
Re: Плата, или прошивка? Не пройди мимо, помоги разобраться!
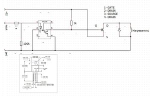
Я себе сделал такую схему управления нагревом и вентиляторами заодно.
Теперь мосфеты аккуратно стоят отдельной плате с радиаторами.
Теперь мосфеты аккуратно стоят отдельной плате с радиаторами.
-
мп42
- Кандидат
- Сообщения: 57
- Зарегистрирован: 13 окт 2017, 16:44
- Репутация: 0
- Настоящее имя: Михаил
- Контактная информация:
Re: Плата, или прошивка? Не пройди мимо, помоги разобраться!
А с прошивкой все в порядки вы в этом уверены?
Плата похоже на MKS GEN L, тоже помучался с запуском второго экструдера, не грелся хотэнд.
Прописал пины в прошивке и все пошло
Плата похоже на MKS GEN L, тоже помучался с запуском второго экструдера, не грелся хотэнд.
Прописал пины в прошивке и все пошло
-
Xthyjd
- Новичок
- Сообщения: 8
- Зарегистрирован: 09 фев 2019, 08:14
- Репутация: 2
- Настоящее имя: Павел
- Контактная информация:
Re: Плата, или прошивка? Не пройди мимо, помоги разобраться!
Удалось поправить дело? Если да, то напишите как. Посмотрел на плату, там есть выход под второй экструдер, можно в прошивке его выход переопределить как для первого и попробовать подключить провода нагревателя к нему.
-
Константин61
- Новичок
- Сообщения: 27
- Зарегистрирован: 04 сен 2018, 13:19
- Репутация: 2
- Настоящее имя: Блинов Константин Анатольевич
- Контактная информация:
Re: Плата, или прошивка? Не пройди мимо, помоги разобраться!
Привет. Какой мосфет должен стоять в схеме?alexvk писал(а):Я себе сделал такую схему управления нагревом и вентиляторами заодно.
Теперь мосфеты аккуратно стоят отдельной плате с радиаторами.