Соединение профилей рабочего стола

Конструкции станков, линейные перемещения, направляющие, передачи.
Аватара пользователя
ultrus
Мастер
Сообщения: 2039
Зарегистрирован: 09 апр 2013, 05:42
Репутация: 1329
Настоящее имя: Юрий
Откуда: Воронеж
Контактная информация:

Соединение профилей рабочего стола

Сообщение ultrus »

Алюмика продаёт профиль для рабочего стола:
ПрофиляТ-паз 22,5х180.jpg (5025 просмотров) <a class='original' href='./download/file.php?id=105002&mode=view' target=_blank>Загрузить оригинал (70.46 КБ)</a>
Озадачился, как его стянуть между собой по горизонтали? Может кто посоветует?
Или нет смысла? Тупо прикрутить его к основанию и всё? Но зачем-то пазы с боков сделали?
Последний раз редактировалось ultrus 06 мар 2017, 07:33, всего редактировалось 1 раз.
"Если хочешь сделать что-то хорошо, сделай это сам."
Фердинанд Порше
Аватара пользователя
AndyBig
Мастер
Сообщения: 3971
Зарегистрирован: 07 мар 2014, 04:01
Репутация: 1121
Откуда: юг России
Контактная информация:

Re: Соединение профилей

Сообщение AndyBig »

Пазы по бокам - это для притягивания к боковому профилю, скорее всего, а не друг к другу.
Аватара пользователя
frezeryga
Почётный участник
Почётный участник
Сообщения: 13713
Зарегистрирован: 18 авг 2013, 16:08
Репутация: 5069
Откуда: Жуковский
Контактная информация:

Re: Соединение профилей

Сообщение frezeryga »

мне профиль стола больше у вектроника нравится.
Аватара пользователя
ultrus
Мастер
Сообщения: 2039
Зарегистрирован: 09 апр 2013, 05:42
Репутация: 1329
Настоящее имя: Юрий
Откуда: Воронеж
Контактная информация:

Re: Соединение профилей

Сообщение ultrus »

frezeryga писал(а):мне профиль стола больше у вектроника нравится.
Он вроде только определённого размера к своим станкам продаёт. Или я ошибаюсь?
"Если хочешь сделать что-то хорошо, сделай это сам."
Фердинанд Порше
Аватара пользователя
frezeryga
Почётный участник
Почётный участник
Сообщения: 13713
Зарегистрирован: 18 авг 2013, 16:08
Репутация: 5069
Откуда: Жуковский
Контактная информация:

Re: Соединение профилей

Сообщение frezeryga »

нет. любых размеров. сейчас уже заказал столы для народного проекта.
Аватара пользователя
ultrus
Мастер
Сообщения: 2039
Зарегистрирован: 09 апр 2013, 05:42
Репутация: 1329
Настоящее имя: Юрий
Откуда: Воронеж
Контактная информация:

Re: Соединение профилей

Сообщение ultrus »

frezeryga писал(а):мне профиль стола больше у вектроника нравится.
Профиль хорош, но мне к сожалению по ширине не подходит.
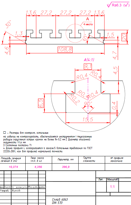
Разобрался с креплением.
Соединение Т-стола.JPG (4937 просмотров) <a class='original' href='./download/file.php?id=105044&mode=view' target=_blank>Загрузить оригинал (187.37 КБ)</a>
Крепить можно как обычно, только ключ придётся немного укоротить.
Модель профиля в Солиде 12:
Профиль Алюмика Т-стол 22,5х180.zip
(255.95 КБ) 341 скачивание
"Если хочешь сделать что-то хорошо, сделай это сам."
Фердинанд Порше
Аватара пользователя
frezeryga
Почётный участник
Почётный участник
Сообщения: 13713
Зарегистрирован: 18 авг 2013, 16:08
Репутация: 5069
Откуда: Жуковский
Контактная информация:

Re: Соединение профилей

Сообщение frezeryga »

думаю неполуится засунуть ключ.
nik1
Мастер
Сообщения: 8408
Зарегистрирован: 02 окт 2012, 07:37
Репутация: 3629
Откуда: Красногорск
Контактная информация:

Re: Соединение профилей

Сообщение nik1 »

Наискось зайдет :)
Аватара пользователя
ultrus
Мастер
Сообщения: 2039
Зарегистрирован: 09 апр 2013, 05:42
Репутация: 1329
Настоящее имя: Юрий
Откуда: Воронеж
Контактная информация:

Re: Соединение профилей

Сообщение ultrus »

frezeryga писал(а):думаю неполуится засунуть ключ.
Получится! ;)
Я же не от балды картинку нарисовал, а сначала смоделировал:
Соединение профилей ключ.jpg (4918 просмотров) <a class='original' href='./download/file.php?id=105092&mode=view' target=_blank>Загрузить оригинал (2.67 МБ)</a>
Отверстие под ключ нужно сверлить 6 мм. А в винте глубина отверстия под шестигранник всего 2 мм.
"Если хочешь сделать что-то хорошо, сделай это сам."
Фердинанд Порше
nevkon
Почётный участник
Почётный участник
Сообщения: 2477
Зарегистрирован: 17 июл 2015, 10:25
Репутация: 310
Настоящее имя: Константин
Откуда: Балаково (Саратовская обл.)
Контактная информация:

Re: Соединение профилей

Сообщение nevkon »

Если в таком сечении прошел, то точно пролезет. Даже без особого напряга - будете ведь не в 2Д заводить, а в 3Д, а там можно еще немного выиграть угол.
Аватара пользователя
Лодочник
Мастер
Сообщения: 2178
Зарегистрирован: 10 авг 2012, 05:24
Репутация: 1835
Настоящее имя: Олег
Откуда: г.Королев
Контактная информация:

Re: Соединение профилей

Сообщение Лодочник »

У Росфрезера можно купить профиль для стола. Чуть шире вектрониковского - 108.8мм против 100мм. Крайний раз брал по 2500 за метр.
Также у них есть профиль для закладных гаек и для упоров прижимов - лесенки.
Вложения
img-2017-03-05-19-24-12.png (4887 просмотров) <a class='original' href='./download/file.php?id=105125&mode=view' target=_blank>Загрузить оригинал (47.56 КБ)</a>
Аватара пользователя
donvictorio
Мастер
Сообщения: 2458
Зарегистрирован: 11 окт 2012, 16:26
Репутация: 683
Настоящее имя: Виктор
Откуда: Санкт-Петербург
Контактная информация:

Re: Соединение профилей

Сообщение donvictorio »

а видел кто-нить такой же как у росфрезера, но стальной? не усп.
Аватара пользователя
Udjin
Мастер
Сообщения: 2121
Зарегистрирован: 21 авг 2014, 05:55
Репутация: 1248
Настоящее имя: Евгений
Откуда: Приморский край, город Находка.
Контактная информация:

Re: Соединение профилей

Сообщение Udjin »

Немцы делают. У них видел. Если интересно, поищу линк.
Проект "Абсент".
Проект "Бумер".
Проект "Плексар".
Проект "Пропеллер".
Про мои станки есть тут.
Аватара пользователя
donvictorio
Мастер
Сообщения: 2458
Зарегистрирован: 11 окт 2012, 16:26
Репутация: 683
Настоящее имя: Виктор
Откуда: Санкт-Петербург
Контактная информация:

Re: Соединение профилей рабочего стола

Сообщение donvictorio »

ну хоть посмотреть что это.. я только монтажные плиты видел в пазовом исполнении.
nik1
Мастер
Сообщения: 8408
Зарегистрирован: 02 окт 2012, 07:37
Репутация: 3629
Откуда: Красногорск
Контактная информация:

Re: Соединение профилей рабочего стола

Сообщение nik1 »

Аватара пользователя
donvictorio
Мастер
Сообщения: 2458
Зарегистрирован: 11 окт 2012, 16:26
Репутация: 683
Настоящее имя: Виктор
Откуда: Санкт-Петербург
Контактная информация:

Re: Соединение профилей рабочего стола

Сообщение donvictorio »

а вполне себе даже норм по цене. по кр мере у нас изготовить такую будет почти столько же.
Ответить

Вернуться в «Механика»