Дополнительные ключи для мощности!
-
Юсуф
- Новичок
- Сообщения: 5
- Зарегистрирован: 28 фев 2017, 21:42
- Репутация: 0
- Настоящее имя: Хумоюн
- Контактная информация:
Дополнительные ключи для мощности!
Здравствуйте господа чпушники! У меня возник вот такой вопрос. Возможно ли подключить к маломощному драйверу ШД дополнительные силовые ключи на mosfet транзисторах и тем самым добиться большей мощности? И будет ли при этом работать шим?
Последний раз редактировалось Юсуф 01 мар 2017, 06:30, всего редактировалось 1 раз.
-
arkhnchul
- Мастер
- Сообщения: 1773
- Зарегистрирован: 01 фев 2016, 13:56
- Репутация: 339
- Откуда: москва
- Контактная информация:
Re: Дополнительные ключи для мощности!
к драйверу чего?
- donvictorio
- Мастер
- Сообщения: 2457
- Зарегистрирован: 11 окт 2012, 16:26
- Репутация: 683
- Настоящее имя: Виктор
- Откуда: Санкт-Петербург
- Контактная информация:
Re: Дополнительные ключи для мощности!
закон ома никто пока не отменял.
добавишь ключей - увеличишь толкьо ток. чтобы добавилось мощности - нужно ставить нагрузку с меньшим сопротивлением. если это возможно - да, получится.
добавишь ключей - увеличишь толкьо ток. чтобы добавилось мощности - нужно ставить нагрузку с меньшим сопротивлением. если это возможно - да, получится.
- AndyBig
- Мастер
- Сообщения: 3971
- Зарегистрирован: 07 мар 2014, 04:01
- Репутация: 1121
- Откуда: юг России
- Контактная информация:
Re: Дополнительные ключи для мощности!
А тот, кто рулит родными силовыми ключами в драйвере, справится с дополнительными затворами? Не перегреется, не сгорит? Емкость-то увеличится.
Фронты не станут затянутыми при открытии-закрытии МОСФЕТов? Это приведет к сильному нагреву и родных и дополнительных ключей.
Драйвера обычно стабилизируют ток в обмотках моторов, так что нужно будет еще менять резистор, с помощью которого они это делают.
В общем, прямо в лоб - скорее всего ничего не получится, и можно сделать только хуже.
Фронты не станут затянутыми при открытии-закрытии МОСФЕТов? Это приведет к сильному нагреву и родных и дополнительных ключей.
Драйвера обычно стабилизируют ток в обмотках моторов, так что нужно будет еще менять резистор, с помощью которого они это делают.
В общем, прямо в лоб - скорее всего ничего не получится, и можно сделать только хуже.
-
sidor094
- Мастер
- Сообщения: 826
- Зарегистрирован: 20 фев 2014, 09:13
- Репутация: 81
- Настоящее имя: Сергей
- Откуда: Москва
- Контактная информация:
Re: Дополнительные ключи для мощности!
Надо управлять не четырьмя ,а восемью ключами- верхними и нижними отдельно ,при использовании транзисторов одной проводимости.Так что не получится.Или городить сложную схему.
-
arkhnchul
- Мастер
- Сообщения: 1773
- Зарегистрирован: 01 фев 2016, 13:56
- Репутация: 339
- Откуда: москва
- Контактная информация:
Re: Дополнительные ключи для мощности!
в принципе можно, но да, придется управлять мостами (и имхо здесь тогда лучше сойдут биполярные транзисторы) и попрощаться с родной регулировкой тока на драйвере (вместе с нею - и с микрошагом), нагородив внешнее ограничение тока самостоятельно. Это не выйдет ни лучше, ни дешевле, чем взять сразу нормальный драйвер или по крайней мере транслятор степ/дир-мост, типа L297.
- donvictorio
- Мастер
- Сообщения: 2457
- Зарегистрирован: 11 окт 2012, 16:26
- Репутация: 683
- Настоящее имя: Виктор
- Откуда: Санкт-Петербург
- Контактная информация:
Re: Дополнительные ключи для мощности!
да ваще ничего сложного. IGBT сборки вообще оптронами успешно открыватся. по пяток штук один оптрон тянет за милую душу. достаточно открыть любой сварочный инвертор.
-
arkhnchul
- Мастер
- Сообщения: 1773
- Зарегистрирован: 01 фев 2016, 13:56
- Репутация: 339
- Откуда: москва
- Контактная информация:
Re: Дополнительные ключи для мощности!
у igbt емкость затвора меньше, чем у аналогичного по мощи мосфета.
-
Юсуф
- Новичок
- Сообщения: 5
- Зарегистрирован: 28 фев 2017, 21:42
- Репутация: 0
- Настоящее имя: Хумоюн
- Контактная информация:
Re: Дополнительные ключи для мощности!
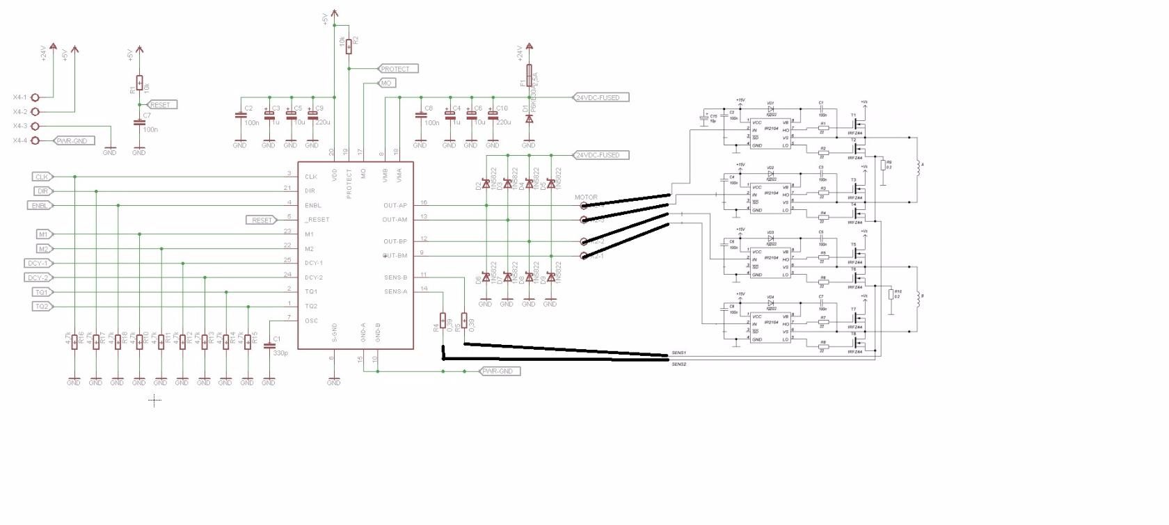
Я хотел собрать что то вроде этого))) не судите слишком строго, ибо я не асс в электронике
-
arkhnchul
- Мастер
- Сообщения: 1773
- Зарегистрирован: 01 фев 2016, 13:56
- Репутация: 339
- Откуда: москва
- Контактная информация:
Re: Дополнительные ключи для мощности!
в принципе примерно так, да.
Вы действительно хотите на каждый двигатель городить такой огород (8 мосфетов плюс четыре драйвера полумоста) вместо хотя бы дешевых TB*** ?
Вы действительно хотите на каждый двигатель городить такой огород (8 мосфетов плюс четыре драйвера полумоста) вместо хотя бы дешевых TB*** ?
- donvictorio
- Мастер
- Сообщения: 2457
- Зарегистрирован: 11 окт 2012, 16:26
- Репутация: 683
- Настоящее имя: Виктор
- Откуда: Санкт-Петербург
- Контактная информация:
Re: Дополнительные ключи для мощности!
IR2101 спокойно потянут 10 мосфетов, даже тяжёлых, по 5 на плечо. там несколько ампер на выходе. но лучше проконтролировать фронты на осциллографе.
-
arkhnchul
- Мастер
- Сообщения: 1773
- Зарегистрирован: 01 фев 2016, 13:56
- Репутация: 339
- Откуда: москва
- Контактная информация:
Re: Дополнительные ключи для мощности!
пока неясен смысл этих телодвижений. Понятно, если нужно крутить мегашаговик током под десяток ампер, или есть ведро мосфетов и хочется с ними полезно поиграть. А пытаться умощнить 6560, которая и сама по себе не то чтобы подарок - ?
-
Юсуф
- Новичок
- Сообщения: 5
- Зарегистрирован: 28 фев 2017, 21:42
- Репутация: 0
- Настоящее имя: Хумоюн
- Контактная информация:
Re: Дополнительные ключи для мощности!
Точно отметили когда сказали про ведро мосфетов))arkhnchul писал(а):пока неясен смысл этих телодвижений. Понятно, если нужно крутить мегашаговик током под десяток ампер, или есть ведро мосфетов и хочется с ними полезно поиграть. А пытаться умощнить 6560, которая и сама по себе не то чтобы подарок - ?
-
Юсуф
- Новичок
- Сообщения: 5
- Зарегистрирован: 28 фев 2017, 21:42
- Репутация: 0
- Настоящее имя: Хумоюн
- Контактная информация:
Re: Дополнительные ключи для мощности!
Есть драйвер на tb6560 3х осевой. И куча мосфетов irf540n и конечноже горстка ir2101 ну вот и хотелось чтобы они не лежали по просту а были полезны, но проблема в том что у меня есть только шд на 6ампер
- N1X
- Мастер
- Сообщения: 3653
- Зарегистрирован: 16 фев 2015, 21:19
- Репутация: 1646
- Настоящее имя: Владимир
- Откуда: Беларусь, Гомель
- Контактная информация:
Re: Дополнительные ключи для мощности!
Вот только военных песен не надо. Покажи схему, где на одном оптроне 5 БТИЗ висит...donvictorio писал(а):по пяток штук один оптрон тянет за милую душу. достаточно открыть любой сварочный инвертор
А теперь открой даташит и найди эти амперы. Блин ну вот откуда уверенность в том чего не знаешь?donvictorio писал(а):IR2101 спокойно потянут 10 мосфетов, даже тяжёлых, по 5 на плечо. там несколько ампер на выходе.
- donvictorio
- Мастер
- Сообщения: 2457
- Зарегистрирован: 11 окт 2012, 16:26
- Репутация: 683
- Настоящее имя: Виктор
- Откуда: Санкт-Петербург
- Контактная информация:
Re: Дополнительные ключи для мощности!
ну если бы не мог показать - не говорил быN1X писал(а):Вот только военных песен не надо. Покажи схему, где на одном оптроне 5 БТИЗ висит...
из последних раскуроченных инверторов. управляется 6n138 (или что-то похожее, не упомню точно)
- N1X
- Мастер
- Сообщения: 3653
- Зарегистрирован: 16 фев 2015, 21:19
- Репутация: 1646
- Настоящее имя: Владимир
- Откуда: Беларусь, Гомель
- Контактная информация:
Re: Дополнительные ключи для мощности!
6N138 - высокоскоростной связной оптрон. Он затворами управлять не может. Там будет драйвер на транзисторах стоять, смотри внимательно. Из широкораспространенных оптодров в сварках попадались только HCPL3120 в солярисах 220х, он же ресанта саи-220. Но и там пару ключпй в параллель. В сервах и частотниках часто HCPL-4506, тоже скоростные оптроны, а потом повторитель на биполярах и только потом кирпичи. На напругах аля 50 вольт конечно проще, Миллер не так лютует, там и БТИЗ не ставят.
- donvictorio
- Мастер
- Сообщения: 2457
- Зарегистрирован: 11 окт 2012, 16:26
- Репутация: 683
- Настоящее имя: Виктор
- Откуда: Санкт-Петербург
- Контактная информация:
Re: Дополнительные ключи для мощности!
буду разбирать его на чистку - сфоткаю подробно, куда прилетают затворы кирпичей. я тоже сначала удивился, как оно работает.. но работает.
- solo
- Мастер
- Сообщения: 1374
- Зарегистрирован: 20 окт 2011, 18:39
- Репутация: 272
- Настоящее имя: Юрий Соловьев
- Откуда: Украина Харьков
- Контактная информация:
Re: Дополнительные ключи для мощности!
вопрос ?Юсуф писал(а):Есть драйвер на tb6560 3х осевой. И куча мосфетов irf540n и конечноже горстка ir2101 ну вот и хотелось чтобы они не лежали по просту а были полезны, но проблема в том что у меня есть только шд на 6ампер
а зачем в этой связке IR 2101 ведь выходные ключи 6560 держат ток до 3А 40В, че нельзя на прямую прилепить 6560 с irf540 , может я шота недопонимаю
-
arkhnchul
- Мастер
- Сообщения: 1773
- Зарегистрирован: 01 фев 2016, 13:56
- Репутация: 339
- Откуда: москва
- Контактная информация:
Re: Дополнительные ключи для мощности!
один мосфет можно, или кучу параллельно. Но полумостом из двух мосфетов тем, что выходит с tb на мотор, управлять не выйдет имхо, там не в токах дело.
ЗЫ хотя можт и выйдет. Голова малость не варит сейчас)
ЗЫ хотя можт и выйдет. Голова малость не варит сейчас)

