mesa 5i20 + 7i37+ серво yaskawa

Контроллеры, драйверы, датчики, управляющие устройства.
svr007
Новичок
Сообщения: 22
Зарегистрирован: 13 дек 2011, 09:19
Репутация: 0
Откуда: самара
Контактная информация:

mesa 5i20 + 7i37+ серво yaskawa

Сообщение svr007 »

Добрый День.Планируется создание стойки ЧПУ,конфигурация будет такая mesa 5i20 + 7i37+ серво yaskawa sigma 2 в режиме степген и энкодер,такая как у AikeAike все подробно написано,но все равно есть кучу вопросов,лишний раз не хочется его беспокоить.предлагаю сдесь обсудить все ньюансы,если админы посчитают бесполезной эту тему,то пусть закроют.
итак поехали
Станок пока настадии разработки(3D станок с жеским порталом и подвижной Х,из лазерного раскроя листового железа),вернее пока прорабатываются мелкие детали и потихоньку оформляються чертежи под раскрой,решил однозначно привод будет серво,точнее yaskawa sigma2,100 200 и 400ват.
Паралельно с желозом думаю над электроникой,пока в наличие ничего не куплено,как все проработаю буду закупать,чтоб не пролететь.
как уже говорилось дочерняя плата 5i20,как я понял в прошивке SVST2_4_7I47 P3 и P4 выводы на 7i37,P2- выводы 4 encoder 4 stepgen и 2 шим.
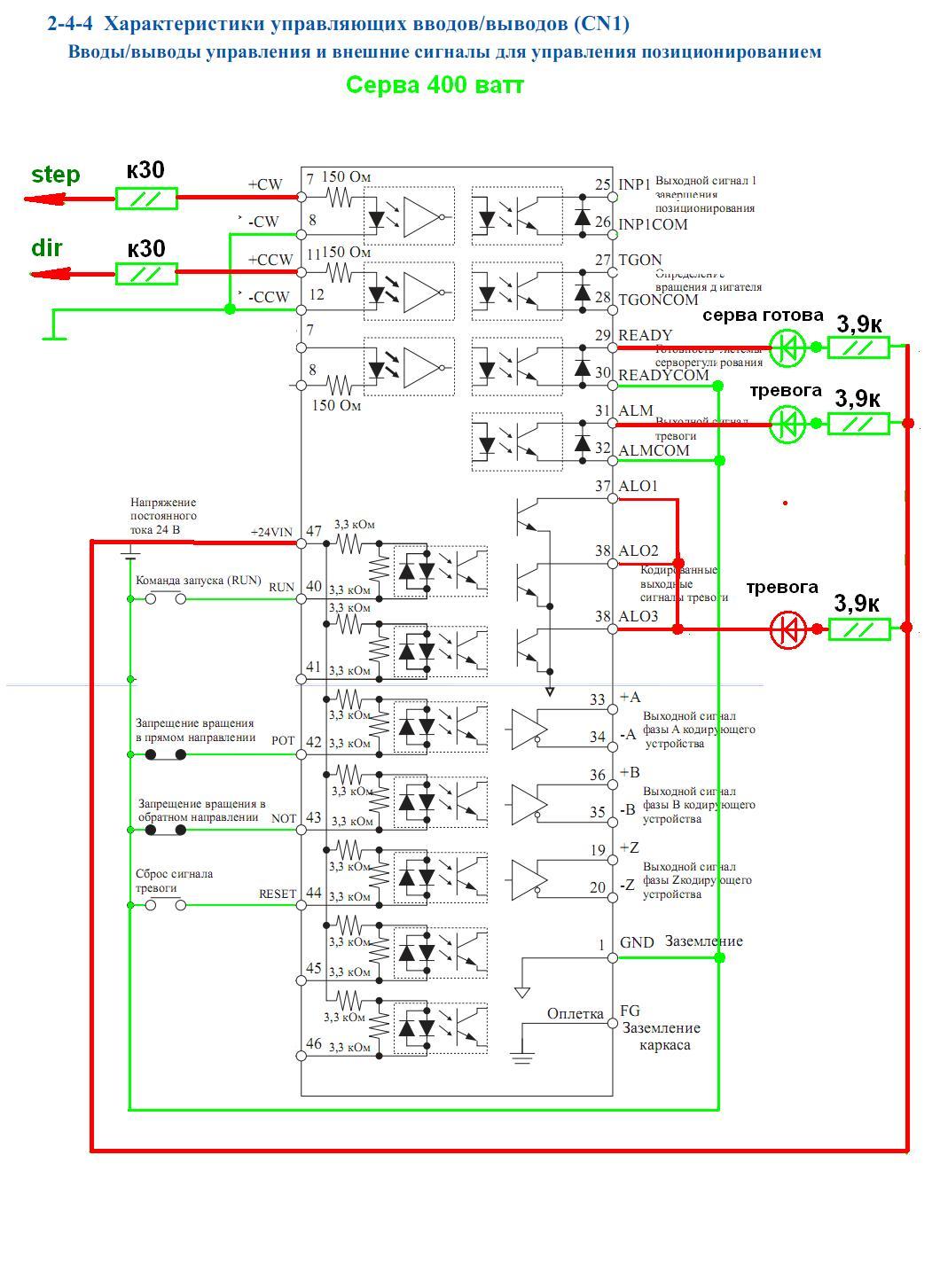
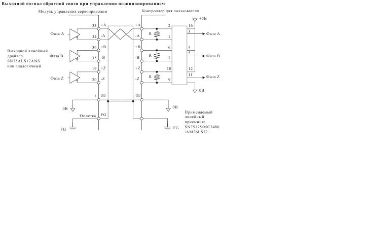
вот с P2 начнем,выводы с 5i20 5B 24ma,с выходами stepgen вродебы понятно,ставим токоограничивающие резисторы(так как на сигме вход 7-15ма) минусовые замыкаем мужду собой,как быть со входами энкодера в документации к сигме написано применить линейный приемник(на фото),его обязательно ставить или можно также напрямую через резисторы?кто знает чем Sigma2 Yaskawa отличается Omron,есть документацияна русском от Omron,у Yaskawa модели sgdh у Omron модели r88d,коке между ними отличие? Зарание всем спасибо,как нарисую схемы выложу.
Вложения
выход энкодера с сигмы (3834 просмотра) <a class='original' href='./download/file.php?id=3390&mode=view' target=_blank>Загрузить оригинал (21.3 КБ)</a>
выход энкодера с сигмы
Аватара пользователя
Nick
Мастер
Сообщения: 22776
Зарегистрирован: 23 ноя 2009, 16:45
Репутация: 1735
Заслуга: Developer
Откуда: Gatchina, Saint-Petersburg distr., Russia
Контактная информация:

Re: mesa 5i20 + 7i37+ серво yaskawa

Сообщение Nick »

Схема какая-то странная.
На сколько я понял идут выходы с фаз энкодера, потом их подключаем витой парой в экране (все три, а нет только первая) к приемнику. Приемник, это наверное микросхема, с ножками. С приемника будет выходить сигнал 0В - +5В. Но мне не понятно что такое R с этими зигзагами, это просто сопротивления или нет?

Судя по тому, что они дают такую схему на выходах с энкодера может быть не 0-5В...
aftaev
Зачётный участник
Зачётный участник
Сообщения: 34042
Зарегистрирован: 04 апр 2010, 19:22
Репутация: 6194
Откуда: Казахстан.
Контактная информация:

Re: mesa 5i20 + 7i37+ серво yaskawa

Сообщение aftaev »

svr007 писал(а):из лазерного раскроя листового железа
Чё за лазер?
svr007 писал(а):как быть со входами энкодера в документации к сигме написано применить линейный приемник(на фото),его обязательно ставить или можно также напрямую через резисторы?
У некоторых серв есть возможноть подключать линейки.
У yaskawa есть последовательный вход для подключения энкодера двигателя, есть выходы сигналов энкодра и есть входы для подключения линеек.
svr007 писал(а):кто знает чем Sigma2 Yaskawa отличается Omron,есть документацияна русском от Omron,у Yaskawa модели sgdh у
Omron модели r88d,коке между ними отличие?
Новые модели отличаются от старых но незначительно. Сервопрводы как частотники имеют схожие функции(это как стандарт).
svr007 писал(а):есть документацияна русском от Omron,у Yaskawa
yaskawу настраивал по русской документации Омрона.
http://www.chipmaker.ru/topic/30269/
Дилетанту сложные вещи кажутся очень простыми, и только профессионал понимает насколько сложна самая простая вещь
Кто хочет - ищет возможности, кто не хочет - ищет оправдание.
Найди работу по душе и тебе не придется работать.
aftaev
Зачётный участник
Зачётный участник
Сообщения: 34042
Зарегистрирован: 04 апр 2010, 19:22
Репутация: 6194
Откуда: Казахстан.
Контактная информация:

Re: mesa 5i20 + 7i37+ серво yaskawa

Сообщение aftaev »

Nick писал(а):Схема какая-то странная.
Это ТС показал огрызок схемы и догадывайся :D
Серва.JPG (3830 просмотров) <a class='original' href='./download/file.php?id=3398&mode=view' target=_blank>Загрузить оригинал (190.3 КБ)</a>
Дилетанту сложные вещи кажутся очень простыми, и только профессионал понимает насколько сложна самая простая вещь
Кто хочет - ищет возможности, кто не хочет - ищет оправдание.
Найди работу по душе и тебе не придется работать.
Аватара пользователя
Nick
Мастер
Сообщения: 22776
Зарегистрирован: 23 ноя 2009, 16:45
Репутация: 1735
Заслуга: Developer
Откуда: Gatchina, Saint-Petersburg distr., Russia
Контактная информация:

Re: mesa 5i20 + 7i37+ серво yaskawa

Сообщение Nick »

Я вот о чем подумал, если ты будешь сервой управлять в режиме step/dir, зачем тебе энкодер в emc2 выводить?
Чтобы ошибку следования контролировать? Так ее наверное сама серва сможет отслеживать и в случае чего специальный код выдаст. Нужно просто настроить обработку кодов ошибок сервы и все.
aftaev
Зачётный участник
Зачётный участник
Сообщения: 34042
Зарегистрирован: 04 апр 2010, 19:22
Репутация: 6194
Откуда: Казахстан.
Контактная информация:

Re: mesa 5i20 + 7i37+ серво yaskawa

Сообщение aftaev »

Nick писал(а):Я вот о чем подумал, если ты будешь сервой управлять в режиме step/dir,
Я вот о чем подмал, ачемдля лазера степ/диром управлять ИМХО по аналоговому лучшее должно быть.
Nick писал(а):зачем тебе энкодер в emc2 выводить?
Видать если на портале 2 сервы на оси чтоб портал не перекосило. Но можно подключать сервы, когда одна ведушая, друга ведомая и когда рассогласование = ошибка.
Дилетанту сложные вещи кажутся очень простыми, и только профессионал понимает насколько сложна самая простая вещь
Кто хочет - ищет возможности, кто не хочет - ищет оправдание.
Найди работу по душе и тебе не придется работать.
Аватара пользователя
Nick
Мастер
Сообщения: 22776
Зарегистрирован: 23 ноя 2009, 16:45
Репутация: 1735
Заслуга: Developer
Откуда: Gatchina, Saint-Petersburg distr., Russia
Контактная информация:

Re: mesa 5i20 + 7i37+ серво yaskawa

Сообщение Nick »

aftaev писал(а):Я вот о чем подмал, ачемдля лазера степ/диром управлять ИМХО по аналоговому лучшее должно быть.
Я не понял, где ты про лазер нашел? Он писал, что станок будет сделан из листового железа порезанного лазером.
aftaev писал(а):Видать если на портале 2 сервы на оси чтоб портал не перекосило.
Если сервы на step/dir, то не пререкосит. Только непонятно как нули осей искать. Наверное все таки понадобится энкодер...
svr007
Новичок
Сообщения: 22
Зарегистрирован: 13 дек 2011, 09:19
Репутация: 0
Откуда: самара
Контактная информация:

Re: mesa 5i20 + 7i37+ серво yaskawa

Сообщение svr007 »

овтечу сразу на все посты
станок будет фрезерный,просто детали под него будут изготовляться лазерным раскроем
aftaev это кусок скопировал в документации,подробно ничего нет больше,на твоем рисунке общая схема подключения, она тоже есть,но на ней не написано какой выходный уровень,а на этом кусочке написано как организован выходной сигнал обратной связи с чпу при управлении позиционированием.
выходы с энкодера хочу для обратной связи,и чтоб ошибку отслеживал не сервоусилитель а ecm, и для точного поиска нуля по меткам энкодера после прихода портала в нули по концевикам(как у Aike)
svr007
Новичок
Сообщения: 22
Зарегистрирован: 13 дек 2011, 09:19
Репутация: 0
Откуда: самара
Контактная информация:

Re: mesa 5i20 + 7i37+ серво yaskawa

Сообщение svr007 »

посмотрел сейчас еще раз,у месы выходы о сткрытым колектором?получается подаем питание+5в на плюсовые входы step и dir сигмы через резисторы,а с платы месы снимаем сигнал по минусам?самая нижняя схема. чет я запутался.
Вложения
2.jpg (3823 просмотра) <a class='original' href='./download/file.php?id=3400&mode=view' target=_blank>Загрузить оригинал (41.88 КБ)</a>
aftaev
Зачётный участник
Зачётный участник
Сообщения: 34042
Зарегистрирован: 04 апр 2010, 19:22
Репутация: 6194
Откуда: Казахстан.
Контактная информация:

Re: mesa 5i20 + 7i37+ серво yaskawa

Сообщение aftaev »

Nick писал(а):Я не понял, где ты про лазер нашел? Он писал, что станок будет сделан из листового железа порезанного лазером.
Аха дошло, я лазер для металла прочитал и обрадовался :)
Nick писал(а):Если сервы на step/dir, то не пререкосит. Только непонятно как нули осей искать. Наверное все таки понадобится энкодер...
Как обычно, к ХОМЕ. Хомяки сработали, если нужна суперская точность или по лиейкам(если есть) либо по энкодеру по нуль метке(Z)
svr007 писал(а):(как у Aike)
Кто такой Aike шо у него спрашивать нельзя? :)
Дилетанту сложные вещи кажутся очень простыми, и только профессионал понимает насколько сложна самая простая вещь
Кто хочет - ищет возможности, кто не хочет - ищет оправдание.
Найди работу по душе и тебе не придется работать.
aftaev
Зачётный участник
Зачётный участник
Сообщения: 34042
Зарегистрирован: 04 апр 2010, 19:22
Репутация: 6194
Откуда: Казахстан.
Контактная информация:

Re: mesa 5i20 + 7i37+ серво yaskawa

Сообщение aftaev »

svr007 писал(а):посмотрел сейчас еще раз,у месы выходы о сткрытым колектором?получается подаем питание+5в на плюсовые входы step и dir сигмы через резисторы,а с платы месы снимаем сигнал по минусам?самая нижняя схема. чет я запутался.
У меня yaskawa к Месе прикручена так:
Подключение сервы Яксава.JPG (3819 просмотров) <a class='original' href='./download/file.php?id=3407&mode=view' target=_blank>Загрузить оригинал (189.62 КБ)</a>
Дилетанту сложные вещи кажутся очень простыми, и только профессионал понимает насколько сложна самая простая вещь
Кто хочет - ищет возможности, кто не хочет - ищет оправдание.
Найди работу по душе и тебе не придется работать.
svr007
Новичок
Сообщения: 22
Зарегистрирован: 13 дек 2011, 09:19
Репутация: 0
Откуда: самара
Контактная информация:

Re: mesa 5i20 + 7i37+ серво yaskawa

Сообщение svr007 »

aftaev писал(а):
svr007 писал(а):посмотрел сейчас еще раз,у месы выходы о сткрытым колектором?получается подаем питание+5в на плюсовые входы step и dir сигмы через резисторы,а с платы месы снимаем сигнал по минусам?самая нижняя схема. чет я запутался.
У меня yaskawa к Месе прикручена так:
Подключение сервы Яксава.JPG
вот спасибо,я так и думал,слишком много информации вводит в заблуждение.
только я хочу команды Run Ready Alm управлять с месы.ты резисторы на 300ом произвольно поставил? я вроде прочитал в мануале для 5в на 180 надо.
Еще вопрос на засыпку,как Yaskawa?стоит брать,вижу ты ползуешься,и движок от Omron к Yaskawa стыкуются,и наоборот?.
aftaev
Зачётный участник
Зачётный участник
Сообщения: 34042
Зарегистрирован: 04 апр 2010, 19:22
Репутация: 6194
Откуда: Казахстан.
Контактная информация:

Re: mesa 5i20 + 7i37+ серво yaskawa

Сообщение aftaev »

svr007 писал(а):ты резисторы на 300ом произвольно поставил? я вроде прочитал в мануале для 5в на 180 надо.
У меня они к Мачу пркручены были к LPT через плату опторазвязки, самом штекере резисторы поставил. Менять не стал. Насколько помню в мануале прописано от мА до мА 300 Ом вроде вписывалось.
svr007 писал(а):Еще вопрос на засыпку,как Yaskawa?
Весчь. Если будет проводок к компу, ставишь прогу под Винду. Запускаешь утилитку она тягает стол туды сюды и сама настраивает параметры сервы (разгон, торможение вроде PI регулятор) Вообщем я запустил и прблем меньше стало :)
svr007 писал(а):вижу ты ползуешься,и движок от Omron к Yaskawa стыкуются,и наоборот?.
Незнаю не пробовал. Там двиги от yaskawы к yaskawе не подходят порой. У старых моделей с энкодера парралейно даные бегут, у новых последовательно.
Последний раз редактировалось aftaev 13 дек 2011, 19:23, всего редактировалось 1 раз.
Дилетанту сложные вещи кажутся очень простыми, и только профессионал понимает насколько сложна самая простая вещь
Кто хочет - ищет возможности, кто не хочет - ищет оправдание.
Найди работу по душе и тебе не придется работать.
aftaev
Зачётный участник
Зачётный участник
Сообщения: 34042
Зарегистрирован: 04 апр 2010, 19:22
Репутация: 6194
Откуда: Казахстан.
Контактная информация:

Re: mesa 5i20 + 7i37+ серво yaskawa

Сообщение aftaev »

aftaev писал(а):Весчь. Если будет проводок к компу, ставишь прогу под Винду. Запускаешь утилитку она тягает стол туды сюды и сама настраивает параметры сервы (разгон, торможение вроде PI регулятор) Вообщем я запустил и прблем меньше стало
Вот так: http://www.chipmaker.ru/topic/28431/pag ... _p__508291
svr007 писал(а):вижу ты ползуешься
Вот так стоят: http://www.chipmaker.ru/topic/28431/pag ... _p__506188
Дилетанту сложные вещи кажутся очень простыми, и только профессионал понимает насколько сложна самая простая вещь
Кто хочет - ищет возможности, кто не хочет - ищет оправдание.
Найди работу по душе и тебе не придется работать.
Аватара пользователя
Nick
Мастер
Сообщения: 22776
Зарегистрирован: 23 ноя 2009, 16:45
Репутация: 1735
Заслуга: Developer
Откуда: Gatchina, Saint-Petersburg distr., Russia
Контактная информация:

Re: mesa 5i20 + 7i37+ серво yaskawa

Сообщение Nick »

aftaev писал(а):Кто такой Aike шо у него спрашивать нельзя? :)
Aike это человек создавший сайт http://microcnc.ru/ , где есть отличная инструкция по настройке mesa и emc2. Просто появляется на форумах он не часто...
svr007
Новичок
Сообщения: 22
Зарегистрирован: 13 дек 2011, 09:19
Репутация: 0
Откуда: самара
Контактная информация:

Re: mesa 5i20 + 7i37+ серво yaskawa

Сообщение svr007 »

Добрый День всем.Nick подскажи есть Hal переменная для шпинделя,на подобие (axis.N.amp-fault-in),чтоб частотник выдавал сигнал когда неисправен или не готов.
Аватара пользователя
Nick
Мастер
Сообщения: 22776
Зарегистрирован: 23 ноя 2009, 16:45
Репутация: 1735
Заслуга: Developer
Откуда: Gatchina, Saint-Petersburg distr., Russia
Контактная информация:

Re: mesa 5i20 + 7i37+ серво yaskawa

Сообщение Nick »

Есть motion.spindle-at-speed IN bit, который отслеживает скорость шпинделя. А ошибку частотника можно просто вывести на кнопку аварийной остановки. Кстати, какое действие планируется при получении такой ошибки?
svr007
Новичок
Сообщения: 22
Зарегистрирован: 13 дек 2011, 09:19
Репутация: 0
Откуда: самара
Контактная информация:

Re: mesa 5i20 + 7i37+ серво yaskawa

Сообщение svr007 »

можно и так,просто получается сигналы с серв приходят о готовности,а с шпинделя нет.естественно если ошибка со шпиделем то остановка программы. motion.spindle-at-speed IN bit -для этой переменной откуда сигнал брать?энкодер?
Аватара пользователя
Nick
Мастер
Сообщения: 22776
Зарегистрирован: 23 ноя 2009, 16:45
Репутация: 1735
Заслуга: Developer
Откуда: Gatchina, Saint-Petersburg distr., Russia
Контактная информация:

Re: mesa 5i20 + 7i37+ серво yaskawa

Сообщение Nick »

Должно быть устройство, которое сравнивает заданную скорость и текущую. В motion есть обратная связь по шпинделю, он может сам сравнивать скорости шпинделя через энкодер...

А какие выходы есть у твоего частотника?
svr007
Новичок
Сообщения: 22
Зарегистрирован: 13 дек 2011, 09:19
Репутация: 0
Откуда: самара
Контактная информация:

Re: mesa 5i20 + 7i37+ серво yaskawa

Сообщение svr007 »

частотник Altivar 12,есть только сигнальные выходы НЗ и НО.Смысл заморачиваться с оборотами не вижу,просто хочу чтоб, если по каким нибудь причинам встанет шпиндель,программа сразу остановилась.Выводы аварии повешу наверное на E-Stop.
еще вопрос- motion.probe-input отвечает только за длину инструмента?есть переменные которые отвечают за вычисление центровки и положение заготовки?
Ответить

Вернуться в «Электроника»