CNC2030 как подключить фрезу если нет 380 вольт
-
xan1980
- Новичок
- Сообщения: 4
- Зарегистрирован: 18 янв 2017, 09:41
- Репутация: 0
- Настоящее имя: Ерлан Маратович Наурызбаев
- Контактная информация:
CNC2030 как подключить фрезу если нет 380 вольт
как подключить фрезу с 380 вольт на 220 вольт
-
NikolayUa24
- Мастер
- Сообщения: 1407
- Зарегистрирован: 31 июл 2013, 20:05
- Репутация: 256
- Настоящее имя: Николай
- Контактная информация:
Re: CNC2030 как подключить фрезу если нет 380 вольт
Купить фрезу 220/380 вольт.xan1980 писал(а): фрезу с 380 вольт на 220 вольт
Страдания ведут человека к совершенству.
- Rom327
- Почётный участник

- Сообщения: 2989
- Зарегистрирован: 03 апр 2015, 13:23
- Репутация: 437
- Настоящее имя: Роман
- Откуда: Подольск
- Контактная информация:
Re: CNC2030 как подключить фрезу если нет 380 вольт
Не понятен вопрос! Если необходимо подключить мотор 3 фазы 380 вольт к сети 1 фаза 220 вольт ставятся конденсатор. В сети много схем.xan1980 писал(а):как подключить фрезу с 380 вольт на 220 вольт
Это сугубо мое мнение, могу и ошибаться...
https://vk.com/rom327
GRBL настройки: http://blogandbux.blogspot.com/2018/07/ ... revod.html
G коды: http://3d-stanki.ru/spravochnik/program ... stankov-2/
https://vk.com/rom327
GRBL настройки: http://blogandbux.blogspot.com/2018/07/ ... revod.html
G коды: http://3d-stanki.ru/spravochnik/program ... stankov-2/
-
NikolayUa24
- Мастер
- Сообщения: 1407
- Зарегистрирован: 31 июл 2013, 20:05
- Репутация: 256
- Настоящее имя: Николай
- Контактная информация:
Re: CNC2030 как подключить фрезу если нет 380 вольт
Все как ясный день. Смотри 1 фото у него инвертор на 3 фазы а 3 фазы дома нету. Вопрос как подключить к 220в. Купить https://ru.aliexpress.com/store/product ... 0.0.Y6TxORRom327 писал(а):Не понятен вопрос!
Страдания ведут человека к совершенству.
-
1Doc1
- Опытный
- Сообщения: 162
- Зарегистрирован: 01 янв 2014, 20:04
- Репутация: 96
- Откуда: Подольск
- Контактная информация:
Re: CNC2030 как подключить фрезу если нет 380 вольт
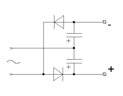
А еще можно подключить существующий частотник, запитав только одну фазу через повышающий трансформатор или автотрансформатор 220/380 или использовать умножитель напряжения из двух диодов и двух конденсаторов (или батарей конденсаторов). У меня есть и тот и другой действующий пример.
-
xan1980
- Новичок
- Сообщения: 4
- Зарегистрирован: 18 янв 2017, 09:41
- Репутация: 0
- Настоящее имя: Ерлан Маратович Наурызбаев
- Контактная информация:
Re: CNC2030 как подключить фрезу если нет 380 вольт
извините а вы не могли бы по подробней объяснить
-
1Doc1
- Опытный
- Сообщения: 162
- Зарегистрирован: 01 янв 2014, 20:04
- Репутация: 96
- Откуда: Подольск
- Контактная информация:
Re: CNC2030 как подключить фрезу если нет 380 вольт
Подключаете в сеть умножитель напряжения на 2, от него постоянным током запитываете свой частотник. К частотнику подключаетесь к любым двум клеммам R, S, T, если у него нет выводов шины DC.
Для включения в сеть очень желательно иметь устройство плавного пуска, т.к. в момент зарядки конденсаторов будут протекать огромные токи, что может привести к просадке напряжения или срабатыванию автоматических выключателей на вводе. Если будете включать в сеть напрямую, то диоды надо брать с очень большим запасом по току (дойду до мастерской и посмотрю что стоит у меня). Емкости я подбирал экспериментально, на 7,5кВт мне потребовалось 3х2200=6600мкф в каждое плечо. На выходе умножителя имеем постоянное напряжение около 600В, этим напряжением питаем частотник (допустимый диапазон лежит в пределах от 400 до 1000В постоянного тока).
!!! Будте предельно внимательны при работе с высоким напряжением постоянного тока, в случае касания проводников в отличии от переменки не "отбрасывает", а "приклеивает" и велика вероятность смертельного исхода! Перед любыми работами с данном узлом убедиться что он отключен от сети и конденсаторы успели разрядиться!!!.
Для включения в сеть очень желательно иметь устройство плавного пуска, т.к. в момент зарядки конденсаторов будут протекать огромные токи, что может привести к просадке напряжения или срабатыванию автоматических выключателей на вводе. Если будете включать в сеть напрямую, то диоды надо брать с очень большим запасом по току (дойду до мастерской и посмотрю что стоит у меня). Емкости я подбирал экспериментально, на 7,5кВт мне потребовалось 3х2200=6600мкф в каждое плечо. На выходе умножителя имеем постоянное напряжение около 600В, этим напряжением питаем частотник (допустимый диапазон лежит в пределах от 400 до 1000В постоянного тока).
!!! Будте предельно внимательны при работе с высоким напряжением постоянного тока, в случае касания проводников в отличии от переменки не "отбрасывает", а "приклеивает" и велика вероятность смертельного исхода! Перед любыми работами с данном узлом убедиться что он отключен от сети и конденсаторы успели разрядиться!!!.
-
1Doc1
- Опытный
- Сообщения: 162
- Зарегистрирован: 01 янв 2014, 20:04
- Репутация: 96
- Откуда: Подольск
- Контактная информация:
Re: CNC2030 как подключить фрезу если нет 380 вольт
В продолжение свое ответа снял видео:
https://youtu.be/2nhESRILl1M
Диоды у меня используются ВЛ200, рассчитанные на длительный ток 200А, максимальный ударный (импульсный) ток 6кА.
Имейте ввиду что при использовании диодов в уможителе среднеквадратичное значение тока в десятки раз меньше импульсного, т.к. потребление идет только в пиках синусоиды, соответственно в течении почти всего полупериода потребление равно нулю и только в пике синусоиды ток лавинообразно возрастает до очень высоких значений, которые как правило ограничиваются сопротивлением петли фаза-ноль питающей сети. В моем случае это около 280А, при этом среднеквадратичный ток как правило не превышает 30А. Поэтому слабые диоды в умножителе долго не протянут, диоды нужно выбирать с ОЧЕНЬ большим запасом по току.
https://youtu.be/2nhESRILl1M
Диоды у меня используются ВЛ200, рассчитанные на длительный ток 200А, максимальный ударный (импульсный) ток 6кА.
Имейте ввиду что при использовании диодов в уможителе среднеквадратичное значение тока в десятки раз меньше импульсного, т.к. потребление идет только в пиках синусоиды, соответственно в течении почти всего полупериода потребление равно нулю и только в пике синусоиды ток лавинообразно возрастает до очень высоких значений, которые как правило ограничиваются сопротивлением петли фаза-ноль питающей сети. В моем случае это около 280А, при этом среднеквадратичный ток как правило не превышает 30А. Поэтому слабые диоды в умножителе долго не протянут, диоды нужно выбирать с ОЧЕНЬ большим запасом по току.