Пропал сигнал DIR, сломался драйвер?
- Cross
- Опытный
- Сообщения: 166
- Зарегистрирован: 21 июл 2015, 18:29
- Репутация: 4
- Настоящее имя: Артем
- Контактная информация:
Пропал сигнал DIR, сломался драйвер?
Приветствую! Еще не собрал станок, а он уже успел сломаться
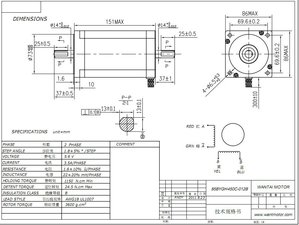
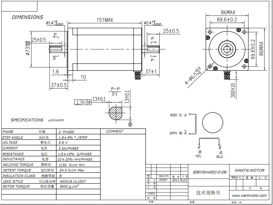
В свободное время дособираю станок, вот собрал всю механику и решил попробовать как что ездит. И оказалось, что одна из осей едет только в одну сторону. До этого было все нормально! Притом сейчас было два момента, когда ось двигалась в обе стороны! Сначала я думал что меня проглючило, но товарищ стоял рядом и тоже это заметил. Менял драйвера местами, этот драйвер ведет себе на других осях так же - едет только в одну сторону. Да раза переделывали "разводку" с контроллера - не помогало, те же яйца. Как выяснить, сломался ли он, что и как "прозванивать"? Он новый совсем можно сказать, не понимаю как так вышло? Ниже фото драйвера, контроллера и мотора.
- Mamont
- Мастер
- Сообщения: 2005
- Зарегистрирован: 10 дек 2015, 12:21
- Репутация: 391
- Настоящее имя: Виталий
- Откуда: РБ Минск
- Контактная информация:
Re: Пропал сигнал DIR, сломался драйвер?
Для начала длительность импульса DIR поставь по максимум, 15-20мкс
Наверняка в драйвере есть опторазвязка. И на контроллере тоже, причем не самая быстрая (el818)
Наверняка в драйвере есть опторазвязка. И на контроллере тоже, причем не самая быстрая (el818)
- РЕКЛАМА
- Почётный участник

- Сообщения: 736
- Зарегистрирован: 11 дек 2012, 21:46
- Репутация: 80
- Откуда: Брянск
- Контактная информация:
Re: Пропал сигнал DIR, сломался драйвер?
Так дир работает вроде как не в импульсе, он либо есть либо нет.
Можно попробовать имитировать его подав сторонние 5в на клеммы дир. Если поедет в другую сторону значит драйвер исправен. Может сама оптопара непропяна/глючит в драйвере?
Можно попробовать имитировать его подав сторонние 5в на клеммы дир. Если поедет в другую сторону значит драйвер исправен. Может сама оптопара непропяна/глючит в драйвере?
- AndyBig
- Мастер
- Сообщения: 3971
- Зарегистрирован: 07 мар 2014, 04:01
- Репутация: 1121
- Откуда: юг России
- Контактная информация:
Re: Пропал сигнал DIR, сломался драйвер?
Самое простое - взять мультиметр и проверить наличие DIR на всех этапах. Если он доходит до драйвера - драйвер неисправен 
- Mamont
- Мастер
- Сообщения: 2005
- Зарегистрирован: 10 дек 2015, 12:21
- Репутация: 391
- Настоящее имя: Виталий
- Откуда: РБ Минск
- Контактная информация:
Re: Пропал сигнал DIR, сломался драйвер?
Таки да, раскрутил разъем, померял напряжометром , дир остается висеть в "1" и после прекращения импульсов.РЕКЛАМА писал(а): Так дир работает вроде как не в импульсе, он либо есть либо нет.
И вот возникла мысль осцилографом пощупать пару степ-дира, когда и насколько раньше меняется дир перед сигналом степ. Это-ж если драйвер реагирует по переднему фронту степа, а дир еще не установился, шаг сделается в противоположную сторону. При частых изменениях направления может набежать ощутимая величина
- Cross
- Опытный
- Сообщения: 166
- Зарегистрирован: 21 июл 2015, 18:29
- Репутация: 4
- Настоящее имя: Артем
- Контактная информация:
Re: Пропал сигнал DIR, сломался драйвер?
Это в Маче делается в портс энд пинс?)Mamont писал(а):Для начала длительность импульса DIR поставь по максимум, 15-20мкс
Наверняка в драйвере есть опторазвязка. И на контроллере тоже, причем не самая быстрая (el818)
- Cross
- Опытный
- Сообщения: 166
- Зарегистрирован: 21 июл 2015, 18:29
- Репутация: 4
- Настоящее имя: Артем
- Контактная информация:
Re: Пропал сигнал DIR, сломался драйвер?
А что собственно мерить мультиметром? Наличие пяти вольт на контакте? Я менял местами драйвера. Этот драйвер ведет себя на всех осях одинаково. На любой оси куда его ставишь - пропадает дирAndyBig писал(а):Самое простое - взять мультиметр и проверить наличие DIR на всех этапах. Если он доходит до драйвера - драйвер неисправен
- Mamont
- Мастер
- Сообщения: 2005
- Зарегистрирован: 10 дек 2015, 12:21
- Репутация: 391
- Настоящее имя: Виталий
- Откуда: РБ Минск
- Контактная информация:
Re: Пропал сигнал DIR, сломался драйвер?
Значит проблема в драйвере. В драйвере тоже наверняка есть оптопары на входах, попробуй вольтметром пощупать выходное напряжение с оптопар. Глубже лезть - уже нужны знания электроникиCross писал(а): А что собственно мерить мультиметром? Наличие пяти вольт на контакте? Я менял местами драйвера. Этот драйвер ведет себя на всех осях одинаково. На любой оси куда его ставишь - пропадает дир
в тачках на прокачках. т.е. мотор тюнингахCross писал(а):
Это в Маче делается в портс энд пинс?)
- Cross
- Опытный
- Сообщения: 166
- Зарегистрирован: 21 июл 2015, 18:29
- Репутация: 4
- Настоящее имя: Артем
- Контактная информация:
Re: Пропал сигнал DIR, сломался драйвер?
Короче дело такое!))) Я сегодня никуда не лазил, ничего не промерял. Пришел, попробовал запустить и из двух оставшихся осей еще одна начала проявлять такие же симптомы, при том едет в одну сторону, потом резко меняет направление буквально на пол секунды, потом обратно... При том сначала драйвер (уже другой) соответственно не подавал никах признаков жизни. Надо сказать, что станок стоит у меня в гараже, там есть печка, но гараж я не прогревал, температура была чуть выше уличной И вселенная сказала мне: чувак, это конечно глупо звучит, но пойди и положи драйвер в машину на воздуховод и прогрей. И что вы думаете? Все заработало. Какого хрена? Неужели деревенская китайса не предусмотрела такой момент? Это может быть и совпадение конечно, один драйвер как работал таки и работет пофигу мороз в прямом смысле, а два- только после прогрева...
- Serg
- Мастер
- Сообщения: 21923
- Зарегистрирован: 17 апр 2012, 14:58
- Репутация: 5183
- Заслуга: c781c134843e0c1a3de9
- Настоящее имя: Сергей
- Откуда: Москва
- Контактная информация:
Re: Пропал сигнал DIR, сломался драйвер?
Любая электроника будет глючит, если конденсируемая внутри влага замыкает то, что не надо замыкать.
Я не Христос, рыбу не раздаю, но могу научить, как сделать удочку...
- Mamont
- Мастер
- Сообщения: 2005
- Зарегистрирован: 10 дек 2015, 12:21
- Репутация: 391
- Настоящее имя: Виталий
- Откуда: РБ Минск
- Контактная информация:
Re: Пропал сигнал DIR, сломался драйвер?
Конденсат высаживается на холодных предметах внесенных в теплое помещение.
Внесенный с холодной улицы драйвер в гараж, где надышано и натоплено, может высесть. Но с течением времени, за сутки, он должен был испариться.
Если всеж дело в нем, лучше всего платы драйверов и лпт контролера просушить и покрыть яхтным лаком в 2-3слоя (не у каждого ж дома есть двухкомпонентный лак УР-231)
Внесенный с холодной улицы драйвер в гараж, где надышано и натоплено, может высесть. Но с течением времени, за сутки, он должен был испариться.
Если всеж дело в нем, лучше всего платы драйверов и лпт контролера просушить и покрыть яхтным лаком в 2-3слоя (не у каждого ж дома есть двухкомпонентный лак УР-231)
- Cross
- Опытный
- Сообщения: 166
- Зарегистрирован: 21 июл 2015, 18:29
- Репутация: 4
- Настоящее имя: Артем
- Контактная информация:
Re: Пропал сигнал DIR, сломался драйвер?
Самое интересное, что все как раз наоборот. Драйвер был внесен из тепла (в машине на дефлекторе печки полежал) в холод. И заработал. Драйверы никто не носит с улицы в помещение. Они остывают и нагреваются вместе с помещением. И я не утверждаю, что я точно нашел причину глюков. Компьютер работает нормально, магнитофон, айпад в конце концов работает... Хотя драйвер мог не успеть прогреться. у него рабочая температура от -10 до 45, но с другой стороны он 7 часов стоял в помещении в котором под конец стало +15Mamont писал(а):Внесенный с холодной улицы драйвер в гараж, где надышано и натоплено, может высесть.
- ALS
- Опытный
- Сообщения: 159
- Зарегистрирован: 15 ноя 2013, 01:46
- Репутация: 161
- Откуда: Севастополь
- Контактная информация:
Re: Пропал сигнал DIR, сломался драйвер?
Я бы снял кожух с драйвера и внимательно посмотрел на его монтаж. Вполне вероятно, что там есть непропай или какие-то другие дефекты.
- Cross
- Опытный
- Сообщения: 166
- Зарегистрирован: 21 июл 2015, 18:29
- Репутация: 4
- Настоящее имя: Артем
- Контактная информация:
Re: Пропал сигнал DIR, сломался драйвер?
Снял крышку, посмотрел, что могли "прозвонили". Все нормально. Пока драйвер не нагреешь - не работает. Ставишь около обогревателя минут на 10 - все нормально, работает. Брак? Менять драйвер? Или каждый раз прогревать строительным феном отсек с драйверами?ALS писал(а):Я бы снял кожух с драйвера и внимательно посмотрел на его монтаж. Вполне вероятно, что там есть непропай или какие-то другие дефекты.
- Cross
- Опытный
- Сообщения: 166
- Зарегистрирован: 21 июл 2015, 18:29
- Репутация: 4
- Настоящее имя: Артем
- Контактная информация:
Re: Пропал сигнал DIR, сломался драйвер?
Этож Вантай... Блин, я все понимаю,деревня где их делают в этот день отмечала местный праздник видимо и китайса осьминогами ползали по цеху. Я вообще не могу себе представить причинно-следственной связи между повышением температуры и работой/неработой электронного устройства. В даташите написано рабочая температура от -10 до +45... Он принуле градусов работать отказывается. Пока я не снял крышку и не поставил плату под прямые инфракрасные лучи он вообще признаков жизни не подавал. Двигатель даже на удержание не вставал...Cross писал(а):Снял крышку, посмотрел, что могли "прозвонили". Все нормально. Пока драйвер не нагреешь - не работает. Ставишь около обогревателя минут на 10 - все нормально, работает. Брак? Менять драйвер? Или каждый раз прогревать строительным феном отсек с драйверами?ALS писал(а):Я бы снял кожух с драйвера и внимательно посмотрел на его монтаж. Вполне вероятно, что там есть непропай или какие-то другие дефекты.
- ALS
- Опытный
- Сообщения: 159
- Зарегистрирован: 15 ноя 2013, 01:46
- Репутация: 161
- Откуда: Севастополь
- Контактная информация:
Re: Пропал сигнал DIR, сломался драйвер?
Ну, чессгря, я надеялся, что там какая-нибудь кольцевая трещина вокруг вывода(-ов), которая при изменении температура замыкается/размыкается и т.п..
Но, возможно, проблема именно в самом чипе.
У компьютерщиков подобная фигня была с приснопамятными GF8600, лечилась , правда, более радикальным способом - или заменой, или прогревом чипа на ИК-паяльной станции, а в домашних условиях - всей карты в духовке.
Но, возможно, проблема именно в самом чипе.
У компьютерщиков подобная фигня была с приснопамятными GF8600, лечилась , правда, более радикальным способом - или заменой, или прогревом чипа на ИК-паяльной станции, а в домашних условиях - всей карты в духовке.
- AndyBig
- Мастер
- Сообщения: 3971
- Зарегистрирован: 07 мар 2014, 04:01
- Репутация: 1121
- Откуда: юг России
- Контактная информация:
Re: Пропал сигнал DIR, сломался драйвер?
Элементарно. На самом деле довольно распространенная неисправность. Где-то вывод отвалился от припоя или микротрещина в дорожке. При нагреве происходит деформация платы/детали, в результате смещение вывода детали на несколько микрон/соток, и этого хватает чтобы появился контактCross писал(а):Я вообще не могу себе представить причинно-следственной связи между повышением температуры и работой/неработой электронного устройства.
- Cross
- Опытный
- Сообщения: 166
- Зарегистрирован: 21 июл 2015, 18:29
- Репутация: 4
- Настоящее имя: Артем
- Контактная информация:
Re: Пропал сигнал DIR, сломался драйвер?
Ключевое слово "Где-то", как же найти это место? Да! Помимо всего от одного из исправных драйверов один раз было такое "поползновение" заглючить таким же образом. Один раз при включении он тоже поехал только в одну сторону. У меня есть два кореша, радиоэлектронщика, в один голос утверждают, что проблема может крыться в некачественных кондерах, которые на холоде теряют емкость, замерзают, высыхают, как там еще это называется... Но говорят еще и проц может так глючить. В общем у них похожая беда была неоднократно и лечилась перепайкой. Завтра один из них вызвался перепаять все кондеры в драйвере. Отпишусь сразу что получилось или не получилось. Микротрещина на двух драйверах? Как говорит кисель-тв "Совпадение? Не думаю..."AndyBig писал(а):Элементарно. На самом деле довольно распространенная неисправность. Где-то вывод отвалился от припоя или микротрещина в дорожке. При нагреве происходит деформация платы/детали, в результате смещение вывода детали на несколько микрон/соток, и этого хватает чтобы появился контактCross писал(а):Я вообще не могу себе представить причинно-следственной связи между повышением температуры и работой/неработой электронного устройства.
- Mamont
- Мастер
- Сообщения: 2005
- Зарегистрирован: 10 дек 2015, 12:21
- Репутация: 391
- Настоящее имя: Виталий
- Откуда: РБ Минск
- Контактная информация:
Re: Пропал сигнал DIR, сломался драйвер?
Кондеры маловероятно, платы то новые. У проблем один и тот же знаменатель.
Не проходят сигналы, то дир (в одну сторону), то степ (не крутится, но на удержание становится), то енабле ....
Накидай схему как подключал драйвера, питание, контролер
Не проходят сигналы, то дир (в одну сторону), то степ (не крутится, но на удержание становится), то енабле ....
Накидай схему как подключал драйвера, питание, контролер
-
sertix
- Мастер
- Сообщения: 627
- Зарегистрирован: 07 май 2011, 09:06
- Репутация: 138
- Настоящее имя: Сергей
- Контактная информация:
Re: Пропал сигнал DIR, сломался драйвер?
Что моторы, что драйверы с логотипом слоника - это недоделки во всех отношениях! Эту фирму желательно обходить стороной...
