3axLPT контроллер
3axLPT контроллер
Привет, решил заняться станкостроением и возникли вопросы по электронике.
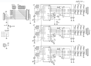
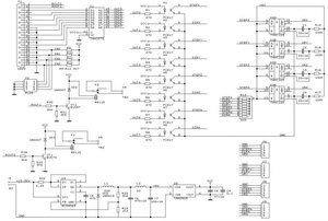
Вот нашёл схему 3х осевого контроллера: В таблице расписано назначения выводов LPT разъёма: В эту схему хочу добавить ещё 2 аналогичные оси, и задействовать выводы, которые не используются, например 13, 14 и 15, 16.
Можно так сделать? И будет ли оно работать с программой EMC2?
Вот нашёл схему 3х осевого контроллера: В таблице расписано назначения выводов LPT разъёма: В эту схему хочу добавить ещё 2 аналогичные оси, и задействовать выводы, которые не используются, например 13, 14 и 15, 16.
Можно так сделать? И будет ли оно работать с программой EMC2?
-
aftaev
- Зачётный участник

- Сообщения: 34042
- Зарегистрирован: 04 апр 2010, 19:22
- Репутация: 6194
- Откуда: Казахстан.
- Контактная информация:
Re: 3axLPT контроллер
дешевше будет купить нормальный контроллер.
Дилетанту сложные вещи кажутся очень простыми, и только профессионал понимает насколько сложна самая простая вещь
Кто хочет - ищет возможности, кто не хочет - ищет оправдание.
Найди работу по душе и тебе не придется работать.
Кто хочет - ищет возможности, кто не хочет - ищет оправдание.
Найди работу по душе и тебе не придется работать.
-
Гость
Re: 3axLPT контроллер
А какой есть "нормальный" контроллер?aftaev писал(а):дешевше будет купить нормальный контроллер.
У меня есть новая схема и плата контроллера 3axLPT. Вообще он продается здесь http://imafania.narod.ru/contr1.htm
Так что если нужна схема и плата, то пишите в личку.
- Nick
- Мастер
- Сообщения: 22776
- Зарегистрирован: 23 ноя 2009, 16:45
- Репутация: 1735
- Заслуга: Developer
- Откуда: Gatchina, Saint-Petersburg distr., Russia
- Контактная информация:
Re: 3axLPT контроллер
46В 2А Это конечно хорошо, но какое для этого нужно будет охлаждение, плюс какой двигатель будет выдавать такие характеристики? Ну и опять же не решены проблемы резонанса и тому подобные.
По контроллеру, все зависит от задачи и двигателя. Что за станок? Какие параметры ускорения/скорости => какой нужен момент на двигателях
По контроллеру, все зависит от задачи и двигателя. Что за станок? Какие параметры ускорения/скорости => какой нужен момент на двигателях
-
_taras_
- Мастер
- Сообщения: 546
- Зарегистрирован: 16 мар 2011, 15:19
- Репутация: 69
- Контактная информация:
Re: 3axLPT контроллер
Контроллер и драйвер двигателей лучше сделать отдельнымми платами. Если нужно, то печаткой и схемой могу поделиться
Re: 3axLPT контроллер
Станок делаю для гравировки и фрезеровки мягких материалов, параметры скорости не очень важны.Nick писал(а):По контроллеру, все зависит от задачи и двигателя. Что за станок? Какие параметры ускорения/скорости => какой нужен момент на двигателях
Двигатели планирую использовать слабее, у меня есть дш-0,04а вот только смущает в его характеристиках номинальный вращающий момент 4x10^-3 Нм. Подойдёт этот двигатель для таких задач, если использовать редуктор?Nick писал(а):46В 2А Это конечно хорошо, но какое для этого нужно будет охлаждение, плюс какой двигатель будет выдавать такие характеристики?
Очень нужно :)_taras_ писал(а):Если нужно, то печаткой и схемой могу поделиться
-
_taras_
- Мастер
- Сообщения: 546
- Зарегистрирован: 16 мар 2011, 15:19
- Репутация: 69
- Контактная информация:
Re: 3axLPT контроллер
Это вдержка из форума где обсуждались эти платы. В основном посвящена замене деталей
при сборке драйверов на ТА 8435 Н от космодрома собираюсь использовать вместо
штатных по схеме SF24
Посути одно и тоже. Буду тработать на пределе возможностей и те и другие. А если
индуктивность обмоток большая могут и пыхнуть.
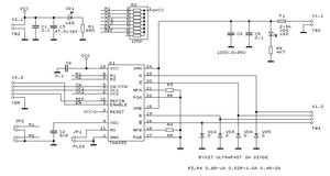
ем можно заменить TMA-0505 ??? Пост №104 AM1D-0505SZ
я заменил на
DC-DC CONVERTER
V1-0505SS
MOTIEN
А я поставил конвертер P6CU-0505ELF. По размерам, выводам полностью совпадает. А
вот напряжение на выходе 6.7В. Почему такое может быть? ПРичем это у двух
конвертеров, что у меня есть. По даташиту отклонение 5%.
Serbond #248
стабилизатор 7805 лучше заменить на LM317/217/117 и между выходом и землей
поставить резисторный делитель с номиналами 330 Ом и 2 кОм последний лучше
подстроечный.
Для 7805 оптимальним есть напряжение 8-9в, до 12В, 24-30В многовато...
tytar вне форума
Друзя как уже писалась ТМА0505 можно заменить на AM1D-0505sz, P6CU-0505ELF они
болле доступные.
при сборке драйверов на ТА 8435 Н от космодрома собираюсь использовать вместо
штатных по схеме SF24
Посути одно и тоже. Буду тработать на пределе возможностей и те и другие. А если
индуктивность обмоток большая могут и пыхнуть.
ем можно заменить TMA-0505 ??? Пост №104 AM1D-0505SZ
я заменил на
DC-DC CONVERTER
V1-0505SS
MOTIEN
А я поставил конвертер P6CU-0505ELF. По размерам, выводам полностью совпадает. А
вот напряжение на выходе 6.7В. Почему такое может быть? ПРичем это у двух
конвертеров, что у меня есть. По даташиту отклонение 5%.
Serbond #248
стабилизатор 7805 лучше заменить на LM317/217/117 и между выходом и землей
поставить резисторный делитель с номиналами 330 Ом и 2 кОм последний лучше
подстроечный.
Для 7805 оптимальним есть напряжение 8-9в, до 12В, 24-30В многовато...
tytar вне форума
Друзя как уже писалась ТМА0505 можно заменить на AM1D-0505sz, P6CU-0505ELF они
болле доступные.
- Вложения
-
- LPT_Cont_Dip.lay.zip
- Разводка п/п в спринте
- (61.7 КБ) 900 скачиваний
-
VShaclein
- Опытный
- Сообщения: 183
- Зарегистрирован: 25 авг 2008, 11:36
- Репутация: -47
- Контактная информация:
Re: 3axLPT контроллер
А можете объяснить, почему ?_taras_ писал(а):стабилизатор 7805 лучше заменить на LM317/217/117 и между выходом и землей
поставить резисторный делитель с номиналами 330 Ом и 2 кОм последний лучше
подстроечный.
-
_taras_
- Мастер
- Сообщения: 546
- Зарегистрирован: 16 мар 2011, 15:19
- Репутация: 69
- Контактная информация:
Re: 3axLPT контроллер
Если для драайвера, то можно не тянуть питание от оптразвяки, а питать от БП напрямую. Тогда вроде меньше помех идет по линиям шаг-направление. В п/п стабилизатор стоит.
-
VShaclein
- Опытный
- Сообщения: 183
- Зарегистрирован: 25 авг 2008, 11:36
- Репутация: -47
- Контактная информация:
Re: 3axLPT контроллер
Давайте еще раз, почему:
317 лучше чем 7805
дополнительные резисторы лучше чем без них
330 и 2к (10V на выходе), а не 330 и 1к (5V на выходе)
подстроечник (помехи, выбросы и потенциальная возможность руками накрутить до 10V), а не постоянный резистор (без всех этих "прелестей")
317 лучше чем 7805
дополнительные резисторы лучше чем без них
330 и 2к (10V на выходе), а не 330 и 1к (5V на выходе)
подстроечник (помехи, выбросы и потенциальная возможность руками накрутить до 10V), а не постоянный резистор (без всех этих "прелестей")
- Nick
- Мастер
- Сообщения: 22776
- Зарегистрирован: 23 ноя 2009, 16:45
- Репутация: 1735
- Заслуга: Developer
- Откуда: Gatchina, Saint-Petersburg distr., Russia
- Контактная информация:
Re: 3axLPT контроллер
ИМХО движок слабоват. Если поставишь редуктор, тогда скорость перемещения совсем упадет. А каких размеров будет станок, и что конкретно планируешь обрабатывать?Rayne писал(а):Двигатели планирую использовать слабее, у меня есть дш-0,04а вот только смущает в его характеристиках номинальный вращающий момент 4x10^-3 Нм. Подойдёт этот двигатель для таких задач, если использовать редуктор?
-
_taras_
- Мастер
- Сообщения: 546
- Зарегистрирован: 16 мар 2011, 15:19
- Репутация: 69
- Контактная информация:
Re: 3axLPT контроллер
Дискуссию уж не помню. Н почитать её можно http://forum.rcdesign.ru/f110/thread123955.htmlVShaclein писал(а):
* Пожаловаться на это сообщение
* Ответить с цитатой
Re: 3axLPT контроллер
#10 UNREAD_POST VShaclein » Сегодня, 12:44
Давайте еще раз, почему:
317 лучше чем 7805
дополнительные резисторы лучше чем без них
330 и 2к (10V на выходе), а не 330 и 1к (5V на выходе)
подстроечник (помехи, выбросы и потенциальная возможность руками накрутить до 10V), а не постоянный резистор (без всех этих "прелестей")
Re: 3axLPT контроллер
_taras_ спасибо за схему, но всё же вариант 3axLPT контроллера мне больше нравится, наверное буду его делать.
Ну на это и рассчитываю, упадет скорость - увеличится момент. Начал собирать основание, размер получился 40х42 см. Обрабатывать планирую пластик, оргстекло, дерево.Nick писал(а):ИМХО движок слабоват. Если поставишь редуктор, тогда скорость перемещения совсем упадет. А каких размеров будет станок, и что конкретно планируешь обрабатывать?
- Nick
- Мастер
- Сообщения: 22776
- Зарегистрирован: 23 ноя 2009, 16:45
- Репутация: 1735
- Заслуга: Developer
- Откуда: Gatchina, Saint-Petersburg distr., Russia
- Контактная информация:
Re: 3axLPT контроллер
А чем будешь резать? Какой фрезер? От этого зависит рекомендуемая скорость подачи.
Re: 3axLPT контроллер
У меня есть такой гравер, думаю его использовать.
- Nick
- Мастер
- Сообщения: 22776
- Зарегистрирован: 23 ноя 2009, 16:45
- Репутация: 1735
- Заслуга: Developer
- Откуда: Gatchina, Saint-Petersburg distr., Russia
- Контактная информация:
Re: 3axLPT контроллер
ну тогда нормально - с ним на больших скоростях не по работаешь.
Re: 3axLPT контроллер
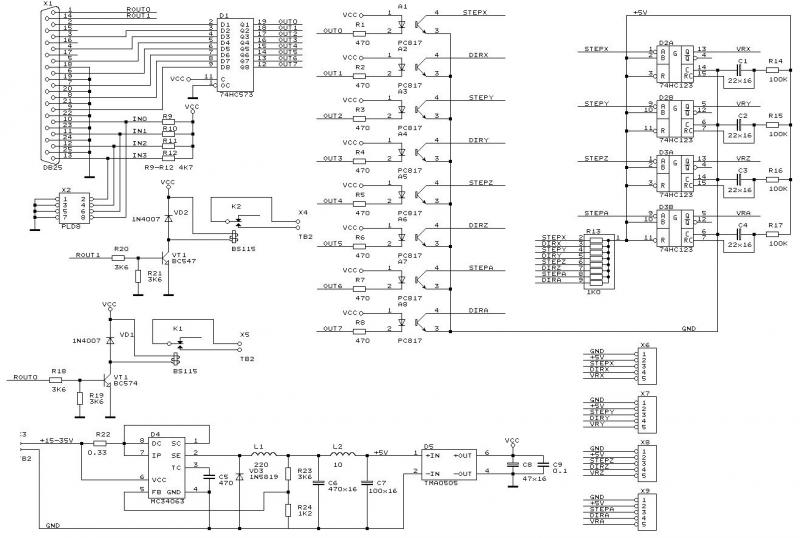
Наконец-то вернулся к работе над станком. Начинаю разводку платы, хочу добавить к ней световую индикацию на питание, и на работу каждой оси. Подскажите куда подключить светодиоды?
- Nick
- Мастер
- Сообщения: 22776
- Зарегистрирован: 23 ноя 2009, 16:45
- Репутация: 1735
- Заслуга: Developer
- Откуда: Gatchina, Saint-Petersburg distr., Russia
- Контактная информация:
Re: 3axLPT контроллер
Насколько я понимаю, можно хоть прямо к пинам LPT...
Re: 3axLPT контроллер
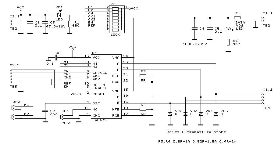
Вот что у меня получилось:
(надеюсь ошибок не много) И ещё вопрос, в этом контроллере есть режим удержания двигателей?
(надеюсь ошибок не много) И ещё вопрос, в этом контроллере есть режим удержания двигателей?
-
Impartial
- Мастер
- Сообщения: 953
- Зарегистрирован: 23 фев 2011, 01:50
- Репутация: 36
- Контактная информация:
Re: 3axLPT контроллер
Красиво!
Добавь на всякий случай гасящий снаббер (для того, чтобы напряжение питания не выпрыгивало при работе двигателя в генераторном режиме) на каждый канал и все будет отлично работать. Можно и один на все каналы.
Добавь на всякий случай гасящий снаббер (для того, чтобы напряжение питания не выпрыгивало при работе двигателя в генераторном режиме) на каждый канал и все будет отлично работать. Можно и один на все каналы.
В L297 это есть.И ещё вопрос, в этом контроллере есть режим удержания двигателей?
