3axLPT контроллер

Контроллеры, драйверы, датчики, управляющие устройства.
Rayne
Новичок
Сообщения: 19
Зарегистрирован: 09 окт 2011, 19:25
Репутация: 0
Контактная информация:

3axLPT контроллер

Сообщение Rayne »

Привет, решил заняться станкостроением и возникли вопросы по электронике.
Вот нашёл схему 3х осевого контроллера:
1.png (8150 просмотров) <a class='original' href='./download/file.php?id=3068&mode=view' target=_blank>Загрузить оригинал (145.23 КБ)</a>
В таблице расписано назначения выводов LPT разъёма:
2.png (8150 просмотров) <a class='original' href='./download/file.php?id=3069&mode=view' target=_blank>Загрузить оригинал (62.44 КБ)</a>
В эту схему хочу добавить ещё 2 аналогичные оси, и задействовать выводы, которые не используются, например 13, 14 и 15, 16.
Можно так сделать? И будет ли оно работать с программой EMC2?
aftaev
Зачётный участник
Зачётный участник
Сообщения: 34042
Зарегистрирован: 04 апр 2010, 19:22
Репутация: 6194
Откуда: Казахстан.
Контактная информация:

Re: 3axLPT контроллер

Сообщение aftaev »

дешевше будет купить нормальный контроллер.
Дилетанту сложные вещи кажутся очень простыми, и только профессионал понимает насколько сложна самая простая вещь
Кто хочет - ищет возможности, кто не хочет - ищет оправдание.
Найди работу по душе и тебе не придется работать.
Гость

Re: 3axLPT контроллер

Сообщение Гость »

aftaev писал(а):дешевше будет купить нормальный контроллер.
А какой есть "нормальный" контроллер?
У меня есть новая схема и плата контроллера 3axLPT. Вообще он продается здесь http://imafania.narod.ru/contr1.htm
Так что если нужна схема и плата, то пишите в личку.
Аватара пользователя
Nick
Мастер
Сообщения: 22776
Зарегистрирован: 23 ноя 2009, 16:45
Репутация: 1735
Заслуга: Developer
Откуда: Gatchina, Saint-Petersburg distr., Russia
Контактная информация:

Re: 3axLPT контроллер

Сообщение Nick »

46В 2А Это конечно хорошо, но какое для этого нужно будет охлаждение, плюс какой двигатель будет выдавать такие характеристики? Ну и опять же не решены проблемы резонанса и тому подобные.

По контроллеру, все зависит от задачи и двигателя. Что за станок? Какие параметры ускорения/скорости => какой нужен момент на двигателях
_taras_
Мастер
Сообщения: 546
Зарегистрирован: 16 мар 2011, 15:19
Репутация: 69
Контактная информация:

Re: 3axLPT контроллер

Сообщение _taras_ »

Контроллер и драйвер двигателей лучше сделать отдельнымми платами. Если нужно, то печаткой и схемой могу поделиться
Rayne
Новичок
Сообщения: 19
Зарегистрирован: 09 окт 2011, 19:25
Репутация: 0
Контактная информация:

Re: 3axLPT контроллер

Сообщение Rayne »

Nick писал(а):По контроллеру, все зависит от задачи и двигателя. Что за станок? Какие параметры ускорения/скорости => какой нужен момент на двигателях
Станок делаю для гравировки и фрезеровки мягких материалов, параметры скорости не очень важны.
Nick писал(а):46В 2А Это конечно хорошо, но какое для этого нужно будет охлаждение, плюс какой двигатель будет выдавать такие характеристики?
Двигатели планирую использовать слабее, у меня есть дш-0,04а вот только смущает в его характеристиках номинальный вращающий момент 4x10^-3 Нм. Подойдёт этот двигатель для таких задач, если использовать редуктор?
_taras_ писал(а):Если нужно, то печаткой и схемой могу поделиться
Очень нужно :)
_taras_
Мастер
Сообщения: 546
Зарегистрирован: 16 мар 2011, 15:19
Репутация: 69
Контактная информация:

Re: 3axLPT контроллер

Сообщение _taras_ »

Это вдержка из форума где обсуждались эти платы. В основном посвящена замене деталей
при сборке драйверов на ТА 8435 Н от космодрома собираюсь использовать вместо
штатных по схеме SF24
Посути одно и тоже. Буду тработать на пределе возможностей и те и другие. А если
индуктивность обмоток большая могут и пыхнуть.

ем можно заменить TMA-0505 ??? Пост №104 AM1D-0505SZ
я заменил на
DC-DC CONVERTER
V1-0505SS
MOTIEN
А я поставил конвертер P6CU-0505ELF. По размерам, выводам полностью совпадает. А
вот напряжение на выходе 6.7В. Почему такое может быть? ПРичем это у двух
конвертеров, что у меня есть. По даташиту отклонение 5%.

Serbond #248
стабилизатор 7805 лучше заменить на LM317/217/117 и между выходом и землей
поставить резисторный делитель с номиналами 330 Ом и 2 кОм последний лучше
подстроечный.
Для 7805 оптимальним есть напряжение 8-9в, до 12В, 24-30В многовато...
tytar вне форума

Друзя как уже писалась ТМА0505 можно заменить на AM1D-0505sz, P6CU-0505ELF они
болле доступные.
Вложения
Схема драйвера (7920 просмотров) <a class='original' href='./download/file.php?id=3434&mode=view' target=_blank>Загрузить оригинал (49.26 КБ)</a>
Схема драйвера
схема опторазвязки (7920 просмотров) <a class='original' href='./download/file.php?id=3435&mode=view' target=_blank>Загрузить оригинал (64.32 КБ)</a>
схема опторазвязки
LPT_Cont_Dip.lay.zip
Разводка п/п в спринте
(61.7 КБ) 924 скачивания
VShaclein
Опытный
Сообщения: 183
Зарегистрирован: 25 авг 2008, 11:36
Репутация: -47
Контактная информация:

Re: 3axLPT контроллер

Сообщение VShaclein »

_taras_ писал(а):стабилизатор 7805 лучше заменить на LM317/217/117 и между выходом и землей
поставить резисторный делитель с номиналами 330 Ом и 2 кОм последний лучше
подстроечный.
А можете объяснить, почему ?
_taras_
Мастер
Сообщения: 546
Зарегистрирован: 16 мар 2011, 15:19
Репутация: 69
Контактная информация:

Re: 3axLPT контроллер

Сообщение _taras_ »

Если для драайвера, то можно не тянуть питание от оптразвяки, а питать от БП напрямую. Тогда вроде меньше помех идет по линиям шаг-направление. В п/п стабилизатор стоит.
VShaclein
Опытный
Сообщения: 183
Зарегистрирован: 25 авг 2008, 11:36
Репутация: -47
Контактная информация:

Re: 3axLPT контроллер

Сообщение VShaclein »

Давайте еще раз, почему:
317 лучше чем 7805
дополнительные резисторы лучше чем без них
330 и 2к (10V на выходе), а не 330 и 1к (5V на выходе)
подстроечник (помехи, выбросы и потенциальная возможность руками накрутить до 10V), а не постоянный резистор (без всех этих "прелестей")
Аватара пользователя
Nick
Мастер
Сообщения: 22776
Зарегистрирован: 23 ноя 2009, 16:45
Репутация: 1735
Заслуга: Developer
Откуда: Gatchina, Saint-Petersburg distr., Russia
Контактная информация:

Re: 3axLPT контроллер

Сообщение Nick »

Rayne писал(а):Двигатели планирую использовать слабее, у меня есть дш-0,04а вот только смущает в его характеристиках номинальный вращающий момент 4x10^-3 Нм. Подойдёт этот двигатель для таких задач, если использовать редуктор?
ИМХО движок слабоват. Если поставишь редуктор, тогда скорость перемещения совсем упадет. А каких размеров будет станок, и что конкретно планируешь обрабатывать?
_taras_
Мастер
Сообщения: 546
Зарегистрирован: 16 мар 2011, 15:19
Репутация: 69
Контактная информация:

Re: 3axLPT контроллер

Сообщение _taras_ »

VShaclein писал(а):
* Пожаловаться на это сообщение
* Ответить с цитатой

Re: 3axLPT контроллер

#10 UNREAD_POST VShaclein » Сегодня, 12:44
Давайте еще раз, почему:
317 лучше чем 7805
дополнительные резисторы лучше чем без них
330 и 2к (10V на выходе), а не 330 и 1к (5V на выходе)
подстроечник (помехи, выбросы и потенциальная возможность руками накрутить до 10V), а не постоянный резистор (без всех этих "прелестей")
Дискуссию уж не помню. Н почитать её можно http://forum.rcdesign.ru/f110/thread123955.html
Rayne
Новичок
Сообщения: 19
Зарегистрирован: 09 окт 2011, 19:25
Репутация: 0
Контактная информация:

Re: 3axLPT контроллер

Сообщение Rayne »

_taras_ спасибо за схему, но всё же вариант 3axLPT контроллера мне больше нравится, наверное буду его делать.
Nick писал(а):ИМХО движок слабоват. Если поставишь редуктор, тогда скорость перемещения совсем упадет. А каких размеров будет станок, и что конкретно планируешь обрабатывать?
Ну на это и рассчитываю, упадет скорость - увеличится момент. Начал собирать основание, размер получился 40х42 см. Обрабатывать планирую пластик, оргстекло, дерево.
Аватара пользователя
Nick
Мастер
Сообщения: 22776
Зарегистрирован: 23 ноя 2009, 16:45
Репутация: 1735
Заслуга: Developer
Откуда: Gatchina, Saint-Petersburg distr., Russia
Контактная информация:

Re: 3axLPT контроллер

Сообщение Nick »

А чем будешь резать? Какой фрезер? От этого зависит рекомендуемая скорость подачи.
Rayne
Новичок
Сообщения: 19
Зарегистрирован: 09 окт 2011, 19:25
Репутация: 0
Контактная информация:

Re: 3axLPT контроллер

Сообщение Rayne »

У меня есть такой гравер, думаю его использовать.
Описание (для просмотра содержимого нажмите на ссылку)
Гравер PT 1403A (прямая шлифмашинка) – это многофункциональный инструмент предназначенный для проведения миниатюрных работ. Сфера применения гравера очень широка, им можно выполнять шлифовальные работы, зачистные и фрезеровальные работы, гравирование и сверление, а еще можно затачивать и отрезать. Большое преимущество гравера то, что все перечисленные виды работ можно выполнять с деталями очень маленького размера, что нельзя выполнить другим инструментом.
Аватара пользователя
Nick
Мастер
Сообщения: 22776
Зарегистрирован: 23 ноя 2009, 16:45
Репутация: 1735
Заслуга: Developer
Откуда: Gatchina, Saint-Petersburg distr., Russia
Контактная информация:

Re: 3axLPT контроллер

Сообщение Nick »

ну тогда нормально - с ним на больших скоростях не по работаешь.
Rayne
Новичок
Сообщения: 19
Зарегистрирован: 09 окт 2011, 19:25
Репутация: 0
Контактная информация:

Re: 3axLPT контроллер

Сообщение Rayne »

Наконец-то вернулся к работе над станком. Начинаю разводку платы, хочу добавить к ней световую индикацию на питание, и на работу каждой оси. Подскажите куда подключить светодиоды?
Аватара пользователя
Nick
Мастер
Сообщения: 22776
Зарегистрирован: 23 ноя 2009, 16:45
Репутация: 1735
Заслуга: Developer
Откуда: Gatchina, Saint-Petersburg distr., Russia
Контактная информация:

Re: 3axLPT контроллер

Сообщение Nick »

Насколько я понимаю, можно хоть прямо к пинам LPT...
Rayne
Новичок
Сообщения: 19
Зарегистрирован: 09 окт 2011, 19:25
Репутация: 0
Контактная информация:

Re: 3axLPT контроллер

Сообщение Rayne »

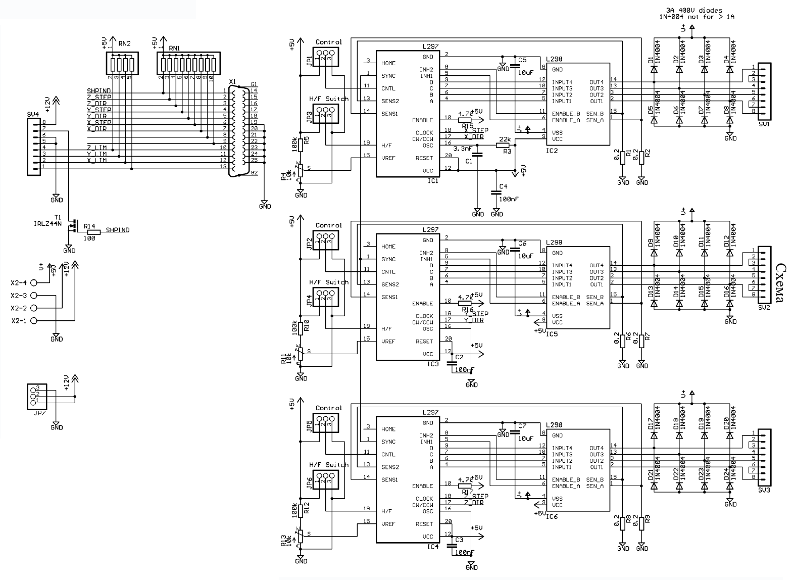
Вот что у меня получилось:
(надеюсь ошибок не много)
5axlpt_c1-wc_v0.1-.png (6890 просмотров) <a class='original' href='./download/file.php?id=5274&mode=view' target=_blank>Загрузить оригинал (811.01 КБ)</a>
5axlpt_c1-wc_v0.11-.png (6890 просмотров) <a class='original' href='./download/file.php?id=5275&mode=view' target=_blank>Загрузить оригинал (467.3 КБ)</a>
И ещё вопрос, в этом контроллере есть режим удержания двигателей?
Impartial
Мастер
Сообщения: 953
Зарегистрирован: 23 фев 2011, 01:50
Репутация: 36
Контактная информация:

Re: 3axLPT контроллер

Сообщение Impartial »

Красиво!
Добавь на всякий случай гасящий снаббер (для того, чтобы напряжение питания не выпрыгивало при работе двигателя в генераторном режиме) на каждый канал и все будет отлично работать. Можно и один на все каналы.
И ещё вопрос, в этом контроллере есть режим удержания двигателей?
В L297 это есть.
Ответить

Вернуться в «Электроника»