Замена коллекторного двигателя в стабилизаторе на шаговый

Общие вопросы станкостроения и организиции труда.
bibi
Новичок
Сообщения: 8
Зарегистрирован: 29 ноя 2016, 14:25
Репутация: 2
Контактная информация:

Замена коллекторного двигателя в стабилизаторе на шаговый

Сообщение bibi »

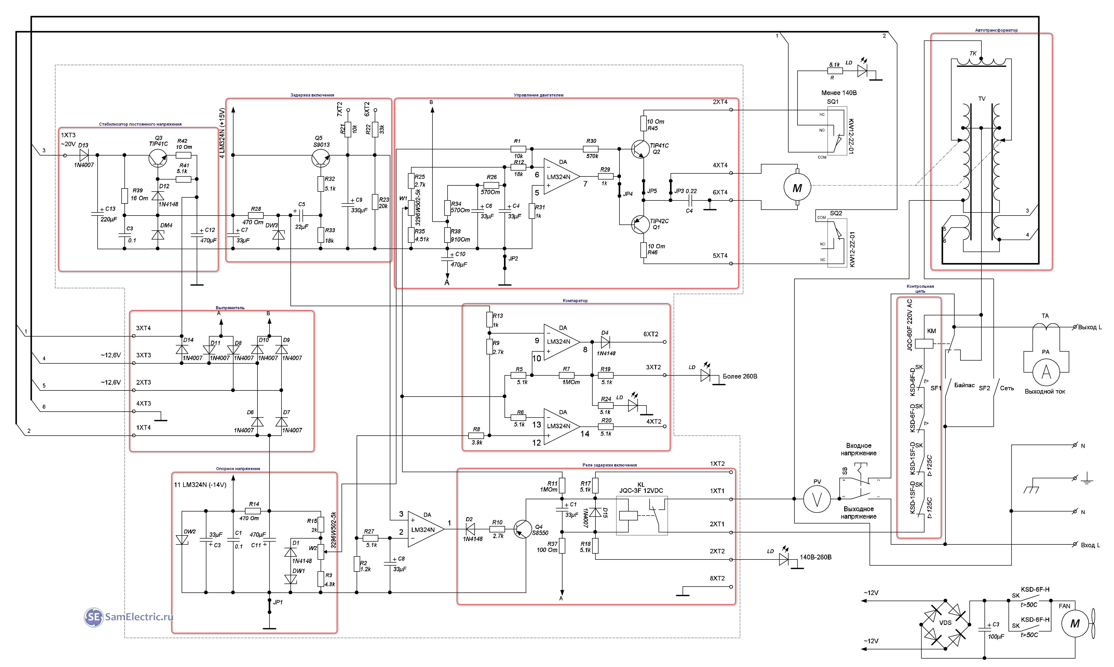
Для питания всего оборудования в цеху используется электромеханический стабилизатор Ресанта АСН-10000/1-ЭМ. Аппарат вполне справляется, если бы не главная его беда - коллекторный двигатель привода токосъемника автотрансформатора. А т.к. сеть в нашей промзоне не стабильна ни на минуту, из-за высокой скорости износа щеточного узла коллекторного двигателя (качество двигателей отвратное да и схемное решение "помогает"), двигатель часто приходиться снимать, чистить, щетки "оживлять" и т.д., а то и просто менять, что уже порядком надоело... Кардинальным решением этой проблемы видится замена коллекторного двигателя привода на шаговый. Возможное удорожание такого решения, по сравнению с простой заменой "убитого" двигателя на аналогичный новый (или более качественный коллекторный), в расчет пока не берем. Вопросы механического сопряжения, скорости реакции, достаточности усилия на валу ШД также оставим пока в сторонке. На картинках "родной" двигатель с редуктором (ZYT520) и схема стабилизатора. В таком варианте коллекторный двигатель вращается приложенным к нему постоянным напряжением изменяемой полярности 0-12V (V зависит от величины, а полярность от "направления" между текущим и необходимым на выходе V стабилизатора).

Нужна схема подключения ШД (или любой готовый "заводской" драйвер, который можно включить нужным образом), которая бы включала двигатель при превышении определенного предела (к примеру 2-3V) управляющего V на входе драйвера, со сменой направление вращения ШД в зависимости от полярности этого напряжения.
Вложения
Shema-elektricheskaya-Resanta-10000-[1].gif (3266 просмотров) <a class='original' href='./download/file.php?id=96140&mode=view' target=_blank>Загрузить оригинал (304.32 КБ)</a>
servodc12v_409[1].jpg (3266 просмотров) <a class='original' href='./download/file.php?id=96141&mode=view' target=_blank>Загрузить оригинал (29.1 КБ)</a>
arkhnchul
Мастер
Сообщения: 1773
Зарегистрирован: 01 фев 2016, 13:56
Репутация: 339
Откуда: москва
Контактная информация:

Re: Замена коллекторного двигателя в стабилизаторе на шаговы

Сообщение arkhnchul »

в первом приближении - взять обычный драйвер шаговика, управляющее напряжение пустить просто через диод на вход dir, так же от него запускать простенький генератор меандра на 555 таймере, выход которого путить на вход step.
bibi
Новичок
Сообщения: 8
Зарегистрирован: 29 ноя 2016, 14:25
Репутация: 2
Контактная информация:

Re: Замена коллекторного двигателя в стабилизаторе на шаговы

Сообщение bibi »

DIR у нас ведь логическая штука, - есть +5V крутимся "туда", нет +5V - "обратно"... Т.е. когда плата управления стабилизатора будет выдавать, к примеру, +3V с "требованием" к коллекторному двигателю крутить токосъемник, пусть и не очень быстро, но "туда", драйвер будет считать, что крутить необходимо как раз-таки обратно, т.к. необходимой логической единицы (+5V) на DIR нет!))
arkhnchul
Мастер
Сообщения: 1773
Зарегистрирован: 01 фев 2016, 13:56
Репутация: 339
Откуда: москва
Контактная информация:

Re: Замена коллекторного двигателя в стабилизаторе на шаговы

Сообщение arkhnchul »

неа. Нулем считается не отсутствие +5V, а напряжение ниже порога низкого уровня, единицей - выше порога высокого уровня (смотреть в даташите что-то вроде low-level и high-level threshold voltage). Вот сейчас открыл первый попавшийся - порог низкого 0.8В, высокого 1.2В.
Если будет плохо работать через диод из-за несовпадающих уровней - транзисторный ключ наш товарищ)
aftaev
Зачётный участник
Зачётный участник
Сообщения: 34042
Зарегистрирован: 04 апр 2010, 19:22
Репутация: 6194
Откуда: Казахстан.
Контактная информация:

Re: Замена коллекторного двигателя в стабилизаторе на шаговы

Сообщение aftaev »

Есть драйвера с аналоговым управлением http://darxton.ru/catalog_item/drayver- ... iem-0-5-v/
Дилетанту сложные вещи кажутся очень простыми, и только профессионал понимает насколько сложна самая простая вещь
Кто хочет - ищет возможности, кто не хочет - ищет оправдание.
Найди работу по душе и тебе не придется работать.
arkhnchul
Мастер
Сообщения: 1773
Зарегистрирован: 01 фев 2016, 13:56
Репутация: 339
Откуда: москва
Контактная информация:

Re: Замена коллекторного двигателя в стабилизаторе на шаговы

Сообщение arkhnchul »

удобно, но один этот драйвер стоит как половина рекомого стабилизатора)
Duhas
Мастер
Сообщения: 1961
Зарегистрирован: 10 окт 2015, 23:25
Репутация: 285
Настоящее имя: Андрей
Откуда: Красноярск
Контактная информация:

Re: Замена коллекторного двигателя в стабилизаторе на шаговы

Сообщение Duhas »

вам надо из двуполярногол от -12 до 12 получить шаг направление, я правильно понимаю?

одним компаратором получаем направление, + как тут советовали можно на таймере или еще чем генератор шагов сделать... ищите электронщика, тут работы не шибко много.
Аватара пользователя
Serg
Мастер
Сообщения: 21923
Зарегистрирован: 17 апр 2012, 14:58
Репутация: 5183
Заслуга: c781c134843e0c1a3de9
Настоящее имя: Сергей
Откуда: Москва
Контактная информация:

Re: Замена коллекторного двигателя в стабилизаторе на шаговы

Сообщение Serg »

Направление получаем обычным диодом, ну может плюс ещё ключ на транзисторе, генератор управляемый напряжением покупается готовый на ебей баксов за 10.
Я не Христос, рыбу не раздаю, но могу научить, как сделать удочку...
Аватара пользователя
Сергей Саныч
Мастер
Сообщения: 9116
Зарегистрирован: 30 май 2012, 14:20
Репутация: 2858
Откуда: Тюмень
Контактная информация:

Re: Замена коллекторного двигателя в стабилизаторе на шаговы

Сообщение Сергей Саныч »

UAVpilot писал(а):Направление получаем обычным диодом, ну может плюс ещё ключ на транзисторе, генератор управляемый напряжением покупается готовый на ебей баксов за 10.
Нужна еще схемка, которая выдает абсолютное значение напряжения (на ОУ делается легко).
Хотя, с учетом всех наворотов, уже начинает проситься МК с АЦП.
Чудес не бывает. Бывают фокусы.
Аватара пользователя
Serg
Мастер
Сообщения: 21923
Зарегистрирован: 17 апр 2012, 14:58
Репутация: 5183
Заслуга: c781c134843e0c1a3de9
Настоящее имя: Сергей
Откуда: Москва
Контактная информация:

Re: Замена коллекторного двигателя в стабилизаторе на шаговы

Сообщение Serg »

Думаешь банальный диодный мост не поможет?..
Я не Христос, рыбу не раздаю, но могу научить, как сделать удочку...
Аватара пользователя
Сергей Саныч
Мастер
Сообщения: 9116
Зарегистрирован: 30 май 2012, 14:20
Репутация: 2858
Откуда: Тюмень
Контактная информация:

Re: Замена коллекторного двигателя в стабилизаторе на шаговы

Сообщение Сергей Саныч »

UAVpilot писал(а):Думаешь банальный диодный мост не поможет?..
Если ПНЧ делать отвязанным от земли схемы, с отдельным питанием, то можно и мост.
С учетом этого - с ОУ проще.
Последний раз редактировалось Сергей Саныч 30 ноя 2016, 11:44, всего редактировалось 1 раз.
Чудес не бывает. Бывают фокусы.
Аватара пользователя
Serg
Мастер
Сообщения: 21923
Зарегистрирован: 17 апр 2012, 14:58
Репутация: 5183
Заслуга: c781c134843e0c1a3de9
Настоящее имя: Сергей
Откуда: Москва
Контактная информация:

Re: Замена коллекторного двигателя в стабилизаторе на шаговы

Сообщение Serg »

Для драйвера шаговика наверняка будет отдельный БП - просто "подвесить" его, драйвер и ГУН над землёй.
Ну или тупо применить двунаправленную аналоговую оптопару...
Я не Христос, рыбу не раздаю, но могу научить, как сделать удочку...
Аватара пользователя
Сергей Саныч
Мастер
Сообщения: 9116
Зарегистрирован: 30 май 2012, 14:20
Репутация: 2858
Откуда: Тюмень
Контактная информация:

Re: Замена коллекторного двигателя в стабилизаторе на шаговы

Сообщение Сергей Саныч »

UAVpilot писал(а):или тупо применить двунаправленную аналоговую оптопару...
Как вариант - да. Великая точность тут не нужна.
О! Лампочка + фоторезистор в частотозадающей цепи. Запас по току для лампочки есть, раз уж коллекторный движок крутили :)
Чудес не бывает. Бывают фокусы.
Аватара пользователя
solo
Мастер
Сообщения: 1374
Зарегистрирован: 20 окт 2011, 18:39
Репутация: 272
Настоящее имя: Юрий Соловьев
Откуда: Украина Харьков
Контактная информация:

Re: Замена коллекторного двигателя в стабилизаторе на шаговы

Сообщение solo »

а если выход компаратора через мост подать на преобразователь напряжение - частота
Re: Генератор импульсов для электроэрозионной обработки #28 и прилепить к выводу степ драйвера шд
а вывод дир драйвера ШД прилепить к одному из плечей компаратора
Аватара пользователя
raddd
Почётный участник
Почётный участник
Сообщения: 1564
Зарегистрирован: 10 фев 2015, 08:50
Репутация: 540
Настоящее имя: Alexey Rodionov
Откуда: Беларусь Минский р-н
Контактная информация:

Re: Замена коллекторного двигателя в стабилизаторе на шаговы

Сообщение raddd »

Я думаю тех же 50 Герц полуволны хватит вместо генератора импульсов.
||||||||||||
||||||||||||
Аватара пользователя
solo
Мастер
Сообщения: 1374
Зарегистрирован: 20 окт 2011, 18:39
Репутация: 272
Настоящее имя: Юрий Соловьев
Откуда: Украина Харьков
Контактная информация:

Re: Замена коллекторного двигателя в стабилизаторе на шаговы

Сообщение solo »

raddd писал(а):Я думаю тех же 50 Герц полуволны хватит вместо генератора импульсов.
если взять сигнал выхода компаратора то мы получаем сигнал управления меняющийся пропорциональный рассогласованию , да и еще не маловажно если на выходе компаратора "0" то и сигнал степ не генерится и ШД не вращается , как по мне решается сразу несколько проблем
Аватара пользователя
Serg
Мастер
Сообщения: 21923
Зарегистрирован: 17 апр 2012, 14:58
Репутация: 5183
Заслуга: c781c134843e0c1a3de9
Настоящее имя: Сергей
Откуда: Москва
Контактная информация:

Re: Замена коллекторного двигателя в стабилизаторе на шаговы

Сообщение Serg »

50 герц может нехватить для нужной скорости регулировки выхода, или наоборот будет слишком много - будет постоянно промахиваться, возвращаться, снова промахиваться...
Я не Христос, рыбу не раздаю, но могу научить, как сделать удочку...
Аватара пользователя
ALS
Опытный
Сообщения: 159
Зарегистрирован: 15 ноя 2013, 01:46
Репутация: 161
Откуда: Севастополь
Контактная информация:

Re: Замена коллекторного двигателя в стабилизаторе на шаговы

Сообщение ALS »

bibi
могу собрать схему на МК, будет не задаром, но и дешевле, чем покупать "специально обученный" драйвер.
Все нужные параметры (порог включения, частоту STEP) можно устанавливать DIP-переключателями.
Аватара пользователя
AndyBig
Мастер
Сообщения: 3971
Зарегистрирован: 07 мар 2014, 04:01
Репутация: 1121
Откуда: юг России
Контактная информация:

Re: Замена коллекторного двигателя в стабилизаторе на шаговы

Сообщение AndyBig »

На МК проще всего, и универсальнее :)
ALS писал(а):Все нужные параметры (порог включения, частоту STEP) можно устанавливать DIP-переключателями.
Лучше потенциометрами, мне кажется.
bibi
Новичок
Сообщения: 8
Зарегистрирован: 29 ноя 2016, 14:25
Репутация: 2
Контактная информация:

Re: Замена коллекторного двигателя в стабилизаторе на шаговы

Сообщение bibi »

aftaev писал(а):Есть драйвера с аналоговым управлением http://darxton.ru/catalog_item/drayver- ... iem-0-5-v/
)) Я эти драйвера, управляемые аналоговыми сигналами, уже рассматривал, перед тем как эту тему создавать. Но, во первых, цена, на самом деле, уж очень не гуманная, и реверс и них включается не через 0, а через +2,5V, т.е. 0-2,5<>2,5-5
ALS писал(а):bibi
могу собрать схему на МК, будет не задаром, но и дешевле, чем покупать "специально обученный" драйвер...
Сколько денех?)
Вообще, коллекторный двигатель привода токосъемника, это самая "больная" тема для всех подобных электромеханических стабилизаторов, т.к. схемотехника у всех примерно одна. Всем они хороши, и даже сам щеточный токосъемник является не такой уж большой проблемой как кажется и может годами работать без обслуживания. Но эти китайские одноразовые игрушечные коллекторные моторчики привода, - полная жΩпа... Так что если получиться найти подходящее и недорогое решение на базе ШД, многие огромное спасибо скажут...))
Последний раз редактировалось bibi 30 ноя 2016, 17:02, всего редактировалось 1 раз.
Ответить

Вернуться в «Общие вопросы»