помогите с концевиками.

Mach, популярные и не очень CAD, CAM. Обсуждение и разработка программ для управления станками.
Erch_84
Кандидат
Сообщения: 88
Зарегистрирован: 03 дек 2015, 13:03
Репутация: 1
Настоящее имя: Сергей
Контактная информация:

помогите с концевиками.

Сообщение Erch_84 »

Приветствую.
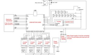
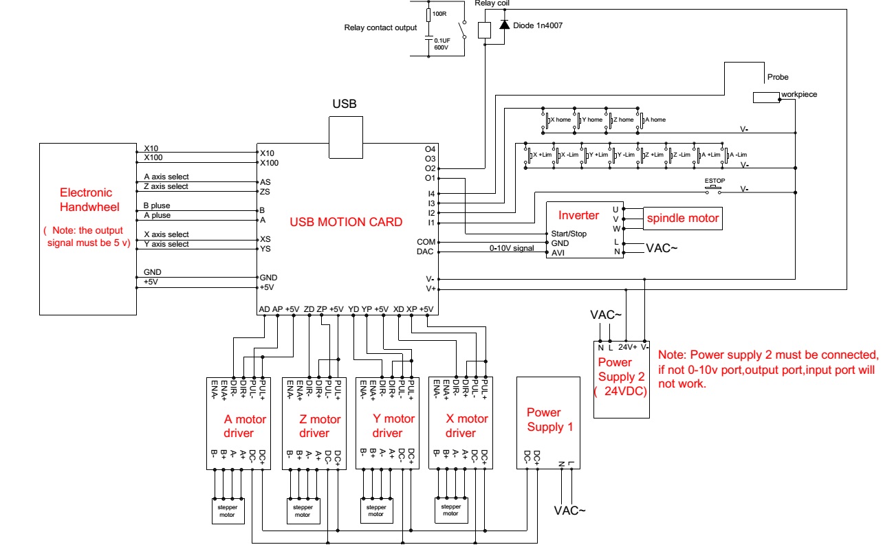
Подключил концевики (индуктивные нормально разомкнутые) по схеме ниже

при наезде на концевик станок стоит как вкопанный настройки такие
как их настроить, что бы станок не блокировался. Заранее спасибо.
Вложения
1.jpg (11888 просмотров) <a class='original' href='./download/file.php?id=94072&mode=view' target=_blank>Загрузить оригинал (173.96 КБ)</a>
2.jpg (11888 просмотров) <a class='original' href='./download/file.php?id=94073&mode=view' target=_blank>Загрузить оригинал (159.31 КБ)</a>
aftaev
Зачётный участник
Зачётный участник
Сообщения: 34042
Зарегистрирован: 04 апр 2010, 19:22
Репутация: 6194
Откуда: Казахстан.
Контактная информация:

Re: помогите с концевиками.

Сообщение aftaev »

В Mach3 открой эту вкладку
Изображение

и подведи железку к датчикам чтоб сработали и посмотри на пины.
Дилетанту сложные вещи кажутся очень простыми, и только профессионал понимает насколько сложна самая простая вещь
Кто хочет - ищет возможности, кто не хочет - ищет оправдание.
Найди работу по душе и тебе не придется работать.
Erch_84
Кандидат
Сообщения: 88
Зарегистрирован: 03 дек 2015, 13:03
Репутация: 1
Настоящее имя: Сергей
Контактная информация:

Re: помогите с концевиками.

Сообщение Erch_84 »

Сработали вот эти пины
Вложения
3.jpg (11860 просмотров) <a class='original' href='./download/file.php?id=94105&mode=view' target=_blank>Загрузить оригинал (337.69 КБ)</a>
Аватара пользователя
Din
Мастер
Сообщения: 314
Зарегистрирован: 22 янв 2014, 15:01
Репутация: 89
Настоящее имя: Саша
Откуда: Москва
Контактная информация:

Re: помогите с концевиками.

Сообщение Din »

В Active Low вроде как должны быть галки,а не крестики у подключенных датчиков.
Аватара пользователя
verser
Мастер
Сообщения: 1903
Зарегистрирован: 21 июл 2013, 22:28
Репутация: 1282
Настоящее имя: Сергей
Откуда: Тбилиси
Контактная информация:

Re: помогите с концевиками.

Сообщение verser »

Это если датчики нормально-замкнутые. У ТС они нормально-разомкнутые.
Аватара пользователя
Din
Мастер
Сообщения: 314
Зарегистрирован: 22 янв 2014, 15:01
Репутация: 89
Настоящее имя: Саша
Откуда: Москва
Контактная информация:

Re: помогите с концевиками.

Сообщение Din »

Получается что если датчик нормальнозамкнутый,то в Active Low надо ставить галку?
Но с ней датчик почему-то не захотел работать,а вот нормальноразомкнутый пашет :thinking:
Буквально вчера с датчиками развлекался.
sertix
Мастер
Сообщения: 627
Зарегистрирован: 07 май 2011, 09:06
Репутация: 138
Настоящее имя: Сергей
Контактная информация:

Re: помогите с концевиками.

Сообщение sertix »

Mach под рукой сейчас нет, но там есть авто настройка входящих сигналов, смотрите справку по настойкам. Суть такова
в настройках выбираем пункт Input Signals
2015-04-26 06-32-16 Скриншот экрана.png (11819 просмотров) <a class='original' href='./download/file.php?id=94130&mode=view' target=_blank>Загрузить оригинал (492.81 КБ)</a>
Далее делаем так:
2015-04-26 06-32-49 Скриншот экрана.png (11819 просмотров) <a class='original' href='./download/file.php?id=94131&mode=view' target=_blank>Загрузить оригинал (546.35 КБ)</a>
Изображение
Erch_84
Кандидат
Сообщения: 88
Зарегистрирован: 03 дек 2015, 13:03
Репутация: 1
Настоящее имя: Сергей
Контактная информация:

Re: помогите с концевиками.

Сообщение Erch_84 »

Пробовал, пины определились теже, что я сам проставлял. Концевики работают, станок останавливается, но после остановки он стопорится и сдвинуть его можно только если механически отодвинуть концевик от пластины, как сделать , чтобы при наезде на датчик станок автоматом отъезжал назад на заданное расстояние как на этом видео
https://www.youtube.com/watch?v=N8y_X4g1mos
sertix
Мастер
Сообщения: 627
Зарегистрирован: 07 май 2011, 09:06
Репутация: 138
Настоящее имя: Сергей
Контактная информация:

Re: помогите с концевиками.

Сообщение sertix »

Повторяю Mach под рукой нет, читайте хелп! Эта система наиболее разжевана и в русском и иностранном инете! Зайдите в настройки лимитов и установите расстояние на сколько система должна съезжать с концевиков при наезде на них!
Изображение
Erch_84
Кандидат
Сообщения: 88
Зарегистрирован: 03 дек 2015, 13:03
Репутация: 1
Настоящее имя: Сергей
Контактная информация:

Re: помогите с концевиками.

Сообщение Erch_84 »

Я извиняюсь конечно, но где тут чего прописывать
Вложения
4.jpg (11806 просмотров) <a class='original' href='./download/file.php?id=94147&mode=view' target=_blank>Загрузить оригинал (96.71 КБ)</a>
Аватара пользователя
FLUKE
Мастер
Сообщения: 843
Зарегистрирован: 11 мар 2013, 21:18
Репутация: 187
Настоящее имя: Сергей
Откуда: Смоленск
Контактная информация:

Re: помогите с концевиками.

Сообщение FLUKE »

В маке есть два типа концевиков: аварийные и для поиска дома.
При срабатывании аварийных станок должен останавливаться "колом" и срабатывать РЕСЕТ в маке, отключаться сигнал ЭНЕЙБЛ, движки бросать удержание. При нажатии на ресет, включается енейбл, движки встают в удержание, можно съехать с концевика програмно. Если ресет не нажимать, ось можно отодвинуть руками.
Домашние концевики используются для поиска дома, после их срабатывания можно отъехать куда угодно (при этом мак игнорирует аварийные концевики).
Как настроено у вас, используется ли сигнал энейбл, бросают ли движки удержание, настроены ли софтлимиты и что там ещё не могу увидеть, шар для ясновидения не работает, сильный снегопад у нас.
Erch_84
Кандидат
Сообщения: 88
Зарегистрирован: 03 дек 2015, 13:03
Репутация: 1
Настоящее имя: Сергей
Контактная информация:

Re: помогите с концевиками.

Сообщение Erch_84 »

Причем тут шар для ясновидения , у меня аварийные концевики и как я писал при наезде на них станок встает колом и съехать с него не возможно пока не открутишь пластину, я пытаюсь узнать, куда и чего прописать, чтобы при наезде на концевик станок отъезжел на заданное расстояние
sertix
Мастер
Сообщения: 627
Зарегистрирован: 07 май 2011, 09:06
Репутация: 138
Настоящее имя: Сергей
Контактная информация:

Re: помогите с концевиками.

Сообщение sertix »

Ответь на простые вопросы и шар не нужен будет:
1) сколько у тебя осей?
2) как ориентированы координаты?
3) где и сколько стоит концевиков?
4) как они расписаны во второй картинке первого поста темы?
Изображение
Аватара пользователя
FLUKE
Мастер
Сообщения: 843
Зарегистрирован: 11 мар 2013, 21:18
Репутация: 187
Настоящее имя: Сергей
Откуда: Смоленск
Контактная информация:

Re: помогите с концевиками.

Сообщение FLUKE »

Erch_84 писал(а): у меня аварийные концевики и как я писал при наезде на них станок встает колом и съехать с него не возможно
FLUKE писал(а):При срабатывании аварийных станок должен останавливаться "колом" и срабатывать РЕСЕТ в маке, отключаться сигнал ЭНЕЙБЛ, движки бросать удержание.
У тебя ресет срабатывает? Енейбл подключен вообще? По схеме, что ты выложил, енейбл вообще не задействован. Аварийные концевики срабатывают при аварии, при работе они не используются, чего ты к ним прицепился не понятно. Софтлимиты используются?
Erch_84 писал(а):при наезде на концевик станок отъезжел на заданное расстояние
У тебя станок не должен до концевиков вообще доезжать и тем более отъезжать. Как станок узнает куда ему ехать, когда все концевики у тебя подключены одним проводом???
Erch_84
Кандидат
Сообщения: 88
Зарегистрирован: 03 дек 2015, 13:03
Репутация: 1
Настоящее имя: Сергей
Контактная информация:

Re: помогите с концевиками.

Сообщение Erch_84 »

у меня 3 оси X Y Z, установлено 6 концевиков по 2 на каждую ось все с одного пина (свободных пинов больше нет) при наезде срабатывает ресет и не сбрасывается станок стоит мертво.
And wind
Новичок
Сообщения: 1
Зарегистрирован: 12 ноя 2016, 18:32
Репутация: 0
Настоящее имя: Andrey
Контактная информация:

Re: помогите с концевиками.

Сообщение And wind »

Это твои лимит свич , не номе .
Дави в маче на эту кнопку + сбрось ресет ,перейди в левое первое окно и с клавиатуры стрелками уводи ось от концевика.
Вложения
ports-pins-probe-05.jpg (11740 просмотров) <a class='original' href='./download/file.php?id=94650&mode=view' target=_blank>Загрузить оригинал (129.81 КБ)</a>
NikolayUa24
Мастер
Сообщения: 1407
Зарегистрирован: 31 июл 2013, 20:05
Репутация: 256
Настоящее имя: Николай
Контактная информация:

Re: помогите с концевиками.

Сообщение NikolayUa24 »

Erch_84 писал(а):чтобы при наезде на датчик станок автоматом отъезжал назад на заданное расстояние как на этом видео
Motor Home/SoftLimits
При установке софт лимитов желательно загрузить какую-нибудь УП и нажать кнопочку Дисплей Моде под окном визуализации и появиться пунктирный квадрат\прямоугольник в окне визуализации, это и есть софт лимит в наглядном виде. И когда вы меняете цифры в вкладке Motor Home\Softlimits вы наглядно видите где встали ваши софтлимиты. И самое главное прежде чем устанавливать софлимиты надо установить машинный ноль так как лимиты считаются от машинного ноля.
Мач - хоумы, концевики и лимиты. Подробно. http://cncmasterkit.ru/viewtopic.php?f=5&t=4052
Страдания ведут человека к совершенству.
shantan
Новичок
Сообщения: 2
Зарегистрирован: 13 ноя 2016, 23:17
Репутация: 0
Настоящее имя: Алексей
Контактная информация:

Re: помогите с концевиками.

Сообщение shantan »

Здравствуйте есть проблема которую никак не могу решить у меня по оси Х два двигателя и один индуктивный датчик home так вот на него прописываю home по оси Х и оси А когда портал доезжает до концевика один мотор останавливается а второй продолжает ехать пока снова не сработает этот же концевик помогите пожалуйта как сделать так чтобы при первом срабатывании home X останавливались оба мотора
Аватара пользователя
FLUKE
Мастер
Сообщения: 843
Зарегистрирован: 11 мар 2013, 21:18
Репутация: 187
Настоящее имя: Сергей
Откуда: Смоленск
Контактная информация:

Re: помогите с концевиками.

Сообщение FLUKE »

shantan писал(а):Здравствуйте есть проблема которую никак не могу решить у меня по оси Х два двигателя и один индуктивный датчик home так вот на него прописываю home по оси Х и оси А когда портал доезжает до концевика один мотор останавливается а второй продолжает ехать пока снова не сработает этот же концевик помогите пожалуйта как сделать так чтобы при первом срабатывании home X останавливались оба мотора
Из инструкции:
4.5.5.4 Подключение группы выключателей Баз разных осей вместе
Если вы сильно ограничены в количестве входов в Mach3, то вы можете связать все выключатели баз
на использование одной ИЛИ, и назначить срабатывание всех входов баз на этот сигнал. В этом
случае за один раз вы сможете калибровать только одну ось, так что все кнопки
Принять все (REF All) нужно убрать с экрана. Также, все выключатели Баз должны быть расположены на концах соответствующих осей.
enderukov
Новичок
Сообщения: 8
Зарегистрирован: 04 июл 2016, 11:25
Репутация: 1
Настоящее имя: Александр
Контактная информация:

Re: помогите с концевиками.

Сообщение enderukov »

Я бы сделал так:
Распинову по входам выходам я не смотрел. Не знаю какие у тебя на плате порты и пины.
Но чисто технически по датчикам я бы сделал так:

Если я правильно понял, у тебя 6 датчиков. В начальном и конечном положении по каждой из осей.

Настраиваешь скрипт автоматического поиска домашнего положения:
Operaor -> Edit Button Script.
Начинают моргать кнопки. Нажимаешь на REF ALL HOME.
Открывается редактор, копируешь скрипт, сохраняешь.

DoButton( 24 )
DoButton( 22 )
DoButton( 23 )

DoOEMButton(133)
DoOEMButton(134)
DoOEMButton(135)

Такой скрипт сначала возвращает Z, потом X, потом Y.
Убеждаешься что в диагностике у тебя все датчики не горят и горят в том случае, когда ты прикасаешься железкой к ним (индуктивные как я понял?)

Нажимаешь REF ALL HOME.

Станок начинает ехать в домашнее положении (в 0,0,0 по координатам).

Если какая либо из осей едет не в том направлении идешь в лимиты. (Config -> Homing/Limits) по оси, которая едет не в том направлении по колонке Home Neg меняешь значение (если крестик то галочка и наоборот).

После того, как станок приехал в домашнее положение.
Берешь ось Z и едешь в противоположное крайнее положение, останавливаешься когда тебе кажется, что такое положение является крайним.
Идешь в Homing/Limits выставляешь координату которую запомнил в строку Soft Max, по оси которой измерял.
Так со всеми осями.

Что касается оси Z отличие только в том, что Soft Max и Home Off должны совпадать. Т.к. датчик вероятнее всего в верхнем положении оси, а вот ноль по Z внизу.

Пара ньансов:
1. Убедись, что в Motor Tuning скорости по A совпадают со скоростями оси за которой она следит.
2. В Homing\Limits пределы оси А должны совпадать с пределами оси за которой она следит.

На этом вроде всё. Если есть вопросы - буду рад ответить.

p.s. Также лучше выставить параметр SlowZone. Это расстояние, за которое он будет снижать скорость до датчика. А в параметрах Homing|Limits сделать Soft Min -0.5.
Так как Mach3 допускает небольшие заезды в минус. И в таком случае всё равно будет сбрасываться на ресет.
Ответить

Вернуться в «Windows / Mach»