Проект станка 80W-100W с полем 900х600
- Alex52
- Мастер
- Сообщения: 253
- Зарегистрирован: 13 сен 2012, 22:21
- Репутация: 68
- Настоящее имя: Александр
- Откуда: Нижний Новгород
- Контактная информация:
Проект станка 80W-100W с полем 900х600
Всем привет.
Вот созрел для нового проекта станка уже на СО2.
Увы опыта на таких станках очень мал , но думаю справлюсь.
Первое что нужно так это определиться в выборе комплектующих для механики .
Нашёл вот такие профиля и направляющие. Думаю их мало кто использовал, было бы не плохо
услышать мнение тех кто с ними сталкивался.
Вот созрел для нового проекта станка уже на СО2.
Увы опыта на таких станках очень мал , но думаю справлюсь.
Первое что нужно так это определиться в выборе комплектующих для механики .
Нашёл вот такие профиля и направляющие. Думаю их мало кто использовал, было бы не плохо
услышать мнение тех кто с ними сталкивался.
Последний раз редактировалось Alex52 13 сен 2016, 11:29, всего редактировалось 1 раз.
-
arkhnchul
- Мастер
- Сообщения: 1773
- Зарегистрирован: 01 фев 2016, 13:56
- Репутация: 339
- Откуда: москва
- Контактная информация:
Re: Проект станка 80W с полем 600х600
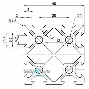
станочный профиль 45 типоразмера и рельсы c каретками mgn12 мало кто использовал?)) профиль как профиль, рельсы как рельсы, чего там такого особенного.Alex52 писал(а):Думаю их мало кто использовал
сразу навскидку - профиль очень жирный для такого размера станка. Имхо перебор, плюс не очнь удобно будет крепиться к его здоровенным сухарям/т-гайкам. Предположу, что лучше взять палки 20 типоразмера 20х40 или 40х40
и чем такое рабочее поле продиктовано? При равной площади имхо предпочтительнее иметь прямоугольник, а не квадрат, чтобы можно было впихивать бОльшие единичные детали
- dima7411
- Почётный участник

- Сообщения: 1055
- Зарегистрирован: 26 янв 2014, 14:06
- Репутация: 337
- Настоящее имя: Дмитрий
- Откуда: Копейск
- Контактная информация:
Re: Проект станка 80W с полем 600х600
Для гравировки, рельсы только по X - самое то. Остальное - валы 10-12-16мм.
Если чисто для резки (маловероятно) вполне достаточно валов 16мм везде.
Для размера 600х600
Чем то же выбор трубы в 80 Вт был обусловлен? Если бюджетом, то как раз должно хватить на 100 Вт. Запас, как говорится... никому не мешает. Иногда даже прям, необходим.
Если чисто для резки (маловероятно) вполне достаточно валов 16мм везде.
Для размера 600х600
arkhnchul писал(а):профиль очень жирный для такого размера станка
Да. Разницы никакой заметно не будет.arkhnchul писал(а):лучше взять палки 20 типоразмера 20х40 или 40х40
Чем то же выбор трубы в 80 Вт был обусловлен? Если бюджетом, то как раз должно хватить на 100 Вт. Запас, как говорится... никому не мешает. Иногда даже прям, необходим.
- Alex52
- Мастер
- Сообщения: 253
- Зарегистрирован: 13 сен 2012, 22:21
- Репутация: 68
- Настоящее имя: Александр
- Откуда: Нижний Новгород
- Контактная информация:
Re: Проект станка 80W с полем 600х600
Профиль был выбран из за паза в 12мм в который удобно монтируется рельс, да и рельсы идут как я понял по 600мм. Эти рельсы и каретки несколько меньше чем hiwin и на порядок дешевле
- ultrus
- Мастер
- Сообщения: 2039
- Зарегистрирован: 09 апр 2013, 05:42
- Репутация: 1329
- Настоящее имя: Юрий
- Откуда: Воронеж
- Контактная информация:
Re: Проект станка 80W с полем 600х600
Такие же рельсы MGN12 Нiwin не на много дешевле. Но и дешёвые китайские ходят нормально. На Али покупать выгоднее получится.Alex52 писал(а):Эти рельсы и каретки несколько меньше чем hiwin и на порядок дешевле
А вот рабочего поля 600х600 с рельсами длиной 600 мм не получится. Да и квадратный станок не удобный в работе.
Сделай нормальный станок 600х900 мм на 2-х рельсах 700 мм - https://ru.aliexpress.com/item/MR12-12m ... 53d916155b
И одном 1000 мм - https://ru.aliexpress.com/item/MR9-12mm ... a4ccb86326
Собирал гравёр на лазерном диоде, покупал такие же рельсы у этого продавца. Ничего, нормально ходят. Там же покупал и ремни со шкивами.
Раму лучше собрать на профилях 40х40 и 40х80: http://soberizavod.ru/catalog/alyuminie ... _serebro_/
Боковины на основании, к которым направляющие крепятся, сделай из профиля 40х80 мм. Головку надо как-то приподнять над столом, рельсы-то совсем низкие.
И трубу крепить к широкому профилю удобнее.
Одно неудобство, сухари под боты М3 крепления профиля придётся самому фрезеровать.
В какой программе чертишь? Если в Солиде, могу кое-какими моделями поделиться.
"Если хочешь сделать что-то хорошо, сделай это сам."
Фердинанд Порше
Фердинанд Порше
- Alex52
- Мастер
- Сообщения: 253
- Зарегистрирован: 13 сен 2012, 22:21
- Репутация: 68
- Настоящее имя: Александр
- Откуда: Нижний Новгород
- Контактная информация:
Re: Проект станка 80W с полем 600х600
Примного блогодарен за дельные рекомендации. Буду переделывать
-
arkhnchul
- Мастер
- Сообщения: 1773
- Зарегистрирован: 01 фев 2016, 13:56
- Репутация: 339
- Откуда: москва
- Контактная информация:
Re: Проект станка 80W с полем 600х600
я для профиля (та и не только) крепежом в этом магазинчике тарюсь - https://www.aliexpress.com/store/838734ultrus писал(а):Одно неудобство, сухари под боты М3 крепления профиля придётся самому фрезеровать.
есть у них M3.
для 20 профиля:
https://www.aliexpress.com/store/produc ... 81362.html
https://www.aliexpress.com/store/produc ... 76749.html
для 40:
https://www.aliexpress.com/store/produc ... 18561.html
- ultrus
- Мастер
- Сообщения: 2039
- Зарегистрирован: 09 апр 2013, 05:42
- Репутация: 1329
- Настоящее имя: Юрий
- Откуда: Воронеж
- Контактная информация:
Re: Проект станка 80W с полем 600х600
Вот инфа по выбору движков, думаю, пригодится: http://www.cnc-club.ru/forum/viewtopic. ... 51#p279039Alex52 писал(а):Буду переделывать
"Если хочешь сделать что-то хорошо, сделай это сам."
Фердинанд Порше
Фердинанд Порше
- Alex52
- Мастер
- Сообщения: 253
- Зарегистрирован: 13 сен 2012, 22:21
- Репутация: 68
- Настоящее имя: Александр
- Откуда: Нижний Новгород
- Контактная информация:
Re: Проект станка 80W с полем 600х600
Черчу в Компасе 13v.
Эти мои рисунки пока только наброски, строго не судите =)
Есть вопросы по комплектующим , интересует механика, что лучше купить что самому сделать?
Эти мои рисунки пока только наброски, строго не судите =)
Есть вопросы по комплектующим , интересует механика, что лучше купить что самому сделать?
- ultrus
- Мастер
- Сообщения: 2039
- Зарегистрирован: 09 апр 2013, 05:42
- Репутация: 1329
- Настоящее имя: Юрий
- Откуда: Воронеж
- Контактная информация:
Re: Проект станка 80W-100W с полем 900х600
Не парься, купи набор. Только найди подешевле. Если надо быстро, то примерно вот такой: https://ru.aliexpress.com/item/Co2-Lase ... f32be2ea62Alex52 писал(а):Есть вопросы по комплектующим , интересует механика, что лучше купить что самому сделать?
Немного подешевле можно найти на ТаоБао, как набор, так и частями. Привезти может Тенгель. Но будет долго. http://www.cnc-club.ru/forum/viewtopic. ... 76#p258238
Обратись к нему, может у него что-то в наличии есть. http://www.cnc-club.ru/forum/viewtopic. ... 139#p69136
"Если хочешь сделать что-то хорошо, сделай это сам."
Фердинанд Порше
Фердинанд Порше
- Alex52
- Мастер
- Сообщения: 253
- Зарегистрирован: 13 сен 2012, 22:21
- Репутация: 68
- Настоящее имя: Александр
- Откуда: Нижний Новгород
- Контактная информация:
Re: Проект станка 80W-100W с полем 900х600
А у Вас есть размеры комплектующих? Мне отрисовать бы в 3D для проекта.ultrus писал(а):Не парься, купи набор. Только найди подешевле. Если надо быстро, то примерно вот такой: https://ru.aliexpress.com/item/Co2-Lase ... f32be2ea62Alex52 писал(а):Есть вопросы по комплектующим , интересует механика, что лучше купить что самому сделать?
Немного подешевле можно найти на ТаоБао, как набор, так и частями. Привезти может Тенгель. Но будет долго. http://www.cnc-club.ru/forum/viewtopic. ... 76#p258238
Обратись к нему, может у него что-то в наличии есть. http://www.cnc-club.ru/forum/viewtopic. ... 139#p69136
- Alex52
- Мастер
- Сообщения: 253
- Зарегистрирован: 13 сен 2012, 22:21
- Репутация: 68
- Настоящее имя: Александр
- Откуда: Нижний Новгород
- Контактная информация:
Re: Проект станка 80W-100W с полем 900х600
Имеется электроника от выжигателя, работает под Масн3. Может на первое время хватит и не стоит
покупать электронику Ruida или аналогичные, первое время будут задачи по раскрою фанеры 3 -4 мм
покупать электронику Ruida или аналогичные, первое время будут задачи по раскрою фанеры 3 -4 мм
- ultrus
- Мастер
- Сообщения: 2039
- Зарегистрирован: 09 апр 2013, 05:42
- Репутация: 1329
- Настоящее имя: Юрий
- Откуда: Воронеж
- Контактная информация:
Re: Проект станка 80W-100W с полем 900х600
Я покупал готовые роликовые линейные направляющие, там немного другие детали. http://www.cnc-club.ru/forum/viewtopic. ... 49&t=11651Alex52 писал(а):А у Вас есть размеры комплектующих? Мне отрисовать бы в 3D для проекта.
"Если хочешь сделать что-то хорошо, сделай это сам."
Фердинанд Порше
Фердинанд Порше
-
arkhnchul
- Мастер
- Сообщения: 1773
- Зарегистрирован: 01 фев 2016, 13:56
- Репутация: 339
- Откуда: москва
- Контактная информация:
Re: Проект станка 80W-100W с полем 900х600
При таком расположении длинных палок каркаса будет весьма неудобно класть листы на стол. Лучше поставьте боковые на них, а не соединяйте в торец, как-то так ЗЫ и на портале рельсу скорее всего будет удобнее расположить сверху - наиболее распространенный на али/ебее тип головы крепится к горизонтальной пластинеAlex52 писал(а):Эти мои рисунки
- Alex52
- Мастер
- Сообщения: 253
- Зарегистрирован: 13 сен 2012, 22:21
- Репутация: 68
- Настоящее имя: Александр
- Откуда: Нижний Новгород
- Контактная информация:
Re: Проект станка 80W-100W с полем 900х600
Где взять размеры комплектующих - редукторов, сопла , держалок и т д? У Продавца запрашивать?
Или сначала купить, а потом проект готовить =)
Или сначала купить, а потом проект готовить =)
-
arkhnchul
- Мастер
- Сообщения: 1773
- Зарегистрирован: 01 фев 2016, 13:56
- Репутация: 339
- Откуда: москва
- Контактная информация:
Re: Проект станка 80W-100W с полем 900х600
да, у продавцов часто есть чертежс размерами хотя бы посадочного места и общих габаритов. Если повезет и наткнетесь на производителя, то в даташитах вероятно и более подробный.
можно (нужно) готовые модели поискать (гугл, https://grabcad.com/library)
можно (нужно) готовые модели поискать (гугл, https://grabcad.com/library)
-
arkhnchul
- Мастер
- Сообщения: 1773
- Зарегистрирован: 01 фев 2016, 13:56
- Репутация: 339
- Откуда: москва
- Контактная информация:
Re: Проект станка 80W-100W с полем 900х600
в таком виде тоже скорее нет, чем да. Нарисуйте стол и предположите, как вы на него будете класть листы (желательно предусмотреть возможность класть длинные куски на пролет, чтобы торчали с обоих сторон станка - стандартный лист фанеры 1520х1520 быстрее перед использованием в качестве заготовки кроить таки на 2 части, а не на 6), и голову на портале, чтобы понять нужную его высоту.
Раз у вас профиль 40 (вроде бы), то боковины, по которым ездит портал, видятся в виде палок 40х80, поставленных на ребро, а все остальное - из 40х40.
Раз у вас профиль 40 (вроде бы), то боковины, по которым ездит портал, видятся в виде палок 40х80, поставленных на ребро, а все остальное - из 40х40.
- ultrus
- Мастер
- Сообщения: 2039
- Зарегистрирован: 09 апр 2013, 05:42
- Репутация: 1329
- Настоящее имя: Юрий
- Откуда: Воронеж
- Контактная информация:
Re: Проект станка 80W-100W с полем 900х600
Ага. И определись, из чего будет сам стол. Из ламелей, уголков или сотовый. От этого и пляши.arkhnchul писал(а):Нарисуйте стол и предположите, как вы на него будете класть листы
"Если хочешь сделать что-то хорошо, сделай это сам."
Фердинанд Порше
Фердинанд Порше