смена направления вращения HURON

Контроллеры, драйверы, датчики, управляющие устройства.
Аватара пользователя
D-G
Кандидат
Сообщения: 74
Зарегистрирован: 08 май 2014, 10:18
Репутация: 5
Контактная информация:

смена направления вращения HURON

Сообщение D-G »

Здравствуйте.
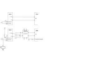
Есть фрезерный станок HURON с ЧПУ Heidenhain TNC135. На нем сгорел привод Contraves. Т.к. таких привоов больше не выпускают было решено установить новый привод ABB DCS400.
Но в прежний привод задание с ЧПУ подавалось в кодированном виде через плату WHS, которая на вход задания привода выдавала Uref +/-10В.
Для подключния нового привода к ЧПУ было решено оставить плату WHS с доработкой, которая указана на рис. в приложении
Собственно вопрос: Можно ли так осуществить смену направления вращения или я чего-то не учел?
Вложения
задание в авт реж.JPG (1184 просмотра) <a class='original' href='./download/file.php?id=87574&mode=view' target=_blank>Загрузить оригинал (66.67 КБ)</a>
Аватара пользователя
N1X
Мастер
Сообщения: 3653
Зарегистрирован: 16 фев 2015, 21:19
Репутация: 1646
Настоящее имя: Владимир
Откуда: Беларусь, Гомель
Контактная информация:

Re: смена направления вращения HURON

Сообщение N1X »

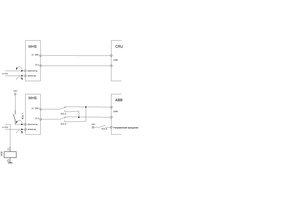
Неучел то, что 0V может быть гальванически связан с корпусом, это нужно проверять. Иначе коротыш будет...
Аватара пользователя
D-G
Кандидат
Сообщения: 74
Зарегистрирован: 08 май 2014, 10:18
Репутация: 5
Контактная информация:

Re: смена направления вращения HURON

Сообщение D-G »

А если так?
Вложения
задание в авт реж испр.JPG (1153 просмотра) <a class='original' href='./download/file.php?id=87583&mode=view' target=_blank>Загрузить оригинал (72.77 КБ)</a>
Ответить

Вернуться в «Электроника»