Посоветуйте/покритикуйте по шкафу станка ЧПУ
-
Александр_
- Мастер
- Сообщения: 1743
- Зарегистрирован: 24 дек 2013, 17:47
- Репутация: 122
- Контактная информация:
Re: Посоветуйте/покритикуйте по шкафу станка ЧПУ
а, вон оно что... а физически это как подключено? то, что это реле замкнет контакт и зажжет лампу я понял. как устроена подача сигнала на это реле чтобы оно замкнулось? какой-то диод еще на схеме внизу. нет картинки этого реле чтобы хоть представить визуально?
Заходите в гости: www.pandicon.net www.graver36.ru
- alexg-nn
- Мастер
- Сообщения: 793
- Зарегистрирован: 08 фев 2015, 12:45
- Репутация: 127
- Настоящее имя: Алексей
- Откуда: Нижний Новгород
- Контактная информация:
Re: Посоветуйте/покритикуйте по шкафу станка ЧПУ
Тут схема такая - насколько я понял, сигнал ALRM НЕ подаётся в случае аварии. То есть при штатной работе в линии ALRM есть напряжение, которое воздействует на реле. Реле имеет группу нормально замкнутых и нормально разомкнутых контактов. Первая служит для лампы "Авария", вторая - для блокировки пускателя. Диод там нарисован, чтобы защитить сервопаки от ЭДС самоиндукции при размыкании реле (есть на схеме в мануале яскавы).
Это мои теоретические рассуждения, не реализовывал проект пока.
Это мои теоретические рассуждения, не реализовывал проект пока.
Последний раз редактировалось alexg-nn 26 июн 2015, 15:31, всего редактировалось 1 раз.
- alexg-nn
- Мастер
- Сообщения: 793
- Зарегистрирован: 08 фев 2015, 12:45
- Репутация: 127
- Настоящее имя: Алексей
- Откуда: Нижний Новгород
- Контактная информация:
Re: Посоветуйте/покритикуйте по шкафу станка ЧПУ
По поводу - что а реле - не знаю, но обычное с катушкой на 24 вольта и парой NO и NC контактов.
-
Александр_
- Мастер
- Сообщения: 1743
- Зарегистрирован: 24 дек 2013, 17:47
- Репутация: 122
- Контактная информация:
Re: Посоветуйте/покритикуйте по шкафу станка ЧПУ
то есть по сути для лампы авария нужен еще один пускатель? при штатной работе цепь alm замкнута. в ней 24В. при аварии цепь рвется, пускатель срабатывает и замыкает лампу? не слишком сложно выходит ради одной лампочки? жаль, второй пускатель запасной у меня с группой нормально разомкнутых контактов.
Заходите в гости: www.pandicon.net www.graver36.ru
-
Александр_
- Мастер
- Сообщения: 1743
- Зарегистрирован: 24 дек 2013, 17:47
- Репутация: 122
- Контактная информация:
Re: Посоветуйте/покритикуйте по шкафу станка ЧПУ
может, автомобильное типа такого? http://avtogsm.ru/rele-5-kontakt-p211.html?rok=1
Заходите в гости: www.pandicon.net www.graver36.ru
- alexg-nn
- Мастер
- Сообщения: 793
- Зарегистрирован: 08 фев 2015, 12:45
- Репутация: 127
- Настоящее имя: Алексей
- Откуда: Нижний Новгород
- Контактная информация:
Re: Посоветуйте/покритикуйте по шкафу станка ЧПУ
Не понял, зачем ещё один пускатель?Александр_ писал(а):нужен еще один пускатель
-
Александр_
- Мастер
- Сообщения: 1743
- Зарегистрирован: 24 дек 2013, 17:47
- Репутация: 122
- Контактная информация:
Re: Посоветуйте/покритикуйте по шкафу станка ЧПУ
пускатель или реле - что-то нормально замкнутое на 24В.
Заходите в гости: www.pandicon.net www.graver36.ru
- alexg-nn
- Мастер
- Сообщения: 793
- Зарегистрирован: 08 фев 2015, 12:45
- Репутация: 127
- Настоящее имя: Алексей
- Откуда: Нижний Новгород
- Контактная информация:
Re: Посоветуйте/покритикуйте по шкафу станка ЧПУ
Я бы взял какое-нибудь Omron'овское на DIN рейку типа такого (чисто для примера).
-
Александр_
- Мастер
- Сообщения: 1743
- Зарегистрирован: 24 дек 2013, 17:47
- Репутация: 122
- Контактная информация:
Re: Посоветуйте/покритикуйте по шкафу станка ЧПУ
среле на лампу более-менее понял. гляну в магазине - может, есть что-то готовое удобное.
а что насчет тормоза сервы? в какую цепочку его запитывать? если по аварии будет вырубаться вся сила вместе с БП тормоза, то он на полном ходу будет включаться и хватать серву за вал что как я понимаю не очнь хорошо? с другой стороны, если оставить его включенным (БП), то при аварии сила вырубится и ось Z неконтролируемо поползет вниз под своим весом - тоже плохо. как быть?
а что насчет тормоза сервы? в какую цепочку его запитывать? если по аварии будет вырубаться вся сила вместе с БП тормоза, то он на полном ходу будет включаться и хватать серву за вал что как я понимаю не очнь хорошо? с другой стороны, если оставить его включенным (БП), то при аварии сила вырубится и ось Z неконтролируемо поползет вниз под своим весом - тоже плохо. как быть?
Заходите в гости: www.pandicon.net www.graver36.ru
- alexg-nn
- Мастер
- Сообщения: 793
- Зарегистрирован: 08 фев 2015, 12:45
- Репутация: 127
- Настоящее имя: Алексей
- Откуда: Нижний Новгород
- Контактная информация:
Re: Посоветуйте/покритикуйте по шкафу станка ЧПУ
Про тормоз вопрос хороший. Я вот тоже думаю, как сделать правильнее (тоже на Z моторчик с тормозом едет).
Вообще, в мануале про это хорошо написано. Схема подключения такая, а дальше всё контролируется самим сервопаком через контакты /BK и параметры настроек.
Вообще, в мануале про это хорошо написано. Схема подключения такая, а дальше всё контролируется самим сервопаком через контакты /BK и параметры настроек.
-
Александр_
- Мастер
- Сообщения: 1743
- Зарегистрирован: 24 дек 2013, 17:47
- Репутация: 122
- Контактная информация:
Re: Посоветуйте/покритикуйте по шкафу станка ЧПУ
a BK-RY это здесь что? реле, которым управляет сервопак как ему нужно?
Заходите в гости: www.pandicon.net www.graver36.ru
- alexg-nn
- Мастер
- Сообщения: 793
- Зарегистрирован: 08 фев 2015, 12:45
- Репутация: 127
- Настоящее имя: Алексей
- Откуда: Нижний Новгород
- Контактная информация:
Re: Посоветуйте/покритикуйте по шкафу станка ЧПУ
Да, реле на тормоз.Александр_ писал(а):реле, которым управляет сервопак как ему нужно?
-
Александр_
- Мастер
- Сообщения: 1743
- Зарегистрирован: 24 дек 2013, 17:47
- Репутация: 122
- Контактная информация:
Re: Посоветуйте/покритикуйте по шкафу станка ЧПУ
выбор реле в магазине оказался обширным - просто раньше игнорировал эту витрину - была не нужна. взял пока на 5А реле с удобным монтажом на попробовать. для лампочки такое великовато, скорее всего пойдет на тормоз сервы.
Заходите в гости: www.pandicon.net www.graver36.ru
- alexg-nn
- Мастер
- Сообщения: 793
- Зарегистрирован: 08 фев 2015, 12:45
- Репутация: 127
- Настоящее имя: Алексей
- Откуда: Нижний Новгород
- Контактная информация:
Re: Посоветуйте/покритикуйте по шкафу станка ЧПУ
Александр_, а какой вы контактор выбрали? Я что-то просмотрел.
-
Александр_
- Мастер
- Сообщения: 1743
- Зарегистрирован: 24 дек 2013, 17:47
- Репутация: 122
- Контактная информация:
Re: Посоветуйте/покритикуйте по шкафу станка ЧПУ
контактор VS425-40. взял пару на всякий случай. думаю, одного на 25А хватит, но если что - шпиндель и прочее на второй повешу.
Заходите в гости: www.pandicon.net www.graver36.ru
-
Александр_
- Мастер
- Сообщения: 1743
- Зарегистрирован: 24 дек 2013, 17:47
- Репутация: 122
- Контактная информация:
Re: Посоветуйте/покритикуйте по шкафу станка ЧПУ
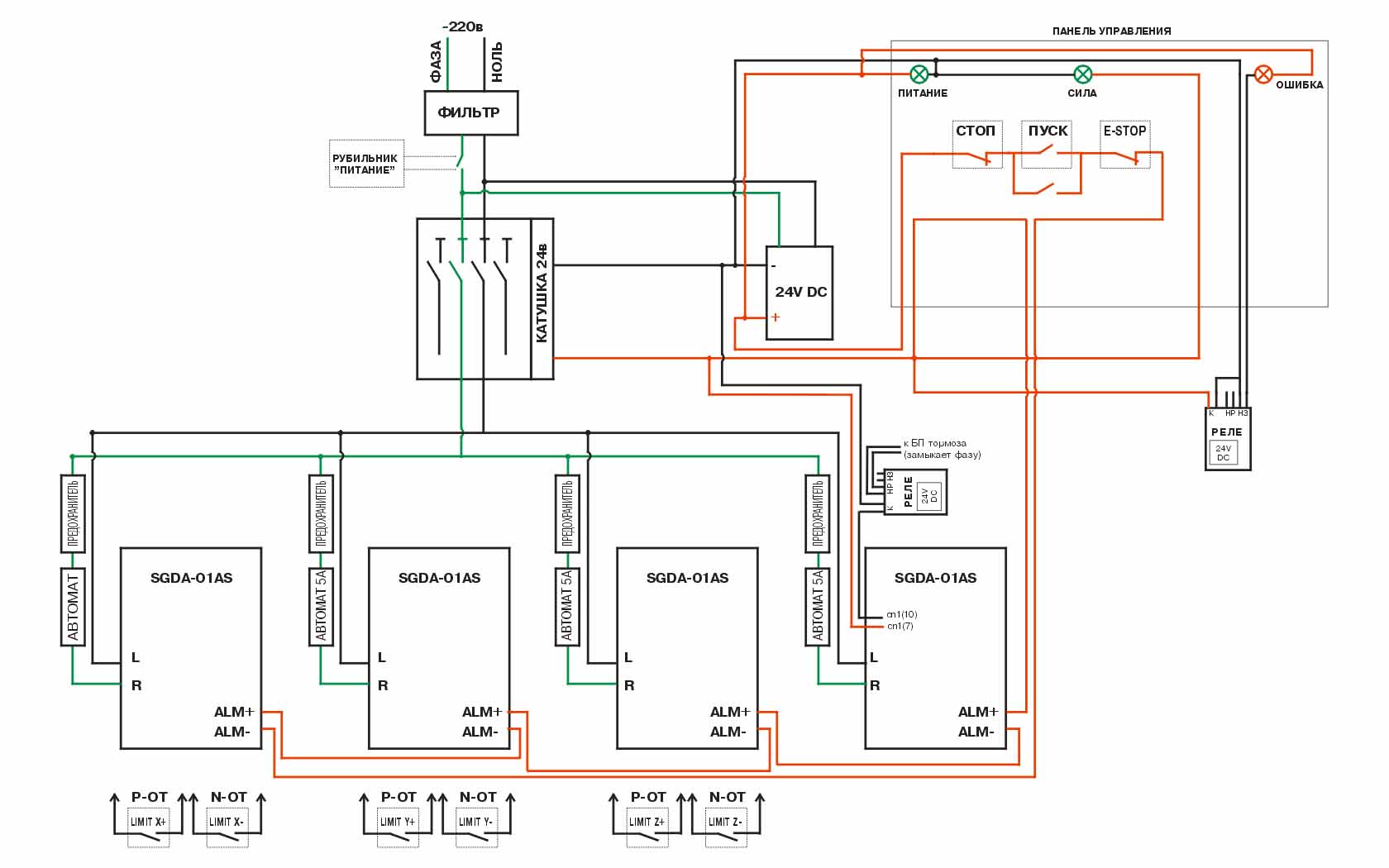
дорисовал на схеме реле. с силовой частью вроде все. надеюсь, нигде не напутал 
не совсем понятно куда подключать катушку реле, отвечающую за подачу питания на тормоз сервы (катушку, которой рулит сервопак сигналом BK).когда контактор размыкается и питание на сервопак пропадает с ним пропадает и возможность управлять тормозом? в мануале вроде расписано про это, но все это сервопак может делать если он подключен к сети.
я на схеме подключил эту катушку к цепи 24В в которой есть питание если включен главный контактор.
не совсем понятно куда подключать катушку реле, отвечающую за подачу питания на тормоз сервы (катушку, которой рулит сервопак сигналом BK).когда контактор размыкается и питание на сервопак пропадает с ним пропадает и возможность управлять тормозом? в мануале вроде расписано про это, но все это сервопак может делать если он подключен к сети.
я на схеме подключил эту катушку к цепи 24В в которой есть питание если включен главный контактор.
Заходите в гости: www.pandicon.net www.graver36.ru
- ukr-sasha
- Мастер
- Сообщения: 3401
- Зарегистрирован: 21 мар 2011, 07:47
- Репутация: 2181
- Настоящее имя: Украинец Александр Григорьевич
- Откуда: Киев, Украина
- Контактная информация:
Re: Посоветуйте/покритикуйте по шкафу станка ЧПУ
Александр, читай внимательнее документацию на привод.
Вот подключение тормоза: АЛМ+ и АЛМ- это вход или выход?
Вот подключение тормоза: АЛМ+ и АЛМ- это вход или выход?
-
Александр_
- Мастер
- Сообщения: 1743
- Зарегистрирован: 24 дек 2013, 17:47
- Репутация: 122
- Контактная информация:
Re: Посоветуйте/покритикуйте по шкафу станка ЧПУ
вроде по этой картинке из мануала и рисовал подключение тормоза.
где-то еще в цепочке, в которую включены сигналы ALM ошибка?
где-то еще в цепочке, в которую включены сигналы ALM ошибка?
Заходите в гости: www.pandicon.net www.graver36.ru
-
Александр_
- Мастер
- Сообщения: 1743
- Зарегистрирован: 24 дек 2013, 17:47
- Репутация: 122
- Контактная информация:
Re: Посоветуйте/покритикуйте по шкафу станка ЧПУ
в смысле в рахоне обоих реле на схеме не показан диод, блокирующий обратную ЭДС? подрисую.
а что не так с ALM? не понял про вход-выход. это же просто нормально замкнутая перемычка в сервопаке, разрывающаяся при ошибке.
реле тормоза я куда-то не туда подключил?
а что не так с ALM? не понял про вход-выход. это же просто нормально замкнутая перемычка в сервопаке, разрывающаяся при ошибке.
реле тормоза я куда-то не туда подключил?
Заходите в гости: www.pandicon.net www.graver36.ru