Пропал сигнал DIR, сломался драйвер?

Контроллеры, драйверы, датчики, управляющие устройства.
Аватара пользователя
AndyBig
Мастер
Сообщения: 3971
Зарегистрирован: 07 мар 2014, 04:01
Репутация: 1121
Откуда: юг России
Контактная информация:

Re: Пропал сигнал DIR, сломался драйвер?

Сообщение AndyBig »

Mamont писал(а):ужо посмотрено с фоток первой страницы - 1ком
Упс, искал же годную для этого фотку, но не увидел :)
Срочно закорачивать их! 2 мА - слишком мало для оптопары :)
...
А, стоп. В опторазвязке же резисторы тоже стоят на подтяжке к 5 вольтам, а не последовательно на выход? Тогда нельзя закорачивать. Надо по другому подключать драйвера.
Все PUL+ соединить между собой и дать на них 5 вольт от платы опторазвязки. А выходы платы опторазвязки подключить к входам PUL- драйверов.
То же и с DIR-ами, и с ENBL-ами.
Че ж вы хотите от теперяшнего подключения-то, оно и должно было глючить :)
Последний раз редактировалось AndyBig 15 дек 2016, 14:41, всего редактировалось 2 раза.
Аватара пользователя
Cross
Опытный
Сообщения: 166
Зарегистрирован: 21 июл 2015, 18:29
Репутация: 4
Настоящее имя: Артем
Контактная информация:

Re: Пропал сигнал DIR, сломался драйвер?

Сообщение Cross »

AndyBig писал(а):Нужно смотреть на плату опторазвязки - какие резисторы стоят на ней на выходе, и только после этого решать что делать со входными резисторами драйвера, на что их менять :) Или просто закоротить резисторы на выходе платы опторазвязки - тогда оптопары драйвера точно будут работать в оптимальном режиме.
На выходе стоят 1к
Аватара пользователя
Mamont
Мастер
Сообщения: 2005
Зарегистрирован: 10 дек 2015, 12:21
Репутация: 391
Настоящее имя: Виталий
Откуда: РБ Минск
Контактная информация:

Re: Пропал сигнал DIR, сломался драйвер?

Сообщение Mamont »

что бы сделал я.
выпаял 6 оптопар с платы комутации
с 1 ноги выпаяных оптопар кинул проводо на клеммы.

по схеме подключения комутатора к драйверам:
+step +dir +enbl подключить на +5в платы комутатора.
а -step -dir -enbl подключить на клеммы (к тем точкам, где уже припаяны проводочки с 1 ноги оптопар.

таким макаром выбросится одна ступень замыливания сигнала.
выпаянные оптопары потом пригодятся в хозяйстве.
на драйвере оптопары будут открываться как часики
Аватара пользователя
AndyBig
Мастер
Сообщения: 3971
Зарегистрирован: 07 мар 2014, 04:01
Репутация: 1121
Откуда: юг России
Контактная информация:

Re: Пропал сигнал DIR, сломался драйвер?

Сообщение AndyBig »

Mamont писал(а):что бы сделал я.
выпаял 6 оптопар с платы комутации
с 1 ноги выпаяных оптопар кинул проводо на клеммы.

по схеме подключения комутатора к драйверам:
+step +dir +enbl подключить на +5в платы комутатора.
а -step -dir -enbl подключить на клеммы (к тем точкам, где уже припаяны проводочки с 1 ноги оптопар.
Можно просто переподключить драйвера как мы с Вами написали, это уже значительно улучшит картину :) Сейчас драйвера подключены к опторазвязке неправильно.
Аватара пользователя
Cross
Опытный
Сообщения: 166
Зарегистрирован: 21 июл 2015, 18:29
Репутация: 4
Настоящее имя: Артем
Контактная информация:

Re: Пропал сигнал DIR, сломался драйвер?

Сообщение Cross »

Товарищи, если не трудно, нарисуйте в паинте прямо поверх той картинки что я выкладывал, схему подкключения как вы говорите, ато я щас чувствую "наподключаю...
Аватара пользователя
Cross
Опытный
Сообщения: 166
Зарегистрирован: 21 июл 2015, 18:29
Репутация: 4
Настоящее имя: Артем
Контактная информация:

Re: Пропал сигнал DIR, сломался драйвер?

Сообщение Cross »

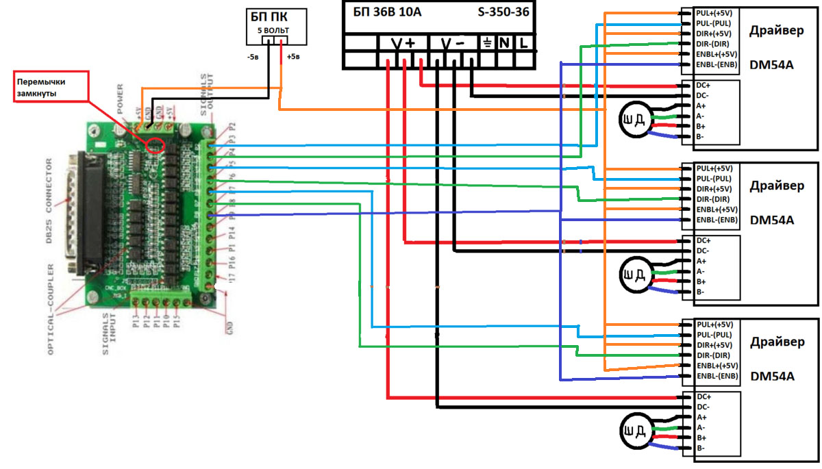
Или на этой
Вложения
Без имени-1.jpg (1166 просмотров) <a class='original' href='./download/file.php?id=97691&mode=view' target=_blank>Загрузить оригинал (211.28 КБ)</a>
Аватара пользователя
AndyBig
Мастер
Сообщения: 3971
Зарегистрирован: 07 мар 2014, 04:01
Репутация: 1121
Откуда: юг России
Контактная информация:

Re: Пропал сигнал DIR, сломался драйвер?

Сообщение AndyBig »

Вот так:
Untitled-2.jpg (1162 просмотра) <a class='original' href='./download/file.php?id=97692&mode=view' target=_blank>Загрузить оригинал (193.79 КБ)</a>
Аватара пользователя
Cross
Опытный
Сообщения: 166
Зарегистрирован: 21 июл 2015, 18:29
Репутация: 4
Настоящее имя: Артем
Контактная информация:

Re: Пропал сигнал DIR, сломался драйвер?

Сообщение Cross »

Спасибо, сейчас переделаю
Аватара пользователя
Mamont
Мастер
Сообщения: 2005
Зарегистрирован: 10 дек 2015, 12:21
Репутация: 391
Настоящее имя: Виталий
Откуда: РБ Минск
Контактная информация:

Re: Пропал сигнал DIR, сломался драйвер?

Сообщение Mamont »

Cross писал(а): Спасибо, сейчас переделаю
Если драйвер шибко умный, не захочет на обратную полярность* Step работать, в Mach поставишь инверсию Step

имеется в виду длительность "0" stepа будет меньше длительности "1"
Аватара пользователя
Cross
Опытный
Сообщения: 166
Зарегистрирован: 21 июл 2015, 18:29
Репутация: 4
Настоящее имя: Артем
Контактная информация:

Re: Пропал сигнал DIR, сломался драйвер?

Сообщение Cross »

Mamont писал(а):
Cross писал(а): Спасибо, сейчас переделаю
Если драйвер шибко умный, не захочет на обратную полярность* Step работать, в Mach поставишь инверсию Step

имеется в виду длительность "0" stepа будет меньше длительности "1"
Да, вообще не подает признаков жизни, даже на удержание не встает. А в какой вкладке эту инверсию ставить?
Аватара пользователя
Mamont
Мастер
Сообщения: 2005
Зарегистрирован: 10 дек 2015, 12:21
Репутация: 391
Настоящее имя: Виталий
Откуда: РБ Минск
Контактная информация:

Re: Пропал сигнал DIR, сломался драйвер?

Сообщение Mamont »

В мач3 - config/port and pins/motor outputs/ колонка step low active по осям х на v поменять
Аватара пользователя
Cross
Опытный
Сообщения: 166
Зарегистрирован: 21 июл 2015, 18:29
Репутация: 4
Настоящее имя: Артем
Контактная информация:

Re: Пропал сигнал DIR, сломался драйвер?

Сообщение Cross »

Там и стояли галочки, не работает((((
Аватара пользователя
Cross
Опытный
Сообщения: 166
Зарегистрирован: 21 июл 2015, 18:29
Репутация: 4
Настоящее имя: Артем
Контактная информация:

Re: Пропал сигнал DIR, сломался драйвер?

Сообщение Cross »

А почему старая схема не правильная? С ней же все работало и я ее скачивал из интернетов, по ней народ подключает как я понимаю и все пашет?...
Аватара пользователя
Mamont
Мастер
Сообщения: 2005
Зарегистрирован: 10 дек 2015, 12:21
Репутация: 391
Настоящее имя: Виталий
Откуда: РБ Минск
Контактная информация:

Re: Пропал сигнал DIR, сломался драйвер?

Сообщение Mamont »

есть множество разных вариантов подключения.

такс... а фиолетовый проводок - с общих -enable лучше кинуть на gnd. мало ли логический пин установлен в "1", и всем драйверам расдастся команда выключиться

При старой схеме ограничивался входной ток на оптопару в районе 2-3ма (5в-1.4в / (1000 ом +220 ом))
При новом подключении ток может быть до 15ма
Последний раз редактировалось Mamont 15 дек 2016, 21:08, всего редактировалось 1 раз.
Аватара пользователя
Cross
Опытный
Сообщения: 166
Зарегистрирован: 21 июл 2015, 18:29
Репутация: 4
Настоящее имя: Артем
Контактная информация:

Re: Пропал сигнал DIR, сломался драйвер?

Сообщение Cross »

Mamont писал(а):есть множество разных вариантов подключения.
такс... а фиолетовый проводок - с общих -enable лучше кинуть на gnd
Кинул - ноль эмоций
Аватара пользователя
Mamont
Мастер
Сообщения: 2005
Зарегистрирован: 10 дек 2015, 12:21
Репутация: 391
Настоящее имя: Виталий
Откуда: РБ Минск
Контактная информация:

Re: Пропал сигнал DIR, сломался драйвер?

Сообщение Mamont »

Померяй напряжение на ногах 1-2 и 3-4 U1 и 1-2 U5

и в третий раз спрошу - земли u1 - u4 прозваниваются?
Аватара пользователя
Cross
Опытный
Сообщения: 166
Зарегистрирован: 21 июл 2015, 18:29
Репутация: 4
Настоящее имя: Артем
Контактная информация:

Re: Пропал сигнал DIR, сломался драйвер?

Сообщение Cross »

Mamont писал(а):Померяй напряжение на ногах 1-2 и 3-4 U1 и 1-2 U5
U1; 1-2: в спокойном состоянии:0 право-1,45; лево-0
U5; 1-2: 1,24
Аватара пользователя
Cross
Опытный
Сообщения: 166
Зарегистрирован: 21 июл 2015, 18:29
Репутация: 4
Настоящее имя: Артем
Контактная информация:

Re: Пропал сигнал DIR, сломался драйвер?

Сообщение Cross »

Земли прозваниваются
Аватара пользователя
Mamont
Мастер
Сообщения: 2005
Зарегистрирован: 10 дек 2015, 12:21
Репутация: 391
Настоящее имя: Виталий
Откуда: РБ Минск
Контактная информация:

Re: Пропал сигнал DIR, сломался драйвер?

Сообщение Mamont »

на 3-4 U1 ?
хорошо.
теперь с выхода инвертора: U4 ноги 2 4 6 8 10 12 относительно земли (ноги 7)
Последний раз редактировалось Mamont 15 дек 2016, 21:41, всего редактировалось 1 раз.
Аватара пользователя
Mamont
Мастер
Сообщения: 2005
Зарегистрирован: 10 дек 2015, 12:21
Репутация: 391
Настоящее имя: Виталий
Откуда: РБ Минск
Контактная информация:

Re: Пропал сигнал DIR, сломался драйвер?

Сообщение Mamont »

А чета не понял юмора с сопротивлением R34 ? 1003? 100ком? перемеряй по факту (и посмотри что написано на резисторе с исправной платы)
(но все равно роли он не играет)
Ответить

Вернуться в «Электроника»