Боюсь чего напутать...
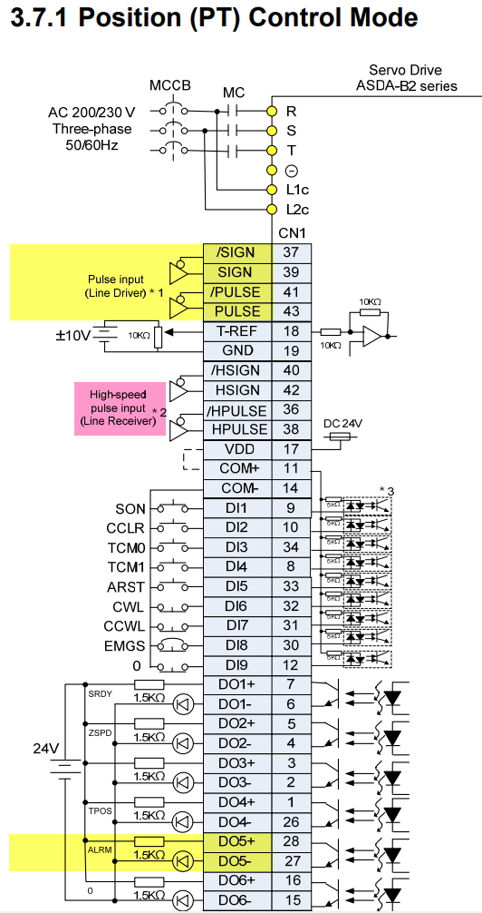
У меня в гараже 3-х фазное напряжение 220в. Т.е. из кабеля выходит ФАЗА 1-2-3 Нейтраль и Земля (5 жил)
На (фото) подключение драйвера к сети есть, но там обозначены R S T - как я понял - это фазы...
вопрос:
- Есть ли разница, какая из них R какая S а какая T? или это без разницы? т.е. если их (фазы) перепутать местами (так как я низнаю как определить наименование фаз) не может ли драйвер сгореть?
- Нейтраль надо ли куда подключать? Я ранее подключал (брал ток 220в) всегда между фазой и нейтралью... тут на схеме я не вижу, чтоб нейтраль была запитана
- Землю надо подключать на драйвер из питающего 3-фазного кабеля?
