Ввод в эксплуатацию ЧПУ системы на основе контроллера Kflop.

KFlop, KStep, KAnalog, KMotion...

Имеете ли вы контроллер Kflop? :-)

Можно выбрать до 1 варианта ответа

 
 
Результаты голосования

Александр_
Мастер
Сообщения: 1743
Зарегистрирован: 24 дек 2013, 17:47
Репутация: 122
Контактная информация:

Re: Ввод в эксплуатацию ЧПУ системы на основе контроллера Kf

Сообщение Александр_ »

пеерчитал еще раз всю тему и не нашел ответа. как можно переназначить I/O-пины разъема JP4 кфлопа на прием сигнала? судя по мануалу это можно сделать или скриптом или с помощью файла инициализации. добавил в него это:
SetBitDirection(16,0);
SetBitDirection(17,0);
SetBitDirection(18,0);
SetBitDirection(19,0);
SetBitDirection(20,0);
SetBitDirection(21,0);
SetBitDirection(22,0);
SetBitDirection(23,0);
SetBitDirection(24,0);
SetBitDirection(25,0);
залил в кфлоп, стал подавать входные сигналы путем нажимания кнопок концевиков через плату опторазвязки - в окне Digital I/O в кмоушн никаких изменений. должны по идее в Aux#0 флажки появляться в соответствующих пинах.
Заходите в гости: www.pandicon.net www.graver36.ru
Аватара пользователя
ukr-sasha
Мастер
Сообщения: 3401
Зарегистрирован: 21 мар 2011, 07:47
Репутация: 2181
Настоящее имя: Украинец Александр Григорьевич
Откуда: Киев, Украина
Контактная информация:

Re: Ввод в эксплуатацию ЧПУ системы на основе контроллера Kf

Сообщение ukr-sasha »

Проверить тестером сначала.
Александр_
Мастер
Сообщения: 1743
Зарегистрирован: 24 дек 2013, 17:47
Репутация: 122
Контактная информация:

Re: Ввод в эксплуатацию ЧПУ системы на основе контроллера Kf

Сообщение Александр_ »

что именно проверить? "выткнуть" шлейф из кфлопа и в нем тестором измерить приходит ли напряжение? такя же не знаю где именно в шлейфе мерить - для этого и хотел флажки в программе посмотреть. только если перебором но там куча вариантов.
Заходите в гости: www.pandicon.net www.graver36.ru
Аватара пользователя
ukr-sasha
Мастер
Сообщения: 3401
Зарегистрирован: 21 мар 2011, 07:47
Репутация: 2181
Настоящее имя: Украинец Александр Григорьевич
Откуда: Киев, Украина
Контактная информация:

Re: Ввод в эксплуатацию ЧПУ системы на основе контроллера Kf

Сообщение ukr-sasha »

На плате опторазвязки.
Александр_
Мастер
Сообщения: 1743
Зарегистрирован: 24 дек 2013, 17:47
Репутация: 122
Контактная информация:

Re: Ввод в эксплуатацию ЧПУ системы на основе контроллера Kf

Сообщение Александр_ »

просто (в свете прошлого опыта с втыканием в кфлоп) хотел избежать механических операций с платами. ну да ничего - найду по распиновке какие винтовые клеммы каким битам порта соответствуют. другое дело что в незвисимости от этого: почему не загорается флажок в окошке? я ведь все пины переориентировал на прием сигнала и физически замунул одну цепь? может, формат команд что я добавил в с-файл неверный?
Заходите в гости: www.pandicon.net www.graver36.ru
Александр_
Мастер
Сообщения: 1743
Зарегистрирован: 24 дек 2013, 17:47
Репутация: 122
Контактная информация:

Re: Ввод в эксплуатацию ЧПУ системы на основе контроллера Kf

Сообщение Александр_ »

ukr-sasha писал(а):Проверить тестером сначала.
проверил все тестером. чтобы не засорять тут подробно расписал в своей теме http://www.cnc-club.ru/forum/viewtopic. ... 11#p263211
кто-нибудь похожими платами пользуется? вроде схема их работы элементарная - что может быть не так?
Заходите в гости: www.pandicon.net www.graver36.ru
Александр_
Мастер
Сообщения: 1743
Зарегистрирован: 24 дек 2013, 17:47
Репутация: 122
Контактная информация:

Re: Ввод в эксплуатацию ЧПУ системы на основе контроллера Kf

Сообщение Александр_ »

как такое может быть? по умолчанию все пины aux#0 настроены на input. я в с-файл прописываю чтобы у некоторых стало другое значение (часть на inpup, часть на output). жму Save в Kmotion. Как после этого в окне I/O все галочки пустые?
Вложения
Новое изображение.JPG (2906 просмотров) <a class='original' href='./download/file.php?id=74592&mode=view' target=_blank>Загрузить оригинал (280.57 КБ)</a>
Заходите в гости: www.pandicon.net www.graver36.ru
fishman
Кандидат
Сообщения: 83
Зарегистрирован: 14 сен 2015, 22:04
Репутация: 9
Контактная информация:

Re: Ввод в эксплуатацию ЧПУ системы на основе контроллера Kf

Сообщение fishman »

Доброго времени суток
Прошу помощи знатоков ))
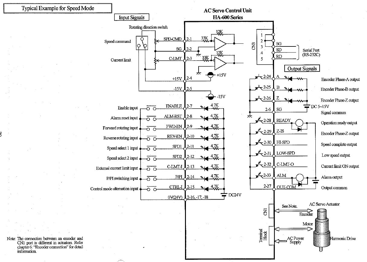
Приехал вот такой древний зверь. Первую проверку и настройку для управления +10В произвел.
теперь пытаюсь прикрутить к Каналогу... Не могу разобраться с энкодером... откуда брать А+ , А- и В+ , В- по схеме видно что с двигателя в усилитель они заходят а выходит непонятно что (для меня)
Вложения
20160122_160159.jpg (2849 просмотров) <a class='original' href='./download/file.php?id=75038&mode=view' target=_blank>Загрузить оригинал (1.64 МБ)</a>
1.JPG (2849 просмотров) <a class='original' href='./download/file.php?id=75040&mode=view' target=_blank>Загрузить оригинал (170.87 КБ)</a>
2.JPG (2849 просмотров) <a class='original' href='./download/file.php?id=75041&mode=view' target=_blank>Загрузить оригинал (153.32 КБ)</a>
3.JPG (2849 просмотров) <a class='original' href='./download/file.php?id=75042&mode=view' target=_blank>Загрузить оригинал (131.37 КБ)</a>
4.JPG (2849 просмотров) <a class='original' href='./download/file.php?id=75043&mode=view' target=_blank>Загрузить оригинал (84.76 КБ)</a>
Аватара пользователя
Hanter
Мастер
Сообщения: 5414
Зарегистрирован: 27 янв 2012, 14:52
Репутация: 4338
Настоящее имя: Алексей
Откуда: Питер
Контактная информация:

Re: Ввод в эксплуатацию ЧПУ системы на основе контроллера Kf

Сообщение Hanter »

дык на схемах по русски же написано - "Output Signal" - 2-24 -Encoder Phaze A Output, 2-25 - Encoder Phase B Output и 2-26 - Encoder Phase Z Output. Только к каналогу нада еще и симметричный им сигнал подавать. он с не диференциальным не будет работать.
Опыт - это когда на смену вопросам: "Что? Где? Когда? Как? Почему?" Приходит единственный вопрос: "Нахрена?"
==========================================
фрезерная и токарная обработка на станках с чпу.
Резка, гибка, сварка и порошковая окраса.
fishman
Кандидат
Сообщения: 83
Зарегистрирован: 14 сен 2015, 22:04
Репутация: 9
Контактная информация:

Re: Ввод в эксплуатацию ЧПУ системы на основе контроллера Kf

Сообщение fishman »

В том то и проблема что я не понимаю откуда его взять этот симметричный сигнал (
Аватара пользователя
Hanter
Мастер
Сообщения: 5414
Зарегистрирован: 27 янв 2012, 14:52
Репутация: 4338
Настоящее имя: Алексей
Откуда: Питер
Контактная информация:

Re: Ввод в эксплуатацию ЧПУ системы на основе контроллера Kf

Сообщение Hanter »

преобразователь делать. или заводить его на кфлоп. тот работает с не диференциальным сигналом.
Опыт - это когда на смену вопросам: "Что? Где? Когда? Как? Почему?" Приходит единственный вопрос: "Нахрена?"
==========================================
фрезерная и токарная обработка на станках с чпу.
Резка, гибка, сварка и порошковая окраса.
fishman
Кандидат
Сообщения: 83
Зарегистрирован: 14 сен 2015, 22:04
Репутация: 9
Контактная информация:

Re: Ввод в эксплуатацию ЧПУ системы на основе контроллера Kf

Сообщение fishman »

Hanter писал(а):преобразователь делать. или заводить его на кфлоп. тот работает с не диференциальным сигналом.
а можно по подробнее про преобразователь?
и если на кфлоп завести сигнал то про аналоговое управление можно забыть как я понимаю?
Аватара пользователя
Hanter
Мастер
Сообщения: 5414
Зарегистрирован: 27 янв 2012, 14:52
Репутация: 4338
Настоящее имя: Алексей
Откуда: Питер
Контактная информация:

Re: Ввод в эксплуатацию ЧПУ системы на основе контроллера Kf

Сообщение Hanter »

почему ? аналог взять с каналога, а обратку завести на кфлоп. все будет жить. преобразователь - попробуйте у UkrSasha спросить - мне он давал информацию когда то.
Опыт - это когда на смену вопросам: "Что? Где? Когда? Как? Почему?" Приходит единственный вопрос: "Нахрена?"
==========================================
фрезерная и токарная обработка на станках с чпу.
Резка, гибка, сварка и порошковая окраса.
fishman
Кандидат
Сообщения: 83
Зарегистрирован: 14 сен 2015, 22:04
Репутация: 9
Контактная информация:

Re: Ввод в эксплуатацию ЧПУ системы на основе контроллера Kf

Сообщение fishman »

Hanter писал(а):почему ? аналог взять с каналога, а обратку завести на кфлоп. все будет жить. преобразователь - попробуйте у UkrSasha спросить - мне он давал информацию когда то.
Hanter , я Вас правильно понимаю ?


По поводу преобразователя узнаю обязательно...
А какой вариант наиболее оптимальный?
Вложения
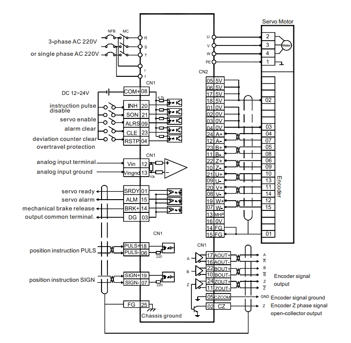
Рисунок1.JPG (2824 просмотра) <a class='original' href='./download/file.php?id=75056&mode=view' target=_blank>Загрузить оригинал (7.86 МБ)</a>
Аватара пользователя
Hanter
Мастер
Сообщения: 5414
Зарегистрирован: 27 янв 2012, 14:52
Репутация: 4338
Настоящее имя: Алексей
Откуда: Питер
Контактная информация:

Re: Ввод в эксплуатацию ЧПУ системы на основе контроллера Kf

Сообщение Hanter »

зачем вы Z метку то на землю заводите ? это индексная метка. она должна прити на 15 пин - Axis 0 Home.
Опыт - это когда на смену вопросам: "Что? Где? Когда? Как? Почему?" Приходит единственный вопрос: "Нахрена?"
==========================================
фрезерная и токарная обработка на станках с чпу.
Резка, гибка, сварка и порошковая окраса.
Аватара пользователя
donvictorio
Мастер
Сообщения: 2458
Зарегистрирован: 11 окт 2012, 16:26
Репутация: 683
Настоящее имя: Виктор
Откуда: Санкт-Петербург
Контактная информация:

Re: Ввод в эксплуатацию ЧПУ системы на основе контроллера Kf

Сообщение donvictorio »

вопрос в тему: а есть смысл городить обратную связь с сервы с управлением по степдир? у неё есть выходы с энкодера ABZ.
они не будут соперничать? (серва и кфлоп)
fishman
Кандидат
Сообщения: 83
Зарегистрирован: 14 сен 2015, 22:04
Репутация: 9
Контактная информация:

Re: Ввод в эксплуатацию ЧПУ системы на основе контроллера Kf

Сообщение fishman »

Hanter писал(а):зачем вы Z метку то на землю заводите ? это индексная метка. она должна прити на 15 пин - Axis 0 Home.
Вообще то Signal Ground был обозначен... а Z я не обозначал даже... ))
fishman
Кандидат
Сообщения: 83
Зарегистрирован: 14 сен 2015, 22:04
Репутация: 9
Контактная информация:

Re: Ввод в эксплуатацию ЧПУ системы на основе контроллера Kf

Сообщение fishman »

donvictorio писал(а):вопрос в тему: а есть смысл городить обратную связь с сервы с управлением по степдир? у неё есть выходы с энкодера ABZ.
они не будут соперничать? (серва и кфлоп)
присоединяюсь к предыдущему оратору.
правильнее будет взять преобразователь или же все два варианта являются жизнеспособными для управления по скорости?
Аватара пользователя
Hanter
Мастер
Сообщения: 5414
Зарегистрирован: 27 янв 2012, 14:52
Репутация: 4338
Настоящее имя: Алексей
Откуда: Питер
Контактная информация:

Re: Ввод в эксплуатацию ЧПУ системы на основе контроллера Kf

Сообщение Hanter »

fishman писал(а):Вообще то Signal Ground был обозначен... а Z я не обозначал даже... ))
да. сори. сигнал граунд правильно заведен. :)
donvictorio писал(а):вопрос в тему: а есть смысл городить обратную связь с сервы с управлением по степдир? у неё есть выходы с энкодера ABZ. они не будут соперничать? (серва и кфлоп)
вопрос не в тему. в первом посту написано что управление заведено по +/-10в... откуда взят степ-дир ?? и почему они должны "соперничать" ? почитайте немного форум. и уясните для себя что есть степ-дир, что есть обратная связь и что есть замкнутый цикл по степ-диру у кфлопа. уверяю - ничего соперничать не будет. а вот знать о реальный параметрах движения оси контролеру - крайне полезно. (шото мне подсказывает....) иначе зачем вам нужен контролер ???
fishman писал(а):присоединяюсь к предыдущему оратору.
правильнее будет взять преобразователь или же все два варианта являются жизнеспособными для управления по скорости?
вы счас о чем ? я вас не догоняю :)
Опыт - это когда на смену вопросам: "Что? Где? Когда? Как? Почему?" Приходит единственный вопрос: "Нахрена?"
==========================================
фрезерная и токарная обработка на станках с чпу.
Резка, гибка, сварка и порошковая окраса.
Аватара пользователя
donvictorio
Мастер
Сообщения: 2458
Зарегистрирован: 11 окт 2012, 16:26
Репутация: 683
Настоящее имя: Виктор
Откуда: Санкт-Петербург
Контактная информация:

Re: Ввод в эксплуатацию ЧПУ системы на основе контроллера Kf

Сообщение donvictorio »

Hanter писал(а):вы счас о чем ? я вас не догоняю
есть серводрайвер и серводвигатель, которые управляются по степдир.
с серводрайвера есть выходы энкодера ABZ в дифф виде.
серва может работать с чпу без обратной связи, как шаговый.

что будет (и будет ли это правильно) подключить к кфлоп выходы энкодера с серводрайвера?
Screenshot_6.jpg (2770 просмотров) <a class='original' href='./download/file.php?id=75128&mode=view' target=_blank>Загрузить оригинал (228.11 КБ)</a>
Ответить

Вернуться в «KFlop»