6Д81Ш восстановил. вопросы по строгальному

Контроллеры, драйверы, датчики, управляющие устройства.
Аватара пользователя
N1X
Мастер
Сообщения: 3653
Зарегистрирован: 16 фев 2015, 21:19
Репутация: 1646
Настоящее имя: Владимир
Откуда: Беларусь, Гомель
Контактная информация:

Re: восстановление 6Д81Ш

Сообщение N1X »

Тима писал(а):А нельзя просто поставить тормозные резисторы через пускатель?
Так асинхронник без ведения сетью не может генерить. Поэтому если он него отключить питание и повесить на него резисторы, то он будет просто крутиться по инерции что с ними, что без, т.к. для работы в генераторном режиме ему нужно возбуждение в виде остающего от ротора магнитного поля, т.е. нужно отрицательное скольжение создать... Вот подавая постоянку и получают стоящее неподвижно поле, и соответсвенно скольжение равное -n ротора...
Аватара пользователя
Тима
Почётный участник
Почётный участник
Сообщения: 3162
Зарегистрирован: 01 мар 2012, 20:47
Репутация: 1089
Настоящее имя: Тимур
Откуда: КБР
Контактная информация:

Re: восстановление 6Д81Ш

Сообщение Тима »

N1X писал(а):Так асинхронник без ведения сетью не может генерить.
Должен. Мы экспериментировали, цепляли два двига вал к валу, один крутили от сети и меряли параметры на втором. По напряжению не помню сколько выдавало, но частота была ниже 50 гц. Но напряжение выдавало.
Еще был случай, забирал двиг 132 кВт. с перемотки. Я затребовал чтоб мне показали как он работает. Его раскрутили, показали токи на стенде и отключили. Пацан полез отсоединять провода пока крутился двиг и его током еб... т.е. ударило.
Дорогу осилит идущий!
Я все пойму, Вы только дайте денег!!!
aftaev
Зачётный участник
Зачётный участник
Сообщения: 34042
Зарегистрирован: 04 апр 2010, 19:22
Репутация: 6194
Откуда: Казахстан.
Контактная информация:

Re: восстановление 6Д81Ш

Сообщение aftaev »

Тима писал(а):Еще был случай, забирал двиг 132 кВт. с перемотки. Я затребовал чтоб мне показали как он работает. Его раскрутили, показали токи на стенде и отключили. Пацан полез отсоединять провода пока крутился двиг и его током еб... т.е. ударило.
Тима, из обычных асинхроников делают генераторы ;)
Дилетанту сложные вещи кажутся очень простыми, и только профессионал понимает насколько сложна самая простая вещь
Кто хочет - ищет возможности, кто не хочет - ищет оправдание.
Найди работу по душе и тебе не придется работать.
Аватара пользователя
Тима
Почётный участник
Почётный участник
Сообщения: 3162
Зарегистрирован: 01 мар 2012, 20:47
Репутация: 1089
Настоящее имя: Тимур
Откуда: КБР
Контактная информация:

Re: восстановление 6Д81Ш

Сообщение Тима »

Я это знаю. Это N1X говорит что асинхронник не генерит без опорной сети...
Дорогу осилит идущий!
Я все пойму, Вы только дайте денег!!!
Аватара пользователя
N1X
Мастер
Сообщения: 3653
Зарегистрирован: 16 фев 2015, 21:19
Репутация: 1646
Настоящее имя: Владимир
Откуда: Беларусь, Гомель
Контактная информация:

Re: восстановление 6Д81Ш

Сообщение N1X »

Не генерит. Факт вытекающий из теории АД. То что он может генерить какие-то жалкие вольты из-за остаточной намагниченности ротора ничего не меняет. Нагрузи его и генерация сорвется...
Аватара пользователя
Тима
Почётный участник
Почётный участник
Сообщения: 3162
Зарегистрирован: 01 мар 2012, 20:47
Репутация: 1089
Настоящее имя: Тимур
Откуда: КБР
Контактная информация:

Re: восстановление 6Д81Ш

Сообщение Тима »

В качестве асинхронного генератора может быть использован обычный асинхронный короткозамкнутый электродвигатель соответствующей мощности без каких-либо переделок. Мощность электродвигателя-генератора определяется мощностью подключаемых устройств.

Особо хочу остановиться на эксплуатации бытовых сварочных трансформаторов.

Их подключение к автономному источнику электроэнергии наиболее желательно, т.к. при работе от промышленной сети они создают целый ряд неудобств для других потребителей электроэнергии. Если бытовой сварочный трансформатор рассчитан на работу с электродами диаметром 2…3 мм, то его полная мощность составляет примерно 4…6 кВт, мощность асинхронного генератора для его питания должна быть в пределах 5…7 кВт.
Выдержда отсюда: http://eurosamodelki.ru/katalog-samodel ... a&mobile=0

Вот бензиновый генератор на основе асинхронника http://www.instrumenti-online.ru/genera ... -mhba.html
Сам лично разбирал такой генератор на 1.5кВт
Последний раз редактировалось Тима 25 апр 2015, 20:55, всего редактировалось 1 раз.
Дорогу осилит идущий!
Я все пойму, Вы только дайте денег!!!
Аватара пользователя
Serg
Мастер
Сообщения: 21923
Зарегистрирован: 17 апр 2012, 14:58
Репутация: 5183
Заслуга: c781c134843e0c1a3de9
Настоящее имя: Сергей
Откуда: Москва
Контактная информация:

Re: восстановление 6Д81Ш

Сообщение Serg »

tooshka писал(а):Та ТЭН какой нибудь из бака нагревательного выдрать и все.
ТЭН в баке свои киловатты рассеивает с помощью холодной воды. А выдранный из бака куда тепло девать будет?..
Я не Христос, рыбу не раздаю, но могу научить, как сделать удочку...
Аватара пользователя
N1X
Мастер
Сообщения: 3653
Зарегистрирован: 16 фев 2015, 21:19
Репутация: 1646
Настоящее имя: Владимир
Откуда: Беларусь, Гомель
Контактная информация:

Re: восстановление 6Д81Ш

Сообщение N1X »

Тима писал(а):Вот бензиновый генератор на основе асинхронника
Только там обычно либо конденсаторы подключены (обычно 3 штуки в треугольник), чтобы фазу сдвинуть, либо схема управления специальная...
Аватара пользователя
Тима
Почётный участник
Почётный участник
Сообщения: 3162
Зарегистрирован: 01 мар 2012, 20:47
Репутация: 1089
Настоящее имя: Тимур
Откуда: КБР
Контактная информация:

Re: восстановление 6Д81Ш

Сообщение Тима »

Кондеры стоят. И на том, что я разбирал, тоже стояли.
Дорогу осилит идущий!
Я все пойму, Вы только дайте денег!!!
nkp
Мастер
Сообщения: 8340
Зарегистрирован: 28 ноя 2011, 00:25
Репутация: 1589
Контактная информация:

Re: восстановление 6Д81Ш

Сообщение nkp »

Тима писал(а):Еще был случай, забирал двиг 132 кВт. с перемотки. Я затребовал чтоб мне показали как он работает. Его раскрутили, показали токи на стенде и отключили. Пацан полез отсоединять провода пока крутился двиг и его током еб... т.е. ударило.
так кто скажет - "что" там ударило человека ?
Аватара пользователя
ukr-sasha
Мастер
Сообщения: 3401
Зарегистрирован: 21 мар 2011, 07:47
Репутация: 2181
Настоящее имя: Украинец Александр Григорьевич
Откуда: Киев, Украина
Контактная информация:

Re: восстановление 6Д81Ш

Сообщение ukr-sasha »

UAVpilot писал(а):ТЭН в баке свои киловатты рассеивает с помощью холодной воды. А выдранный из бака куда тепло девать будет?..
Тогда подключить бойлер и добывать горячую воду. :)
Аватара пользователя
N1X
Мастер
Сообщения: 3653
Зарегистрирован: 16 фев 2015, 21:19
Репутация: 1646
Настоящее имя: Владимир
Откуда: Беларусь, Гомель
Контактная информация:

Re: восстановление 6Д81Ш

Сообщение N1X »

nkp писал(а):так кто скажет - "что" там ударило человека ?
132 кВт немалая болванка... Скорее всего ротор намагничен был и двиг генерил в синхронном режиме...
Аватара пользователя
Тима
Почётный участник
Почётный участник
Сообщения: 3162
Зарегистрирован: 01 мар 2012, 20:47
Репутация: 1089
Настоящее имя: Тимур
Откуда: КБР
Контактная информация:

Re: восстановление 6Д81Ш

Сообщение Тима »

N1X писал(а):132 кВт немалая болванка...
ротор около 400 кг. Весь двиг - 850кг
Дорогу осилит идущий!
Я все пойму, Вы только дайте денег!!!
Аватара пользователя
tooshka
Почётный участник
Почётный участник
Сообщения: 1803
Зарегистрирован: 24 окт 2012, 14:26
Репутация: 209
Настоящее имя: Андрей
Откуда: Нижний Новгород
Контактная информация:

Re: восстановление 6Д81Ш

Сообщение tooshka »

UAVpilot писал(а):ТЭН в баке свои киловатты рассеивает с помощью холодной воды. А выдранный из бака куда тепло девать будет?..
В радиатор засунуть из двух половинок.
Милая, ты услышь меня
под окном стою со своим я ЧПУ! (Протяжно; с надрывом; форте)
Внимание!!! Чрезмерное увлечение ЧПУ приводит к проблемам в семейных отношениях!
Аватара пользователя
Тима
Почётный участник
Почётный участник
Сообщения: 3162
Зарегистрирован: 01 мар 2012, 20:47
Репутация: 1089
Настоящее имя: Тимур
Откуда: КБР
Контактная информация:

Re: восстановление 6Д81Ш

Сообщение Тима »

я думаю это лишнее будет. Той энергии, что выделится при торможении будет немного. Думаю будет достаточно того теплообмена, что позволит площадь самого тэна. Вопрос в другом, будет ли от этого толк?
Дорогу осилит идущий!
Я все пойму, Вы только дайте денег!!!
Аватара пользователя
Тима
Почётный участник
Почётный участник
Сообщения: 3162
Зарегистрирован: 01 мар 2012, 20:47
Репутация: 1089
Настоящее имя: Тимур
Откуда: КБР
Контактная информация:

Re: восстановление 6Д81Ш

Сообщение Тима »

Дело пошло...
Снял монтажную панель со станка...
IMG_20150426_150056.jpg (1296 просмотров) <a class='original' href='./download/file.php?id=49004&mode=view' target=_blank>Загрузить оригинал (134.3 КБ)</a>
Демонтировал все...
IMG_20150426_171513.jpg (1296 просмотров) <a class='original' href='./download/file.php?id=49005&mode=view' target=_blank>Загрузить оригинал (100.65 КБ)</a>
Вот это все...
IMG_20150426_171521.jpg (1296 просмотров) <a class='original' href='./download/file.php?id=49006&mode=view' target=_blank>Загрузить оригинал (95.57 КБ)</a>
Подготовил новое к монтажу. Будет примерно так...
IMG_20150426_180436.jpg (1296 просмотров) <a class='original' href='./download/file.php?id=49007&mode=view' target=_blank>Загрузить оригинал (115.11 КБ)</a>
Пол-шкафа будет пустым.
И на самом интересном месте работа остановилась... Нужна щетка для зачистки на болгарку и краска, а магазины уже закрыты... :wik:
Нервничаю я, когда вот так из-за мелочи работа тормозится... :walk:
Дорогу осилит идущий!
Я все пойму, Вы только дайте денег!!!
Аватара пользователя
ukr-sasha
Мастер
Сообщения: 3401
Зарегистрирован: 21 мар 2011, 07:47
Репутация: 2181
Настоящее имя: Украинец Александр Григорьевич
Откуда: Киев, Украина
Контактная информация:

Re: восстановление 6Д81Ш

Сообщение ukr-sasha »

Тима писал(а):Нервничаю я, когда вот так из-за мелочи работа тормозится...
Тщательнее нужно планировать работу, тщательнее. ;-)
Аватара пользователя
tooshka
Почётный участник
Почётный участник
Сообщения: 1803
Зарегистрирован: 24 окт 2012, 14:26
Репутация: 209
Настоящее имя: Андрей
Откуда: Нижний Новгород
Контактная информация:

Re: восстановление 6Д81Ш

Сообщение tooshka »

Красота.
Милая, ты услышь меня
под окном стою со своим я ЧПУ! (Протяжно; с надрывом; форте)
Внимание!!! Чрезмерное увлечение ЧПУ приводит к проблемам в семейных отношениях!
Аватара пользователя
Тима
Почётный участник
Почётный участник
Сообщения: 3162
Зарегистрирован: 01 мар 2012, 20:47
Репутация: 1089
Настоящее имя: Тимур
Откуда: КБР
Контактная информация:

Re: восстановление 6Д81Ш

Сообщение Тима »

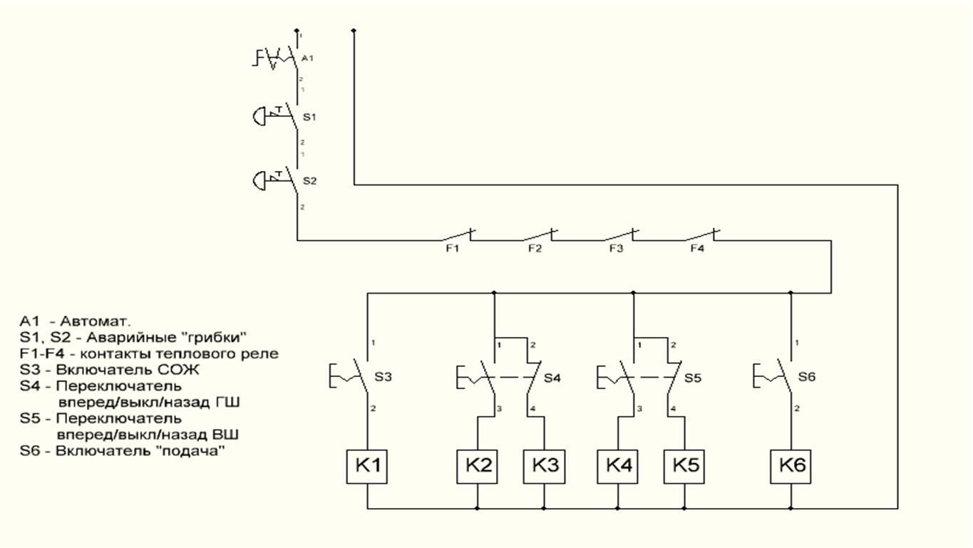
Набросал новую схему управления на переключателях...
12.jpg (1280 просмотров) <a class='original' href='./download/file.php?id=49008&mode=view' target=_blank>Загрузить оригинал (54.69 КБ)</a>
Забыл на схеме дописать, К1-К6 - катушки пускателей.

Еще такой вопрос: Нужно ли делать освещение стола станка?
Дорогу осилит идущий!
Я все пойму, Вы только дайте денег!!!
Аватара пользователя
Predator
Мастер
Сообщения: 9583
Зарегистрирован: 18 июл 2013, 18:26
Репутация: 2531
Контактная информация:

Re: восстановление 6Д81Ш

Сообщение Predator »

Тима писал(а):Нужно ли делать освещение стола станка?
А почему не нужно?!
Ответить

Вернуться в «Электроника»