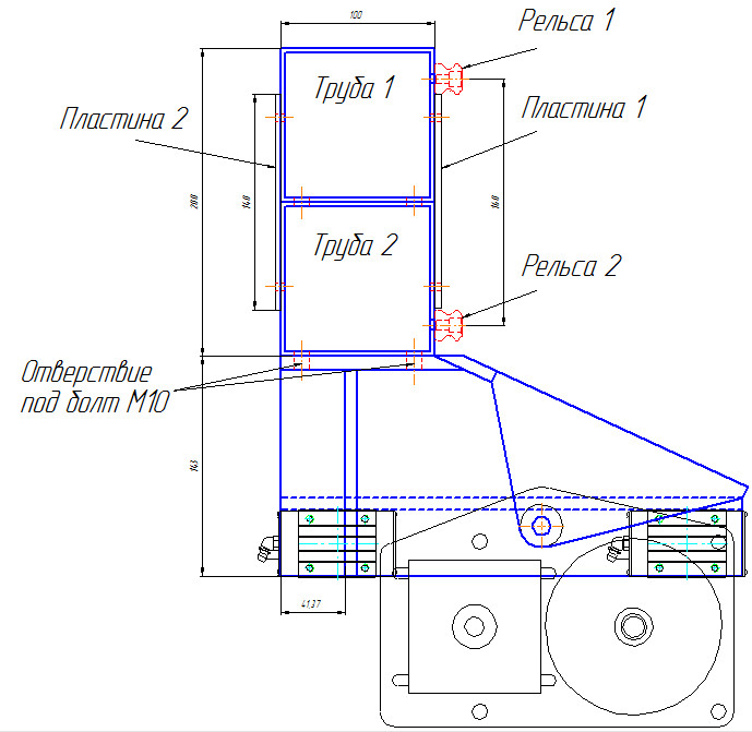
Опять переделал портал, по совету, на этот раз будет из 2-х труб.
Сам портал буду собрать отдельно, выставив рельсы, только после этого соединю с опорой портала.
Стоит ли закрепить с 2-х сторон пластины?
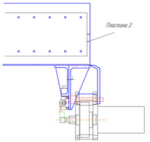
А вот пластина 1 я думаю надо закрепить в первую очередь, так как она берет на себя вертикальные нагрузки от рельсы 1, между рельсой 2 и пластиной 1 есть зазор, для юстировки рельсы 2. В самих пластинах некоторые отверствия будут чуть больше, опять же для юстировки. Только после выставления релсь просверлю основные отверствия на пластинах и закреплю. Нужно продумать последовательность операции выставления релсь

Кто чем поможет, посоветуйте.