STB5100 USB MOTION CARD
-
shura2000
- Новичок
- Сообщения: 23
- Зарегистрирован: 09 мар 2016, 19:39
- Репутация: -3
- Контактная информация:
Re: STB5100 USB MOTION CARD
Ребята, можете скинуть содержимое CD?
-
Yaroslav
- Новичок
- Сообщения: 12
- Зарегистрирован: 03 авг 2020, 18:18
- Репутация: 3
- Настоящее имя: Yaroslav
- Контактная информация:
Re: STB5100 USB MOTION CARD
тут есть ссылка на ПО
https://cnc.prom.ua/p1159992714-interfe ... -chpu.html
https://cnc.prom.ua/p1159992714-interfe ... -chpu.html
-
Anubis2024
- Новичок
- Сообщения: 6
- Зарегистрирован: 21 сен 2020, 17:39
- Репутация: 5
- Контактная информация:
Re: STB5100 USB MOTION CARD
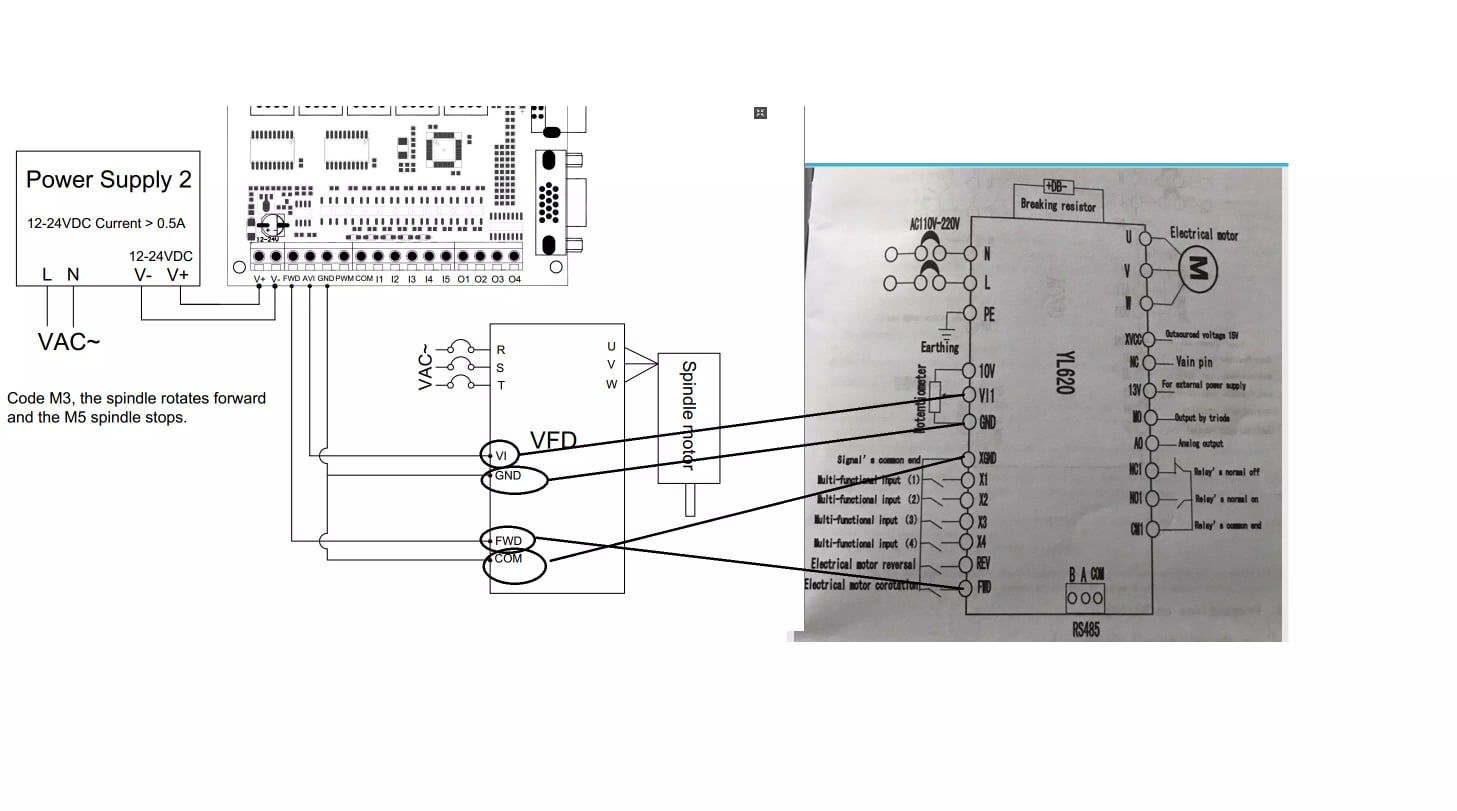
Добрый день! Может кто нибудь подсказать подключение инвертора yl620 к этой плате, никак не могу понять схему
-
egart
- Кандидат
- Сообщения: 53
- Зарегистрирован: 26 авг 2020, 04:39
- Репутация: 12
- Настоящее имя: Артем
- Откуда: Мск
- Контактная информация:
Re: STB5100 USB MOTION CARD
День добрый! вот так не работает?Anubis2024 писал(а): ↑24 сен 2020, 02:15 Добрый день! Может кто нибудь подсказать подключение инвертора yl620 к этой плате, никак не могу понять схему
PS: а параметрах частотника P00.01 = 1, P07.08 = 3
-
Anubis2024
- Новичок
- Сообщения: 6
- Зарегистрирован: 21 сен 2020, 17:39
- Репутация: 5
- Контактная информация:
Re: STB5100 USB MOTION CARD
Как я понимаю xgnd и fwd нужно замкнуть?
-
egart
- Кандидат
- Сообщения: 53
- Зарегистрирован: 26 авг 2020, 04:39
- Репутация: 12
- Настоящее имя: Артем
- Откуда: Мск
- Контактная информация:
Re: STB5100 USB MOTION CARD
fwd и xgnd замкнет сам плата STB когда получит команду M3. и тем самым включит шпиндель
-
Anubis2024
- Новичок
- Сообщения: 6
- Зарегистрирован: 21 сен 2020, 17:39
- Репутация: 5
- Контактная информация:
Re: STB5100 USB MOTION CARD
большое спасибо!!! буду пробовать
-
Anubis2024
- Новичок
- Сообщения: 6
- Зарегистрирован: 21 сен 2020, 17:39
- Репутация: 5
- Контактная информация:
Re: STB5100 USB MOTION CARD
Добрый день, ещё раз! Подключил все по схеме , настроил Mach3, но не изменятся частота с компьютера, только вручную. Частотник настроил Под управление с платы. Может нужно как то задействовать pwm ?
-
egart
- Кандидат
- Сообщения: 53
- Зарегистрирован: 26 авг 2020, 04:39
- Репутация: 12
- Настоящее имя: Артем
- Откуда: Мск
- Контактная информация:
Re: STB5100 USB MOTION CARD
А точно? P07.08=3 ? просто частотник с этой настройкой вручную не будет управляться вроде
-
Anubis2024
- Новичок
- Сообщения: 6
- Зарегистрирован: 21 сен 2020, 17:39
- Репутация: 5
- Контактная информация:
Re: STB5100 USB MOTION CARD
P07.08 я настроил по-другому (не 3)
-
egart
- Кандидат
- Сообщения: 53
- Зарегистрирован: 26 авг 2020, 04:39
- Репутация: 12
- Настоящее имя: Артем
- Откуда: Мск
- Контактная информация:
Re: STB5100 USB MOTION CARD
а зачем по-другому, если для задания частоты с входа 0-10в нужен именно этот параметр?
-
vovast555
- Кандидат
- Сообщения: 72
- Зарегистрирован: 27 сен 2020, 20:55
- Репутация: 2
- Настоящее имя: Владимир
- Контактная информация:
Re: STB5100 USB MOTION CARD
подскажите как контроллер стоит брать или посоветуйте альтернативу?
-
vovast555
- Кандидат
- Сообщения: 72
- Зарегистрирован: 27 сен 2020, 20:55
- Репутация: 2
- Настоящее имя: Владимир
- Контактная информация:
Re: STB5100 USB MOTION CARD
ЧТО НИКТО НЕ СКАЖЕТ КАК ОН В РАБОТЕ
-
egart
- Кандидат
- Сообщения: 53
- Зарегистрирован: 26 авг 2020, 04:39
- Репутация: 12
- Настоящее имя: Артем
- Откуда: Мск
- Контактная информация:
Re: STB5100 USB MOTION CARD
он работает. и делает то, что от него ожидают. что ожидаете от него Вы никто не знает, вот и молчат.
-
vovast555
- Кандидат
- Сообщения: 72
- Зарегистрирован: 27 сен 2020, 20:55
- Репутация: 2
- Настоящее имя: Владимир
- Контактная информация:
Re: STB5100 USB MOTION CARD
я ожидаю рабочий девайс а не глюки
-
vovast555
- Кандидат
- Сообщения: 72
- Зарегистрирован: 27 сен 2020, 20:55
- Репутация: 2
- Настоящее имя: Владимир
- Контактная информация:
Re: STB5100 USB MOTION CARD
может есть у кого скрипт нуля оси z для этой платы а то все перепробывал не один не работает буду очень благодарен
- shalek
- Почётный участник

- Сообщения: 3023
- Зарегистрирован: 25 авг 2014, 10:40
- Репутация: 2583
- Настоящее имя: Александр
- Откуда: РБ Бобруйск
- Контактная информация:
Re: STB5100 USB MOTION CARD
Если ты не можешь решить проблему, значит это не твоя проблема!
Мой канал на YouTube: YouTube
ЧПУ "Бобр" 600x500 мм
shalek64@gmail.com
Мой канал на YouTube: YouTube
ЧПУ "Бобр" 600x500 мм
shalek64@gmail.com
-
vovast555
- Кандидат
- Сообщения: 72
- Зарегистрирован: 27 сен 2020, 20:55
- Репутация: 2
- Настоящее имя: Владимир
- Контактная информация:
Re: STB5100 USB MOTION CARD
не один не заработал пробовал есть такие выкидывает из мача
-
vovast555
- Кандидат
- Сообщения: 72
- Зарегистрирован: 27 сен 2020, 20:55
- Репутация: 2
- Настоящее имя: Владимир
- Контактная информация:
Re: STB5100 USB MOTION CARD
извиняюсь нижний работает но не знаю где прописать толщину датчика