Автономный контроллер для самодельного лазерного гравера
-
Aleksey173
- Новичок
- Сообщения: 21
- Зарегистрирован: 27 мар 2017, 08:29
- Репутация: 23
- Настоящее имя: Алексей
- Контактная информация:
Re: Автономный контроллер для самодельного лазерного гравера
Здравствуте!Вопрос автору,помогите понять в чём причина,прошил ардуинку ,пробую через конвертатор настроить параметры выдает ошибку. Причём ком порт видит ,а сеттинг ошибка.
-
4arus
- Кандидат
- Сообщения: 69
- Зарегистрирован: 21 июл 2017, 07:21
- Репутация: 126
- Настоящее имя: Олег
- Контактная информация:
Re: Автономный контроллер для самодельного лазерного гравера
У меня тоже вопрос к автору. Какой номинал резистора R12 и нужен ли он.
- ArrSoft
- Мастер
- Сообщения: 424
- Зарегистрирован: 20 май 2017, 18:31
- Репутация: 235
- Настоящее имя: добродушненький
- Контактная информация:
Re: Автономный контроллер для самодельного лазерного гравера
R12 это яркость подсветки( 50-200Ом) , на некоторых платах дисплея он есть, так что можно не ставить, а впаять перемычку.4arus писал(а):У меня тоже вопрос к автору. Какой номинал резистора R12 и нужен ли он.
плату делал не автор.
-
4arus
- Кандидат
- Сообщения: 69
- Зарегистрирован: 21 июл 2017, 07:21
- Репутация: 126
- Настоящее имя: Олег
- Контактная информация:
Re: Автономный контроллер для самодельного лазерного гравера
Спасибо. Вопрос был к автору платыArrSoft писал(а):R12 это яркость подсветки( 50-200Ом) , на некоторых платах дисплея он есть, так что можно не ставить, а впаять перемычку.
плату делал не автор.
-
Andrey_Pavkin
- Мастер
- Сообщения: 211
- Зарегистрирован: 09 янв 2017, 12:10
- Репутация: 293
- Настоящее имя: Andrey
- Контактная информация:
Re: Автономный контроллер для самодельного лазерного гравера
Попробуйте перепошить ардуино, повторно, мне помогло.Aleksey173 писал(а):Здравствуте!Вопрос автору,помогите понять в чём причина,прошил ардуинку ,пробую через конвертатор настроить параметры выдает ошибку. Причём ком порт видит ,а сеттинг ошибка.
-
Aleksey173
- Новичок
- Сообщения: 21
- Зарегистрирован: 27 мар 2017, 08:29
- Репутация: 23
- Настоящее имя: Алексей
- Контактная информация:
Re: Автономный контроллер для самодельного лазерного гравера
Здравствуйте.пробовал, не помогает.Ардуинка про мини,сегодня попробую нано,может поможет.В принципе контроллер то одинаковый.Непонятно чего нехватает.
- ArrSoft
- Мастер
- Сообщения: 424
- Зарегистрирован: 20 май 2017, 18:31
- Репутация: 235
- Настоящее имя: добродушненький
- Контактная информация:
Re: Автономный контроллер для самодельного лазерного гравера
У Вас старый конвертатор, по новой скачайте конвертатор и прошивку, автор их обновил, старый конвертатор не будет работать с новой прошивкой и наоборот.Aleksey173 писал(а):Здравствуйте.пробовал, не помогает.Ардуинка про мини,сегодня попробую нано,может поможет.В принципе контроллер то одинаковый.Непонятно чего нехватает.
-
Aleksey173
- Новичок
- Сообщения: 21
- Зарегистрирован: 27 мар 2017, 08:29
- Репутация: 23
- Настоящее имя: Алексей
- Контактная информация:
Re: Автономный контроллер для самодельного лазерного гравера
Пробовал скачивать последний раз 23.07.2017.Может чего комп ну или руку крюки.Прошу сильно не пинать.
- Козёл
- Мастер
- Сообщения: 252
- Зарегистрирован: 15 мар 2017, 12:07
- Репутация: 482
- Настоящее имя: Артурио
- Откуда: Бишкек
- Контактная информация:
Re: Автономный контроллер для самодельного лазерного гравера
Скачайте из первого сообщения прошивку и конвертер, а то я смотрю некоторые до сих пор скачивают не тот файл.Aleksey173 писал(а):Пробовал скачивать последний раз 23.07.2017.Может чего комп ну или руку крюки.
Затем в конвертере перейдите в Machine -> Serial Port и выберите свой порт. Первое отображение настроек (после подключения контроллера к ПК) займет 3 секунды, т.к. Windows посылает команду сброса на Arduino, а на Arduino запускается загрузчик и только через несколько секунд прошивка.
Ну или подробней как-то напишите, что у вас не получается. Скриншоты обязательно приложите.
Без подключенного LCD ни чего работать не будет, вообще ни как! :)ArrSoft писал(а):да сейчас у себя проверил, все работает.
-
Aleksey173
- Новичок
- Сообщения: 21
- Зарегистрирован: 27 мар 2017, 08:29
- Репутация: 23
- Настоящее имя: Алексей
- Контактная информация:
Re: Автономный контроллер для самодельного лазерного гравера
Припаял лсд и сд ,всё заработало!!Большое спасибо за помощь! Теперь можно станок собирать и тестить.
-
4arus
- Кандидат
- Сообщения: 69
- Зарегистрирован: 21 июл 2017, 07:21
- Репутация: 126
- Настоящее имя: Олег
- Контактная информация:
Re: Автономный контроллер для самодельного лазерного гравера
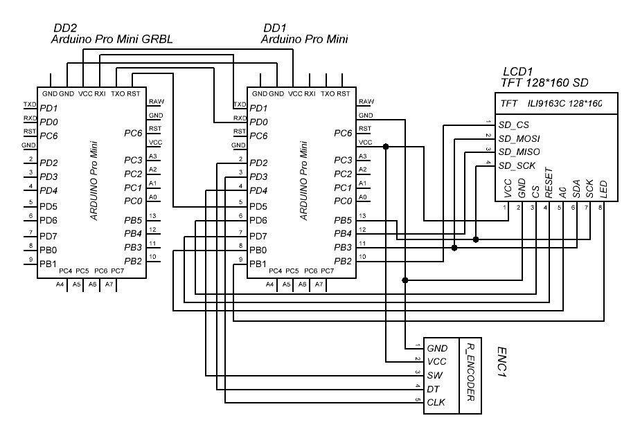
Вариант платы под ЛУТ. (Прошу тапками не кидаться, я только учусь)
При пайке разьема под ардуинку, удалите лишние пины из разьема. Знающие всегда могут подправить.
НЕ ЗАБУДЬТЕ ОТЗЕРКАЛИТЬ!
НЕ ЗАБУДЬТЕ ОТЗЕРКАЛИТЬ!
- Вложения
-
- Lay.zip
- (27.17 КБ) 627 скачиваний
-
pchela5
- Новичок
- Сообщения: 16
- Зарегистрирован: 12 июл 2017, 09:48
- Репутация: 15
- Настоящее имя: Александр
- Контактная информация:
Re: Автономный контроллер для самодельного лазерного гравера
Без подключенного дисплея ни чего работать не будет, вообще ни как!!!
Один раз я только встречал в частотомере у Коробейникова подключение RW ножки дисплея к контроллеру - обычно на землю сажают. Автор, если не секрет, для чего ты читаешь из него данные? Дюже интересно.- Козёл
- Мастер
- Сообщения: 252
- Зарегистрирован: 15 мар 2017, 12:07
- Репутация: 482
- Настоящее имя: Артурио
- Откуда: Бишкек
- Контактная информация:
Re: Автономный контроллер для самодельного лазерного гравера
Чтобы знать, что дисплей выполнил команду и можно отправлять следующую.pchela5 писал(а):Автор, если не секрет, для чего ты читаешь из него данные? Дюаже интересно.
- ArrSoft
- Мастер
- Сообщения: 424
- Зарегистрирован: 20 май 2017, 18:31
- Репутация: 235
- Настоящее имя: добродушненький
- Контактная информация:
Re: Автономный контроллер для самодельного лазерного гравера
для фрезера надо делать контроллер, а то люди мучаются
-
Aleksey173
- Новичок
- Сообщения: 21
- Зарегистрирован: 27 мар 2017, 08:29
- Репутация: 23
- Настоящее имя: Алексей
- Контактная информация:
Re: Автономный контроллер для самодельного лазерного гравера
Здравствуйте,а в конверторе функция выжигания нихромом теперь недоступна .Значит только лазер,а нихром?
- Козёл
- Мастер
- Сообщения: 252
- Зарегистрирован: 15 мар 2017, 12:07
- Репутация: 482
- Настоящее имя: Артурио
- Откуда: Бишкек
- Контактная информация:
Re: Автономный контроллер для самодельного лазерного гравера
Где это люди мучаются?ArrSoft писал(а):для фрезера надо делать контроллер, а то люди мучаются
Почему недоступна, у вас стоит галочка Use black and white palette - снимите ее. И также поставьте Dithering -> None.Aleksey173 писал(а):Здравствуйте,а в конверторе функция выжигания нихромом теперь недоступна .Значит только лазер,а нихром?
- ArrSoft
- Мастер
- Сообщения: 424
- Зарегистрирован: 20 май 2017, 18:31
- Репутация: 235
- Настоящее имя: добродушненький
- Контактная информация:
Re: Автономный контроллер для самодельного лазерного гравера
Козёл, сделай для фрезера контроллер, а то люди мучаются, с ардуино на ардуино отправляют.
Сделай что бы что бы без такого огорода работала, знаю что можешь.
тебе тысячи людей спасибо скажут, у тебя все работает отлично, сделай из доступных и недорогих деталей, и без заморочек всяких.
вот для примера посмотри что люди городят;
Сделай что бы что бы без такого огорода работала, знаю что можешь.
тебе тысячи людей спасибо скажут, у тебя все работает отлично, сделай из доступных и недорогих деталей, и без заморочек всяких.
вот для примера посмотри что люди городят;
- yurayerz
- Опытный
- Сообщения: 132
- Зарегистрирован: 04 янв 2015, 02:46
- Репутация: 33
- Настоящее имя: Юрий
- Откуда: Ярославль
- Контактная информация:
Re: Автономный контроллер для самодельного лазерного гравера
+100500. Обеими руками.ArrSoft писал(а):Козёл, сделай для фрезера контроллер, а то люди мучаются, с ардуино на ардуино отправляют.
Сделай что бы что бы без такого огорода работала, знаю что можешь.
тебе тысячи людей спасибо скажут, у тебя все работает отлично, сделай из доступных и недорогих деталей, и без заморочек всяких.
Ниша дешевых (до 8тыр.) автономных контроллеров для самодельных ЧПУ-фрезеров (типа Proxxon MF-70) существует и почти пуста. 2-3 решения есть, но каждое слегка ущербно. Вот еще тут китайцы кота в мешке продают. Может это прорыв, а может и пшик. Поэтому, тому кто изобретет автономный контроллер из доступных и недорогих деталей - при жизни поставят памятник!
- Serg
- Мастер
- Сообщения: 21923
- Зарегистрирован: 17 апр 2012, 14:58
- Репутация: 5183
- Заслуга: c781c134843e0c1a3de9
- Настоящее имя: Сергей
- Откуда: Москва
- Контактная информация:
Re: Автономный контроллер для самодельного лазерного гравера
Я могу ещё раз эту ссылку запостить, мне не трудно... 
http://www.cnczone.ru/forums/index.php?showtopic=3334
http://www.cnczone.ru/forums/index.php?showtopic=3334
Я не Христос, рыбу не раздаю, но могу научить, как сделать удочку...
- yurayerz
- Опытный
- Сообщения: 132
- Зарегистрирован: 04 янв 2015, 02:46
- Репутация: 33
- Настоящее имя: Юрий
- Откуда: Ярославль
- Контактная информация:
Re: Автономный контроллер для самодельного лазерного гравера
Ну да, одно из тех решений, что я поминал. Контроллер М.Кнутарева. Он есть у меня. Остальные два - француза Арнауда и на Атмеге32 С.Ефремова. Для меня неудобен - очень мелкий шрифт на дисплее. Тупо зрения не хватает. Кому надо - обращайтесь, продам. Валяется прошитый. Клавиатура 4х4 в подарок. Подключать - самостоятельно.