Концевики лучше питать от платы, иначе может сгореть преобразователь питания на плате. А может и не сгореть. Завтсит от схемы включения и от самих концевиков.Smlua писал(а):Пока подключил к старому станку, немножко поигрался с концевиками, подключал их от отдельного блочка на 12В. все работает прекрасно. Спасибо за труд, Михаил.
StepMaster ver 2.5
- michael-yurov
- Почётный участник

- Сообщения: 11730
- Зарегистрирован: 26 июл 2012, 00:10
- Репутация: 4703
- Настоящее имя: Михаил Львович
- Откуда: Новоуральск
- Контактная информация:
Re: StepMaster ver 2.5
-
Smlua
- Мастер
- Сообщения: 806
- Зарегистрирован: 15 май 2017, 16:29
- Репутация: 374
- Настоящее имя: Mikhail
- Контактная информация:
Re: StepMaster ver 2.5
сделал как написано, подключил "-" на плату, плюсы на блок и завел минусы и сигнальные на концевики. все работает. получается что питание платы не задействовано насколько я понял. почему так сделал, на концевиках нагрузка написана 300мА. побоялся
- michael-yurov
- Почётный участник

- Сообщения: 11730
- Зарегистрирован: 26 июл 2012, 00:10
- Репутация: 4703
- Настоящее имя: Михаил Львович
- Откуда: Новоуральск
- Контактная информация:
Re: StepMaster ver 2.5
Это допустимая нагрузка на выход датчика. Это не его потребление. Потребление - единицы миллиампер.Smlua писал(а):на концевиках нагрузка написана 300мА. побоялся
Все равно задействовано - от питания платы загораются светодиоды, и открываются оптопары.Smlua писал(а):получается что питание платы не задействовано насколько я понял.
-
Smlua
- Мастер
- Сообщения: 806
- Зарегистрирован: 15 май 2017, 16:29
- Репутация: 374
- Настоящее имя: Mikhail
- Контактная информация:
Re: StepMaster ver 2.5
В общем-то, не обязательно. Можно и так оставить.
-
Smlua
- Мастер
- Сообщения: 806
- Зарегистрирован: 15 май 2017, 16:29
- Репутация: 374
- Настоящее имя: Mikhail
- Контактная информация:
Re: StepMaster ver 2.5
о. хорошо) переключу как нужно. Спасибо.
-
wally
- Новичок
- Сообщения: 15
- Зарегистрирован: 23 янв 2015, 14:54
- Репутация: 0
- Настоящее имя: Алексей
- Контактная информация:
Re: StepMaster ver 2.5
Здравствуйте. Михаил а можно ли подключить датчик речь о котором шла в посте №125 по такой схеме?
- Argon-11
- Мастер
- Сообщения: 2068
- Зарегистрирован: 07 июн 2017, 17:48
- Репутация: 461
- Контактная информация:
Re: StepMaster ver 2.5
Я немного не Михаил, но повзолю себе вклиниться... Так датчик подключить нельзя. Для уточнения дайте распайку разъема Jack 3.5 или ссылку на сам датчик. Ну и что за + и - у "ЧПУ-контроллера". Хотя бы фото этой платы нужно.
Вкратце: по всей видимости, у датчика 2 линии - питание "плюс", "минус" и третья линия - сигнальная. Питание датчика подаете от блока питания. Минус питания (называться может "минус", "земля", GND, 0V) подключаете к аналогичной цепи "ЧПУ-контроллера", сигнальную заводите на сигнальную линию. А сейчас по Вашей схеме что-то непонятное, чреватое голубым дымком.
Вкратце: по всей видимости, у датчика 2 линии - питание "плюс", "минус" и третья линия - сигнальная. Питание датчика подаете от блока питания. Минус питания (называться может "минус", "земля", GND, 0V) подключаете к аналогичной цепи "ЧПУ-контроллера", сигнальную заводите на сигнальную линию. А сейчас по Вашей схеме что-то непонятное, чреватое голубым дымком.
- michael-yurov
- Почётный участник

- Сообщения: 11730
- Зарегистрирован: 26 июл 2012, 00:10
- Репутация: 4703
- Настоящее имя: Михаил Львович
- Откуда: Новоуральск
- Контактная информация:
Re: StepMaster ver 2.5
Датчик, о котором шла речь в №125 посте нужно подключать так, как я это рекомендовал в №125 посте. http://www.cnc-club.ru/forum/viewtopic. ... 20#p292985wally писал(а):Здравствуйте. Михаил а можно ли подключить датчик речь о котором шла в посте №125 по такой схеме?
Если подключить так, как на вашей схеме - с большой вероятностью сгорит и датчик и плата.
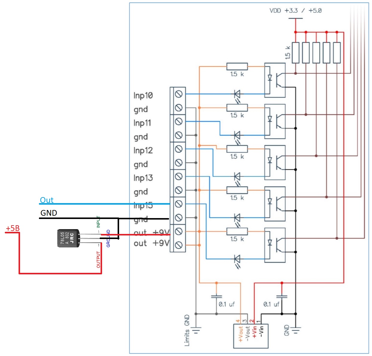
То, что нарисовано здесь на схеме в №486 посте - подключить можно так (если для питания не подписанной микросхемы нужно именно 5 В): Можно использовать отдельный источник питания, например, старый зарядник на 5 В от сотового телефона.
Если все же речь про пурелоджиковский датчик - то схема его подключения есть у них в документации. Она ничем не отличается от схемы подключения индуктивного датчика NPN. Даже цвета проводов совпадают.
И в документации на степмастер есть схема подключения NPN датчиков.
-
wally
- Новичок
- Сообщения: 15
- Зарегистрирован: 23 янв 2015, 14:54
- Репутация: 0
- Настоящее имя: Алексей
- Контактная информация:
Re: StepMaster ver 2.5
речь идет про этот датчик http://www.cnc-club.ru/forum/viewtopic. ... 3e07b6be12, усложнять схему отдельным источником питания ни желания ни смысла не вижу если все будет работать по указанной вами схеме, единственный нюанс у меня stepmaster первой версии, подключение останется прежним?
- michael-yurov
- Почётный участник

- Сообщения: 11730
- Зарегистрирован: 26 июл 2012, 00:10
- Репутация: 4703
- Настоящее имя: Михаил Львович
- Откуда: Новоуральск
- Контактная информация:
Re: StepMaster ver 2.5
Ну так это совсем не тот датчик, что в №125 посте.wally писал(а):речь идет про этот датчик http://www.cnc-club.ru/forum/viewtopic. ... 3e07b6be12
Конечно же нет! У степмастера первой версии клеммы расположены по другому. Не совпадают ни по количеству контактов ни по надписям на плате.wally писал(а):единственный нюанс у меня stepmaster первой версии, подключение останется прежним?
Для степмастера первой версии есть отдельная тема: http://www.cnc-club.ru/forum/viewtopic.php?f=41&t=5529
-
wally
- Новичок
- Сообщения: 15
- Зарегистрирован: 23 янв 2015, 14:54
- Репутация: 0
- Настоящее имя: Алексей
- Контактная информация:
Re: StepMaster ver 2.5
Эту тему видел, обсуждение первой версии закончилось в 2015 году. Может плохо смотрел, но как правильно подключить такой датчик к stepmaster обсуждения не нашел, поэтому и обратился с данной проблемой.
- michael-yurov
- Почётный участник

- Сообщения: 11730
- Зарегистрирован: 26 июл 2012, 00:10
- Репутация: 4703
- Настоящее имя: Михаил Львович
- Откуда: Новоуральск
- Контактная информация:
Re: StepMaster ver 2.5
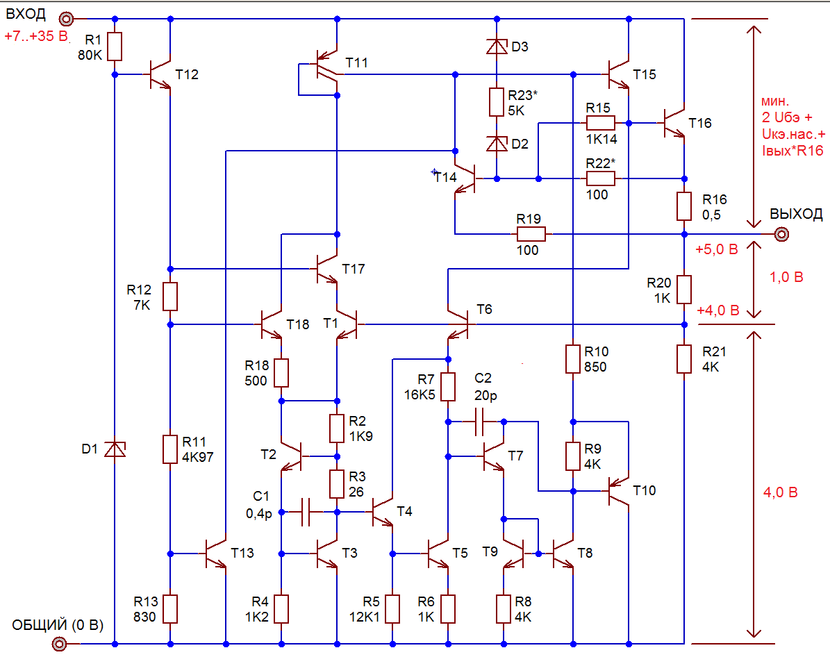
Ну, время, чтобы ответить на вопрос я уже потратил. И как датчик из #125 поста подключить рассказал, и как датчик из #486 поста подключить - тоже рассказал, и, даже картинку нарисовал.
Третий раз отвечать уже нет ни сил ни желания. Во всяком случае сегодня.
В общем-то подключение аналогичное тому, что нарисовал в #488 сообщении. Но клеммы на плате по другому расположены.
Схема входв степмастра показана в документации.
Третий раз отвечать уже нет ни сил ни желания. Во всяком случае сегодня.
В общем-то подключение аналогичное тому, что нарисовал в #488 сообщении. Но клеммы на плате по другому расположены.
Схема входв степмастра показана в документации.
-
olegprom19
- Опытный
- Сообщения: 117
- Зарегистрирован: 05 июн 2017, 18:28
- Репутация: 7
- Настоящее имя: Олег
- Контактная информация:
Re: StepMaster ver 2.5
а почему не запитать датчик от ЧПУ контроллера?
судя по схеме датчика он при "срабатывании" подключает сигнальный провод на землю
в выключенном состоянии на нем потенциал близкий к источнику питания
ссори. не увидел ответы сразу
если 5в для датчика критичны, то маленький стабилизатор типа 78l05 (который будет из 9в делать 5в) и далее по стандартной схеме...
можно его в термоусадку "закатать"
как вариант можно DC-DC поменять на меньшее выходное напряжение, при этом ток светодиодов уменьшиться может и резисторы нагрузочные поменять придется, а может и нет
судя по схеме датчика он при "срабатывании" подключает сигнальный провод на землю
в выключенном состоянии на нем потенциал близкий к источнику питания
ссори. не увидел ответы сразу
если 5в для датчика критичны, то маленький стабилизатор типа 78l05 (который будет из 9в делать 5в) и далее по стандартной схеме...
можно его в термоусадку "закатать"
как вариант можно DC-DC поменять на меньшее выходное напряжение, при этом ток светодиодов уменьшиться может и резисторы нагрузочные поменять придется, а может и нет
-
wally
- Новичок
- Сообщения: 15
- Зарегистрирован: 23 янв 2015, 14:54
- Репутация: 0
- Настоящее имя: Алексей
- Контактная информация:
Re: StepMaster ver 2.5
планировал просто стабилизатор в сам датчик поместить, немного плату придется только переделать.
-
olegprom19
- Опытный
- Сообщения: 117
- Зарегистрирован: 05 июн 2017, 18:28
- Репутация: 7
- Настоящее имя: Олег
- Контактная информация:
Re: StepMaster ver 2.5
ещё лучше тогда можно мелкий взять в sot23 корпусеwally писал(а):планировал просто стабилизатор в сам датчик поместить, немного плату придется только переделать.
- Shkryab
- Опытный
- Сообщения: 143
- Зарегистрирован: 15 июн 2017, 21:25
- Репутация: 18
- Настоящее имя: Леонидыч
- Откуда: Страна, которой нет
- Контактная информация:
Re: StepMaster ver 2.5
Только про конденсаторы не забывайте. Керамика, 0u1, прямо на ноги микросхемы.olegprom19 писал(а):если 5в для датчика критичны, то маленький стабилизатор типа 78l05 (который будет из 9в делать 5в) и далее по стандартной схеме...
Довелось мне видеть как отдельные экземпляры 7805 восхитительно возбуждались на частоте в мегагерцы, если их не заблокировать конденсаторами...
-
olegprom19
- Опытный
- Сообщения: 117
- Зарегистрирован: 05 июн 2017, 18:28
- Репутация: 7
- Настоящее имя: Олег
- Контактная информация:
Re: StepMaster ver 2.5
там по выходу DC-DC стоит 0.1мкФ
с возбуждением не сталкивался...
а откуда там частота? на датчике нету, только если с DC-DC прилетит
п.с. по даташиту конечно положено кондеры
с возбуждением не сталкивался...
а откуда там частота? на датчике нету, только если с DC-DC прилетит
п.с. по даташиту конечно положено кондеры
- Shkryab
- Опытный
- Сообщения: 143
- Зарегистрирован: 15 июн 2017, 21:25
- Репутация: 18
- Настоящее имя: Леонидыч
- Откуда: Страна, которой нет
- Контактная информация:
Re: StepMaster ver 2.5
Блокировочные конденсаторы должны стоять как можно ближе к микросхеме. В идеале -- прямо на её ногах.olegprom19 писал(а):там по выходу DC-DC стоит 0.1мкФ
Я сталкивался. Давно, когда был молодым и глупым и не читал даташиты. Генерила микросхема 7805. Душевно так -- при определённом токе нагрузки на выходе возникал меандр размахом от нуля до 5В.olegprom19 писал(а):с возбуждением не сталкивался...
И не зря.olegprom19 писал(а):п.с. по даташиту конечно положено кондеры
-
olegprom19
- Опытный
- Сообщения: 117
- Зарегистрирован: 05 июн 2017, 18:28
- Репутация: 7
- Настоящее имя: Олег
- Контактная информация:
Re: StepMaster ver 2.5
как она может генерить?Shkryab писал(а):Генерила микросхема 7805. Душевно так -- при определённом токе нагрузки на выходе возникал меандр размахом от нуля до 5В.
стабилизатор напряжения...
может на входе 7805 импульсный БП был?
- Shkryab
- Опытный
- Сообщения: 143
- Зарегистрирован: 15 июн 2017, 21:25
- Репутация: 18
- Настоящее имя: Леонидыч
- Откуда: Страна, которой нет
- Контактная информация:
Re: StepMaster ver 2.5
Есть многое на свете друг Горацио...olegprom19 писал(а):как она может генерить?
Не, трансформатор и мостовой выпрямитель. Но на выходе изрядный кусок провода, а на конце ёмкость.olegprom19 писал(а):стабилизатор напряжения...
может на входе 7805 импульсный БП был?
Подробностей уже не помню, вроде питал схему с несколькими десятками корпусов 555 логики. Вся логика была блокирована по питанию, а стабилизатор забыл. Вот и нарвался.
Думаю, не стоит оффтопить в чужой теме. Я не собираюсь вас убеждать, можете мне не верить. Но конденсаторы на 7805 лучше ставьте, от греха...