Платы проекта PinCET (готовим замену MESA) linuxcnc
Правила форума
Разрешается публиковать предложения по покупке/продаже как физическим лицам так и коммерческим организациям, при соблюдении следующих условий:
1. должны присутствовать характеристики товаров
2. должна присутствовать стоимость товара
3. должно присутствовать описание способов оплаты и доставки
4. один продавец - одна тема
Фотографии товаров приветствуются (фотографии должны быть вложениями к сообщениям).
Возможно размещение ссылки на свой сайт, с описанием товара, при обязательном соблюдении пунктов 1-3!
При несоблюдении правил тема перемещается в Карантин, откуда автоматически удаляется через 2 дня!
Администрация форума может удалить тему или сообщения из данного раздела на свое усмотрение, без объяснения причин!
Разрешается публиковать предложения по покупке/продаже как физическим лицам так и коммерческим организациям, при соблюдении следующих условий:
1. должны присутствовать характеристики товаров
2. должна присутствовать стоимость товара
3. должно присутствовать описание способов оплаты и доставки
4. один продавец - одна тема
Фотографии товаров приветствуются (фотографии должны быть вложениями к сообщениям).
Возможно размещение ссылки на свой сайт, с описанием товара, при обязательном соблюдении пунктов 1-3!
При несоблюдении правил тема перемещается в Карантин, откуда автоматически удаляется через 2 дня!
Администрация форума может удалить тему или сообщения из данного раздела на свое усмотрение, без объяснения причин!
-
Фрост
- Мастер
- Сообщения: 393
- Зарегистрирован: 28 окт 2013, 00:18
- Репутация: 23
- Настоящее имя: Сергей
- Контактная информация:
Re: Плата управления ЧПУ под LinuxCNC (готовим замену MESA)
Так понимаю это мои. Через пару недель собираюсь приступить
-
ex71
- Мастер
- Сообщения: 759
- Зарегистрирован: 18 май 2019, 13:23
- Репутация: 109
- Настоящее имя: Андрей
- Контактная информация:
Re: Плата управления ЧПУ под LinuxCNC (готовим замену MESA)
Закончил основные подключения и настройку своего токарного станка. Пока все на полочках, коробках, но физически подключено и работает.
Максим постоянно помогает советами. Правда я пытаюсь разобраться сам с нуля. Не удается мне выдрать из готовых конфигов рабочие куски - все изучаю и пишу под себя, поэтому медленно. Карты заказывал кажется в мае ) Неспешно начал внедрять с 5 сентября.
В пятницу Максим убедил меня, что я не правильно настроил PID - станок имел проблему с позиционированием. Ездил волнами, постоянно не доходил на 0.1-0.2мм
Неспешными наскоками потратил два дня на перенастройку драйверов совместно с PID. Теперь по G0 суппорт носится в районе 4000мм/мин. Точность позиционирования 0.002мм (энкодер не позволяет точнее).
Сегодня весь день точил детальки. Делаю базирование по концевикам, выставляю размеры X/Z. Точу 10 деталей подряд. На внешней стороне 2 поверхности - одна от чернового резца, вторая от чистового с переходом в радиус. Все 10 деталей идеально совпадают по размерам. На черновом 92.00, на чистовом 88.00. На всех сотка в сотку. На 15 начинает подсаживаться резец и диаметр уходит на 0.02мм. Вношу корректор и дальше еще 10-15 идентичны.
На родной стойке я точил втулки с допуском в 6 соток. Но размер постоянно плавал на 2-4 сотки. Тогда мне говорили - что станок не позволит точнее. Нуууу проблема была не в механике...
Скорость обработки, по сравнению с родной ЧПУ, поднялась на 20% только за счет G0.
Знакомый сначала говорил, что я занимаюсь ерундой и надо было починить родную ЧПУ. Сегодня он передумал, начинает копить бабки на замену своего Микроса. Я вообще не знаю зачем 1.5 года чинил родную ЧПУ...
Когда покупал платы, думал: "мало входов - нет портов для пульта", "может взять всеми проверенную месу?", "eth/pci?".
Сейчас однозначно рекомендую данные платы. Сейчас еще есть 5 свободных портов (пока ни одной железкой кнопки не ставил, e-stop тоже нету). Еще 5 портов освобожу переделав револьверку. Станок управляется с клавы, нужды во внешнем полноценном пульте оператора НЕТ. Тем более нет необходимости во всяких (как их называют) штурвалах.. Простые программы перемещений в нужную точку пишу прям "на станке", не смотря в монитор.
У меня ETH карта - скорости работы хватает. За почти два дня работы (более 400 деталей) раз 6 падал в рассогласование координат при G0 - буду еще тюнить PID и завтра поменяю комп (на этом джиттер 25-35, иногда вываливается в 40).
Самое важное, что хотелось бы: уже определится с названием проекта. А то сложно объяснять людям, что именно я купил.
Максим постоянно помогает советами. Правда я пытаюсь разобраться сам с нуля. Не удается мне выдрать из готовых конфигов рабочие куски - все изучаю и пишу под себя, поэтому медленно. Карты заказывал кажется в мае ) Неспешно начал внедрять с 5 сентября.
В пятницу Максим убедил меня, что я не правильно настроил PID - станок имел проблему с позиционированием. Ездил волнами, постоянно не доходил на 0.1-0.2мм
Неспешными наскоками потратил два дня на перенастройку драйверов совместно с PID. Теперь по G0 суппорт носится в районе 4000мм/мин. Точность позиционирования 0.002мм (энкодер не позволяет точнее).
Сегодня весь день точил детальки. Делаю базирование по концевикам, выставляю размеры X/Z. Точу 10 деталей подряд. На внешней стороне 2 поверхности - одна от чернового резца, вторая от чистового с переходом в радиус. Все 10 деталей идеально совпадают по размерам. На черновом 92.00, на чистовом 88.00. На всех сотка в сотку. На 15 начинает подсаживаться резец и диаметр уходит на 0.02мм. Вношу корректор и дальше еще 10-15 идентичны.
На родной стойке я точил втулки с допуском в 6 соток. Но размер постоянно плавал на 2-4 сотки. Тогда мне говорили - что станок не позволит точнее. Нуууу проблема была не в механике...
Скорость обработки, по сравнению с родной ЧПУ, поднялась на 20% только за счет G0.
Знакомый сначала говорил, что я занимаюсь ерундой и надо было починить родную ЧПУ. Сегодня он передумал, начинает копить бабки на замену своего Микроса. Я вообще не знаю зачем 1.5 года чинил родную ЧПУ...
Когда покупал платы, думал: "мало входов - нет портов для пульта", "может взять всеми проверенную месу?", "eth/pci?".
Сейчас однозначно рекомендую данные платы. Сейчас еще есть 5 свободных портов (пока ни одной железкой кнопки не ставил, e-stop тоже нету). Еще 5 портов освобожу переделав револьверку. Станок управляется с клавы, нужды во внешнем полноценном пульте оператора НЕТ. Тем более нет необходимости во всяких (как их называют) штурвалах.. Простые программы перемещений в нужную точку пишу прям "на станке", не смотря в монитор.
У меня ETH карта - скорости работы хватает. За почти два дня работы (более 400 деталей) раз 6 падал в рассогласование координат при G0 - буду еще тюнить PID и завтра поменяю комп (на этом джиттер 25-35, иногда вываливается в 40).
Самое важное, что хотелось бы: уже определится с названием проекта. А то сложно объяснять людям, что именно я купил.
-
Фрост
- Мастер
- Сообщения: 393
- Зарегистрирован: 28 окт 2013, 00:18
- Репутация: 23
- Настоящее имя: Сергей
- Контактная информация:
Re: Плата управления ЧПУ под LinuxCNC (готовим замену MESA)
Существует мнение, что для аппаратной обработки (хоть меса, хоть эти) джиттер до 60к значения не имеет, вроде даже на сайте lcnc это видел. Если через лпт порт - тогда да, там имеет значениеex71 писал(а):на этом джиттер 25-35, иногда вываливается в 40
-
T00T
- Мастер
- Сообщения: 742
- Зарегистрирован: 16 дек 2011, 12:07
- Репутация: 100
- Контактная информация:
Re: Плата управления ЧПУ под LinuxCNC (готовим замену MESA)
По просьбам трудящихся, проекту дадим имя, проект будет называться - "PinCET"
Я не волшебник я пока учусь......
-
Adskiydart
- Опытный
- Сообщения: 145
- Зарегистрирован: 30 сен 2016, 19:23
- Репутация: 14
- Контактная информация:
Re: Платы проекта PinCET (готовим замену MESA) linuxcnc
Пинцет или все же пинсиети?)
Re: Платы проекта PinCET (готовим замену MESA) linuxcnc
Вот как есть...
Комплект плат PinCET для модернизации станков на Linuxcnc.
http://www.cnc-club.ru/forum/viewtopic. ... 16#p268407
http://www.cnc-club.ru/forum/viewtopic. ... 16#p268407
- Loituma
- Мастер
- Сообщения: 512
- Зарегистрирован: 28 ноя 2011, 21:45
- Репутация: 57
- Контактная информация:
Re: Платы проекта PinCET (готовим замену MESA) linuxcnc
добрый день.
есть станок гф3171 в процессе модернизации. готов купить готовый комплект, только есть вопрос по количеству входов и выходов. там надо примерно 30 входов если не больше. 12 инструментов, 6 концовиков, 3 датчика нуля, датчик положения шпинделя, 8 датчиков смены инструмента, датчик повышенной и пониженной передачи, и еще что то забыл точно. вопрос: на какое колво входов можно рассчитывать? про выхода: там точно больше 10ти, много гидравлики.
система будет на сервах с управлением степ дир, для связи оптические линейки ттл. главный двигатель кемрос +-10в.
аминь
есть станок гф3171 в процессе модернизации. готов купить готовый комплект, только есть вопрос по количеству входов и выходов. там надо примерно 30 входов если не больше. 12 инструментов, 6 концовиков, 3 датчика нуля, датчик положения шпинделя, 8 датчиков смены инструмента, датчик повышенной и пониженной передачи, и еще что то забыл точно. вопрос: на какое колво входов можно рассчитывать? про выхода: там точно больше 10ти, много гидравлики.
система будет на сервах с управлением степ дир, для связи оптические линейки ттл. главный двигатель кемрос +-10в.
аминь
-
ex71
- Мастер
- Сообщения: 759
- Зарегистрирован: 18 май 2019, 13:23
- Репутация: 109
- Настоящее имя: Андрей
- Контактная информация:
Re: Платы проекта PinCET (готовим замену MESA) linuxcnc
Магазин инструментов можно кодировать бинарным кодом Грея, то есть на 8 инструментов надо 3 входа, 16=4 входа и тп. Правда посложнее физическая реализация. Но можно хоть 500 инструментов держать в таблице и просто ставишь нужный в магазин, и станок сам его найдет и подгрузит корректоры.
Датчик положения шпинделя это обычно энкодер, он идет на отдельную плату - на входы не завязан никак.
В целом сама LCNC позволяет использовать на одной линии несколько концевиков. Аналогично и нулевые метки (номе), да и вообще в качестве HOME можно конфигурить концевик. То есть достаточно 6 концевиков.
Если вообще беда со входами, то можно все концевики повесить на один вход. Работать будет, но не удобно.
Я когда себе считал - думал что 20 входов не хватит. А на деле сейчас использую 15. Когда переведу револьверку на бинарный, освобожу еще 5. Пульт для ручных перемещений из usb джойстика, больше не требуется. Единственное из железного на вход подана кнопка e-stop.
Датчик положения шпинделя это обычно энкодер, он идет на отдельную плату - на входы не завязан никак.
В целом сама LCNC позволяет использовать на одной линии несколько концевиков. Аналогично и нулевые метки (номе), да и вообще в качестве HOME можно конфигурить концевик. То есть достаточно 6 концевиков.
Если вообще беда со входами, то можно все концевики повесить на один вход. Работать будет, но не удобно.
Я когда себе считал - думал что 20 входов не хватит. А на деле сейчас использую 15. Когда переведу револьверку на бинарный, освобожу еще 5. Пульт для ручных перемещений из usb джойстика, больше не требуется. Единственное из железного на вход подана кнопка e-stop.
- Loituma
- Мастер
- Сообщения: 512
- Зарегистрирован: 28 ноя 2011, 21:45
- Репутация: 57
- Контактная информация:
Re: Платы проекта PinCET (готовим замену MESA) linuxcnc
Да можно то хоть, что сделать... вопрос лежит в плоскости, а надо ли заморачиваться? Датчик положения шпинделя это для смены инструмента, он есть, то есть смена не должна начинаться, пока датчик не сработает, 1 положение на 1 оборот. Возможно он так же служит обратной связью по оборотам.
концевики заведем все на 1, я так делал, в принципе работает. + 3 хома
на плате всего 20 входов?
концевики заведем все на 1, я так делал, в принципе работает. + 3 хома
на плате всего 20 входов?
Re: Платы проекта PinCET (готовим замену MESA) linuxcnc
На pci 32 входа, 16 выходов. Можно ещё столько же прикрутить.
Комплект плат PinCET для модернизации станков на Linuxcnc.
http://www.cnc-club.ru/forum/viewtopic. ... 16#p268407
http://www.cnc-club.ru/forum/viewtopic. ... 16#p268407
-
Subrogator
- Новичок
- Сообщения: 1
- Зарегистрирован: 14 ноя 2019, 12:11
- Репутация: 0
- Настоящее имя: Максим Зайцев
- Контактная информация:
Re: Платы проекта PinCET (готовим замену MESA) linuxcnc
Добрый день!
Пока нет возможности писать ЛС (недавно на конференции) как с вами связаться по поводу покупки плат на 16а20ф3 (сейчас стоит нц31) территориально находимся в Рязани
Пока нет возможности писать ЛС (недавно на конференции) как с вами связаться по поводу покупки плат на 16а20ф3 (сейчас стоит нц31) территориально находимся в Рязани
Re: Платы проекта PinCET (готовим замену MESA) linuxcnc
Написал в личку
Комплект плат PinCET для модернизации станков на Linuxcnc.
http://www.cnc-club.ru/forum/viewtopic. ... 16#p268407
http://www.cnc-club.ru/forum/viewtopic. ... 16#p268407
-
ex71
- Мастер
- Сообщения: 759
- Зарегистрирован: 18 май 2019, 13:23
- Репутация: 109
- Настоящее имя: Андрей
- Контактная информация:
Re: Платы проекта PinCET (готовим замену MESA) linuxcnc
Сегодня выяснил, что смог достичь скорости перемещения в 4200мм/мин.
Я когда-то спрашивал о быстродействии контроллера и не верил, что такие скорости ему посилам. Особенно по ETH... Мои познания в то время были слишком поверхностны.
Думаю что смогу разогнать свою систему до большей скорости - но тупо негде.
Родная ЧПУ на 1100 выпадала в аварию по отставанию суппорта. Моторы остались родными.
Я когда-то спрашивал о быстродействии контроллера и не верил, что такие скорости ему посилам. Особенно по ETH... Мои познания в то время были слишком поверхностны.
Думаю что смогу разогнать свою систему до большей скорости - но тупо негде.
Родная ЧПУ на 1100 выпадала в аварию по отставанию суппорта. Моторы остались родными.
-
Nikomas
- Мастер
- Сообщения: 721
- Зарегистрирован: 07 янв 2012, 14:31
- Репутация: 64
- Откуда: Беларусь
- Контактная информация:
Re: Платы проекта PinCET (готовим замену MESA) linuxcnc
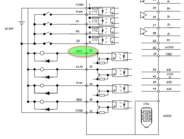
Может кто ручкой нарисовать как это все увязать? Хочу сигнал RDY сервопака о готовности завести в IO плату. На своем станке сделал через оптопару, но может есть вариант проще?
-
T00T
- Мастер
- Сообщения: 742
- Зарегистрирован: 16 дек 2011, 12:07
- Репутация: 100
- Контактная информация:
Re: Платы проекта PinCET (готовим замену MESA) linuxcnc
Очевидно вот так.
Я не волшебник я пока учусь......
-
Nikomas
- Мастер
- Сообщения: 721
- Зарегистрирован: 07 янв 2012, 14:31
- Репутация: 64
- Откуда: Беларусь
- Контактная информация:
Re: Платы проекта PinCET (готовим замену MESA) linuxcnc

А вот такие датчики как подключать к IO?
-
Nikomas
- Мастер
- Сообщения: 721
- Зарегистрирован: 07 янв 2012, 14:31
- Репутация: 64
- Откуда: Беларусь
- Контактная информация:
Re: Платы проекта PinCET (готовим замену MESA) linuxcnc
подключил как вы нарисовали очень сильно греется 0,125Вт резистор.T00T писал(а):Очевидно вот так.
Re: Платы проекта PinCET (готовим замену MESA) linuxcnc
Ну значит по мощнее нужен резистор.Nikomas писал(а): очень сильно греется 0,125Вт
Не понятно что это такое.Nikomas писал(а):А вот такие датчики
Комплект плат PinCET для модернизации станков на Linuxcnc.
http://www.cnc-club.ru/forum/viewtopic. ... 16#p268407
http://www.cnc-club.ru/forum/viewtopic. ... 16#p268407
-
Nikomas
- Мастер
- Сообщения: 721
- Зарегистрирован: 07 янв 2012, 14:31
- Репутация: 64
- Откуда: Беларусь
- Контактная информация:
Re: Платы проекта PinCET (готовим замену MESA) linuxcnc
индуктивный датчик с 2мя проводами.mmv писал(а):Не понятно что это такое.
Re: Платы проекта PinCET (готовим замену MESA) linuxcnc
Это как сказать что это гравицапа.Nikomas писал(а):индуктивный датчик с 2мя проводами.
Схема подключения, принцип работы какие то есть данные.
Если только то что показано выше, то так и подключайте
Комплект плат PinCET для модернизации станков на Linuxcnc.
http://www.cnc-club.ru/forum/viewtopic. ... 16#p268407
http://www.cnc-club.ru/forum/viewtopic. ... 16#p268407