DDCSV1.1 Китайский контроллер 4 оси
-
ЮРИЙ 1812
- Кандидат
- Сообщения: 46
- Зарегистрирован: 20 мар 2015, 17:21
- Репутация: 10
- Настоящее имя: Юрий
- Контактная информация:
Re: DDCSV1.1 Китайский контроллер 4 оси
есть бесконтактные от шаублина с работы 90х годов новые 5 шт это лучше .? , второй вопрос на пульте MPG в мануале не все понятно по проводам , есть провод в метал-оплетке куда его GND , туда же Черный; Черный/светло-голубой; Черный/оранж. и там 2 гнезда GND .??? если можно объясните , и если не трудно фото подключенного крупным планом , в параметрах надо что то менять? , спасибо ,,,
- Belorez
- Опытный
- Сообщения: 137
- Зарегистрирован: 12 июн 2017, 18:19
- Репутация: 27
- Настоящее имя: Олег Масс
- Откуда: Белгород. Россия
- Контактная информация:
Re: DDCSV1.1 Китайский контроллер 4 оси
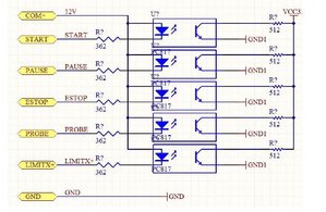
Вот цветовая схема. Китайцы снабдили. И фото проводов на контроллере DDCSV1.1
По датчикам: для этого контроллера нужны не абы какие, а именно PNP.
-
ЮРИЙ 1812
- Кандидат
- Сообщения: 46
- Зарегистрирован: 20 мар 2015, 17:21
- Репутация: 10
- Настоящее имя: Юрий
- Контактная информация:
Re: DDCSV1.1 Китайский контроллер 4 оси
спасибо, супер, буду пробовать ,
-
ЮРИЙ 1812
- Кандидат
- Сообщения: 46
- Зарегистрирован: 20 мар 2015, 17:21
- Репутация: 10
- Настоящее имя: Юрий
- Контактная информация:
Re: DDCSV1.1 Китайский контроллер 4 оси
вот в зипе лежали, станки выбросили а зип остался,подойдет ?
-
alexwalex
- Новичок
- Сообщения: 35
- Зарегистрирован: 09 янв 2018, 21:14
- Репутация: 5
- Настоящее имя: Алексей
- Контактная информация:
Re: DDCSV1.1 Китайский контроллер 4 оси
Насколько я помню на DDCSV1 ставятся электронные концевики PNP (такие как у вас на фото), на DDCSV2 нужны NPN, на DDCSV3 - точно не знаю, по моему тоже NPN.
- Belorez
- Опытный
- Сообщения: 137
- Зарегистрирован: 12 июн 2017, 18:19
- Репутация: 27
- Настоящее имя: Олег Масс
- Откуда: Белгород. Россия
- Контактная информация:
Re: DDCSV1.1 Китайский контроллер 4 оси
Да, но трёх контактные... А на фото четыре контакта.alexwalex писал(а):на DDCSV1 ставятся электронные концевики PNP (такие как у вас на фото)
-
maxx2000orel
- Мастер
- Сообщения: 365
- Зарегистрирован: 24 апр 2016, 18:53
- Репутация: 94
- Настоящее имя: Максим Кузнецов
- Контактная информация:
Re: DDCSV1.1 Китайский контроллер 4 оси
Думаю без разницы, 4 можно не использовать. Тут главное тип концевика NC или NO, PNP или NPNBelorez писал(а):Да, но трёх контактные... А на фото четыре контакта.
-
igor1982
- Новичок
- Сообщения: 4
- Зарегистрирован: 09 апр 2020, 13:14
- Репутация: 1
- Настоящее имя: Игорь Роговой
- Контактная информация:
Re: DDCSV1.1 Китайский контроллер 4 оси
Добрый день! Уважаемые форумчане, помогите решить проблему, бьюсь уже не первый день.
Проблема с позиционированием. Контроллер DDCSV2.1
При позиционирование инструмента (shift + двойной клик A-) ось Z продолжает двигаться вниз при замыкание датчика инструмента (датчик инструмента запараметрирован на низкий уровень, замыкается на заземление (-). Пробовал менять прошивку, ничего не помогло
Подскажите, что делать, если кто сталкивался с такой проблемой.
Заранее благодарен.
Проблема с позиционированием. Контроллер DDCSV2.1
При позиционирование инструмента (shift + двойной клик A-) ось Z продолжает двигаться вниз при замыкание датчика инструмента (датчик инструмента запараметрирован на низкий уровень, замыкается на заземление (-). Пробовал менять прошивку, ничего не помогло
Подскажите, что делать, если кто сталкивался с такой проблемой.
Заранее благодарен.
-
goldmen8
- Кандидат
- Сообщения: 42
- Зарегистрирован: 07 авг 2017, 22:52
- Репутация: 7
- Настоящее имя: Александр.
- Контактная информация:
Re: DDCSV1.1 Китайский контроллер 4 оси
Сумеете проверить входные цепи на исправность? тестер есть?igor1982 писал(а):Пробовал менять прошивку, ничего не помогло
- Тенгель
- Почётный участник

- Сообщения: 1814
- Зарегистрирован: 01 май 2012, 13:41
- Репутация: 619
- Откуда: Чита
- Контактная информация:
Re: DDCSV1.1 Китайский контроллер 4 оси
Вопрос такой - собираюсь вынести DDCSV2.1 на длинном кабеле ( метра два) от силовой части, чтобы был как пульт под рукой, есть у кого такой опыт, как с помехами ?
Подпись отключена за неуплату.
- odekolon
- Мастер
- Сообщения: 1125
- Зарегистрирован: 05 ноя 2014, 14:53
- Репутация: 360
- Настоящее имя: Борис
- Контактная информация:
Re: DDCSV1.1 Китайский контроллер 4 оси
думаю, проблем никаких не будет.Тенгель писал(а):Вопрос такой - собираюсь вынести DDCSV2.1 на длинном кабеле ( метра два) от силовой части, чтобы был как пульт под рукой, есть у кого такой опыт, как с помехами ?
делал выносной пульт (пуск/стоп/пауза) на шнуре метра 3. проблем не было.
степдир делайте витой парой (одна пара на степ одна пара на дир) и будет вам щастье...
"Капиталистом стать можно лишь тогда, когда обогатишь свою память знанием всех тех богатств, которые выработало человечество"
-
maxx2000orel
- Мастер
- Сообщения: 365
- Зарегистрирован: 24 апр 2016, 18:53
- Репутация: 94
- Настоящее имя: Максим Кузнецов
- Контактная информация:
Re: DDCSV1.1 Китайский контроллер 4 оси
lpt кабель3 метра, проблем не наблюдаю
-
ЮРИЙ 1812
- Кандидат
- Сообщения: 46
- Зарегистрирован: 20 мар 2015, 17:21
- Репутация: 10
- Настоящее имя: Юрий
- Контактная информация:
Re: DDCSV1.1 Китайский контроллер 4 оси
люди есть вопрос , как правильно заземлить, станок настольный , слегка бьет , утечки вроде нет, провод питания от ком--ра , после включения между корпусом и клеммой на выключателе 118в , если взять рукой то падает до ,0, что делать ,
-
goldmen8
- Кандидат
- Сообщения: 42
- Зарегистрирован: 07 авг 2017, 22:52
- Репутация: 7
- Настоящее имя: Александр.
- Контактная информация:
Re: DDCSV1.1 Китайский контроллер 4 оси
Вот те нате... Для этого и существуют "Правила устройства электроустановок", ПУЭ если сокращённо.ЮРИЙ 1812 писал(а):... как правильно заземлить...
Это как это? почему так мало, нужно больше...ЮРИЙ 1812 писал(а):... после включения между корпусом и клеммой на выключателе 118в ...
У Вас каким образом заземлены бытовые приборы (например стиральная машина)? Есть "заземляющий проводник" в розетках? Сам "вводной" щиток заземлён?
В любом случае, металлический корпус станка должен быть "заземлён", т.е. "заземляющий провод" должен быть подключен к корпусу станка и заземляющему проводу щитка.
-
ЮРИЙ 1812
- Кандидат
- Сообщения: 46
- Зарегистрирован: 20 мар 2015, 17:21
- Репутация: 10
- Настоящее имя: Юрий
- Контактная информация:
Re: DDCSV1.1 Китайский контроллер 4 оси
спасибо , в розетке не было земли ,подключил к другой все работает,
-
stenkodv
- Новичок
- Сообщения: 29
- Зарегистрирован: 05 авг 2016, 11:13
- Репутация: 5
- Настоящее имя: Дмитрий
- Откуда: Днепропетровск
- Контактная информация:
Re: DDCSV1.1 Китайский контроллер 4 оси
Недавно сделал себе беспроводной пульт для DDCSV2.1, на базе arduino и NRF24L01, как думаете сумеет такой MPG заменить пульт с энкодером, или всё таки лучше купить с энкодером?
https://youtu.be/U-cPhcHBzsg
https://youtu.be/U-cPhcHBzsg
-
ЮРИЙ 1812
- Кандидат
- Сообщения: 46
- Зарегистрирован: 20 мар 2015, 17:21
- Репутация: 10
- Настоящее имя: Юрий
- Контактная информация:
Re: DDCSV1.1 Китайский контроллер 4 оси
добрый вечер, люди нужна помощь , на 4 оси проблемы , при работе по программе 10-12 минут при возврате в А -0 получаем -2,5 градуса ,дробление шага самое большое 25600 и редуктор на ось А 1/4 итог в параметрах 284,4444, если дробить шаг 400 то ошибка еще больше -12,2 градуса, если просто крутить ось +7200 -7200 и после А-0 то все встает в 0 +-0,1 что делать , ускорение просто смешное 150-200 м/с, подачи 1500-1700 рабочая 200 ,ЛЮДИ СПАСАЙТЕ ,,двигатель нема 23 драйвер 542 амперы 2,8
-
ЮРИЙ 1812
- Кандидат
- Сообщения: 46
- Зарегистрирован: 20 мар 2015, 17:21
- Репутация: 10
- Настоящее имя: Юрий
- Контактная информация:
Re: DDCSV1.1 Китайский контроллер 4 оси
все пробовал , не спасло , 393 просто смена -/+, возврат с ошибкой 2,36 гр , что можно сделать , спецы подскажите, в ручном режиме +3600 возврат в 0 , 0,1
-
ЮРИЙ 1812
- Кандидат
- Сообщения: 46
- Зарегистрирован: 20 мар 2015, 17:21
- Репутация: 10
- Настоящее имя: Юрий
- Контактная информация:
Re: DDCSV1.1 Китайский контроллер 4 оси
вроде вник, было 3 драйвера 2М542 06 XYZ. после купил на 4 ось М542, поменял драйвера местами Z A и заработало ,и Z вроде не врет, ЛЮДИ разъясните в чем разница между драйверами , и еще при смене драйверов на Z пришлось менять 393 параметр сменить направление, тоже большой вопрос,