Страница 3 из 10
Re: COM-порт, клавиатура и другие "антикризисные" решения.
Добавлено: 23 янв 2015, 14:33
solanto
Купил сегодня 3 энкодера фирмы ALPS по 60р

Скоро буду пробовать делать пульт.
Re: COM-порт: клавиатура и другие "антикризисные" решения.
Добавлено: 27 янв 2015, 21:47
Сергей Саныч
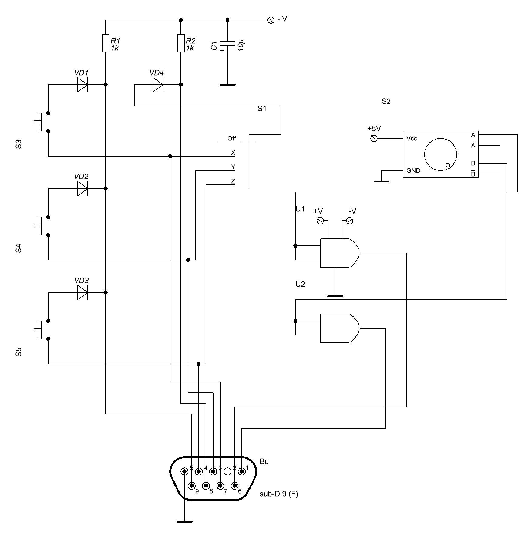
Сделал прототип пульта с "настоящим" штурвалом.
Штурвал (он же MPG, РГИ) - энкодер на 100 импульсов/оборот, питание 5В, выход ТТЛ.
Для согласования уровней с COM-портом служит классическая микросхема МС1488.
К сожалению, имеющийся в моем распоряжении штурвал потребляет около 80 мА, поэтому запитать его от сигналов порта, как предыдущие схемы, не выйдет. Пришлось использовать внешнее питание. Проще всего протянуть от БП компьютера +5, +12 и -12 вольт или сделать несложный преобразователь.
я пошел по второму пути, поскольку под рукой не было гибкого кабеля на 11 проводов, зато была платка для одного устройства, где имелась разводка под необходимую схему

- Питание пульта.PNG (9.03 КБ) 9009 просмотров
Трехпозиционный тумблер на боковой стенке предназначен для выбора координаты - X, Y или Z.
Тестовые файлы
Re: COM-порт: клавиатура и другие "антикризисные" решения.
Добавлено: 28 янв 2015, 09:11
solanto
Сергей Саныч писал(а):Трехпозиционный тумблер на боковой стенке предназначен для выбора координаты - X, Y или Z.
ИМХО лучше не трёх позиционник а галетник на 4 позиции: X, Y, Z, Off
Re: COM-порт: клавиатура и другие "антикризисные" решения.
Добавлено: 28 янв 2015, 11:40
solanto
Re: COM-порт: клавиатура и другие "антикризисные" решения.
Добавлено: 28 янв 2015, 11:51
Сергей Саныч
Можно, почему нет?
Re: COM-порт: клавиатура и другие "антикризисные" решения.
Добавлено: 28 янв 2015, 12:00
solanto
ИМХО так думаю лучше т.к. не будет вероятности случайно повернув штурвал сместить фрезу просто поставив переключатель выбора оси в положение "Off"
Re: COM-порт: клавиатура и другие "антикризисные" решения.
Добавлено: 28 янв 2015, 12:11
Nick

все так просто и лаконично!
Наверное можно еще медальку дать...
Но давай ответы на три вопроса:
1. Что нравится?
2. Что не нравится?
3. Что в следующий раз сделаешь по другому, или как можно дальше расширить возможности пульта?
Re: COM-порт: клавиатура и другие "антикризисные" решения.
Добавлено: 28 янв 2015, 12:58
Serg
solanto писал(а):ИМХО лучше не трёх позиционник а галетник на 4 позиции: X, Y, Z, Off
Гораздо удобнее три отдельные кнопки на боковой стенке пульта, чтоб можно было нажимать пальцем руки, которой держишь пульт - пока кнопка нажата штурвал работает для соотв. оси.
Это позволяет не "забывать" переключаться на нужную ось.
Re: COM-порт: клавиатура и другие "антикризисные" решения.
Добавлено: 28 янв 2015, 13:29
solanto
UAVpilot писал(а):Это позволяет не "забывать" переключаться на нужную ось.
А это кстати идея. Надо прикинуть вечером, как это будет работать.
Re: COM-порт: клавиатура и другие "антикризисные" решения.
Добавлено: 28 янв 2015, 13:51
Сергей Саныч
Nick писал(а):Но давай ответы на три вопроса:
1. Что нравится?
Поскольку пульт делался как "антикризисный", в нем, кроме штурвала, нет ни одной специально купленной детали. Подключается к COM-порту, который обычно тоже "валяется без дела".
Очень удобно подгонять координаты к нужной точке, особенно в сочетании с
АКПП для РГИ
#1 Но это можно отнести к любому пульту со штурвалом.
2. Что не нравится?
Что я вряд ли соберусь перетащить этот прототип в нормальный, эргономичный корпус вместо этой дурацкой коробочки

Так и будет работать. Что так и не сделаю нормальный пульт с
блэкджеком и шлюхами модбасом и дисплеем.
3. Что в следующий раз сделаешь по другому, или как можно дальше расширить возможности пульта?
Корпус нормальный нужен, кнопки получше и побольше количеством. Причем желательно сохранить "бюджетность" пульта, хотя бы из "спортивного интереса"

Re: COM-порт: клавиатура и другие "антикризисные" решения.
Добавлено: 28 янв 2015, 14:00
Nick
+ медалька

Re: COM-порт: клавиатура и другие "антикризисные" решения.
Добавлено: 28 янв 2015, 14:54
_taras_
Сергей Саныч!
Как вы подвели питание? Отдельным кабелем? На фотографиях пульта не видно.
Какой энкодер используете? Название напишите плз, чтоб можно было заказать аналогичный.
Re: COM-порт: клавиатура и другие "антикризисные" решения.
Добавлено: 28 янв 2015, 14:59
Сергей Саныч
_taras_ писал(а):Как вы подвели питание? Отдельным кабелем? На фотографиях пульта не видно.
+12В подал по тому же кабелю, контакт 2, вместо сигнала RxD, который не используется.
Энкодер ZSS600-001-100B-5L DC5V покупал у
sergey27rus здесь
Re: Комплектующие ЧПУ #16
Re: COM-порт: клавиатура и другие "антикризисные" решения.
Добавлено: 09 фев 2015, 16:49
sergey27rus
С Днем Рождения! Пожелать можно многое, но пожелаю только одно ЗДОРОВЬЯ!
Re: COM-порт: клавиатура и другие "антикризисные" решения.
Добавлено: 12 фев 2015, 16:24
Mihaill
Спасибо, отличная идея обязательно применю это для своего оборудования, уважаемые форумчане если кто то делал макет печатной платы поделитесь пожалуйста, сам я к сожалению имею слишком мало знаний в подобных вопросах.
Re: COM-порт: клавиатура и другие "антикризисные" решения.
Добавлено: 13 фев 2015, 09:40
solanto
Mihaill писал(а):уважаемые форумчане если кто то делал макет печатной платы поделитесь пожалуйста
Тут только самостоятельно, ведь некто не знает какой у Вас корпус и какие комплектующие.
Re: COM-порт: клавиатура и другие "антикризисные" решения.
Добавлено: 13 фев 2015, 11:16
Mihaill
solanto писал(а):какой у Вас корпус и какие комплектующие
Корпуса вообще не будет, размещю на панели управления, а энкодер 12 вольтовый на 100 импульсов, вчера начал макетировать получается коряво, попробую проконсультироватся у электронщиков, может не пошлют далеко.
Re: COM-порт: клавиатура и другие "антикризисные" решения.
Добавлено: 13 фев 2015, 16:57
Сергей Саныч
Продолжаем извлекать пользу из COM-порта
Сегодня - ввод сигналов аналоговых датчиков и управление твердотельным реле. Разберем на примере конкретного устройства - схемы управления вакуум-насосом и контроля вакуума.
При работе с вакуумным столом полезно знать величину разрежения - показывает, насколько плотно прилегает деталь к столу, а кроме того, позволяет экстренно остановить станок, если деталь вдруг сорвет со стола. Для это нам потребуются:
- сенсор, преобразующий значение остаточного давления в электрический сигнал.
- аналого-цифровой преобразователь
- схема интерфейса АЦП и управляющего компьютера.
- программная часть
В качестве сенсора был применен датчик абсолютного давления. Такие используются в системе управления двигателем современных автомобилей.
Напряжение питания 5В, выходное напряжение - от 0,2 до 4,8В при изменении давления на входе от 15 до 102 кПа (примерно 110..760 мм.рт.ст).
Поскольку требуется только оценочная точность, в качестве АЦП был использован простой преобразователь напряжение-частота на крайне распространенной микросхеме - таймере 555 (отечественный аналог К1006ВИ1). Цепочка C2R4 симметрирует выходной сигнал ПНЧ относительно нуля для лучшего согласования со входом порта. С этой же целью питание ПНЧ выбрано достаточно высокое (12В). Частотный сигнал в диапазоне примерно от 400 до 900 Гц через один из входов COM-порта поступает в компьютер, где обрабатывается LinuxCNC. Для измерения частоты используется компонент encoder в режиме counter-mode.
U1 - стабилизатор. Обеспечивает 5В для питания сенсора.
В нижней части схемы - цепь управления вакуум-насосом. Для включения насоса применено твердотельное реле (SSR). Входная цепь этого реле рассчитана на напряжение 3..32В и потребляет при напряжении 9В около 7мА, что позволяет управлять им непосредственно сигналом от COM-порта.
Re: COM-порт: клавиатура и другие "антикризисные" решения.
Добавлено: 15 фев 2015, 12:33
Сергей Саныч
Добавил демонстрационные файлы .hal и .xml и видео.
https://www.youtube.com/watch?v=szoVywVN1BQ
Re: COM-порт: клавиатура и другие "антикризисные" решения.
Добавлено: 16 фев 2015, 11:08
solo
Сергей Саныч писал(а):Поскольку требуется только оценочная точность, в качестве АЦП был использован простой преобразователь напряжение-частота на крайне распространенной микросхеме - таймере 555 (отечественный аналог К1006ВИ1). Цепочка C2R4 симметрирует выходной сигнал ПНЧ относительно нуля для лучшего согласования со входом порта. С этой же целью питание ПНЧ выбрано достаточно высокое (12В). Частотный сигнал в диапазоне примерно от 400 до 900 Гц через один из входов COM-порта поступает в компьютер, где обрабатывается LinuxCNC. Для измерения частоты используется компонент encoder в режиме counter-mode
о так это наверное можно термисторы прилепить к такой штучке , чтобы читать и регулировать температуру для 3д принтера , на базе LCNC