
Нужен совет по Leadshine AM882
-
foforum
- Мастер
- Сообщения: 227
- Зарегистрирован: 02 июл 2012, 06:43
- Репутация: 5
- Контактная информация:
Re: Нужен совет по Leadshine AM882
Правильно ли я понял по этому рисунку что COM нужно заводить на все + а на минусы нужно заводить step/pulse dir en??


- Serg
- Мастер
- Сообщения: 21923
- Зарегистрирован: 17 апр 2012, 14:58
- Репутация: 5183
- Заслуга: c781c134843e0c1a3de9
- Настоящее имя: Сергей
- Откуда: Москва
- Контактная информация:
Re: Нужен совет по Leadshine AM882
Да.
P.S. К плате надо подключать ЛИБО "Power Supply +5V" ЛИБО USB.
P.S. К плате надо подключать ЛИБО "Power Supply +5V" ЛИБО USB.
Я не Христос, рыбу не раздаю, но могу научить, как сделать удочку...
-
billsmith
- Опытный
- Сообщения: 128
- Зарегистрирован: 04 июн 2012, 23:46
- Репутация: 5
- Контактная информация:
Re: Нужен совет по Leadshine AM882
Нужен совет спецов по ProTuner.
С обычными шаговиками проблем не возникает, драйвер отлично работает. А вот с мощными, на больших скоростях срабатывает защита пропуска шагов, видать из-за большой индуктивности и тока. Приходится отключать защиту по пропуску шагов, а она очень полезна в некоторых случаях. Может можно какие то параметры подкрутить, чтоб уменьшить чувствительность защиты?
С обычными шаговиками проблем не возникает, драйвер отлично работает. А вот с мощными, на больших скоростях срабатывает защита пропуска шагов, видать из-за большой индуктивности и тока. Приходится отключать защиту по пропуску шагов, а она очень полезна в некоторых случаях. Может можно какие то параметры подкрутить, чтоб уменьшить чувствительность защиты?
-
tzar
- Мастер
- Сообщения: 353
- Зарегистрирован: 26 дек 2014, 23:52
- Репутация: 61
- Настоящее имя: Сергей
- Откуда: Казахстан, Караганда
- Контактная информация:
Re: Нужен совет по Leadshine AM882
Ты автонастройку делал? Если нет, то попробуй сделать.
-
billsmith
- Опытный
- Сообщения: 128
- Зарегистрирован: 04 июн 2012, 23:46
- Репутация: 5
- Контактная информация:
Re: Нужен совет по Leadshine AM882
Конечно делал. Без автонастройки, сразу при включении двигатель начинает сильно гудеть стоя на месте).
-
tzar
- Мастер
- Сообщения: 353
- Зарегистрирован: 26 дек 2014, 23:52
- Репутация: 61
- Настоящее имя: Сергей
- Откуда: Казахстан, Караганда
- Контактная информация:
Re: Нужен совет по Leadshine AM882
А что за двигатель то? И на какой скорости срубается?
У меня на NEMA 34 защита по пропускам срабатывает на 600 оборотах в минуту если ProTuner'ом крутить. Я так понимаю из-за низкого напряжения. Двигателю надо 70В, а блок питания только на 24В.
У меня на NEMA 34 защита по пропускам срабатывает на 600 оборотах в минуту если ProTuner'ом крутить. Я так понимаю из-за низкого напряжения. Двигателю надо 70В, а блок питания только на 24В.
-
billsmith
- Опытный
- Сообщения: 128
- Зарегистрирован: 04 июн 2012, 23:46
- Репутация: 5
- Контактная информация:
Re: Нужен совет по Leadshine AM882
Двигатели разные. Один из них POWERPAC K31HRHL-LSS-NS-02, питание нормальное 80в. Ну вот и у меня до 600-700 оборотов в минуту всё нормально а выше срабатывает защита. Крутить можно хоть ProTuner'ом хоть LinuxCNC. Отключаю проверку пропуска и кручу сколько влезет
. С более слабыми движками таких проблем нет.
- Rustysand
- Опытный
- Сообщения: 138
- Зарегистрирован: 23 фев 2015, 14:21
- Репутация: 34
- Контактная информация:
Re: Нужен совет по Leadshine AM882
Если я правильно понял, к данному драйверу (Leadshine AM882) нужен контроллер со схемой подключения с общим минусом (катодом) и к контроллеру с общим плюсом подключить не получится?
Ато я тут с этими драйверами взял DXB-55 в даркстоне 
- michael-yurov
- Почётный участник

- Сообщения: 11731
- Зарегистрирован: 26 июл 2012, 00:10
- Репутация: 4703
- Настоящее имя: Михаил Львович
- Откуда: Новоуральск
- Контактная информация:
Re: Нужен совет по Leadshine AM882
Нет никаких проблем подключить с общим плюсом.Rustysand писал(а):Если я правильно понял, к данному драйверу (Leadshine AM882) нужен контроллер со схемой подключения с общим минусом (катодом) и к контроллеру с общим плюсом подключить не получится?
Ато я тут с этими драйверами взял DXB-55 в даркстоне
- Rustysand
- Опытный
- Сообщения: 138
- Зарегистрирован: 23 фев 2015, 14:21
- Репутация: 34
- Контактная информация:
Re: Нужен совет по Leadshine AM882
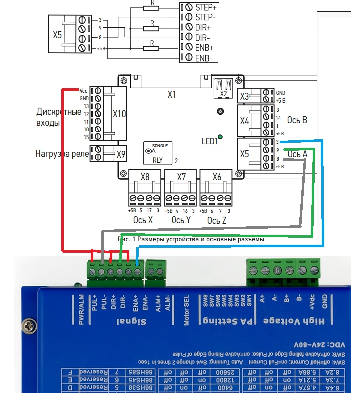
Вот, может так? на примере оси А (в верху рисунка подключение с общим плюсом в инструкции)
- sergey27rus
- Почётный участник

- Сообщения: 1146
- Зарегистрирован: 15 авг 2013, 07:22
- Репутация: 730
- Настоящее имя: Сергей
- Откуда: Хабаровск Дальний Восток РФ
- Контактная информация:
Re: Нужен совет по Leadshine AM882
на разъеме Х5 есть 5в оттуда и взять, а то что Х10 это питание для датчиков, при проверки енебле можно не подключать.
- michael-yurov
- Почётный участник

- Сообщения: 11731
- Зарегистрирован: 26 июл 2012, 00:10
- Репутация: 4703
- Настоящее имя: Михаил Львович
- Откуда: Новоуральск
- Контактная информация:
Re: Нужен совет по Leadshine AM882
Так нельзя.Rustysand писал(а):Вот, может так? на примере оси А
- Rustysand
- Опытный
- Сообщения: 138
- Зарегистрирован: 23 фев 2015, 14:21
- Репутация: 34
- Контактная информация:
Re: Нужен совет по Leadshine AM882
Вот так работает! Спасибо за помощь! 
- Rustysand
- Опытный
- Сообщения: 138
- Зарегистрирован: 23 фев 2015, 14:21
- Репутация: 34
- Контактная информация:
Re: Нужен совет по Leadshine AM882
Немного не в тему, но все же спрошу:
С данным драйвером попробовал использовать двигатель ST57 H76 (вот такой http://darxton.ru/files/pdf/steppermotor/ST57-76.pdf)
Мой трансформаторный блок питания выдает 57 в DС. Посоветуйте пожалуйста как правильно настроить данный драйвер под этот двигатель
Как бы не настраивал, работает с дерганьем
С данным драйвером попробовал использовать двигатель ST57 H76 (вот такой http://darxton.ru/files/pdf/steppermotor/ST57-76.pdf)
Мой трансформаторный блок питания выдает 57 в DС. Посоветуйте пожалуйста как правильно настроить данный драйвер под этот двигатель
Как бы не настраивал, работает с дерганьем
- Rustysand
- Опытный
- Сообщения: 138
- Зарегистрирован: 23 фев 2015, 14:21
- Репутация: 34
- Контактная информация:
Re: Нужен совет по Leadshine AM882
Вопчем получилось настроить! Виновата 7-ка, поставил XP - все работает без рывков и пропусков!
Далее попробую настроить движок через порт RS232
Далее попробую настроить движок через порт RS232
- AlexNikov
- Мастер
- Сообщения: 1212
- Зарегистрирован: 05 янв 2014, 20:09
- Репутация: 721
- Настоящее имя: Алексей
- Откуда: Томск
- Контактная информация:
Re: Нужен совет по Leadshine AM882
Делаю потихоньку схему подключений. Возникли сомнения по тревожному выходу ALARM. Исходя из описания выхода, при наличии ошибок (over-voltage, over current,
under-voltage, phase-error and stall-error protection) выход ALM+ замыкается на землю, это если делать подключение согласно этой схеме: Вот тут вопрос - подключение резистора (обведен красным) обязательно, иначе при активации ALARM и всё остальное посадим на землю, да и думаю к-флопу не пойдет на пользу прямое замыкание 3,3В на землю, так вот какого номинала этот резюк нужен? И вообще откроется ли ключ при таком низком напряжении?
under-voltage, phase-error and stall-error protection) выход ALM+ замыкается на землю, это если делать подключение согласно этой схеме: Вот тут вопрос - подключение резистора (обведен красным) обязательно, иначе при активации ALARM и всё остальное посадим на землю, да и думаю к-флопу не пойдет на пользу прямое замыкание 3,3В на землю, так вот какого номинала этот резюк нужен? И вообще откроется ли ключ при таком низком напряжении?
- michael-yurov
- Почётный участник

- Сообщения: 11731
- Зарегистрирован: 26 июл 2012, 00:10
- Репутация: 4703
- Настоящее имя: Михаил Львович
- Откуда: Новоуральск
- Контактная информация:
Re: Нужен совет по Leadshine AM882
Это обычная оптопара. Резистор рассчитывай на ток в 1-5 мА. Т.е. 1 кОм вполне подойдет.AlexNikov писал(а):Вот тут вопрос - подключение резистора (обведен красным) обязательно, иначе при активации ALARM и всё остальное посадим на землю, да и думаю к-флопу не пойдет на пользу прямое замыкание 3,3В на землю, так вот какого номинала этот резюк нужен? И вообще откроется ли ключ при таком низком напряжении?
-
freza_sverlo
- Кандидат
- Сообщения: 83
- Зарегистрирован: 01 апр 2015, 09:37
- Репутация: 1
- Настоящее имя: Вячеслав
- Контактная информация:
Re: Нужен совет по Leadshine AM882
чтобы точно ответить - приведите схеху или хотябы тип входа контроллера, к которому подключаете выход аларм...AlexNikov писал(а):Вот тут вопрос - подключение резистора (обведен красным) обязательно, иначе при активации ALARM и всё остальное посадим на землю, да и думаю к-флопу не пойдет на пользу прямое замыкание 3,3В на землю, так вот какого номинала этот резюк нужен? И вообще откроется ли ключ при таком низком напряжении?
- AlexNikov
- Мастер
- Сообщения: 1212
- Зарегистрирован: 05 янв 2014, 20:09
- Репутация: 721
- Настоящее имя: Алексей
- Откуда: Томск
- Контактная информация:
Re: Нужен совет по Leadshine AM882
Контроллер k-flop. Планирую заводить сигналы аварии на пины 5,6,7 разъема JP4 (Gen Purpose LVTTL I/O (3.3V Only) - http://dynomotion.com/Help/SchematicsKF ... sKFLOP.htm). Соответственно данные входы работают только для 3,3В. При изменении логическое состояния любом из этих пинов отрабатывается скрипт, останавливающий работу станка.freza_sverlo писал(а):чтобы точно ответить - приведите схеху или хотябы тип входа контроллера, к которому подключаете выход аларм...AlexNikov писал(а):Вот тут вопрос - подключение резистора (обведен красным) обязательно, иначе при активации ALARM и всё остальное посадим на землю, да и думаю к-флопу не пойдет на пользу прямое замыкание 3,3В на землю, так вот какого номинала этот резюк нужен? И вообще откроется ли ключ при таком низком напряжении?
-
freza_sverlo
- Кандидат
- Сообщения: 83
- Зарегистрирован: 01 апр 2015, 09:37
- Репутация: 1
- Настоящее имя: Вячеслав
- Контактная информация:
Re: Нужен совет по Leadshine AM882
Да, вы правильно нарисовали схему и правильно написал michael-yurov про номинал. Работать будут сопротивления от 470 Ом до 10кОм. Чем меньше номинал тем выше помехоустойчивость но и больше будет жрать тока при открытии, хотя там ток все равно будет копеечным. Vcc на схеме это 3.3в от кфлопа.AlexNikov писал(а):Контроллер k-flop. Планирую заводить сигналы аварии на пины 5,6,7 разъема JP4 (Gen Purpose LVTTL I/O (3.3V Only)
Кфлоп выдает степы и диры 3.3в выходами. Я бы поставил брейкаут чтобы повысить напряжение до 5В а еще лучше 9-12В. Тянуть длинные провода на драйверы с 3.3в напряжением не лучшее решение касаемо помехоустойчивости. Да и входные сопротивления оптопар драйверов рассчтаны на 5в.