Нужна помощь станок CNC 3018

Фрезерные и гравировальные станки для обработки мягких материалов (дерево, пластики, мягкие металлы).
Rion
Опытный
Сообщения: 142
Зарегистрирован: 30 окт 2017, 11:55
Репутация: 19
Настоящее имя: Alexandr
Контактная информация:

Re: Нужна помощь станок CNC 3018

Сообщение Rion »

Sem писал(а):Здравствуйте.
Есть проблема.
Создаю уп в арткаме. Черновая походит отлично. При запуске чистовой фреза уходит либо не туда и забуривается довольно глубоко, либо уходит вроде туда но при первом же проходе постепенно забуривается глубоко, приходится аварийно отключать.
При прогонке визуализации в арткаме все красиво, косяков не видать.
Попробуй в коде, в ручную, удалить все строки что идут до описания фезы, и в конце все строки (кроме м30) которые идут после возращения в нулевую точку. Не знаю в чем проблема но у меня он часто перед началом катается по траекториям которые не отображаются в визуализации, приходится редактировать код .
Еще возможна ошибка при создании УП в арткаме, ноль по Z должна находится над заготовкой.
Rion
Опытный
Сообщения: 142
Зарегистрирован: 30 окт 2017, 11:55
Репутация: 19
Настоящее имя: Alexandr
Контактная информация:

Re: Нужна помощь станок CNC 3018

Сообщение Rion »

Народ, подскажет кто - как можно увеличить подачу на данном аппарате?
Опытным путем выяснил что максимальная подача по осям Х У 800мм в минуту, что довольна таки мало при некоторых режимах резки. Какие ШД можно поставить на замену?и обязательно ли менять плату управления? для меня все это темный лес.
Штатные такие стоят Изображение
Аватара пользователя
iMaks-RS
Мастер
Сообщения: 1807
Зарегистрирован: 10 июл 2017, 09:25
Репутация: 205
Настоящее имя: Maks
Откуда: От туда.
Контактная информация:

Re: Нужна помощь станок CNC 3018

Сообщение iMaks-RS »

Rion, читай мануал на драйвера наши... по разводке платы - на питание мотора идёт 12В, хотя движки на 24В. Если драйвер такое напряжение держит - то смело модернизировать плату с паяльником и скальпелем.. если нет - покупать 6600 драйвера.. под нема23 и запитывать движки от 24В.
Sem
Новичок
Сообщения: 14
Зарегистрирован: 29 окт 2017, 18:27
Репутация: 0
Настоящее имя: Игорь
Контактная информация:

Re: Нужна помощь станок CNC 3018

Сообщение Sem »

Все правильно, промучился сегодня, но всё-таки разобрался.
Во-первых проблема с фрезами, пытался пройти чистовую зубной фрезой кукурузного типа, а ей не хватает производительности и она забуривается и как бы выкручивается из цанги. Поставил родную гравировальную из комплекта, немного подточив острый кончик и немного его скруглил. Проход почти не виден.
По ошибке в начале УП, тоже думал удалить первые команды,но пока ещё не попробовал. Может ещё и спрогами поиграться, может какая и лучше подойдёт.
Жду когда нормальные фрезы придут, там посмотрим. Кстати для чистовой какие лучше подходят и главное где их взять на 3.175мм?
Rion
Опытный
Сообщения: 142
Зарегистрирован: 30 окт 2017, 11:55
Репутация: 19
Настоящее имя: Alexandr
Контактная информация:

Re: Нужна помощь станок CNC 3018

Сообщение Rion »

А ты фрезами из комплекта сразу в чистовую фрезеруешь?
Вообще для этих целей есть однозаходные фрезы, конические с радиусным концом, но наш станочек не справляется с ними. Черновую обработку всеравно приходится делать, так меньше проблем.
Насчет правки УП
Вложения
можешь смело удалять то что обведено (4342 просмотра) <a class='original' href='./download/file.php?id=123380&sid=5707fc147556ba97fdfc1a8bb9e568ba&mode=view' target=_blank>Загрузить оригинал (88.97 КБ)</a>
можешь смело удалять то что обведено
Rion
Опытный
Сообщения: 142
Зарегистрирован: 30 окт 2017, 11:55
Репутация: 19
Настоящее имя: Alexandr
Контактная информация:

Re: Нужна помощь станок CNC 3018

Сообщение Rion »

iMaks-RS писал(а):Rion, читай мануал на драйвера наши... по разводке платы - на питание мотора идёт 12В, хотя движки на 24В. Если драйвер такое напряжение держит - то смело модернизировать плату с паяльником и скальпелем.. если нет - покупать 6600 драйвера.. под нема23 и запитывать движки от 24В.
То есть если решить проблему с драйвером то можно увеличить производительность на штатных моторах и бп?
Модернизировать плату своими силами наврятли стану, так как не в теме. Такой комплект подойдет для решения проблемы? https://ru.aliexpress.com/item/3-TB6600 ... 7b45oQ8ZSW
Аватара пользователя
iMaks-RS
Мастер
Сообщения: 1807
Зарегистрирован: 10 июл 2017, 09:25
Репутация: 205
Настоящее имя: Maks
Откуда: От туда.
Контактная информация:

Re: Нужна помощь станок CNC 3018

Сообщение iMaks-RS »

Это пока "теория", но есть на ютубе и практика.. так-что на свой страх и риск..

набор по ссылке - для Mach3.. он только через лпт порт работает.. другой софт управления станком.. причем платный.. до определённого количества строк кода вроде бесплатный.. потом лицензия нужна.

драйвера 6600 можно подключить вместо штатных - их изымаем, с калодок, где были драйвера, берём по 4 провода для управления каждого драйвера, (на запитывать их нужно от отдельного блока питания, хотя +5В вроде можно с нашей платы взять).

Я планирую так и поступить.. правда не с 2418... намылился собирать 3020 - готовая ферма с движками Нема23 76мм (портальник - новая ревизия.. валы с опорами под порталом, швп 1605 на осях ХУ, 1204-Z), + драйвера + питание + шпиндель с частотником. Управление GRBL ардуино2560.
Как сделаю - расскажу.. думаю не раньше НГ будет.. как-то так..
Sem
Новичок
Сообщения: 14
Зарегистрирован: 29 окт 2017, 18:27
Репутация: 0
Настоящее имя: Игорь
Контактная информация:

Re: Нужна помощь станок CNC 3018

Сообщение Sem »

Само собой прохожу сначала черновую в несколько проходов по 1мм по Z и 1мм в горизонте плоской 3мм фрезой, потом уже на чистовую, конической с закругленным концом. Конец сам подтачивал, R примерно 0.25мм.
Заказывал с али конические винтовые с закруглением, пока не пришли.
А в УП попробую лишнее удалить.
Ещё вопрос. А имеет ли значение задавать в арткаме скорость подачи? Просто такое ощущение что grbl сам рулит скоростями, и похоже другими параметрами. Или мне кажется? Просто пробовал задавать в арткаме разные скорости подачи, но на глаз нет разницы. Максимум задавал 700мм/мин.
Rion
Опытный
Сообщения: 142
Зарегистрирован: 30 окт 2017, 11:55
Репутация: 19
Настоящее имя: Alexandr
Контактная информация:

Re: Нужна помощь станок CNC 3018

Сообщение Rion »

iMaks-RS, спасибо) держи в курсе своих доработок.
Sem, максимальная скорость подачи на этом станке (по крайней мере у меня) 800мм в минуту, лучше в арткаме такую и задавать, что бы в самой программе уже корректно регулировать скорость в процентах.
Я черновую обработку делаю за один заход,кукурузой 3.175 на глубину до 12мм, с шагом 1мм и подачей 400, материал береза.Само собой первый проход на пониженной подаче.
Rion
Опытный
Сообщения: 142
Зарегистрирован: 30 окт 2017, 11:55
Репутация: 19
Настоящее имя: Alexandr
Контактная информация:

Re: Нужна помощь станок CNC 3018

Сообщение Rion »

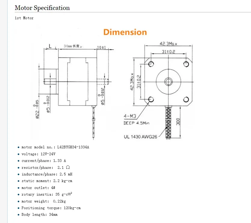
Что скажете про этот мотор? https://ru.aliexpress.com/item/Free-shi ... d0a8&tpp=1
Встанет ли он на этот станок без замены драйверов, и прочих танцев с бубнами, и будет ли от него прок?
@lice
Опытный
Сообщения: 167
Зарегистрирован: 11 сен 2017, 20:52
Репутация: 6
Настоящее имя: Aldis
Контактная информация:

Re: Нужна помощь станок CNC 3018

Сообщение @lice »

arkadiy2 писал(а):
@lice писал(а): Да светодиод второй по счету с верху в низ горит ( значит как я понимаю 5В на МК поступает ) ! Но в GrblControl ни каких команд не выполняется ( то есть я написал " $ " и ни какой реакции потом написал "$$" и тоже ноль реакции - может прошивка слетела ?)!
Второй сверху? Может ошиблись и горит третий (средний из пяти)? Т.к. тот, который якобы у вас горит- 12в.

Не исключено, что и прошивка могла слететь- симптомы совпадают. У меня это случилось буквально в процессе работы (история и исцеление здесь: http://www.cnc-club.ru/forum/viewtopic. ... 96#p385596)
Тогда тоже программы подключение к порту почувствовали, но до связи с микроконтроллером не доходили.
Если что- при успешном подключении программы к контроллеру Candle в строке о статусе подключения пишет "Idle", если микроконтроллер не отвечает- была какая то другая надпись, уже не помню что.
Если с паяльником дружите (или есть знакомый, кого можно попросить)- пробуйте реанимировать. Или ждите обещанную плату замены. Должны прислать. Мне прислали без особых уговоров и споров.
Последний раз редактировалось @lice 30 окт 2017, 22:48, всего редактировалось 1 раз.
@lice
Опытный
Сообщения: 167
Зарегистрирован: 11 сен 2017, 20:52
Репутация: 6
Настоящее имя: Aldis
Контактная информация:

Re: Нужна помощь станок CNC 3018

Сообщение @lice »

Форумчане Rion, Sem - не в обиду, но вы сильно "заболтали" эту тему, то есть- за-оффтопили.
Может быть откроете свою ветку? ;)
Rion
Опытный
Сообщения: 142
Зарегистрирован: 30 окт 2017, 11:55
Репутация: 19
Настоящее имя: Alexandr
Контактная информация:

Re: Нужна помощь станок CNC 3018

Сообщение Rion »

@lice писал(а):Форумчане Rion, Sem - не в обиду, но вы сильно "заболтали" эту тему, то есть- за-оффтопили.
Может быть откроете свою ветку? ;)
И назвать ее так же?
Никакого офтопа, все вопросы касаются данного станка.
@lice
Опытный
Сообщения: 167
Зарегистрирован: 11 сен 2017, 20:52
Репутация: 6
Настоящее имя: Aldis
Контактная информация:

Re: Нужна помощь станок CNC 3018

Сообщение @lice »

Rion писал(а): И назвать ее так же?
Ну, названием "Нужна помощь станок CNC 3018" по-моему не все возможности неисправностей и вопросов про этот размер станка исчерпаны :hehehe:
Суть в том, что у топикстартера конкретная неисправность, из-за которой он создал эту тему.
peratron
Мастер
Сообщения: 605
Зарегистрирован: 05 фев 2017, 07:43
Репутация: 36
Настоящее имя: Eugene
Контактная информация:

Re: Нужна помощь станок CNC 3018

Сообщение peratron »

@lice писал(а):Суть в том, что у топикстартера конкретная неисправность, из-за которой он создал эту тему.
Ну, раз назвал так - то тема уже в общественном достоянии и не обязана заканчиваться удовлетворением его лично.

Скорей пусть ТС выделится в отдельное производство, конкретизировав запрос в названии.
@lice
Опытный
Сообщения: 167
Зарегистрирован: 11 сен 2017, 20:52
Репутация: 6
Настоящее имя: Aldis
Контактная информация:

Re: Нужна помощь станок CNC 3018

Сообщение @lice »

Скорей пусть ТС выделится в отдельное производство, конкретизировав запрос в названии.
Можно и так. Но обычно ведь- "кто первый встал, того и тапки" :hehehe:

Мне кажется очень неудобным, если как в теме про 2418- лопатить 40 страниц и питаться понять- кто на что когда отвечает. Кто в теме с самого начала- ещё ничего, а для тех кто только что зашёл или зашёл после перерыва- неудобно.
Sem
Новичок
Сообщения: 14
Зарегистрирован: 29 окт 2017, 18:27
Репутация: 0
Настоящее имя: Игорь
Контактная информация:

Re: Нужна помощь станок CNC 3018

Сообщение Sem »

Вообще-то создание дублирующих тем и является нарушением на любом форуме.
А мне нужна помощь по станку и я пишу в теме.
И попрошу модератор удалить вышестоящую демагогию.
Lecter
Кандидат
Сообщения: 96
Зарегистрирован: 05 окт 2017, 10:10
Репутация: 2
Настоящее имя: Денис
Контактная информация:

Re: Нужна помощь станок CNC 3018

Сообщение Lecter »

Всем привет, разрешите тут примазаться дабы не плодить тем из-за одного вопроса. Тоже имею 3018, скоро придет патрон ER11, слышал есть проблемы с насадкой его на шпиндель. Очень туго либо вообще не насаживается. Слышал про "метод горячей насадки" когда патрон разогревают а потом насаживают. Как правильно, расскажите?
arkadiy2
Новичок
Сообщения: 21
Зарегистрирован: 23 окт 2017, 14:09
Репутация: 0
Настоящее имя: Аркадий
Контактная информация:

Re: Нужна помощь станок CNC 3018

Сообщение arkadiy2 »

Lecter писал(а):Всем привет, разрешите тут примазаться дабы не плодить тем из-за одного вопроса. Тоже имею 3018, скоро придет патрон ER11, слышал есть проблемы с насадкой его на шпиндель. Очень туго либо вообще не насаживается. Слышал про "метод горячей насадки" когда патрон разогревают а потом насаживают. Как правильно, расскажите?
Да патрон и впрямь очень туго садится ( при комнатной температуре ) - но я брал деревянный брусочек и потихоньку постукивая посадил патрон на место ! Только смотрите не переусердствуйте потому как его можно осадить аж до самого двигатели и тогда он будет тереть о корпус , но насаживать надо все равно почти до конца . Так что ни чего страшного нет - все получится !!!
arkadiy2
Новичок
Сообщения: 21
Зарегистрирован: 23 окт 2017, 14:09
Репутация: 0
Настоящее имя: Аркадий
Контактная информация:

Re: Нужна помощь станок CNC 3018

Сообщение arkadiy2 »

@lice писал(а):
arkadiy2 писал(а):
@lice писал(а): Да светодиод второй по счету с верху в низ горит ( значит как я понимаю 5В на МК поступает ) ! Но в GrblControl ни каких команд не выполняется ( то есть я написал " $ " и ни какой реакции потом написал "$$" и тоже ноль реакции - может прошивка слетела ?)!
Второй сверху? Может ошиблись и горит третий (средний из пяти)? Т.к. тот, который якобы у вас горит- 12в.

Не исключено, что и прошивка могла слететь- симптомы совпадают. У меня это случилось буквально в процессе работы (история и исцеление здесь: http://www.cnc-club.ru/forum/viewtopic. ... 96#p385596)
Тогда тоже программы подключение к порту почувствовали, но до связи с микроконтроллером не доходили.
Если что- при успешном подключении программы к контроллеру Candle в строке о статусе подключения пишет "Idle", если микроконтроллер не отвечает- была какая то другая надпись, уже не помню что.
Если с паяльником дружите (или есть знакомый, кого можно попросить)- пробуйте реанимировать. Или ждите обещанную плату замены. Должны прислать. Мне прислали без особых уговоров и споров.
Нет именно загорается второй сверху ( сам не понял почему ) ! В GrblControl сверху пишет что соединение есть а в строке статуса вообще ни чего нет !
Ответить

Вернуться в «Фрезерные станки по дереву и пластикам, гравировальные станки, роутеры»