Шкаф портальника на сервах. Нужен совет.
- ScrewDriver
- Мастер
- Сообщения: 1942
- Зарегистрирован: 06 сен 2016, 01:44
- Репутация: 498
- Настоящее имя: Василий
- Откуда: Москва
- Контактная информация:
Re: Шкаф портальника на сервах. Нужен совет.
Ошибки типа варнинг тоже можно вывести на внешний выход.
Надо ли оно вам - решать вам =)
Надо ли оно вам - решать вам =)
Промышленная автоматика, ПЛК, приводы, SCADA системы
Мой Ютуб канал.
Мой Ютуб канал.
-
Nikomas
- Мастер
- Сообщения: 721
- Зарегистрирован: 07 янв 2012, 14:31
- Репутация: 64
- Откуда: Беларусь
- Контактная информация:
Re: Шкаф портальника на сервах. Нужен совет.
Никто и не собирается рвать питание усилка при аварии. Для этого есть EMG.Олег. писал(а):Рвать питание на драйвере во время движения...
-
Nikomas
- Мастер
- Сообщения: 721
- Зарегистрирован: 07 янв 2012, 14:31
- Репутация: 64
- Откуда: Беларусь
- Контактная информация:
Re: Шкаф портальника на сервах. Нужен совет.
Скорее нет чем да. Просто поставлю один "грибок" на замыкание EMG 4х усилков. И выход из ЧПУ туда же. Ну а параллельно уже и сами ALM...ScrewDriver писал(а):Надо ли оно вам - решать вам =)
- Serg
- Мастер
- Сообщения: 21923
- Зарегистрирован: 17 апр 2012, 14:58
- Репутация: 5183
- Заслуга: c781c134843e0c1a3de9
- Настоящее имя: Сергей
- Откуда: Москва
- Контактная информация:
Re: Шкаф портальника на сервах. Нужен совет.
Ближайший ко мне - VDL-1000 со стойкой Fanuc.Hanter писал(а):а можно поинтересоваться на каком современном оборудовании так сделано ??
Причин море: стойка зависла, концевик повреждён и не размыкается, крепление регулируемого упора, который нажимает на концевик ослабло и упор сдвинулся, провод к концевику повреждён до состояния КЗ, ...Hanter писал(а):почему должен не сработать механический лимит, особенно учитывая что они все нормально-замкнутые - тоже непонятно....
Я не Христос, рыбу не раздаю, но могу научить, как сделать удочку...
- ScrewDriver
- Мастер
- Сообщения: 1942
- Зарегистрирован: 06 сен 2016, 01:44
- Репутация: 498
- Настоящее имя: Василий
- Откуда: Москва
- Контактная информация:
Re: Шкаф портальника на сервах. Нужен совет.
Предусмотрите еще сброс аварий. И при включении питания что будет происходить - возможно будут проблемы, в том плане что одна серва включится и заблокирует другие. В мануале вроде бы циклограммы были на этот счет.Nikomas писал(а):Скорее нет чем да. Просто поставлю один "грибок" на замыкание EMG 4х усилков. И выход из ЧПУ туда же. Ну а параллельно уже и сами ALM...ScrewDriver писал(а):Надо ли оно вам - решать вам =)
Промышленная автоматика, ПЛК, приводы, SCADA системы
Мой Ютуб канал.
Мой Ютуб канал.
-
Nikomas
- Мастер
- Сообщения: 721
- Зарегистрирован: 07 янв 2012, 14:31
- Репутация: 64
- Откуда: Беларусь
- Контактная информация:
Re: Шкаф портальника на сервах. Нужен совет.
Аварии сбрасываются только питанием или шнурком с компа.ScrewDriver писал(а):Предусмотрите еще сброс аварий.
Так и есть. Т.к. при включении усилка ALM активен 1с. Надо думать обход.ScrewDriver писал(а):в том плане что одна серва включится и заблокирует другие.
зы. Блок питания слаботочки надо включать не от общего рубильника, а отдельно и спустя >1 сек.
-
Duhas
- Мастер
- Сообщения: 1961
- Зарегистрирован: 10 окт 2015, 23:25
- Репутация: 285
- Настоящее имя: Андрей
- Откуда: Красноярск
- Контактная информация:
Re: Шкаф портальника на сервах. Нужен совет.
с одной стороны дело в более умных и надежных сервах, многие из которых замкнуты по положению и шанса вылететь за лимит на них в целом меньше, имхо.Hanter писал(а):во! на советских, с древними аналоговыми драйверами - таки да!! я потому и указал про современное оборудование что на моей памяти эта тема с кучей концевиков сгинула давным давно. даже более менее современные (ну 90-ых, 2000-ых годов) аналоговые усилители понимают сработку лимитов в разных направлениях...
у меня на 16К20Т1 на каждой оси по 4 концевика и 6 опорных точек.. я собственно даже функционала на все не придумал, только на часть.
с другой стороны -"разгильдяйтсво", допустим перетерся кабель (а такое порой и на дорогих современных станках случается сюда по постам в сети) и концевик всегда в нормальном состоянии вне зависимости от реальности. при наличии второго шанс сломать железки и людей будет ниже, цена реализации - копейки.
ПС я вот не понимаю почему на современных авто в фонарях 1 туманка и 1 "задний ход", не понимаю чуть более чем полностью. я бы понял если бы оно было на дешевых авто только, но ведь нет, на всех и заметно дорогих тоже. Ведь цена двух доп. лампочек просто смешная, а учитывая светодиоды можно даже совместить все это и вписаться в в 1 место для туманки и заднего. 2 туманки - больше шанса в туман увидеть нормально габарит машины, а не только какой то ее край. 2 задних - больше света ночью чотбы сдавать, больше вероятность заметить пешехода или собаку, да не поцарапаться о куст наконец.. вот, имхо, также и в станках, в принципе канает и 1 концевик, пипл хавать не перестал, а аварий не много по этой причине, зачем заморачиваться.
- PKM
- Почётный участник

- Сообщения: 4263
- Зарегистрирован: 31 мар 2011, 18:11
- Репутация: 705
- Настоящее имя: Андрей
- Откуда: Украина
- Контактная информация:
Re: Шкаф портальника на сервах. Нужен совет.
Нужно нормально замкнутые концевики использовать, тогда не перетрется. Разве что замкнетDuhas писал(а):допустим перетерся кабель (а такое порой и на дорогих современных станках случается сюда по постам в сети) и концевик всегда в нормальном состоянии
-
Duhas
- Мастер
- Сообщения: 1961
- Зарегистрирован: 10 окт 2015, 23:25
- Репутация: 285
- Настоящее имя: Андрей
- Откуда: Красноярск
- Контактная информация:
Re: Шкаф портальника на сервах. Нужен совет.
тут как с защитой от дурака - как бы не был предусмотрителен разработчик, нельзя недооценивать дурака.. или переоценивать.PKM писал(а):Разве что замкнет
- Serg
- Мастер
- Сообщения: 21923
- Зарегистрирован: 17 апр 2012, 14:58
- Репутация: 5183
- Заслуга: c781c134843e0c1a3de9
- Настоящее имя: Сергей
- Откуда: Москва
- Контактная информация:
Re: Шкаф портальника на сервах. Нужен совет.
по действующим ТУ допускается одна противотуманка и один задний ход, но не допускается совмещать их в одной секции фонаря с какими-то ещё.Duhas писал(а):ПС я вот не понимаю почему на современных авто в фонарях 1 туманка и 1 "задний ход", не понимаю чуть более чем полностью. я бы понял если бы оно было на дешевых авто только, но ведь нет, на всех и заметно дорогих тоже. Ведь цена двух доп. лампочек просто смешная, а учитывая светодиоды можно даже совместить все это и вписаться в в 1 место для туманки и заднего. 2 туманки - больше шанса в туман увидеть нормально габарит машины, а не только какой то ее край. 2 задних - больше света ночью чотбы сдавать, больше вероятность заметить пешехода или собаку, да не поцарапаться о куст наконец.
Я не Христос, рыбу не раздаю, но могу научить, как сделать удочку...
-
Duhas
- Мастер
- Сообщения: 1961
- Зарегистрирован: 10 окт 2015, 23:25
- Репутация: 285
- Настоящее имя: Андрей
- Откуда: Красноярск
- Контактная информация:
Re: Шкаф портальника на сервах. Нужен совет.
Ок, не был осведомлен, хотя понимания что мешает поставить 2 не прибавилось.
- Rom327
- Почётный участник

- Сообщения: 2989
- Зарегистрирован: 03 апр 2015, 13:23
- Репутация: 437
- Настоящее имя: Роман
- Откуда: Подольск
- Контактная информация:
Re: Шкаф портальника на сервах. Нужен совет.
В тех тормозах, что я видел, нет никаких зубцов! 2 диска с ферродо зажаты пружиной. Один из них соединен с катушкой электромагнита. Есть напряжение, диски не соединены, отсутсвует напряжение, диски сомкнуты. Система в целом очень похожа на привод кондиционера в автомобиле, но с обратной зависимостью.UAVpilot писал(а):Часто зубцы на тормозах делают такой формы, чтобы они ничего не стопорили пока есть вращение (даже при снятии напряжения с них), а вот когда вращение прекратится, тогда они смогут встать в зацепление и застопорить мотор.Rom327 писал(а):И тормоза довольно крепко держат. У нас на одном Хеккерте отвалился провод тормоза, так ось даже не поехала - привод встал по перегрузке.
Это сугубо мое мнение, могу и ошибаться...
https://vk.com/rom327
GRBL настройки: http://blogandbux.blogspot.com/2018/07/ ... revod.html
G коды: http://3d-stanki.ru/spravochnik/program ... stankov-2/
https://vk.com/rom327
GRBL настройки: http://blogandbux.blogspot.com/2018/07/ ... revod.html
G коды: http://3d-stanki.ru/spravochnik/program ... stankov-2/
- Hanter
- Мастер
- Сообщения: 5414
- Зарегистрирован: 27 янв 2012, 14:52
- Репутация: 4338
- Настоящее имя: Алексей
- Откуда: Питер
- Контактная информация:
Re: Шкаф портальника на сервах. Нужен совет.
можно еще модель стойки уточнить. поинтересуюсь. просто интересно.UAVpilot писал(а):Ближайший ко мне - VDL-1000 со стойкой Fanuc.
Сергей, у тех станков которые я периодически ковыряю, концевик имеет либо две группы контактов и рвет сразу обе цепи - сигнальную на стойку и лимит на усилок, либо один на обе цепи сразу.. по этому зависание стойки (если оно бывает) никак не отражается на блокирвоке усилителя. более того. если стойка каким то образом не "увидела" сигнала срабатывания лимита оси, то после блокировки усилителя она как минимум имеет возможность увидеть сигнал аларма с усилка. и даже более того - на нашем не очень новом станке стойка даже понимает код ошибки усилка.. и правильно интерпретирует его..UAVpilot писал(а):Причин море: стойка зависла, концевик повреждён и не размыкается, крепление регулируемого упора, который нажимает на концевик ослабло и упор сдвинулся, провод к концевику повреждён до состояния КЗ, ...
касаемо - перетерся кабель, разболталось крепление опор... провод поврежден.. Сергей, я понимаю что у нас принято задвигать на процедуры подготовки станка к работе... НО! Вам как любителю читать мануалы - должно быть известно что существуют процедуры которые должны быть выполнены перед включением станка. причем процедуры есть ежедневные, ежемесячный (или по наработке определенного времени) и так далее... Соответственно подобные явления - это не проблема оборудования, это проблема людей. которые на определенные вещи просто задвинули. И более того - уверяю - какие бы мыслимые и немыслимые защиты не придумывали - при подобном отношении всегда будут возникать ситуации, которые производители оборудования не смогли предусмотреть.... хотя бы потому что это банально не укладывается в их логику...
Андрей - да. на наших станках это часто встречается. но привода там стоят мягко говоря не самые современные.. и там это да, оправдано. насчет разгильдяйства и прочего отписался выше.Duhas писал(а):с одной стороны дело в более умных и надежных сервах, многие из которых замкнуты по положению и шанса вылететь за лимит на них в целом меньше, имхо.
у меня на 16К20Т1 на каждой оси по 4 концевика и 6 опорных точек.. я собственно даже функционала на все не придумал, только на часть.
с другой стороны -"разгильдяйтсво", допустим перетерся кабель (а такое порой и на дорогих современных станках случается сюда по постам в сети) и концевик всегда в нормальном состоянии вне зависимости от реальности. при наличии второго шанс сломать железки и людей будет ниже, цена реализации - копейки.
Опыт - это когда на смену вопросам: "Что? Где? Когда? Как? Почему?" Приходит единственный вопрос: "Нахрена?"
==========================================
фрезерная и токарная обработка на станках с чпу.
Резка, гибка, сварка и порошковая окраса.
==========================================
фрезерная и токарная обработка на станках с чпу.
Резка, гибка, сварка и порошковая окраса.
-
SVP
- Мастер
- Сообщения: 6140
- Зарегистрирован: 19 дек 2012, 15:49
- Репутация: 884
- Откуда: Москва
- Контактная информация:
Re: Шкаф портальника на сервах. Нужен совет.
Стойка-то тут причем ?UAVpilot писал(а):Причин море: стойка зависла
Если концевик заведен в сервопак, то работает прекрасно даже тогда, когда стойка гонит задание
"едь, едь скорее, не успеваешь еще прибавь".
- Serg
- Мастер
- Сообщения: 21923
- Зарегистрирован: 17 апр 2012, 14:58
- Репутация: 5183
- Заслуга: c781c134843e0c1a3de9
- Настоящее имя: Сергей
- Откуда: Москва
- Контактная информация:
Re: Шкаф портальника на сервах. Нужен совет.
FANUC Серия 0i Mate-МОДЕЛЬ DHanter писал(а):можно еще модель стойки уточнить. поинтересуюсь. просто интересно.
Но это не особо важно - как я понял к стойке подключены только концевики первого уровня, а концевики второго уровня включены в цепь E-STOP или аналогичную.
Ну так я и написал:Hanter писал(а):Сергей, у тех станков которые я периодически ковыряю, концевик имеет либо две группы контактов и рвет сразу обе цепи - сигнальную на стойку и лимит на усилок
UAVpilot писал(а):Первый уровень заводится в ЧПУ и/или в сервоусилитель
В мануале на этот станок в перечне процедур периодичного обслуживания есть процедура проверки аварийных концевиков (второго уровня), но проводится она должна раз в год сервисным инженером...Hanter писал(а):касаемо - перетерся кабель, разболталось крепление опор... провод поврежден.. Сергей, я понимаю что у нас принято задвигать на процедуры подготовки станка к работе... НО! Вам как любителю читать мануалы - должно быть известно что существуют процедуры которые должны быть выполнены перед включением станка. причем процедуры есть ежедневные, ежемесячный (или по наработке определенного времени) и так далее...
Я для примера привёл несколько разных причин для разных станков. Например у AG250/AG400 у сервоусилителей нет входов для подключения концевиков, там первый уровень включен только в ЧПУ, а второй в цепь E-STOP.SVP писал(а):Стойка-то тут причем ?
Я не Христос, рыбу не раздаю, но могу научить, как сделать удочку...
- Hanter
- Мастер
- Сообщения: 5414
- Зарегистрирован: 27 янв 2012, 14:52
- Репутация: 4338
- Настоящее имя: Алексей
- Откуда: Питер
- Контактная информация:
Re: Шкаф портальника на сервах. Нужен совет.
хм.. у нас такая на лидвелах стоит... с мицушными приводами.. Серегй, а концевики разнесены по положению ??UAVpilot писал(а):FANUC Серия 0i Mate-МОДЕЛЬ D
Но это не особо важно - как я понял к стойке подключены только концевики первого уровня, а концевики второго уровня включены в цепь E-STOP или аналогичную.
а первый уровень вообще не проверяется ? или чаще ? второй то наверное и логично раз в год. ибо не так часто они срабатывают..UAVpilot писал(а):В мануале на этот станок в перечне процедур периодичного обслуживания есть процедура проверки аварийных концевиков (второго уровня), но проводится она должна раз в год сервисным инженером...
а цепь Е-Стоп куда приходит ? не на энейбл ?UAVpilot писал(а):Я для примера привёл несколько разных причин для разных станков. Например у AG250/AG400 у сервоусилителей нет входов для подключения концевиков, там первый уровень включен только в ЧПУ, а второй в цепь E-STOP.
Опыт - это когда на смену вопросам: "Что? Где? Когда? Как? Почему?" Приходит единственный вопрос: "Нахрена?"
==========================================
фрезерная и токарная обработка на станках с чпу.
Резка, гибка, сварка и порошковая окраса.
==========================================
фрезерная и токарная обработка на станках с чпу.
Резка, гибка, сварка и порошковая окраса.
- Serg
- Мастер
- Сообщения: 21923
- Зарегистрирован: 17 апр 2012, 14:58
- Репутация: 5183
- Заслуга: c781c134843e0c1a3de9
- Настоящее имя: Сергей
- Откуда: Москва
- Контактная информация:
Re: Шкаф портальника на сервах. Нужен совет.
Конечно. Примерно на 10мм.Hanter писал(а):Серегй, а концевики разнесены по положению ??
Проверяется оператором, вроде раз в месяц.Hanter писал(а):а первый уровень вообще не проверяется ?
у AG250/AG400 в том числе и на enable усилителей, и отключает ещё много чего (силовое не рубит). После снятия сигнала E-STOP (съезда с такого концевика) нужно снова нажимать кнопку Вкл. Для примера можно посмотреть на LinuxCNC, там точно такое-же поведение.Hanter писал(а):а цепь Е-Стоп куда приходит ? не на энейбл ?
Я не Христос, рыбу не раздаю, но могу научить, как сделать удочку...
- ScrewDriver
- Мастер
- Сообщения: 1942
- Зарегистрирован: 06 сен 2016, 01:44
- Репутация: 498
- Настоящее имя: Василий
- Откуда: Москва
- Контактная информация:
Re: Шкаф портальника на сервах. Нужен совет.
как дела с сервами?Nikomas писал(а): Аварии сбрасываются только питанием или шнурком с компа.
Аварии можно сбрасывать и внешней кнопкой - поставить на нее доп контакт нормально замкнутый - им рвать подачи EMG на сервы.
Подал питание - жакнул кнопку - пошел работать.
Промышленная автоматика, ПЛК, приводы, SCADA системы
Мой Ютуб канал.
Мой Ютуб канал.
-
Nikomas
- Мастер
- Сообщения: 721
- Зарегистрирован: 07 янв 2012, 14:31
- Репутация: 64
- Откуда: Беларусь
- Контактная информация:
Re: Шкаф портальника на сервах. Нужен совет.
Для усиков использую обычный экранированный кабель 4х1,5. Думаю сами понимаете что сервокабель для хобийников неоправданно дорог. Радиус сгиба попробую сделать максимальным, но все же: как можно предупредить переламывание жилы?Hanter писал(а):провод поврежден..
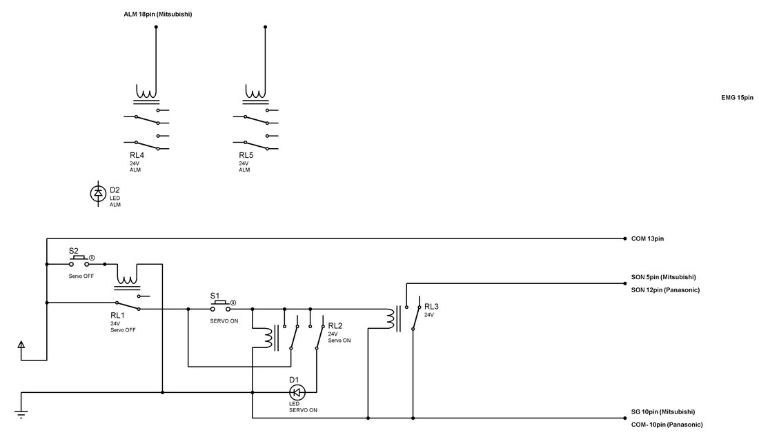
Накидал схему Servo ON. Теперь прикидываю схему ALM. Чтобы ошибка из любого усилка или внешняя кнопка-грибок замыкала EMG.ScrewDriver писал(а):как дела с сервами?
-
SVP
- Мастер
- Сообщения: 6140
- Зарегистрирован: 19 дек 2012, 15:49
- Репутация: 884
- Откуда: Москва
- Контактная информация:
Re: Шкаф портальника на сервах. Нужен совет.
Да пускай ломается, с этим как-раз никаких проблем, поменяете провод и всё.Nikomas писал(а): как можно предупредить переламывание жилы?
Многожильный взять...