распиновка красной платы NС Studio

Контроллеры, драйверы, датчики, управляющие устройства.
Аватара пользователя
shalek
Почётный участник
Почётный участник
Сообщения: 3023
Зарегистрирован: 25 авг 2014, 10:40
Репутация: 2583
Настоящее имя: Александр
Откуда: РБ Бобруйск
Контактная информация:

Re: распиновка красной платы N-Studio

Сообщение shalek »

exe
Дабы не вводить в заблуждение читающих форум в поисках распиновки красной платы удали если сможешь первую фото в первом сообщении. Иначе на этих граблях не один проедет. Не все до конца дочитывают.
Если ты не можешь решить проблему, значит это не твоя проблема!
Мой канал на YouTube: YouTube
ЧПУ "Бобр" 600x500 мм
shalek64@gmail.com
exe
Мастер
Сообщения: 422
Зарегистрирован: 25 дек 2015, 07:37
Репутация: 105
Настоящее имя: -
Контактная информация:

Re: распиновка красной платы N-Studio

Сообщение exe »

прозвонил выводы SP- L, M, H относительно GND у обоих плат, у синей в пределах 9-10кОМ, у красной в пределах 750-770ом, полагаю столь низкое сопротивление инвертор считает за управляющий сигнал и шпиндель начинает крутится :\
lkbyysq
Мастер
Сообщения: 2284
Зарегистрирован: 14 май 2016, 09:40
Репутация: 346
Настоящее имя: Станислав Ерофеев
Откуда: Санкт-Петербург

Re: распиновка красной платы N-Studio

Сообщение lkbyysq »

Это косвенные данные.
Мерить надо напряжения логической единички и логического ноля.
Аватара пользователя
shalek
Почётный участник
Почётный участник
Сообщения: 3023
Зарегистрирован: 25 авг 2014, 10:40
Репутация: 2583
Настоящее имя: Александр
Откуда: РБ Бобруйск
Контактная информация:

Re: распиновка красной платы N-Studio

Сообщение shalek »

Питание пробовал подавать на клеммы?
Screenshot - 16.01.2017 , 11_56_39.png
Screenshot - 16.01.2017 , 11_56_39.png (85.27 КБ) 2206 просмотров
Я запитывал от компьютерного блока.
Если ты не можешь решить проблему, значит это не твоя проблема!
Мой канал на YouTube: YouTube
ЧПУ "Бобр" 600x500 мм
shalek64@gmail.com
exe
Мастер
Сообщения: 422
Зарегистрирован: 25 дек 2015, 07:37
Репутация: 105
Настоящее имя: -
Контактная информация:

Re: распиновка красной платы N-Studio

Сообщение exe »

lkbyysq писал(а):Это косвенные данные.
Мерить надо напряжения логической единички и логического ноля.
дело вот в чем, я когда подключаю красную плату к инвертору, она даже в отключенном состоянии (вытащена из системного блока) заставляет вертеться шпиндель, в таком виде там вообще нет никаких логических сигналов
shalek писал(а):Питание пробовал подавать на клеммы?
Screenshot - 16.01.2017 , 11_56_39.png
Я запитывал от компьютерного блока.
нет, а смысл?, там же присутствует уже +5v (подается на основную колодку), и этот отвод дублирует пины с основной колодки
lkbyysq
Мастер
Сообщения: 2284
Зарегистрирован: 14 май 2016, 09:40
Репутация: 346
Настоящее имя: Станислав Ерофеев
Откуда: Санкт-Петербург

Re: распиновка красной платы N-Studio

Сообщение lkbyysq »

Найдете на коммутационной плате резистор, подтягивающий выход на минус?
На обратной стороне есть радиоэлементы?
Аватара пользователя
shalek
Почётный участник
Почётный участник
Сообщения: 3023
Зарегистрирован: 25 авг 2014, 10:40
Репутация: 2583
Настоящее имя: Александр
Откуда: РБ Бобруйск
Контактная информация:

Re: распиновка красной платы N-Studio

Сообщение shalek »

exe писал(а):этот отвод дублирует пины с основной колодки
А я думал нафига они так сделали? И без питания работает.
Попробуй напрямую провода кинуть с DB15 на частотник. Минуя интерфейсную плату. По распиновке из 33 поста.
Если ты не можешь решить проблему, значит это не твоя проблема!
Мой канал на YouTube: YouTube
ЧПУ "Бобр" 600x500 мм
shalek64@gmail.com
exe
Мастер
Сообщения: 422
Зарегистрирован: 25 дек 2015, 07:37
Репутация: 105
Настоящее имя: -
Контактная информация:

Re: распиновка красной платы N-Studio

Сообщение exe »

lkbyysq писал(а):Найдете на коммутационной плате резистор, подтягивающий выход на минус?
На обратной стороне есть радиоэлементы?
на обратной стороне коммутационной платы ничего нету, есть только ограничительные резюки питающие светодиоды, на главной плате пока найти не удалось
lkbyysq
Мастер
Сообщения: 2284
Зарегистрирован: 14 май 2016, 09:40
Репутация: 346
Настоящее имя: Станислав Ерофеев
Откуда: Санкт-Петербург

Re: распиновка красной платы N-Studio

Сообщение lkbyysq »

Если есть подозрение, что входы инвертора слишком чувствительные, то можно тупо подключить их через диод к колодке коммутационной платы. Анод к инвертору, катод в колодку. Можно через два впослед.
Можно совсем через задницу, использовать один диод на все, от минуса коммутационой к общему сигнальному проводу инвертора. Но это совсем через задницу, чревато.
Один диод поднимает порог срабатывания уровень нуля на входе на 0.6 вольта. Два впослед - на 1.2 вольта.
Последний раз редактировалось lkbyysq 16 янв 2017, 12:26, всего редактировалось 2 раза.
lkbyysq
Мастер
Сообщения: 2284
Зарегистрирован: 14 май 2016, 09:40
Репутация: 346
Настоящее имя: Станислав Ерофеев
Откуда: Санкт-Петербург

Re: распиновка красной платы N-Studio

Сообщение lkbyysq »

exe писал(а): на обратной стороне коммутационной платы ничего нету, есть только ограничительные резюки питающие светодиоды, на главной плате пока найти не удалось
Можно попробовать отмыть платы и кабель от остатков возможно кислотного флюса.
exe
Мастер
Сообщения: 422
Зарегистрирован: 25 дек 2015, 07:37
Репутация: 105
Настоящее имя: -
Контактная информация:

Re: распиновка красной платы N-Studio

Сообщение exe »

shalek писал(а):
exe писал(а):этот отвод дублирует пины с основной колодки
А я думал нафига они так сделали? И без питания работает.
Попробуй напрямую провода кинуть с DB15 на частотник. Минуя интерфейсную плату. По распиновке из 33 поста.
можно конечно, для самоуспокоения:) просто я прозвонил интерфейсную плату отключенную от всего, между выводом GND и выводами SPx - 8-10мегом
lkbyysq писал(а):Если есть подозрение, что входы инвертора слишком чувствительные, то можно тупо подключить их через диод к колодке коммутационной платы. Анод к инвертору, катод в колодку. Можно через два впослед.
Можно совсем через задницу, использовать один диод на все, от минуса коммутационой к общему сигнальному проводу инвертора. Но это совсем через задницу, чревато.
Один диод поднимает порог срабатывания уровень нуля на входе на 0.6 вольта. Два впослед - на 1.2 вольта.
мысль,
экзекуцию платы отложу на завтра, завтра попробую

3 индикаторных светика, которые висели на SPx пинах так же отпаял, ничего не дало
exe
Мастер
Сообщения: 422
Зарегистрирован: 25 дек 2015, 07:37
Репутация: 105
Настоящее имя: -
Контактная информация:

Re: распиновка красной платы NС Studio

Сообщение exe »

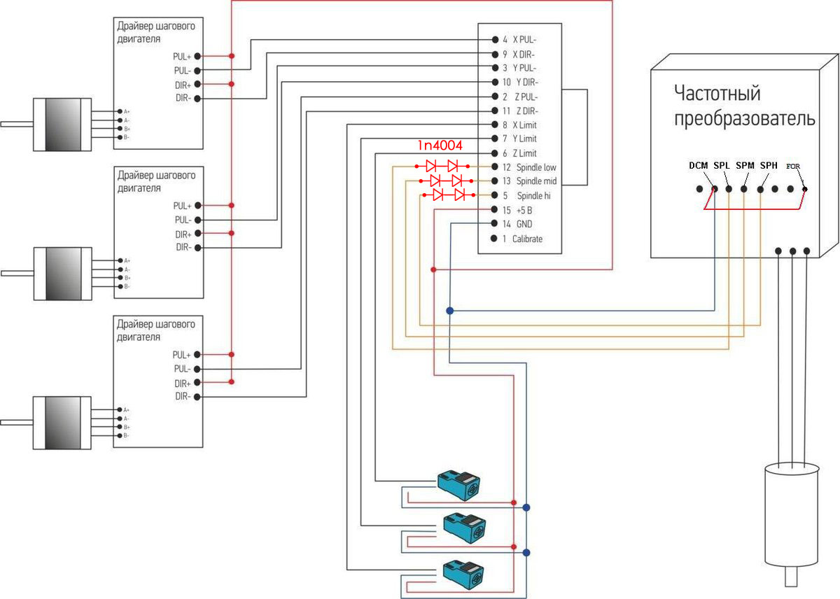
заработало :D , подключение в разрыв 2х последовательно соединенных диодов на каждый пинов решило проблему, сейчас шпиндель нормально управляется из NC-Studio
подключение как на рисунке:
unnamed1.jpg (2175 просмотров) <a class='original' href='./download/file.php?id=100244&mode=view' target=_blank>Загрузить оригинал (108.74 КБ)</a>
огромное спасибо всем за помощь
ven0hm
Новичок
Сообщения: 4
Зарегистрирован: 18 янв 2017, 04:56
Репутация: 0
Контактная информация:

Re: распиновка красной платы NС Studio

Сообщение ven0hm »

Господа, возможно, я не совсем по теме, но подскажите, пожалуйста что из этого SPL, SPM и SPH? Приведенную плату меняю на ту, которая обсуждается в данной теме.
Вложения
IMG_20170111_083346.jpg (2155 просмотров) <a class='original' href='./download/file.php?id=100360&mode=view' target=_blank>Загрузить оригинал (4.02 МБ)</a>
lkbyysq
Мастер
Сообщения: 2284
Зарегистрирован: 14 май 2016, 09:40
Репутация: 346
Настоящее имя: Станислав Ерофеев
Откуда: Санкт-Петербург

Re: распиновка красной платы NС Studio

Сообщение lkbyysq »

ven0hm писал(а):Господа, возможно, я не совсем по теме, но подскажите, пожалуйста что из этого SPL, SPM и SPH?
А нету. https://yadi.sk/i/Xpk4o6QAkUpfe - страницы 6,7.
ven0hm писал(а):Приведенную плату меняю на ту, которая обсуждается в данной теме.
Нескромный вопрос. Что Вас заставляет менять фирменную NcStudio V8 (50'000руб.) на нонейм V5 (3'000руб.)?
ven0hm
Новичок
Сообщения: 4
Зарегистрирован: 18 янв 2017, 04:56
Репутация: 0
Контактная информация:

Re: распиновка красной платы NС Studio

Сообщение ven0hm »

lkbyysq писал(а):Нескромный вопрос. Что Вас заставляет менять фирменную NcStudio V8 (50'000руб.) на нонейм V5 (3'000руб.)?
Оригинальная PCI-карта утеряна. Было принято решение заменять пару и в системнике, и в станке.
Последний раз редактировалось ven0hm 18 янв 2017, 07:58, всего редактировалось 1 раз.
lkbyysq
Мастер
Сообщения: 2284
Зарегистрирован: 14 май 2016, 09:40
Репутация: 346
Настоящее имя: Станислав Ерофеев
Откуда: Санкт-Петербург

Re: распиновка красной платы NС Studio

Сообщение lkbyysq »

Соболезную.
Ну тогда Вам надо соединить между собой проводом SPL, SPM и SPH, и на них бросить S0(что на фото). SP- бросите на G.
ven0hm
Новичок
Сообщения: 4
Зарегистрирован: 18 янв 2017, 04:56
Репутация: 0
Контактная информация:

Re: распиновка красной платы NС Studio

Сообщение ven0hm »

lkbyysq писал(а):Ну тогда Вам надо соединить между собой проводом SPL, SPM и SPH, и на них бросить S0(что на фото). SP- бросите на G.
Спасибо! Это сработало на вкл-выкл шпинделя.
Однако обороты, что в общем логично, не регулируются. Подозреваю, что если опустить уровень сигнала (например, диодами, как было предложено ранее), то можно получить трехступенчатый переключатель скорости вращения шпинделя. Или нет?
lkbyysq
Мастер
Сообщения: 2284
Зарегистрирован: 14 май 2016, 09:40
Репутация: 346
Настоящее имя: Станислав Ерофеев
Откуда: Санкт-Петербург

Re: распиновка красной платы NС Studio

Сообщение lkbyysq »

Требуется программирование инвертора и вытаскивание из него проводов управления оборотами.
Диоды - частный случай, к регулировке оборотов по большому счету отношения не имеют.
Оно Вам надо?
ven0hm
Новичок
Сообщения: 4
Зарегистрирован: 18 янв 2017, 04:56
Репутация: 0
Контактная информация:

Re: распиновка красной платы NС Studio

Сообщение ven0hm »

lkbyysq писал(а):Оно Вам надо?
Надо.
lkbyysq
Мастер
Сообщения: 2284
Зарегистрирован: 14 май 2016, 09:40
Репутация: 346
Настоящее имя: Станислав Ерофеев
Откуда: Санкт-Петербург

Re: распиновка красной платы NС Studio

Сообщение lkbyysq »

Берите мануал на инвертор и настраивайте входы на дискретное управление оборотами.
Ответить

Вернуться в «Электроника»