Первый станок "Кусака 1" и куча вопросов
- Gestap
- Мастер
- Сообщения: 978
- Зарегистрирован: 21 май 2017, 21:18
- Репутация: 1089
- Настоящее имя: Александр
- Контактная информация:
Re: Первый станок "Кусака 1" и куча вопросов
Надо дотягивать) может неправильно посчитал!?
Пилим, точим, шьем, продаём комплектующие к станкам
https://www.instagram.com/dtw.moscow/
dtw.moscow@gmail.com
Наша группа в телеге https://t.me/asiogroup
https://www.instagram.com/dtw.moscow/
dtw.moscow@gmail.com
Наша группа в телеге https://t.me/asiogroup
- evgenymcp
- Мастер
- Сообщения: 1422
- Зарегистрирован: 23 апр 2017, 05:37
- Репутация: 328
- Настоящее имя: Евгений
- Откуда: Абакан,Хакасия
- Контактная информация:
Re: Первый станок "Кусака 1" и куча вопросов
Сейчас напишемdaemon78 писал(а):А где тема то соответствующая?
- daemon78
- Мастер
- Сообщения: 1693
- Зарегистрирован: 02 окт 2018, 15:02
- Репутация: 103
- Настоящее имя: Владимир
- Откуда: Москва
- Контактная информация:
Re: Первый станок "Кусака 1" и куча вопросов
Решил не мучиться, как придет ШВП и опоры на живую и замерю. Мало ли как китаец концы обработает, а я буду сидеть и гадать.Gestap писал(а):Надо дотягивать) может неправильно посчитал!?
Давно пора, а то я тут варианты собираюevgenymcp писал(а):Сейчас напишем
Вот вопрос у меня есть.
В этой теме прочитал как правильно крепить профили Re: Нужна помощь по проекту фрезера по дереву. #71
ultrus писал(а):ам где есть возмодность поставить уголки, ставь, жёстче будет.
В других местах, нарезай резьбы в торцевых отверстиях профиля. Сверли сопрягаемый профиль насквозь и стягивай пазовыми винтами.
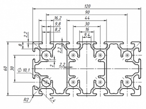
Мне надо так же состыковать профиль вот с таким сечением (см картинку)
Вот страница с крепежом https://soberizavod.ru/catalog/vintovye ... _i_vtulki/
Как правильнее будет соединить профиль.
1. Винт торцевой с пластиной 30, паз 8, E43 (ценник конский)
2. Винт торцевой М12 х 20, B67
Какой из вариантов лучше?
Мой первый станок Первый станок Кусака 1 и куча вопросов #1
Мой второй станок Кусака 2.0 и вопросы к форумчанам #1
Мой второй станок Кусака 2.0 и вопросы к форумчанам #1
- Gestap
- Мастер
- Сообщения: 978
- Зарегистрирован: 21 май 2017, 21:18
- Репутация: 1089
- Настоящее имя: Александр
- Контактная информация:
Re: Первый станок "Кусака 1" и куча вопросов
Торцевой винт наверное норм будет.
Пилим, точим, шьем, продаём комплектующие к станкам
https://www.instagram.com/dtw.moscow/
dtw.moscow@gmail.com
Наша группа в телеге https://t.me/asiogroup
https://www.instagram.com/dtw.moscow/
dtw.moscow@gmail.com
Наша группа в телеге https://t.me/asiogroup
- Din
- Мастер
- Сообщения: 314
- Зарегистрирован: 22 янв 2014, 15:01
- Репутация: 89
- Настоящее имя: Саша
- Откуда: Москва
- Контактная информация:
Re: Первый станок "Кусака 1" и куча вопросов
Будучи в Мерлене купил 4 резиновых отбойника для двери,копейки стоят,на них и поставил станок .3 года уже стоит....
-
calabr
- Мастер
- Сообщения: 937
- Зарегистрирован: 04 янв 2019, 15:19
- Репутация: 146
- Настоящее имя: Calabr
- Откуда: Киев
- Контактная информация:
Re: Первый станок "Кусака 1" и куча вопросов
Для длины винта брать ширину каретки не нужно, если она проходит над опорами. Только длинну гайки и ее кронштейна и ширину опор, обработкуdaemon78 писал(а):evgenymcp писал(а):
Длинна рабочего хода+ширина каретки+обработка концов ШВП (подшипники, муфты, гайки). Еще на концевики заложить немного, в зависимости от конструкции.
- evgenymcp
- Мастер
- Сообщения: 1422
- Зарегистрирован: 23 апр 2017, 05:37
- Репутация: 328
- Настоящее имя: Евгений
- Откуда: Абакан,Хакасия
- Контактная информация:
Re: Первый станок "Кусака 1" и куча вопросов
Я в общих чертах описал. От конструктива зависит. На моем станке, на оси портала ШВП короткая. Если бы ШВП крепилась в боковинах, и ход оси ограничивался бы боковинами, очевидно, что длинна ШВП былла бы равна желаемой ширине оси+ширина Zки +на разделку.
- daemon78
- Мастер
- Сообщения: 1693
- Зарегистрирован: 02 окт 2018, 15:02
- Репутация: 103
- Настоящее имя: Владимир
- Откуда: Москва
- Контактная информация:
Re: Первый станок "Кусака 1" и куча вопросов
Доброе утро!!!
Спасибо всем ответившим.
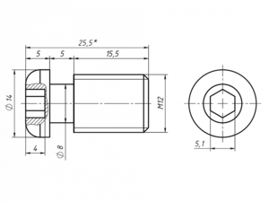
Подскажите пожалуйста, Вы такой винт (см чертеж внизу) на алиэкспрессе не встречали?
брать у соберизавода по 60 рублей штука жаба душит. Надо 24 винта, по их цене выходит около 1400. Как то дороговато на мой взгляд.
Спасибо всем ответившим.
Подскажите пожалуйста, Вы такой винт (см чертеж внизу) на алиэкспрессе не встречали?
брать у соберизавода по 60 рублей штука жаба душит. Надо 24 винта, по их цене выходит около 1400. Как то дороговато на мой взгляд.
Мой первый станок Первый станок Кусака 1 и куча вопросов #1
Мой второй станок Кусака 2.0 и вопросы к форумчанам #1
Мой второй станок Кусака 2.0 и вопросы к форумчанам #1
- shalek
- Почётный участник

- Сообщения: 3023
- Зарегистрирован: 25 авг 2014, 10:40
- Репутация: 2583
- Настоящее имя: Александр
- Откуда: РБ Бобруйск
- Контактная информация:
Re: Первый станок "Кусака 1" и куча вопросов
А отрезным резцом никак не подрезать стандартный винт?
Если ты не можешь решить проблему, значит это не твоя проблема!
Мой канал на YouTube: YouTube
ЧПУ "Бобр" 600x500 мм
shalek64@gmail.com
Мой канал на YouTube: YouTube
ЧПУ "Бобр" 600x500 мм
shalek64@gmail.com
- daemon78
- Мастер
- Сообщения: 1693
- Зарегистрирован: 02 окт 2018, 15:02
- Репутация: 103
- Настоящее имя: Владимир
- Откуда: Москва
- Контактная информация:
Re: Первый станок "Кусака 1" и куча вопросов
У меня нет такого оборудованияshalek писал(а):А отрезным резцом никак не подрезать стандартный винт?
Мой первый станок Первый станок Кусака 1 и куча вопросов #1
Мой второй станок Кусака 2.0 и вопросы к форумчанам #1
Мой второй станок Кусака 2.0 и вопросы к форумчанам #1
- Gestap
- Мастер
- Сообщения: 978
- Зарегистрирован: 21 май 2017, 21:18
- Репутация: 1089
- Настоящее имя: Александр
- Контактная информация:
Re: Первый станок "Кусака 1" и куча вопросов
Ну на фоне всего станка это наверное мелочь, как никрути придется болты покупать, даже если обычные колхозить то вряд-ли сэкономить сильно получиться, как никрути они денег стоят, попробуй на Али кто продает подобные вещи для профилей фотку показать того что надо может есть.
Пилим, точим, шьем, продаём комплектующие к станкам
https://www.instagram.com/dtw.moscow/
dtw.moscow@gmail.com
Наша группа в телеге https://t.me/asiogroup
https://www.instagram.com/dtw.moscow/
dtw.moscow@gmail.com
Наша группа в телеге https://t.me/asiogroup
- daemon78
- Мастер
- Сообщения: 1693
- Зарегистрирован: 02 окт 2018, 15:02
- Репутация: 103
- Настоящее имя: Владимир
- Откуда: Москва
- Контактная информация:
Re: Первый станок "Кусака 1" и куча вопросов
Тоже вариант, попробую, спасибо.Gestap писал(а):попробуй на Али кто продает подобные вещи для профилей фотку показать того что надо может есть.
Мой первый станок Первый станок Кусака 1 и куча вопросов #1
Мой второй станок Кусака 2.0 и вопросы к форумчанам #1
Мой второй станок Кусака 2.0 и вопросы к форумчанам #1
- daemon78
- Мастер
- Сообщения: 1693
- Зарегистрирован: 02 окт 2018, 15:02
- Репутация: 103
- Настоящее имя: Владимир
- Откуда: Москва
- Контактная информация:
Re: Первый станок "Кусака 1" и куча вопросов
Всем привет, очередной вопрос к форумчанам.
Как правильно устанавливать ШВП с точки зрения расстояния между опорами?
1. Надо сближать опоры по максимуму, чтобы ШВП не на сотку не двигалось между ними а стопорное кольцо и гайку одевать для вида?
2. Оставлять небольшой (на сколько небольшой?) люфт для ШВП и натягивать стопорным кольцом и гайкой?
3. Другое.
Сейчас едет ШВП и опоры, хочу понять, какое расстояние между опорами закладывать в солиде, и озадачился "правильной" установкой ШВП.
Как правильно устанавливать ШВП с точки зрения расстояния между опорами?
1. Надо сближать опоры по максимуму, чтобы ШВП не на сотку не двигалось между ними а стопорное кольцо и гайку одевать для вида?
2. Оставлять небольшой (на сколько небольшой?) люфт для ШВП и натягивать стопорным кольцом и гайкой?
3. Другое.
Сейчас едет ШВП и опоры, хочу понять, какое расстояние между опорами закладывать в солиде, и озадачился "правильной" установкой ШВП.
Мой первый станок Первый станок Кусака 1 и куча вопросов #1
Мой второй станок Кусака 2.0 и вопросы к форумчанам #1
Мой второй станок Кусака 2.0 и вопросы к форумчанам #1
- Samodelkin 88
- Мастер
- Сообщения: 1056
- Зарегистрирован: 05 ноя 2017, 22:24
- Репутация: 727
- Настоящее имя: Илья
- Откуда: Курган
- Контактная информация:
Re: Первый станок "Кусака 1" и куча вопросов
В поддерживающей опоре подшипник должен свободно перемещаться в осевом направлении, так что плюс минус пару миллиметров погоды не сделают.
- daemon78
- Мастер
- Сообщения: 1693
- Зарегистрирован: 02 окт 2018, 15:02
- Репутация: 103
- Настоящее имя: Владимир
- Откуда: Москва
- Контактная информация:
Re: Первый станок "Кусака 1" и куча вопросов
Подшипник или ШВП?Samodelkin 88 писал(а):В поддерживающей опоре подшипник должен свободно перемещаться в осевом направлении, так что плюс минус пару миллиметров погоды не сделают.
У меня подшипники запрессованы в опоры и вроде бы сидят на одном месте
Мой первый станок Первый станок Кусака 1 и куча вопросов #1
Мой второй станок Кусака 2.0 и вопросы к форумчанам #1
Мой второй станок Кусака 2.0 и вопросы к форумчанам #1
- Samodelkin 88
- Мастер
- Сообщения: 1056
- Зарегистрирован: 05 ноя 2017, 22:24
- Репутация: 727
- Настоящее имя: Илья
- Откуда: Курган
- Контактная информация:
Re: Первый станок "Кусака 1" и куча вопросов
В опорах AKD подшипник поддерживающей опоры, как и положено, перемещался. В дешевых ноунейм возможно и запрессован- придется либо подгонять расположение опоры поместу, или подшипник поддавить для нормального совмещения с ШВП.daemon78 писал(а):вроде бы сидят на одном месте
- slavyan75
- Мастер
- Сообщения: 307
- Зарегистрирован: 16 авг 2016, 17:51
- Репутация: 31
- Настоящее имя: Вячеслав
- Откуда: Tilsit
- Контактная информация:
Re: Первый станок "Кусака 1" и куча вопросов
в фиксирующей опоре затянуть гайкой с гужоном (я еще локтайта капнул чуть чуть), а в поддерживающей не надевать стопорное кольцо ( если уж точно расположить опору не удастся)daemon78 писал(а):Оставлять небольшой (на сколько небольшой?) люфт для ШВП и натягивать стопорным кольцом и гайкой?
не верьте никому, уж мне то вы можете поверить...
- hmnijp
- Мастер
- Сообщения: 1754
- Зарегистрирован: 20 авг 2017, 15:02
- Репутация: 542
- Настоящее имя: Константин
- Откуда: Ульяновск
- Контактная информация:
Re: Первый станок "Кусака 1" и куча вопросов
Выбейте их, и с посадочного краску снимите изнутри, и будет нормально.daemon78 писал(а):Подшипник или ШВП?Samodelkin 88 писал(а):В поддерживающей опоре подшипник должен свободно перемещаться в осевом направлении, так что плюс минус пару миллиметров погоды не сделают.
У меня подшипники запрессованы в опоры и вроде бы сидят на одном месте
"Посадки под подшипник" на краску не бывает, тк это точные размеры и шероховатости поверхности. Вывод - оно туда просто "запихано как получилось", а не запрессованно.
- daemon78
- Мастер
- Сообщения: 1693
- Зарегистрирован: 02 окт 2018, 15:02
- Репутация: 103
- Настоящее имя: Владимир
- Откуда: Москва
- Контактная информация:
Re: Первый станок "Кусака 1" и куча вопросов
Samodelkin 88 писал(а):В опорах AKD подшипник поддерживающей опоры, как и положено, перемещался. В дешевых ноунейм возможно и запрессован- придется либо подгонять расположение опоры поместу, или подшипник поддавить для нормального совмещения с ШВП.
slavyan75 писал(а):в фиксирующей опоре затянуть гайкой с гужоном (я еще локтайта капнул чуть чуть), а в поддерживающей не надевать стопорное кольцо ( если уж точно расположить опору не удастся)
Большое спасибо за ответы!!!hmnijp писал(а):Выбейте их, и с посадочного краску снимите изнутри, и будет нормально.
"Посадки под подшипник" на краску не бывает, тк это точные размеры и шероховатости поверхности. Вывод - оно туда просто "запихано как получилось", а не запрессованно.
Мой первый станок Первый станок Кусака 1 и куча вопросов #1
Мой второй станок Кусака 2.0 и вопросы к форумчанам #1
Мой второй станок Кусака 2.0 и вопросы к форумчанам #1
- daemon78
- Мастер
- Сообщения: 1693
- Зарегистрирован: 02 окт 2018, 15:02
- Репутация: 103
- Настоящее имя: Владимир
- Откуда: Москва
- Контактная информация:
Re: Первый станок "Кусака 1" и куча вопросов
Всем привет.
Получил профиль и начал апгрейд станка.
Сразу вопрос к знатокам.
Посмотрите на картинку. Красным указаны элементы которые будут соединять профиль. Внутри уголки, по краям пластины в форме Г, и две рельсы, помеченные буквами Р.
Вопрос, при такой куче соединителей, надо ли сверлить сквозные отверстия, указанные стрелочками в профиле 1, и соединять с торцом профиля 2?
Или эту уже будет избыточно? Я, зараза, не могу в округе найти винты (в не болты) М6х70, чтобы насквозь соединить профиль 1 и торец профиля 2.
Получил профиль и начал апгрейд станка.
Сразу вопрос к знатокам.
Посмотрите на картинку. Красным указаны элементы которые будут соединять профиль. Внутри уголки, по краям пластины в форме Г, и две рельсы, помеченные буквами Р.
Вопрос, при такой куче соединителей, надо ли сверлить сквозные отверстия, указанные стрелочками в профиле 1, и соединять с торцом профиля 2?
Или эту уже будет избыточно? Я, зараза, не могу в округе найти винты (в не болты) М6х70, чтобы насквозь соединить профиль 1 и торец профиля 2.
Мой первый станок Первый станок Кусака 1 и куча вопросов #1
Мой второй станок Кусака 2.0 и вопросы к форумчанам #1
Мой второй станок Кусака 2.0 и вопросы к форумчанам #1