ЗЫ. Пультик- хорош, хочу такой
Mesa 5i25+7i77-с чего начать?
-
dansystems1
- Мастер
- Сообщения: 339
- Зарегистрирован: 23 апр 2012, 19:38
- Репутация: 10
- Откуда: Армения
- Контактная информация:
Re: Mesa 5i25+7i77-с чего начать?
Поставил утром моторы на станок.Вроде нормально работают, двигают стол размеры держат (в пределах сотки) , однако издают неприятный звук-похожий на резонанс какой-то(слушать противно). От чего это может быть и как с ним бороться?
ЗЫ. Пультик- хорош, хочу такой
ЗЫ. Пультик- хорош, хочу такой
- Nick
- Мастер
- Сообщения: 22776
- Зарегистрирован: 23 ноя 2009, 16:45
- Репутация: 1735
- Заслуга: Developer
- Откуда: Gatchina, Saint-Petersburg distr., Russia
- Контактная информация:
Re: Mesa 5i25+7i77-с чего начать?
Сделай скрин halscope (стандартно по положению, ошибке и команде)...
Наверное у тебя что-то вроде: http://wiki.linuxcnc.org/cgi-bin/wiki.p ... Amplifiers (третья сверху)
Наверное у тебя что-то вроде: http://wiki.linuxcnc.org/cgi-bin/wiki.p ... Amplifiers (третья сверху)
-
dansystems1
- Мастер
- Сообщения: 339
- Зарегистрирован: 23 апр 2012, 19:38
- Репутация: 10
- Откуда: Армения
- Контактная информация:
Re: Mesa 5i25+7i77-с чего начать?
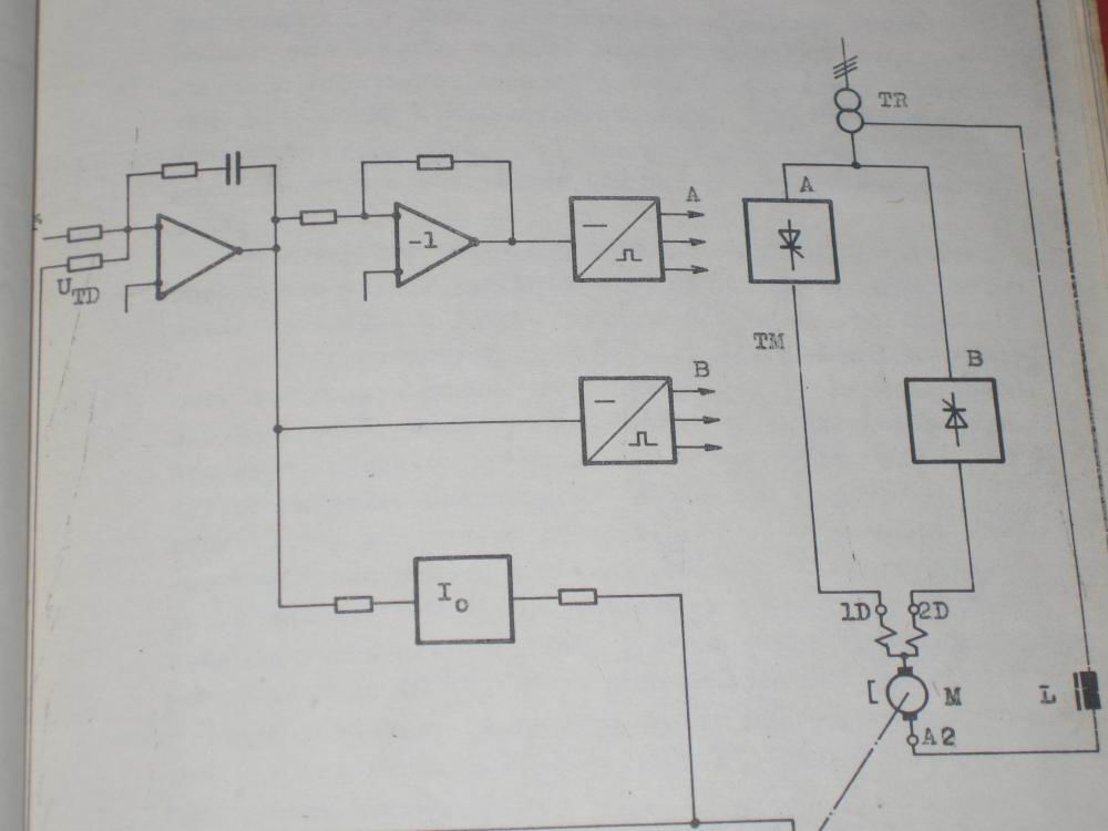
Сегодня последовательно дросселю L включил еще один(снял временно с другой оси), шум уменьшился, но не исчез. Но я не знаю, можно ли увеличить дроссель до такого значения, что гудение прошло, наверное это плохо отразится на FERROR
Схема(упрощенная) привода ниже-
PS-не думаю что дело в чпу, потому что при выключенном компе тоже гудят!
-
nkp
- Мастер
- Сообщения: 8340
- Зарегистрирован: 28 ноя 2011, 00:25
- Репутация: 1589
- Контактная информация:
Re: Mesa 5i25+7i77-с чего начать?
Можно же проверить сами привода подав задание с БП через перем резистор.(тумблером можно переключать +0:10V -0:10V)
Подробней у Чернова.
Дроссели расчитаны-ставить дополнительно считаю большого смысла нет(имхо)
Подробней у Чернова.
Дроссели расчитаны-ставить дополнительно считаю большого смысла нет(имхо)
-
dansystems1
- Мастер
- Сообщения: 339
- Зарегистрирован: 23 апр 2012, 19:38
- Репутация: 10
- Откуда: Армения
- Контактная информация:
Re: Mesa 5i25+7i77-с чего начать?
Спасибо, завтра попробую конечно!nkp писал(а):Можно же проверить сами привода подав задание с БП через перем резистор.(тумблером можно переключать +0:10V -0:10V)
-можно поподробнее?nkp писал(а):Подробней у Чернова.
-
nkp
- Мастер
- Сообщения: 8340
- Зарегистрирован: 28 ноя 2011, 00:25
- Репутация: 1589
- Контактная информация:
Re: Mesa 5i25+7i77-с чего начать?
Посмотри здесь
а вообще по приводам "тех" времен у меня есть неясности:
я как то задавал вопрос о двойном контуре ПИД-если один в емс а другой в приводе
может лучше все таки закорачивать интегрирующий конденсатор-оставляя только пропорциональную составляющую
Надо разбираться
а вообще по приводам "тех" времен у меня есть неясности:
я как то задавал вопрос о двойном контуре ПИД-если один в емс а другой в приводе
может лучше все таки закорачивать интегрирующий конденсатор-оставляя только пропорциональную составляющую
Надо разбираться
-
dansystems1
- Мастер
- Сообщения: 339
- Зарегистрирован: 23 апр 2012, 19:38
- Репутация: 10
- Откуда: Армения
- Контактная информация:
Re: Mesa 5i25+7i77-с чего начать?
-спасибо, читаюnkp писал(а):Посмотри здесь
-nkp писал(а):может лучше все таки закорачивать интегрирующий конденсатор-оставляя только пропорциональную составляющую
а как правильно делать (хотя бы попробовать) это?
-
nkp
- Мастер
- Сообщения: 8340
- Зарегистрирован: 28 ноя 2011, 00:25
- Репутация: 1589
- Контактная информация:
Re: Mesa 5i25+7i77-с чего начать?
Да вот как раз в этом и сам вопрос-dansystems1 писал(а):а как правильно делать (хотя бы попробовать) это?
ну может не как правильно -а как лучше.
Тут моего понимания ПИД не хватает,а методом тыка можно в этом вопросе очень долго экспериментировать.
Например в емс пид выдает на выход управляющее воздействие в виде скорости,вычисляя ее в соответствии с измеренными "ошибками" (расстоянию между координатой в которую должны приехать и координатой в которой находимся сейчас).
Эта ошибка умножается на коэфициенты (П,И,Д)
А теперь в приводе сигнал скорости заводится еще раз в ПИ регулятор : ошибкой для него уже служит разница между фактической скоростью, снятой с тахогенератора и
заданной.Вот я и интересовался у математическиподкованного сообщества-нормально ли это ?
- Lexxa
- Мастер
- Сообщения: 2703
- Зарегистрирован: 16 дек 2011, 16:48
- Репутация: 319
- Настоящее имя: Алексей
- Откуда: ryazan
- Контактная информация:
Re: Mesa 5i25+7i77-с чего начать?
nkp, я думаю, что пид привода и емс друг другу не мешают, поскольку
а) обратная связь в приводе своя от тахо, работает она быстрее и настроена на заводе изготовителе, поскольку привода комплектные. работает она быстрее потому что там всё сделано на дискретных элементов, и никаких вычислений, в отличииот емс. Емс для поддержания скорости при большом моменте с отключенным ПИД в приводе придется наращивать Uзадания, что не есть хорошо, мало ли нагрузка резко кончится, что тогда?
б) ПИД емс будет контролировать движение и при обрыве-поломке тахо остановит всё нафиг, поскольку двигатель понесется, а феррор вырастет
p.s. Мы тут с T00T станок токарный делали, привода оставили родные размер, никаких телодвижений с ними не делали, по движению отлично работает. мелкие косячки поднапрягают.
а) обратная связь в приводе своя от тахо, работает она быстрее и настроена на заводе изготовителе, поскольку привода комплектные. работает она быстрее потому что там всё сделано на дискретных элементов, и никаких вычислений, в отличииот емс. Емс для поддержания скорости при большом моменте с отключенным ПИД в приводе придется наращивать Uзадания, что не есть хорошо, мало ли нагрузка резко кончится, что тогда?
б) ПИД емс будет контролировать движение и при обрыве-поломке тахо остановит всё нафиг, поскольку двигатель понесется, а феррор вырастет
p.s. Мы тут с T00T станок токарный делали, привода оставили родные размер, никаких телодвижений с ними не делали, по движению отлично работает. мелкие косячки поднапрягают.
- Nick
- Мастер
- Сообщения: 22776
- Зарегистрирован: 23 ноя 2009, 16:45
- Репутация: 1735
- Заслуга: Developer
- Откуда: Gatchina, Saint-Petersburg distr., Russia
- Контактная информация:
Re: Mesa 5i25+7i77-с чего начать?
По хорошему PID просто старается минимизировать величину ошибки, он будет ее минимизировать вне зависимости от единиц в которых подается команда, обратная связи и ведется управление. Естественно параметры его при этом будут разные.
В emc ПИД - это абстрактный компонент поэтому на него может подаваться как скорость, так и положение или ускорение. все будет работать, но слегка по разному
.
В emc ПИД - это абстрактный компонент поэтому на него может подаваться как скорость, так и положение или ускорение. все будет работать, но слегка по разному
-
dansystems1
- Мастер
- Сообщения: 339
- Зарегистрирован: 23 апр 2012, 19:38
- Репутация: 10
- Откуда: Армения
- Контактная информация:
Re: Mesa 5i25+7i77-с чего начать?
Спасибо, пойду настаивать PID(думаю худо не будет)
Сегодня взял флешку, вечером будут скриншоты halscope(в цеху скоростного и-нета нет(да и медленного тоже
))
Сегодня взял флешку, вечером будут скриншоты halscope(в цеху скоростного и-нета нет(да и медленного тоже
-
dansystems1
- Мастер
- Сообщения: 339
- Зарегистрирован: 23 апр 2012, 19:38
- Репутация: 10
- Откуда: Армения
- Контактная информация:
Re: Mesa 5i25+7i77-с чего начать?
Сегодня подкорректировал PID, добился некоторого улучшения, но
, при движении ось издает звук, похожий на резонанс-как будто все болты станка ослаблены, причем и при низких, и при высоких скоростях.
Вот снял Halscope на этих моментах
Вот снял Halscope на этих моментах
- Nick
- Мастер
- Сообщения: 22776
- Зарегистрирован: 23 ноя 2009, 16:45
- Репутация: 1735
- Заслуга: Developer
- Откуда: Gatchina, Saint-Petersburg distr., Russia
- Контактная информация:
Re: Mesa 5i25+7i77-с чего начать?
А какое у тебя разрешение энкодера?
Попробуй deadband по больще сделать, чтобы он был равен 1-2 тика энкодера.
Попробуй deadband по больще сделать, чтобы он был равен 1-2 тика энкодера.
-
dansystems1
- Мастер
- Сообщения: 339
- Зарегистрирован: 23 апр 2012, 19:38
- Репутация: 10
- Откуда: Армения
- Контактная информация:
Re: Mesa 5i25+7i77-с чего начать?
-Nick писал(а):А какое у тебя разрешение энкодера?
Попробуй deadband по больще сделать, чтобы он был равен 1-2 тика энкодера.
Энкодер-s30-4-0500vl, соотв. 500х4=2000, на сколько поставить deadband?
- Nick
- Мастер
- Сообщения: 22776
- Зарегистрирован: 23 ноя 2009, 16:45
- Репутация: 1735
- Заслуга: Developer
- Откуда: Gatchina, Saint-Petersburg distr., Russia
- Контактная информация:
Re: Mesa 5i25+7i77-с чего начать?
так чтобы он был равен 2 тика энкодера в мм.
-
dansystems1
- Мастер
- Сообщения: 339
- Зарегистрирован: 23 апр 2012, 19:38
- Репутация: 10
- Откуда: Армения
- Контактная информация:
Re: Mesa 5i25+7i77-с чего начать?
Пробовал разные варианты, ничего не меняетсяNick писал(а):так чтобы он был равен 2 тика энкодера в мм.
- Nick
- Мастер
- Сообщения: 22776
- Зарегистрирован: 23 ноя 2009, 16:45
- Репутация: 1735
- Заслуга: Developer
- Откуда: Gatchina, Saint-Petersburg distr., Russia
- Контактная информация:
Re: Mesa 5i25+7i77-с чего начать?
Снинь еще раз последние скриншоты halscope, надо детальнее разобрать то, что на них видно.
Желательно, чтобы на них было как состояние покоя, так и движение...
Желательно, чтобы на них было как состояние покоя, так и движение...
