Что касается карты высот, то есть вот такая http://www.scorchworks.com/Gcoderipper/gcoderipper.html штука с очень интересным функционалом, включающим и карту высот и многое другое. Скриптов для "центро-крае-искатель" - тоже в избытке. У меня сейчас стоит USB контроллер за 20 долларов + ТВ6600 под MACH3 - недорого и вполне работоспособно (достаточно легко подвязать к 2418)iMaks-RS писал(а):GRBL можно оставить.. если уж так понравился... кроме карты высот, там особых фишек нет. . Если карта высот и центро-крае-искатель "в пень не упёрлись", то лучше автономный контроллер.
Помогите пожалуйста с CNC 2418
Re: Помогите пожалуйста с CNC 2418
-
Alals80
- Новичок
- Сообщения: 13
- Зарегистрирован: 27 ноя 2017, 23:17
- Репутация: 0
- Настоящее имя: Сыч Алексей
- Контактная информация:
Re: Помогите пожалуйста с CNC 2418
Победил я наконец-таки в своём 1610 глюки с осью Z и тому подобное. Решение простое-опторазвязка от концевиков, и щуп Z: работает изумительно. кому захочется-выложу платку готовую и что куда подключать. Но это не самое основное. Главное- реализован плавный старт( с посторонней помощью) 150 ваттного 775 движка. Но....возникла проблема...движок воет, как сумасшедший, в одном помещении со станком сидеть нереально. Ставил родной движочек старый- потише конечно раза в 2, но и слабее явно. Как победить этот вой? Ставить шпиндель за 3 т.р. с переделкой крепления - ну как-бы не дешево
- iMaks-RS
- Мастер
- Сообщения: 1807
- Зарегистрирован: 10 июл 2017, 09:25
- Репутация: 205
- Настоящее имя: Maks
- Откуда: От туда.
- Контактная информация:
Re: Помогите пожалуйста с CNC 2418
Для работы исключительно с платами, я посматриваю в сторону "ногтевых" граверов.. типа таких, как установлены на "стрижах". Оригинальные граверы называются "Марафон" - Marathon.. обороты до 30к, цанга от 2 до 3.175мм. Цена оригинала от 5к за щёточный и от 15к за безщёточный. В обоих по 4 подшипника минимум. Для гравировки печатных плат - на мой взгляд самое подходящее решение: малый вес, высокие обороты, минимальные биения, мало-шумные (если сделать и экструдированного пенополистирола бокс - и изнутри ещё гранитной ватой обложить.. будет довольно тихо..
На али есть "копии" - отдельно ручки от 1000 руб за штуку с доставкой.. и до 4500 за оригинал.. напряжение питание от 30В и в низ.. По факту из заявленных 30к оборотов - не выше 20.. это инфа из форумов.. посвятил этому вопросу пару выходных предыщущих..
В любом случае - новый шпиндель = фин. расходы.. + модернизация "зетки". В данный момент приостановил модернизацию 2418.. решил пока не вваливать в него деньги...
вот про замену подшипников - 4шт:
https://www.youtube.com/watch?v=E6a9S2oHVhg
https://www.youtube.com/watch?v=N9o8_Xb3IpA
разница в шуме между щёточным и безщёточным
https://www.youtube.com/watch?v=Eafq4hAs-tc
На али есть "копии" - отдельно ручки от 1000 руб за штуку с доставкой.. и до 4500 за оригинал.. напряжение питание от 30В и в низ.. По факту из заявленных 30к оборотов - не выше 20.. это инфа из форумов.. посвятил этому вопросу пару выходных предыщущих..
В любом случае - новый шпиндель = фин. расходы.. + модернизация "зетки". В данный момент приостановил модернизацию 2418.. решил пока не вваливать в него деньги...
вот про замену подшипников - 4шт:
https://www.youtube.com/watch?v=E6a9S2oHVhg
https://www.youtube.com/watch?v=N9o8_Xb3IpA
разница в шуме между щёточным и безщёточным
https://www.youtube.com/watch?v=Eafq4hAs-tc
-
Alals80
- Новичок
- Сообщения: 13
- Зарегистрирован: 27 ноя 2017, 23:17
- Репутация: 0
- Настоящее имя: Сыч Алексей
- Контактная информация:
Re: Помогите пожалуйста с CNC 2418
то есть, если поместить станок в закрытый бокс, уровень шума будет явно меньше?
-
peratron
- Мастер
- Сообщения: 605
- Зарегистрирован: 05 фев 2017, 07:43
- Репутация: 36
- Настоящее имя: Eugene
- Контактная информация:
Re: Помогите пожалуйста с CNC 2418
Шумы меняются при перемещении по Х?Alals80 писал(а):Но....возникла проблема...движок воет, как сумасшедший, в одном помещении со станком сидеть нереально.
-
Alals80
- Новичок
- Сообщения: 13
- Зарегистрирован: 27 ноя 2017, 23:17
- Репутация: 0
- Настоящее имя: Сыч Алексей
- Контактная информация:
Re: Помогите пожалуйста с CNC 2418
не, он просто воет при работе,при перемещении по осям уровень меняется очень незначительно, а так по ощущениям....как старый советский пылесос....звук запишу-выложу https://youtu.be/6i3Uzb-fqJQ
- NorthZyklon
- Новичок
- Сообщения: 12
- Зарегистрирован: 20 фев 2019, 03:31
- Репутация: 6
- Настоящее имя: Алексей
- Откуда: Воронеж
- Контактная информация:
Re: Помогите пожалуйста с CNC 2418
Приветствую.
Видимо, так уж заведено: всем советуют "купить готовый портальник", но модифицируют 2418 до последнего. Что ж, я не исключение(хотя и не отговаривал никого от идеи модификации "станка"). Опишу начало своей истории по апгрейду станочка.
Первая проблема, с которой я столкнулся - это далеко не то, о чем кричат на каждом углу(низкая жесткость станка). У меня начали трескаться пластмассовые детали. Самым критичным местом оказался держатель шпинделя(вместе с втулками). Попробовал заказать на 3D принтере отлить такой же. Отлили, он был сразу с трещинами. Этот вариант мне не подошел.
Прочитав все 100+ страниц темы, нашел модуль перемещения по оси Z на алиЭкспрессе. Купил, усилил его алюминиевым уголком, как здесь и писали. Сделал переходную плиту для него из 8мм алюминия+поставил новые линейные подшипники. Получившаяся конструкция - самое худшее(на мой взгляд) решение и трата времени+сил+денег. Слишком большой "вылет" шпинделя делает большой рычаг. Из за этого, станок стал хуже чем был с пластмассовыми деталями.
Т.к. у меня уже были линейные подшипники, была "переходная плита" сделана\рассверлена, я выбрал лучшим решением сделать ось Z "по классике", глядя на старших братьев станка. Для этого требовалось сделать 2 пластины с держателями валов(просверлить вал и нарезать резьбу внутри было бы лучшим решением, но возможностей нет) и выточить сам модуль перемещения. Не знаю как правильно называется эта деталь.
Сделал несложные чертежи, отдал фрезеровщику. Верхнюю и нижнюю пластины делал сам, получилось некрасиво, но всё работает(сейчас уже заказал новые, чисто ради эстетической красоты).
Вот так выглядит П-образное основание оси Z:
Пока делал верхнюю и нижнюю пластины(ручной ножовкой пилить то еще удовольствие) - мне сделали сам модуль перемещения. Подшипниковые втулки, старые, запресовал "на горячую", гайку латунную использовал тоже со старого модуля перемещения.
Проверил как катается модуль, проблем\подклиниваний нет, значит всё в порядке. Собрал всё в единую конструкцию, на торце "переходной плиты"(бывшей) сделал резьбовые отверстия для крепления пластин, закрепил шаговичок, проверил как крутится от руки. Усилие небольшое. Попробовал гравирнуть алюминий(пирамидка, пятка 0,1мм, 90гр, подача 300мм\мин, за проход 0,1мм, конечная глубина 0,2мм). Результатом доволен. Если кому понадобятся чертежи - скину. Ход получился 65мм. Увеличил высоту стоек боковых, что бы между столом и Z было 7см.
В планах на будущее 10й вал на опоре по Y+вместо профиля(боковые стойки) хочу поставить алюминиевые плиты 10мм. Ну и конечно под валы на опоре - нужна будет пластина из того же алюминиевого листа 10мм.
Видимо, так уж заведено: всем советуют "купить готовый портальник", но модифицируют 2418 до последнего. Что ж, я не исключение(хотя и не отговаривал никого от идеи модификации "станка"). Опишу начало своей истории по апгрейду станочка.
Первая проблема, с которой я столкнулся - это далеко не то, о чем кричат на каждом углу(низкая жесткость станка). У меня начали трескаться пластмассовые детали. Самым критичным местом оказался держатель шпинделя(вместе с втулками). Попробовал заказать на 3D принтере отлить такой же. Отлили, он был сразу с трещинами. Этот вариант мне не подошел.
Прочитав все 100+ страниц темы, нашел модуль перемещения по оси Z на алиЭкспрессе. Купил, усилил его алюминиевым уголком, как здесь и писали. Сделал переходную плиту для него из 8мм алюминия+поставил новые линейные подшипники. Получившаяся конструкция - самое худшее(на мой взгляд) решение и трата времени+сил+денег. Слишком большой "вылет" шпинделя делает большой рычаг. Из за этого, станок стал хуже чем был с пластмассовыми деталями.
Т.к. у меня уже были линейные подшипники, была "переходная плита" сделана\рассверлена, я выбрал лучшим решением сделать ось Z "по классике", глядя на старших братьев станка. Для этого требовалось сделать 2 пластины с держателями валов(просверлить вал и нарезать резьбу внутри было бы лучшим решением, но возможностей нет) и выточить сам модуль перемещения. Не знаю как правильно называется эта деталь.
Сделал несложные чертежи, отдал фрезеровщику. Верхнюю и нижнюю пластины делал сам, получилось некрасиво, но всё работает(сейчас уже заказал новые, чисто ради эстетической красоты).
Вот так выглядит П-образное основание оси Z:
Пока делал верхнюю и нижнюю пластины(ручной ножовкой пилить то еще удовольствие) - мне сделали сам модуль перемещения. Подшипниковые втулки, старые, запресовал "на горячую", гайку латунную использовал тоже со старого модуля перемещения.
Проверил как катается модуль, проблем\подклиниваний нет, значит всё в порядке. Собрал всё в единую конструкцию, на торце "переходной плиты"(бывшей) сделал резьбовые отверстия для крепления пластин, закрепил шаговичок, проверил как крутится от руки. Усилие небольшое. Попробовал гравирнуть алюминий(пирамидка, пятка 0,1мм, 90гр, подача 300мм\мин, за проход 0,1мм, конечная глубина 0,2мм). Результатом доволен. Если кому понадобятся чертежи - скину. Ход получился 65мм. Увеличил высоту стоек боковых, что бы между столом и Z было 7см.
В планах на будущее 10й вал на опоре по Y+вместо профиля(боковые стойки) хочу поставить алюминиевые плиты 10мм. Ну и конечно под валы на опоре - нужна будет пластина из того же алюминиевого листа 10мм.
Сапожник без сапог.
Re: Помогите пожалуйста с CNC 2418
Если Вы уже делали такую модификацию, то почему не пошли чуть-чуть дальше и не заменили трапецию на ШВП? Деньги небольшие, а разница весьма заметна...........NorthZyklon писал(а):Видимо, так уж заведено: всем советуют "купить готовый портальник", но модифицируют 2418 до последнего
- NorthZyklon
- Новичок
- Сообщения: 12
- Зарегистрирован: 20 фев 2019, 03:31
- Репутация: 6
- Настоящее имя: Алексей
- Откуда: Воронеж
- Контактная информация:
Re: Помогите пожалуйста с CNC 2418
В таком "станке" разве имеет смысл эта замена? Для себя, я не нашел особых плюсов в такой переделке. Станок используется для гравировки алюминия+оргстекла и выборки в деревянных брусках. Очень редко делаю платы(ЛУТом привычнее). Замена всего модуля перемещения по Z обошлась в сумму, соизмеримую с китайской осью Z(та, что на 3х валах). Сам винт швп, его обработка в размер, гайка, держатель гайки, - всё это усложнило бы мою затею и сделало бы ощутимо дороже (если вообще можно говорить о "бюджете" в ключе таких переделок).Gas писал(а): не заменили трапецию на ШВП?
У меня использовано по максимуму всё, что можно было "позаимствовать" от оригинальной конструкции. Затраты минимальны. Как по трудам, так и по деньгам.
Сапожник без сапог.
Re: Помогите пожалуйста с CNC 2418
без замены на ШВП латунные гайки будете менять регулярно, если, конечно, Вас не будет смущать непомерный люфтNorthZyklon писал(а):Станок используется для гравировки алюминия+оргстекла
- NorthZyklon
- Новичок
- Сообщения: 12
- Зарегистрирован: 20 фев 2019, 03:31
- Репутация: 6
- Настоящее имя: Алексей
- Откуда: Воронеж
- Контактная информация:
Re: Помогите пожалуйста с CNC 2418
я читал о таких проблемах. "Регулярно" - понятие растяжимое. Регулярно - раз в год? раз в неделю? раз в 5 лет? Встаёт вопрос о частоте и продолжительности использования+о нагрузках, которые идут на гайки. Это уже становится очень сложным в подсчётах. Станок у меня 1 год. За год "непомерного люфта" не замечено, если не брать во внимание хлипкие 8-е валы и пластмассовые детали. Так что для моих нужд, латунная гайка не на столько критичный к замене узел.
Сапожник без сапог.
Re: Помогите пожалуйста с CNC 2418
провода и установить сверху кнопки пауза пуск стоп. Raspberry имеется в наличии. Только не могу понять как установить программу candle. linux-ом не знаком. Кто нибудь из форумчан не объяснить на пальцах как устанавливается это программа и вообще стоит ли игра свеч? Просто жалко ноутбука смотреть, особенно после 3д по дереву.
-
Touareg07
- Новичок
- Сообщения: 18
- Зарегистрирован: 28 ноя 2018, 12:21
- Репутация: 0
- Настоящее имя: Touareg07
- Контактная информация:
Re: Помогите пожалуйста с CNC 2418
Родной двигатель 775 имеет в диаметре 48мм, а этот мотор 52 ммGas писал(а):Вот ссылочка на тахометр (ещё не получил) https://www.aliexpress.com/item/1set-Hi ... 97930.htmlMkishimoto писал(а):ссылочкой не поделитесь
У меня на самом шпинделе ничего не написано, а продавец утверждает, что "Spindle: 775 spindle motor (12-36V) 24V: 10000r/min"
Я прикупил пару запасных шпинделей, один другой и помощнее, а на таком же написано 24В
Вопрос: как всунуть его в зажим шпинделя cnc 3018 предназначенный под 48мм ?
Спасибо!
-
drey82
- Мастер
- Сообщения: 639
- Зарегистрирован: 24 авг 2014, 10:29
- Репутация: 82
- Настоящее имя: Drey
- Откуда: Воронеж
- Контактная информация:
Re: Помогите пожалуйста с CNC 2418
Сам обладателем сего чуда не являюсь, но тему поглядываю - бывают интересные моменты. По поводу крепления для 52 шпинделя, видел многие просто режут новую каретку Z с креплением под 52 мм, а так хоть на хомуты цепляй.
Re: Помогите пожалуйста с CNC 2418
775 мотор имеет диаметр не 48, а 42мм - это во-первых, а во-вторых, совершенно не понятно про какой "а этот мотор 52 мм" Вы говорите.Touareg07 писал(а):Родной двигатель 775 имеет в диаметре 48мм, а этот мотор 52 мм
Вопрос: как всунуть его в зажим шпинделя cnc 3018 предназначенный под 48мм ?
-
warrior2976
- Новичок
- Сообщения: 3
- Зарегистрирован: 19 ноя 2018, 18:55
- Репутация: 0
- Настоящее имя: Перегудов Дмитрий Владимирович
- Контактная информация:
Re: Помогите пожалуйста с CNC 2418
Доброго всем дня. Помогите решить проблему. Стандартный Шпиндель 65ват заменил 150ватным. При включении уп или с кнопки включается и выключается пока не скинеш обороты до минимума. Поможет ли выносной ШИМ и какой ?
-
warrior2976
- Новичок
- Сообщения: 3
- Зарегистрирован: 19 ноя 2018, 18:55
- Репутация: 0
- Настоящее имя: Перегудов Дмитрий Владимирович
- Контактная информация:
Re: Помогите пожалуйста с CNC 2418
232,12 руб. | DC10-60V 12 В в В 24 В регулятор скорости двигателя ШИМ регулятор скорости двигателя Лер переключатель 20A регулятор тока высокой мощности Привод модуль
https://s.click.aliexpress.com/e/btnDHpf4
Такой ШИМ подойдёт ?
https://s.click.aliexpress.com/e/btnDHpf4
Такой ШИМ подойдёт ?
-
nevkon
- Почётный участник

- Сообщения: 2477
- Зарегистрирован: 17 июл 2015, 10:25
- Репутация: 310
- Настоящее имя: Константин
- Откуда: Балаково (Саратовская обл.)
- Контактная информация:
Re: Помогите пожалуйста с CNC 2418
И БП к нему дополнительный не забудьте.
Re: Помогите пожалуйста с CNC 2418
Здесь где-то в теме этот вопрос обсуждался и было решение с добавлением в УП кода для постепенного набора оборотовwarrior2976 писал(а):При включении уп или с кнопки включается и выключается пока не скинеш обороты до минимума
Я решал этот вопрос другим способом - шпиндель на отдельный блок питания, а включение из программы через реле
- Vladmir
- Новичок
- Сообщения: 17
- Зарегистрирован: 04 дек 2018, 18:39
- Репутация: 0
- Настоящее имя: Владимир
- Откуда: Одесса
- Контактная информация:
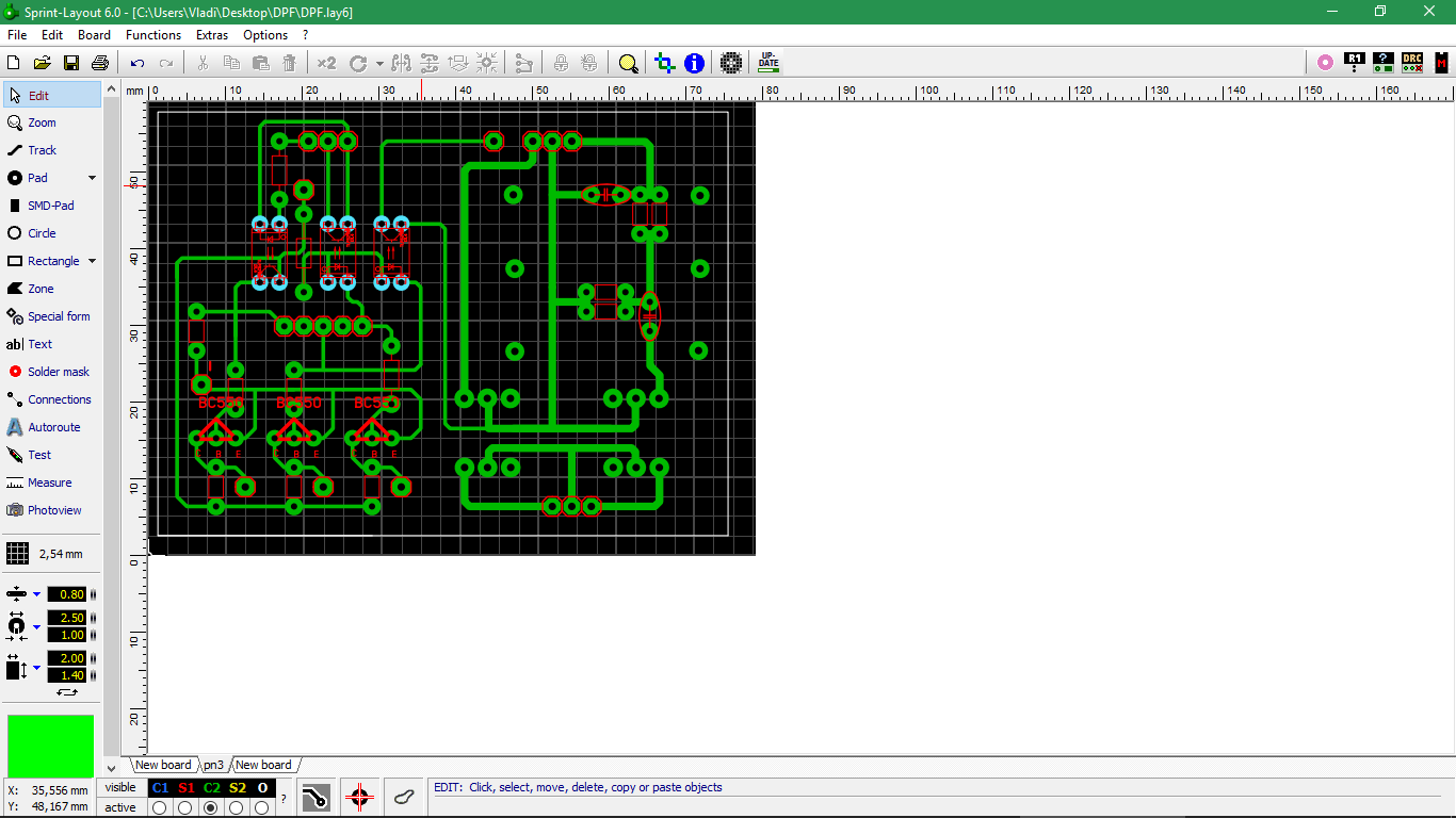
Re: Помогите пожалуйста с CNC 2418
Здравствуйте, форумчане
Обновил grbl прошивку до последней.
Столкнулся с проблемой при гравировки ПП. Зеркалит топологию а в результате получаем Я так понимаю, что это проблема конфигурации самой прошивки?
Пользуюсь FlatCAM 8 и сохраняю с расширением NC, далее Candle
Новый FlatCAM выбивает ошибку при нажатии кнопок и закрывается.
Обновил grbl прошивку до последней.
Столкнулся с проблемой при гравировки ПП. Зеркалит топологию а в результате получаем Я так понимаю, что это проблема конфигурации самой прошивки?
Пользуюсь FlatCAM 8 и сохраняю с расширением NC, далее Candle
Новый FlatCAM выбивает ошибку при нажатии кнопок и закрывается.