Подключение драйверов к контроллеру
- Serg
- Мастер
- Сообщения: 21923
- Зарегистрирован: 17 апр 2012, 14:58
- Репутация: 5183
- Заслуга: c781c134843e0c1a3de9
- Настоящее имя: Сергей
- Откуда: Москва
- Контактная информация:
Re: Подключение драйверов к контроллеру
Я не Христос, рыбу не раздаю, но могу научить, как сделать удочку...
-
andrey19818181
- Кандидат
- Сообщения: 69
- Зарегистрирован: 28 май 2014, 13:49
- Репутация: 0
- Контактная информация:
Re: Подключение драйверов к контроллеру
подскажите пожалуйста ,в какое положение ставить переключатели на драйвере (DM542A), двигатель 3 Амперы(23HS9430),если движёк на 3 амперы выставляю
2.84 Амперы(там нет 3 ампер,есть проскок 2.84А и 3.32А)? и непонятно со скоростью какую ставить?
2.84 Амперы(там нет 3 ампер,есть проскок 2.84А и 3.32А)? и непонятно со скоростью какую ставить?
- michael-yurov
- Почётный участник

- Сообщения: 11731
- Зарегистрирован: 26 июл 2012, 00:10
- Репутация: 4703
- Настоящее имя: Михаил Львович
- Откуда: Новоуральск
- Контактная информация:
Re: Подключение драйверов к контроллеру
установить ток, скорее всего правильнее судя по столбцу RMS.
Документацию бы на драйвер, или ссылку на производителя, или фото, на котором читается текст на крышке драйвера.
И на мотор бы тех. данные глянуть.
А вообще - можно поставить примерно. Если будет сильно греться - убавить, если нет - можно увеличить ток, если крутящего момента недостаточно.
Документацию бы на драйвер, или ссылку на производителя, или фото, на котором читается текст на крышке драйвера.
И на мотор бы тех. данные глянуть.
А вообще - можно поставить примерно. Если будет сильно греться - убавить, если нет - можно увеличить ток, если крутящего момента недостаточно.
-
andrey19818181
- Кандидат
- Сообщения: 69
- Зарегистрирован: 28 май 2014, 13:49
- Репутация: 0
- Контактная информация:
Re: Подключение драйверов к контроллеру
michael-yurov спасиб за ответ,я выставил |peak| 2.84 в этой же строке прописано | RMS| 2.03 я так понял это ток удержания? обороты поставил 800 там по переключателям от 400 до 25000.Вы считаете ток правильней выставлять по RMS ? там максимум проставляется 3 амперы ,хотя в характеристиках указано что драйвер на 4.2А что видно по параллельному столбику (|peak|),и как решить вопрос с оборотами,двигатель буду подключать ремнём через шестерёнки один к трём
- michael-yurov
- Почётный участник

- Сообщения: 11731
- Зарегистрирован: 26 июл 2012, 00:10
- Репутация: 4703
- Настоящее имя: Михаил Львович
- Откуда: Новоуральск
- Контактная информация:
Re: Подключение драйверов к контроллеру
RMS - действующее значение, а пиковое написано, чтобы покупатель не удивлялся, почему на драйвере с максимальным током 4,2 А можно выставить не больше 3 А.andrey19818181 писал(а):michael-yurov спасиб за ответ,я выставил |peak| 2.84 в этой же строке прописано | RMS| 2.03 я так понял это ток удержания? обороты поставил 800 там по переключателям от 400 до 25000.Вы считаете ток правильней выставлять по RMS ? там максимум проставляется 3 амперы ,хотя в характеристиках указано что драйвер на 4.2А что видно по параллельному столбику (|peak|),и как решить вопрос с оборотами,двигатель буду подключать ремнём через шестерёнки один к трём
К току удержания все это отношения не имеет.
Ток удержания будет равен 50% от выбранного, если 4 переключатель в положении выкл.
800 - не обороты, а микрошаг. Т.е. 800 микрошагов на 1 оборот, это соответствует дроблению 1/4.
В режиме полного шага у мотора - 200 шагов на 1 оборот,
если нужно более плавное движение - ставьте на драйвере больше, но это потребует более высокой частоты сигнала Step, а в ряде случаев она ограничена.
-
andrey19818181
- Кандидат
- Сообщения: 69
- Зарегистрирован: 28 май 2014, 13:49
- Репутация: 0
- Контактная информация:
Re: Подключение драйверов к контроллеру
так я тогда выставляю максимальный ток(3A) по RMS ежели у меня трёх амперный движёк или всё таки поменьше ? почему-то про №4 переключатель неводной таблицы не сказано,и главный вопрос если я что-то не так переключил или китайцы напутали с таблицей , нечего не сгорит?я так понимаю двигатель можно и кувалдой погладить нечего с ним не будет за драйвер переживаю
- michael-yurov
- Почётный участник

- Сообщения: 11731
- Зарегистрирован: 26 июл 2012, 00:10
- Репутация: 4703
- Настоящее имя: Михаил Львович
- Откуда: Новоуральск
- Контактная информация:
Re: Подключение драйверов к контроллеру
Не должно ничего сгореть, если обмотки правильно подключены.
Ни в коем случае нельзя подключать/отключать обмотки в то время, когда драйвер включен.
Мотор кувалдой гладить тоже не стоит - мало ли ротор сместится.
Если мотор начнет сильно греться - нехорошо, значит стоит убавить ток (лучше на выключенном драйвере).
Про sw4 написано обычно внизу.
Ни в коем случае нельзя подключать/отключать обмотки в то время, когда драйвер включен.
Мотор кувалдой гладить тоже не стоит - мало ли ротор сместится.
Если мотор начнет сильно греться - нехорошо, значит стоит убавить ток (лучше на выключенном драйвере).
Про sw4 написано обычно внизу.
-
andrey19818181
- Кандидат
- Сообщения: 69
- Зарегистрирован: 28 май 2014, 13:49
- Репутация: 0
- Контактная информация:
Re: Подключение драйверов к контроллеру
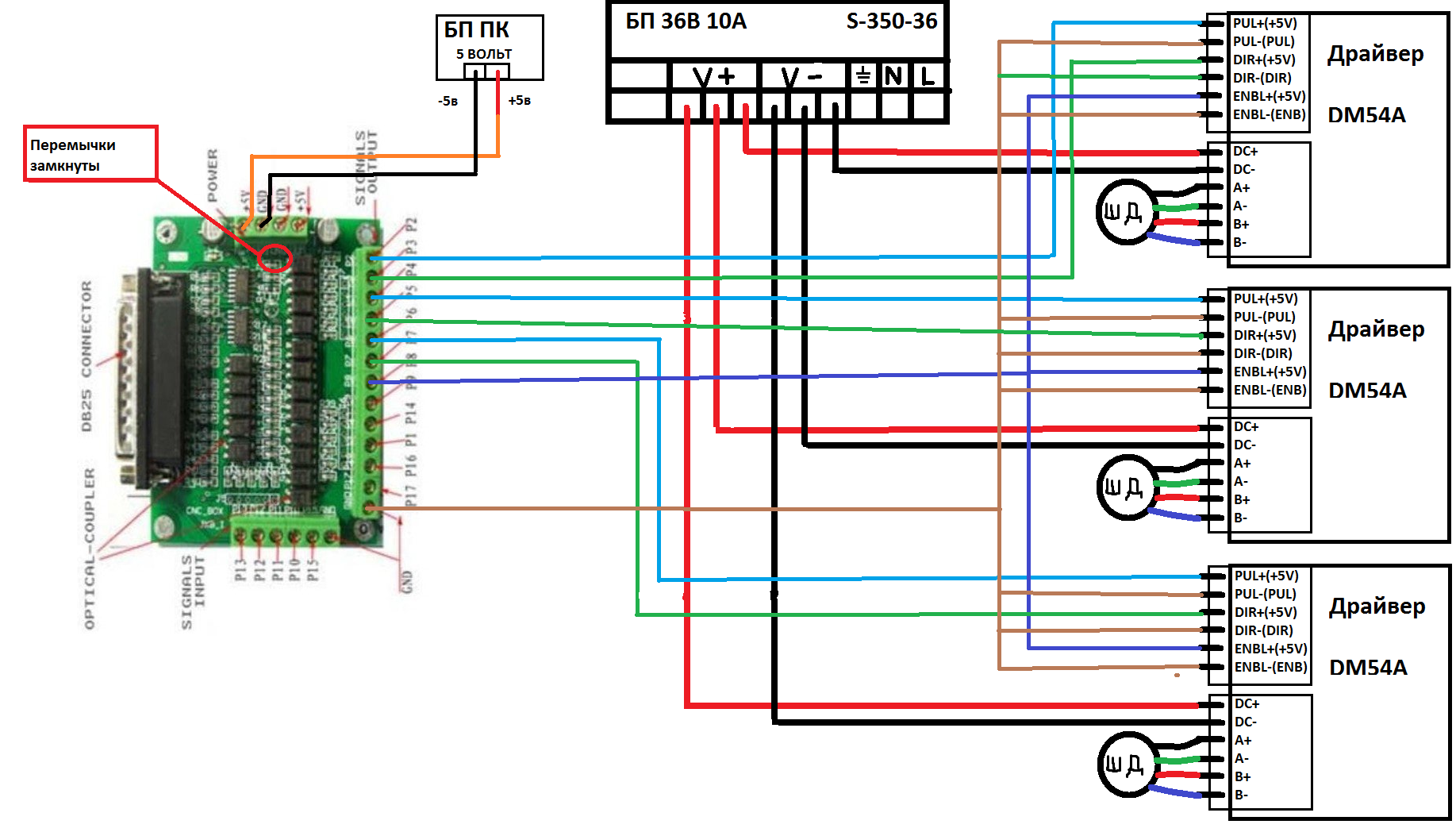
драйвера установил переключатели по |peak| 2.84 , по | RMS| 2.03 микрошаг поставил 6400 начинаю проверять две оси работаю а третья тарахтит(ось Х),подключал по этой схеме http://cnc-club.ru/forum/download/file. ... =view&mt=1 только там драйвера DM54A ,у меня DM542A, при этом когда тарахтит подвисают все драйверы перестают работать постоянно горит красная лампочка у всех ,пока повторно не нажму тарахтящую ось,чтой то за муть?
покупал отсюда
http://www.ebay.com/itm/130823919896?_t ... 259.R1.TR1
покупал отсюда
http://www.ebay.com/itm/130823919896?_t ... 259.R1.TR1
- michael-yurov
- Почётный участник

- Сообщения: 11731
- Зарегистрирован: 26 июл 2012, 00:10
- Репутация: 4703
- Настоящее имя: Михаил Львович
- Откуда: Новоуральск
- Контактная информация:
Re: Подключение драйверов к контроллеру
Попробуй заменить мотор или драйвер (в выключенном состоянии).andrey19818181 писал(а):две оси работаю а третья тарахтит(ось Х)
Там описались. Но роли это не играет, т.к. ни там, ни у тебя не известен производитель, так что название модели ни о чем не говорит.andrey19818181 писал(а):только там драйвера DM54A ,у меня DM542A
Возможно, проблема с питанием.andrey19818181 писал(а):при этом когда тарахтит подвисают все драйверы перестают работать постоянно горит красная лампочка у всех
А вход Enable подключил? Если "да" - то отключи разъем от всех драйверов на время тестов.
Возможно, у тебя на вход Enable драйверов (на схеме - P9) подается сигнал Step оси X.
-
andrey19818181
- Кандидат
- Сообщения: 69
- Зарегистрирован: 28 май 2014, 13:49
- Репутация: 0
- Контактная информация:
Re: Подключение драйверов к контроллеру
поменял двигатель всё по старому,также поменял драйвер не чего не изменилось,можно вздохнуть знать живые), дальше мои действия откручиваю провод от контролёра контакт P8 (P9 на схеме указывает стрелкой на соседний контакт),там на контролёре параллельно разъёму питания +5 стоят две перемычки на плате, с ними не экспериментировать?
-
andrey19818181
- Кандидат
- Сообщения: 69
- Зарегистрирован: 28 май 2014, 13:49
- Репутация: 0
- Контактная информация:
Re: Подключение драйверов к контроллеру
отключил P8 осьХ вообще перестала работать две другие работают как работали
- michael-yurov
- Почётный участник

- Сообщения: 11731
- Зарегистрирован: 26 июл 2012, 00:10
- Репутация: 4703
- Настоящее имя: Михаил Львович
- Откуда: Новоуральск
- Контактная информация:
Re: Подключение драйверов к контроллеру
Да, P8, извиняюсь, не разглядел.andrey19818181 писал(а):поменял двигатель всё по старому,также поменял драйвер не чего не изменилось,можно вздохнуть знать живые), дальше мои действия откручиваю провод от контролёра контакт P8 (P9 на схеме указывает стрелкой на соседний контакт)
Скорее всего у тебя в Mach3 настроен на пин 8 выход сигнала Step для оси X.
Покажи окно настроек пинов выходов моторов.
И покажи на какой пин настроен выход Enable.
Не от платы открутить провод, а просто из всех драйверов выдернуть двойные клеммы Enable +/-
А что, до этого ось X, разве работала?andrey19818181 писал(а):отключил P8 осьХ вообще перестала работать две другие работают как работали
что значит "работают как работали"?
Так же начинают "тарахтеть", когда управляешь осью X?
-
andrey19818181
- Кандидат
- Сообщения: 69
- Зарегистрирован: 28 май 2014, 13:49
- Репутация: 0
- Контактная информация:
Re: Подключение драйверов к контроллеру
две оси работают нормально, третья тарахтела когда её включал то висли другие два драйвера(красная светодиод беспрерывно светился) и висели пока не сделаю ещё попытку потарахтеть осью Х,щас сделаю скрин мачаmichael-yurov писал(а):А что, до этого ось X, разве работала?
что значит "работают как работали"?
Так же начинают "тарахтеть", когда управляешь осью X?
-
andrey19818181
- Кандидат
- Сообщения: 69
- Зарегистрирован: 28 май 2014, 13:49
- Репутация: 0
- Контактная информация:
Re: Подключение драйверов к контроллеру
да тольк щас заметил подёргиваются все оси когда пытаюсь управляю осью Х,но когда отключил P8 реакций от осиХ не каких ,я с програмой матч3 тольк недавно познакомился ,вас какой интересует раздел
-
andrey19818181
- Кандидат
- Сообщения: 69
- Зарегистрирован: 28 май 2014, 13:49
- Репутация: 0
- Контактная информация:
- Fisher
- Почётный участник

- Сообщения: 3391
- Зарегистрирован: 09 апр 2012, 12:39
- Репутация: 424
- Откуда: Киров
- Контактная информация:
Re: Подключение драйверов к контроллеру
Пины осей не те - все оси заведены на 1 пин.
Поставь так:
2 3
4 5
6 7
Поставь так:
2 3
4 5
6 7
www.cncru.ru - все виды станков с ЧПУ. Комплектующие.
-
andrey19818181
- Кандидат
- Сообщения: 69
- Зарегистрирован: 28 май 2014, 13:49
- Репутация: 0
- Контактная информация:
- michael-yurov
- Почётный участник

- Сообщения: 11731
- Зарегистрирован: 26 июл 2012, 00:10
- Репутация: 4703
- Настоящее имя: Михаил Львович
- Откуда: Новоуральск
- Контактная информация:
Re: Подключение драйверов к контроллеру
Я говорил - выдерни клеммы Enable из драйверов, я не говорил отключать P8.andrey19818181 писал(а):но когда отключил P8 реакций от осиХ не каких
Что значит "реакций от осиХ не каких"?
Должны были быть реакции на отключение что ли?
Я говорил - выдерни двойные клеммы Enable, после этого по очереди настраивай работу всех осей.
Тут нет такой кнопки или провода, которых нужно нажать / отключить, чтобы все вдруг чудом заработало,
у тебя не одна ошибка, у тебя вообще Mach3 не был настроен, и возможно, с подключением что-то напутал.
Выставил то же самое, что и на этом скриншоте? Ну, хорошо, это и требовалось.andrey19818181 писал(а):выставил тоже самое
Или в предложении скрывался какой-то другой смысл?
Полагаю, там не хватает некоторых слов и знаков препинания.
-
andrey19818181
- Кандидат
- Сообщения: 69
- Зарегистрирован: 28 май 2014, 13:49
- Репутация: 0
- Контактная информация:
Re: Подключение драйверов к контроллеру
насчёт подключения проводки тут хитрого нечего,лет 20 схемки собираю(радиолюбитель) прост с шаговыми движками не приходилось сталкивать до нынешнего момента,я так понял нуна с программной частью разбираться,или контролёр полетел,не знаю какой отзыв оставить продавцу на ebay,поставил вин 7 х32, слышал матч лучше дружит с винХР х32, может винду переставить,или смысла нет?
- michael-yurov
- Почётный участник

- Сообщения: 11731
- Зарегистрирован: 26 июл 2012, 00:10
- Репутация: 4703
- Настоящее имя: Михаил Львович
- Откуда: Новоуральск
- Контактная информация:
Re: Подключение драйверов к контроллеру
Там интерфейсная плата довольно дурная, с этими PC817 оптопарами. Сам я с ней не сталкивался, но немного представляю, что там и как.andrey19818181 писал(а):насчёт подключения проводки тут хитрого нечего,лет 20 схемки собираю(радиолюбитель) прост с шаговыми движками не приходилось сталкивать до нынешнего момента
Нуна.andrey19818181 писал(а):я так понял нуна с программной частью разбираться
Как я понял - продавец прислал именно то, что предполагалось? Вроде бы его тут сложно в чем-то обвинить (разве что в отсутствии подробных инструкций).andrey19818181 писал(а):не знаю какой отзыв оставить продавцу на ebay
Инструкции, наверняка, есть на сайте производителя.
Может и есть смысл, зависит от железа. Но винда повлияет на стабильность работы, а не простоту настройки.andrey19818181 писал(а):поставил вин 7 х32, слышал матч лучше дружит с винХР х32, может винду переставить,или смысла нет?
У меня однозначно лучше работает на Win7.
Замечу что на данный момент обсуждения уже совершенно не понятно, что работает, а что нет, что и как подключено, и какие проблемы осталось решить.