Помогите с чертежами
-
rustech
- Мастер
- Сообщения: 451
- Зарегистрирован: 24 сен 2012, 07:17
- Репутация: -40
- Контактная информация:
Re: Помогите с чертежами
ну вот и указывай, что там сварка )
http://moyasvarka.ru/wp-content/uploads ... /znaki.gif
http://moyasvarka.ru/wp-content/uploads ... /znaki.gif
- mhael
- Мастер
- Сообщения: 2443
- Зарегистрирован: 09 мар 2013, 11:22
- Репутация: 769
- Настоящее имя: Ильдар
- Контактная информация:
Re: Помогите с чертежами
Спасибо, не знал как её указывают.rustech писал(а):ну вот и указывай, что там сварка )
-
Supermagnetto
- Мастер
- Сообщения: 344
- Зарегистрирован: 10 фев 2015, 10:55
- Репутация: 63
- Настоящее имя: Николай
- Откуда: Москва
- Контактная информация:
- mhael
- Мастер
- Сообщения: 2443
- Зарегистрирован: 09 мар 2013, 11:22
- Репутация: 769
- Настоящее имя: Ильдар
- Контактная информация:
Re: Помогите с чертежами
тоже вариант.
-
Onebe
- Опытный
- Сообщения: 100
- Зарегистрирован: 02 апр 2015, 14:20
- Репутация: 17
- Настоящее имя: Александр
- Контактная информация:
Re: Помогите с чертежами
я бы подумал получше, как-то не вариантmhael писал(а):тоже вариант.
-
Supermagnetto
- Мастер
- Сообщения: 344
- Зарегистрирован: 10 фев 2015, 10:55
- Репутация: 63
- Настоящее имя: Николай
- Откуда: Москва
- Контактная информация:
Re: Помогите с чертежами
Ну Ты выпендёжник)Onebe писал(а):я бы подумал получше, как-то не вариантmhael писал(а):тоже вариант.
На самом деле, как меня учили ставь размеры которые важны.. остальные сами сабой получаться.. так что я считаю больше не надо:
Там где 30 между отверстиями, это основной размер мне же пофигу может сделали место 60-> 60.5 главное чтобы было по центру и между отверстиями 30.. так что думаю всё ок)
- mhael
- Мастер
- Сообщения: 2443
- Зарегистрирован: 09 мар 2013, 11:22
- Репутация: 769
- Настоящее имя: Ильдар
- Контактная информация:
Re: Помогите с чертежами
Пока вот такое навертел. Вес этой конструкции - примерно 60кг. Еще сам шпиндель килограмм 25. Ну еще мотор не взвешивал. Думается мне килограмм в 90-100 ось Z должна уложиться.
- ukr-sasha
- Мастер
- Сообщения: 3401
- Зарегистрирован: 21 мар 2011, 07:47
- Репутация: 2181
- Настоящее имя: Украинец Александр Григорьевич
- Откуда: Киев, Украина
- Контактная информация:
Re: Помогите с чертежами
Ильдар. Недоработанная конструкция: нужны боковые ребра жесткости. Причем, я бы их связал с кронштейнами удерживающими шпиндель и мотор.mhael писал(а):Пока вот такое навертел.
Спросите у nik1 про пользу продольных ребер.
- mhael
- Мастер
- Сообщения: 2443
- Зарегистрирован: 09 мар 2013, 11:22
- Репутация: 769
- Настоящее имя: Ильдар
- Контактная информация:
Re: Помогите с чертежами
Они изначально в "проекте" были. Но потом убрал - шпиндель же тоже часть конструкции, тоже на жесткость влияет. Основание - плита стальная 30мм. СТакан шпинделя 132мм в диаметре с толщиной стенки больше 10мм, связывает верхний и нижний хомуты. Честно сказать не знаю, что там и куда прогнется. Пока не изучил в Solid-е как жесткость конструкции проверить. В дальнейшем, по необходимости, ребра можно будет добавить, для этого верхний и нижний хомуты сделаны одной ширины, к ним легко можно доделать ребра.ukr-sasha писал(а):Ильдар. Недоработанная конструкция: нужны боковые ребра жесткости.
- ukr-sasha
- Мастер
- Сообщения: 3401
- Зарегистрирован: 21 мар 2011, 07:47
- Репутация: 2181
- Настоящее имя: Украинец Александр Григорьевич
- Откуда: Киев, Украина
- Контактная информация:
Re: Помогите с чертежами
Мы с nik1 считали и потом практика (он мерял безменом и индикатором) подтвердила - разница с ребрами и без них на порядок. У него шпиндель тоже не игрушечный. В твоей конструкции заложен потенциал, почему бы сразу его не использовать. Тем более для этого многого не нужно.mhael писал(а):Честно сказать не знаю, что там и куда прогнется
- alexg-nn
- Мастер
- Сообщения: 793
- Зарегистрирован: 08 фев 2015, 12:45
- Репутация: 127
- Настоящее имя: Алексей
- Откуда: Нижний Новгород
- Контактная информация:
Re: Помогите с чертежами
mhael, монументальная конструкция. А что за станок?
- mhael
- Мастер
- Сообщения: 2443
- Зарегистрирован: 09 мар 2013, 11:22
- Репутация: 769
- Настоящее имя: Ильдар
- Контактная информация:
Re: Помогите с чертежами
Как минимум нужен фрезер. И токарный. Рабочие и с нормальным полем (510х270 для фрезера, и токарный размера 1К62). Я бы отдал на обработку, но финансы пока не те, чтоб по фирмам ходить.ukr-sasha писал(а):В твоей конструкции заложен потенциал, почему бы сразу его не использовать. Тем более для этого многого не нужно.
Эх мне бы самому знатьalexg-nn писал(а):mhael, монументальная конструкция. А что за станок?
-
Mihaill
- Мастер
- Сообщения: 238
- Зарегистрирован: 02 июн 2014, 12:06
- Репутация: 68
- Откуда: Ярославль
- Контактная информация:
Re: Помогите с чертежами
Совсем недавно что то очень похожее делал, только шпиндель у меня не круглый.
- mhael
- Мастер
- Сообщения: 2443
- Зарегистрирован: 09 мар 2013, 11:22
- Репутация: 769
- Настоящее имя: Ильдар
- Контактная информация:
Re: Помогите с чертежами
основа - литье или из цельного куска фрезеровать?Mihaill писал(а):Совсем недавно что то очень похожее делал, только шпиндель у меня не круглый.
-
Mihaill
- Мастер
- Сообщения: 238
- Зарегистрирован: 02 июн 2014, 12:06
- Репутация: 68
- Откуда: Ярославль
- Контактная информация:
Re: Помогите с чертежами
Фрезеровал из чугунной плиты.
Извиняюсь за качество фотки, телефон древний, а фотика под рукой не оказалось.
Извиняюсь за качество фотки, телефон древний, а фотика под рукой не оказалось.
- mhael
- Мастер
- Сообщения: 2443
- Зарегистрирован: 09 мар 2013, 11:22
- Репутация: 769
- Настоящее имя: Ильдар
- Контактная информация:
Re: Помогите с чертежами
ничего не видноMihaill писал(а):Извиняюсь за качество фотки, телефон древний, а фотика под рукой не оказалось
- mhael
- Мастер
- Сообщения: 2443
- Зарегистрирован: 09 мар 2013, 11:22
- Репутация: 769
- Настоящее имя: Ильдар
- Контактная информация:
Re: Помогите с чертежами
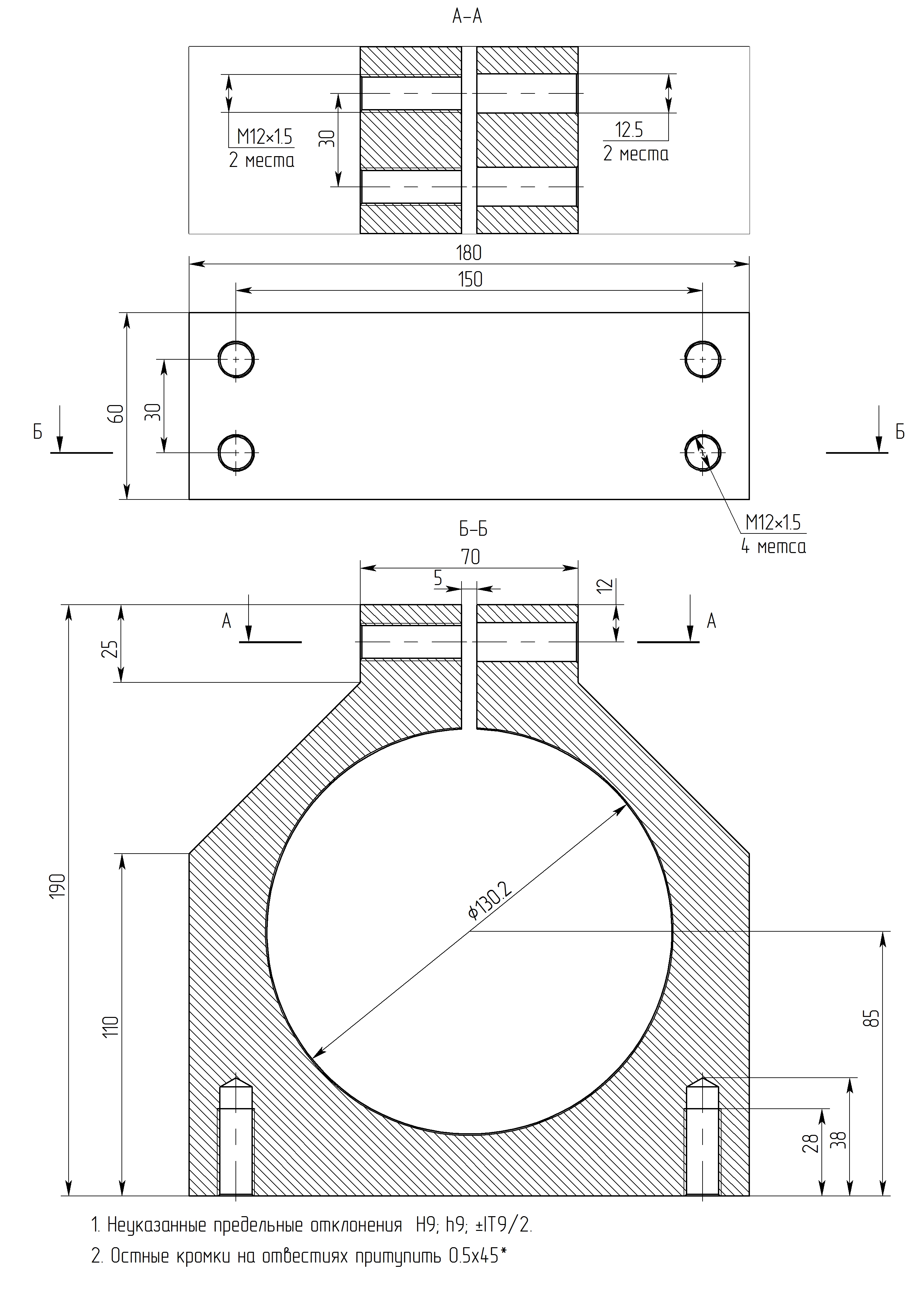
Люди Добрые! Помогите! Нужно отверстия сделать. То, что 130,2мм и 85мм. Кто сможет и за сколько? У кого есть 1к62 или другое соразмерное? Заготовки отторцованы "в черновую", косынки к верхнему хомуту еще не приварены.
P.S. При наличии четырехкулачкового патрона работы наверное на час максимум. Выставить заготовку +-0,5мм, выточить отверстие, торцануть поверхность (базу сделать для дальнейшей обработки).
P.P.S. Кстати, а можно на токарном выточить отверстие так, чтою не все в стружку, а часть материала из сердцевины осталось... на заготовочку?
P.S. При наличии четырехкулачкового патрона работы наверное на час максимум. Выставить заготовку +-0,5мм, выточить отверстие, торцануть поверхность (базу сделать для дальнейшей обработки).
P.P.S. Кстати, а можно на токарном выточить отверстие так, чтою не все в стружку, а часть материала из сердцевины осталось... на заготовочку?
- Predator
- Мастер
- Сообщения: 9583
- Зарегистрирован: 18 июл 2013, 18:26
- Репутация: 2531
- Контактная информация:
Re: Помогите с чертежами
Можно.mhael писал(а):а можно на токарном выточить отверстие так, чтою не все в стружку, а часть материала из сердцевины осталось... на заготовочку?
- shalek
- Почётный участник

- Сообщения: 3023
- Зарегистрирован: 25 авг 2014, 10:40
- Репутация: 2583
- Настоящее имя: Александр
- Откуда: РБ Бобруйск
- Контактная информация:
Re: Помогите с чертежами
Predator писал(а):Можно.mhael писал(а):а можно на токарном выточить отверстие так, чтою не все в стружку, а часть материала из сердцевины осталось... на заготовочку?
А можно с прутка диаметром 40 мм выточить лом 1500 мм длиной и чтобы труба такой же длины осталась?
Если ты не можешь решить проблему, значит это не твоя проблема!
Мой канал на YouTube: YouTube
ЧПУ "Бобр" 600x500 мм
shalek64@gmail.com
Мой канал на YouTube: YouTube
ЧПУ "Бобр" 600x500 мм
shalek64@gmail.com
- Serg
- Мастер
- Сообщения: 21923
- Зарегистрирован: 17 апр 2012, 14:58
- Репутация: 5183
- Заслуга: c781c134843e0c1a3de9
- Настоящее имя: Сергей
- Откуда: Москва
- Контактная информация:
Re: Помогите с чертежами
Но не нужно. Просто купить ещё одну заготовку будет дешевле.Predator писал(а):Можно.
Я не Христос, рыбу не раздаю, но могу научить, как сделать удочку...