Mesa
- tooshka
- Почётный участник

- Сообщения: 1803
- Зарегистрирован: 24 окт 2012, 14:26
- Репутация: 209
- Настоящее имя: Андрей
- Откуда: Нижний Новгород
- Контактная информация:
Re: Mesa
В среднем по списку:
5i25+7i76 (6i25+7i76 - для PCI-E)
Имеем:
5 осей step/dir (без обратной связи)///
А что на 7i76 нельзя линейки или линейные энкодеры (наверно это одно и тоже)) завести?
5i25+7i76 (6i25+7i76 - для PCI-E)
Имеем:
5 осей step/dir (без обратной связи)///
А что на 7i76 нельзя линейки или линейные энкодеры (наверно это одно и тоже)) завести?
Милая, ты услышь меня
под окном стою со своим я ЧПУ! (Протяжно; с надрывом; форте)
Внимание!!! Чрезмерное увлечение ЧПУ приводит к проблемам в семейных отношениях!
под окном стою со своим я ЧПУ! (Протяжно; с надрывом; форте)
Внимание!!! Чрезмерное увлечение ЧПУ приводит к проблемам в семейных отношениях!
- Nick
- Мастер
- Сообщения: 22776
- Зарегистрирован: 23 ноя 2009, 16:45
- Репутация: 1735
- Заслуга: Developer
- Откуда: Gatchina, Saint-Petersburg distr., Russia
- Контактная информация:
Re: Mesa
Только 1.tooshka писал(а):А что на 7i76 нельзя линейки или линейные энкодеры (наверно это одно и тоже)) завести?
Там нет энкодеров на каждую ось, как на 7i77, только 1 энкодер на шпиндель.
По идее наверное можно экнодеры повесить на свободный разъем 5i25, но это надо проверить.
- tooshka
- Почётный участник

- Сообщения: 1803
- Зарегистрирован: 24 окт 2012, 14:26
- Репутация: 209
- Настоящее имя: Андрей
- Откуда: Нижний Новгород
- Контактная информация:
Re: Mesa
Там нет энкодеров на каждую ось, как на 7i77, только 1 энкодер на шпиндель. ///
Может я чего то не понимаю? На 77 энкодеры цепляются от серводрайверов? А как вообще линейки (оптические магнитные или л.энкодеры ) со всей этой системой подружить?
Блин опять мы старую дискусию развели)) Наверно надо взять 5i25+7i77+7i76 и попробовать. Только я не в курсе можно ли все это в одну кучу лепить? Просто сейчас сервоприводы -+10 не так просто найти. Если степ/дир без обратки и любые линейки завести?
По идее наверное можно экнодеры повесить на свободный разъем 5i25, но это надо проверить.///
Так ты меня и толкаешь упорно в сторону KFLOP))))
Может я чего то не понимаю? На 77 энкодеры цепляются от серводрайверов? А как вообще линейки (оптические магнитные или л.энкодеры ) со всей этой системой подружить?
Блин опять мы старую дискусию развели)) Наверно надо взять 5i25+7i77+7i76 и попробовать. Только я не в курсе можно ли все это в одну кучу лепить? Просто сейчас сервоприводы -+10 не так просто найти. Если степ/дир без обратки и любые линейки завести?
По идее наверное можно экнодеры повесить на свободный разъем 5i25, но это надо проверить.///
Так ты меня и толкаешь упорно в сторону KFLOP))))
Милая, ты услышь меня
под окном стою со своим я ЧПУ! (Протяжно; с надрывом; форте)
Внимание!!! Чрезмерное увлечение ЧПУ приводит к проблемам в семейных отношениях!
под окном стою со своим я ЧПУ! (Протяжно; с надрывом; форте)
Внимание!!! Чрезмерное увлечение ЧПУ приводит к проблемам в семейных отношениях!
-
nkp
- Мастер
- Сообщения: 8340
- Зарегистрирован: 28 ноя 2011, 00:25
- Репутация: 1589
- Контактная информация:
Re: Mesa
можноtooshka писал(а):Только я не в курсе можно ли все это в одну кучу лепить?
вот прошивка для это пары:
что значит от серводрайверов?tooshka писал(а):На 77 энкодеры цепляются от серводрайверов?
энкодер может стоять где угодно - на движке , на швп , на шпинделе
а подключается он уже к приводу ("серводрайвер" на "их" манер)
- tooshka
- Почётный участник

- Сообщения: 1803
- Зарегистрирован: 24 окт 2012, 14:26
- Репутация: 209
- Настоящее имя: Андрей
- Откуда: Нижний Новгород
- Контактная информация:
Re: Mesa
можно
вот прошивка для это пары: ///
Благодарствую)) Теперь немного понятнее стало))
что значит от серводрайверов?
энкодер может стоять где угодно - на движке , на швп , на шпинделе
а подключается он уже к приводу ("серводрайвер" на "их" манер)///
Наверно я немного не так выразился. Вот у меня на работе на буржуйских станках серва с энкодером (это очевидно) плюс одна или две линейки на ось как там эту кашу система (рексрот) разруливает фиг знает? Как такое на МЕСЕ замутить?
вот прошивка для это пары: ///
Благодарствую)) Теперь немного понятнее стало))
что значит от серводрайверов?
энкодер может стоять где угодно - на движке , на швп , на шпинделе
а подключается он уже к приводу ("серводрайвер" на "их" манер)///
Наверно я немного не так выразился. Вот у меня на работе на буржуйских станках серва с энкодером (это очевидно) плюс одна или две линейки на ось как там эту кашу система (рексрот) разруливает фиг знает? Как такое на МЕСЕ замутить?
Милая, ты услышь меня
под окном стою со своим я ЧПУ! (Протяжно; с надрывом; форте)
Внимание!!! Чрезмерное увлечение ЧПУ приводит к проблемам в семейных отношениях!
под окном стою со своим я ЧПУ! (Протяжно; с надрывом; форте)
Внимание!!! Чрезмерное увлечение ЧПУ приводит к проблемам в семейных отношениях!
- Nick
- Мастер
- Сообщения: 22776
- Зарегистрирован: 23 ноя 2009, 16:45
- Репутация: 1735
- Заслуга: Developer
- Откуда: Gatchina, Saint-Petersburg distr., Russia
- Контактная информация:
Re: Mesa
А как оно работает?tooshka писал(а):Вот у меня на работе на буржуйских станках серва с энкодером (это очевидно) плюс одна или две линейки на ось как там эту кашу система (рексрот) разруливает фиг знает? Как такое на МЕСЕ замутить?
Вся суть в том, что задание двигателю генерирует PID на основе задания от LinuxCNC и обратной связи. Когда есть мотор+энкодер, все просто задание мотору, энкодер - обратная связь. Когда мотор + линейка - тоже самое. А вот когда есть мотор+энкодер+две линейки возникает вопрос: Что делать, если энкодер, и обе линейки дают разные показания?
Можно добавить различные вычисления, например:
(обратная связь)=((линейка1)+(линейка2))/2,
или например
(обратная связь)=((линейкаX1)*(1-y/ymax)+(линейкаX2)*(y/ymax) Т.е. обратная связь рассчитывается из двух линеек, в зависимости от расстояния каретки по перпендикулярной оси.
Но обратная связь должна быть задана однозначно!
- ukr-sasha
- Мастер
- Сообщения: 3401
- Зарегистрирован: 21 мар 2011, 07:47
- Репутация: 2181
- Настоящее имя: Украинец Александр Григорьевич
- Откуда: Киев, Украина
- Контактная информация:
Re: Mesa
Энкодер заводится на серводрайвер, а линейка на контроллер, т.е. Месу. Грубо говоря, по энкодеру драйвер отслеживает скорость, а по линейке контроллер положение.
Как то так, если ничего не путаю.
Как то так, если ничего не путаю.
- Nick
- Мастер
- Сообщения: 22776
- Зарегистрирован: 23 ноя 2009, 16:45
- Репутация: 1735
- Заслуга: Developer
- Откуда: Gatchina, Saint-Petersburg distr., Russia
- Контактная информация:
Re: Mesa
А смысл? В принципе можно и так:
Тогда надо 2 разных ПИД, первый будет следить за двигателем и отслеживать его работу по энкодеру, второй будет отслеживать следование траектории по линейке. Но надо ли оно???
Тогда надо 2 разных ПИД, первый будет следить за двигателем и отслеживать его работу по энкодеру, второй будет отслеживать следование траектории по линейке. Но надо ли оно???
- Nick
- Мастер
- Сообщения: 22776
- Зарегистрирован: 23 ноя 2009, 16:45
- Репутация: 1735
- Заслуга: Developer
- Откуда: Gatchina, Saint-Petersburg distr., Russia
- Контактная информация:
Re: Mesa
Не вопрос, тогда грузим нужное количество компонентов PID и выстраиваем их в цепочку.
Боюсь даже подумать, как их после этого настраивать...
Боюсь даже подумать, как их после этого настраивать...
- ukr-sasha
- Мастер
- Сообщения: 3401
- Зарегистрирован: 21 мар 2011, 07:47
- Репутация: 2181
- Настоящее имя: Украинец Александр Григорьевич
- Откуда: Киев, Украина
- Контактная информация:
Re: Mesa
http://www.chipmaker.ru/topic/100711/pa ... msearch__1
Много полезного по теме ПИД регулирования. Особенно предпоследний пост.
Много полезного по теме ПИД регулирования. Особенно предпоследний пост.
-
nkp
- Мастер
- Сообщения: 8340
- Зарегистрирован: 28 ноя 2011, 00:25
- Репутация: 1589
- Контактная информация:
Re: Mesa
если это реплика относится к "2-3 регулятора ПИ" -Nick писал(а):нужное количество компонентов PID
то спешу заметить (дабы не вводить в заблуждение)
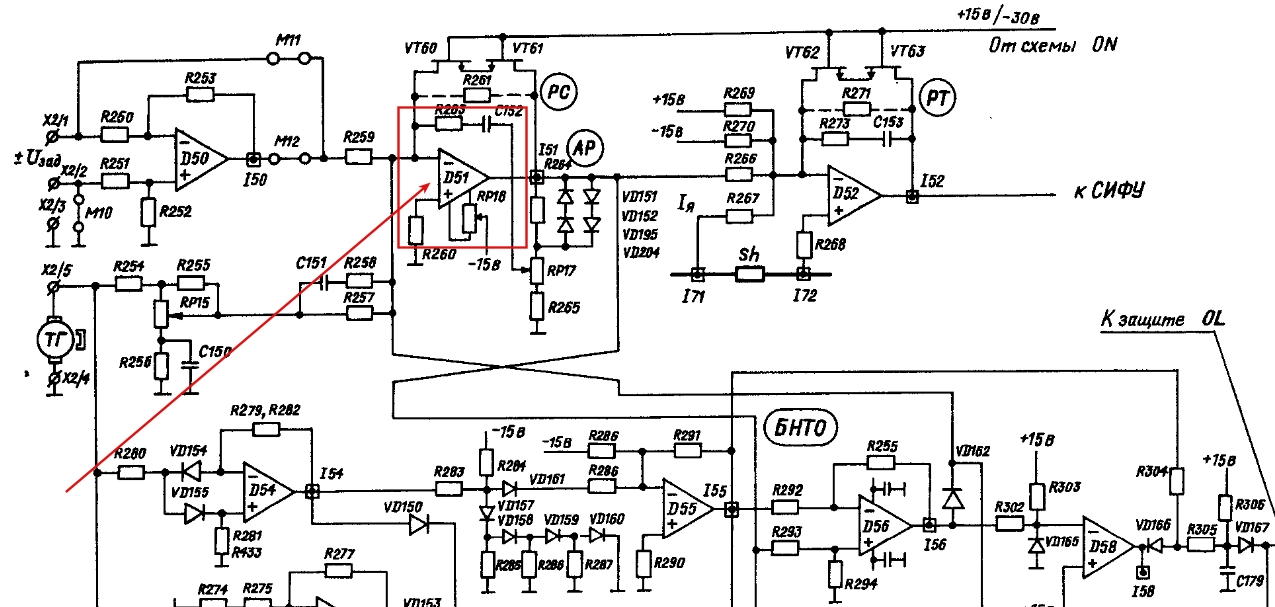
на приводах стоят ПИ-регуляторы не программные
они выполнены чаще на ОУ с звеном конденсатор+резистор
регулируются с движком на заводе-изготовителе
вот как это выглядит в болгарах: выделенный - это регулятор скорости РС
справа подобный - регулятор тока РТ
- Nick
- Мастер
- Сообщения: 22776
- Зарегистрирован: 23 ноя 2009, 16:45
- Репутация: 1735
- Заслуга: Developer
- Откуда: Gatchina, Saint-Petersburg distr., Russia
- Контактная информация:
Re: Mesa
А если на них повесить доп нагрузку его не надо будет перенастраивать.nkp писал(а):они выполнены чаще на ОУ с звеном конденсатор+резистор
регулируются с движком на заводе-изготовителе
вот как это выглядит в болгарах:
-
nkp
- Мастер
- Сообщения: 8340
- Зарегистрирован: 28 ноя 2011, 00:25
- Репутация: 1589
- Контактная информация:
Re: Mesa
если на них - это на движки - то там уже некуда вешатьNick писал(а):А если на них повесить доп нагрузку
на станках приводные движки работают "по полной программе"
имхо -перестраивать надо бы было в обратном случае - если движок разгрузить это про РС
ну а с РТ может и сыграет роль увеличение инерции системы
но это уже дебри
и приводит в большинстве случаев к тягомотине при настройках оборудования сложностью выше средней
- tooshka
- Почётный участник

- Сообщения: 1803
- Зарегистрирован: 24 окт 2012, 14:26
- Репутация: 209
- Настоящее имя: Андрей
- Откуда: Нижний Новгород
- Контактная информация:
Re: Mesa
Забыл спросить а как сконектить все в кучу вроде бы на 5i25 для этого один разъем? 5i25+7i76+7i77 ??nkp писал(а):можно
вот прошивка для это пары:
Милая, ты услышь меня
под окном стою со своим я ЧПУ! (Протяжно; с надрывом; форте)
Внимание!!! Чрезмерное увлечение ЧПУ приводит к проблемам в семейных отношениях!
под окном стою со своим я ЧПУ! (Протяжно; с надрывом; форте)
Внимание!!! Чрезмерное увлечение ЧПУ приводит к проблемам в семейных отношениях!
- tooshka
- Почётный участник

- Сообщения: 1803
- Зарегистрирован: 24 окт 2012, 14:26
- Репутация: 209
- Настоящее имя: Андрей
- Откуда: Нижний Новгород
- Контактная информация:
Re: Mesa
ООО как )) ясно Спасибочки!!
Милая, ты услышь меня
под окном стою со своим я ЧПУ! (Протяжно; с надрывом; форте)
Внимание!!! Чрезмерное увлечение ЧПУ приводит к проблемам в семейных отношениях!
под окном стою со своим я ЧПУ! (Протяжно; с надрывом; форте)
Внимание!!! Чрезмерное увлечение ЧПУ приводит к проблемам в семейных отношениях!
Re: Mesa
Приветствую всех форумчан, подскажите плиз по 8и20 + hs-kfs43b(Mitsubishi)? ,будут дружит???
