Мощный лазерный диод

Контроллеры, драйверы, датчики, управляющие устройства.
Аватара пользователя
Serg
Мастер
Сообщения: 21923
Зарегистрирован: 17 апр 2012, 14:58
Репутация: 5183
Заслуга: c781c134843e0c1a3de9
Настоящее имя: Сергей
Откуда: Москва
Контактная информация:

Re: Мощный лазерный диод

Сообщение Serg »

aftaev писал(а):Вот это нужно попробовать все скрутить:
Ждем UAVpilot :eat:
Для диодов надо отдельные БП, переделанные на стабилизацию тока, для пельтье надо обычный БП со стабилизацией напряжения, или вообще выкинуть его - пельтье нужен когда требуется понижать температуру ниже атмосферной, а тут нужно просто отводить тепло и тут от него мало толку будет.
Если диоды должны работать одновременно, то нужны 2 отдельных БП т.к. токи у них разные. Если б были одинаковы, то можно было-бы попробовать обойтись одним.
Я не Христос, рыбу не раздаю, но могу научить, как сделать удочку...
Аватара пользователя
Rafiq
Мастер
Сообщения: 1053
Зарегистрирован: 28 сен 2012, 18:11
Репутация: 6
Откуда: Tatarstan Respublikası, Yar Çallı şəhəre
Контактная информация:

Re: Мощный лазерный диод

Сообщение Rafiq »

UAVpilot писал(а):Если диоды должны работать одновременно, то нужны 2 отдельных БП т.к. токи у них разные. Если б были одинаковы, то можно было-бы попробовать обойтись одним.
А что мешает диоды последовательно соединить? У них ведь один и тот же номинальный ток, как я понял.
Последний раз редактировалось Rafiq 02 ноя 2012, 13:06, всего редактировалось 1 раз.
aftaev
Зачётный участник
Зачётный участник
Сообщения: 34042
Зарегистрирован: 04 апр 2010, 19:22
Репутация: 6194
Откуда: Казахстан.
Контактная информация:

Re: Мощный лазерный диод

Сообщение aftaev »

Эти куда?
stab (1).png (3708 просмотров) <a class='original' href='./download/file.php?id=8976&mode=view' target=_blank>Загрузить оригинал (17.87 КБ)</a>
Дилетанту сложные вещи кажутся очень простыми, и только профессионал понимает насколько сложна самая простая вещь
Кто хочет - ищет возможности, кто не хочет - ищет оправдание.
Найди работу по душе и тебе не придется работать.
Аватара пользователя
Rafiq
Мастер
Сообщения: 1053
Зарегистрирован: 28 сен 2012, 18:11
Репутация: 6
Откуда: Tatarstan Respublikası, Yar Çallı şəhəre
Контактная информация:

Re: Мощный лазерный диод

Сообщение Rafiq »

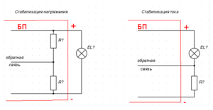
Земля и выход питания. Верхний на питалово, нижний на землю. Только как на правом рисунке, а то спалишь диод. Ну и R7 считать, чтоб ток был не больше номинального.
aftaev
Зачётный участник
Зачётный участник
Сообщения: 34042
Зарегистрирован: 04 апр 2010, 19:22
Репутация: 6194
Откуда: Казахстан.
Контактная информация:

Re: Мощный лазерный диод

Сообщение aftaev »

Rafiq писал(а):А что мешает диоды последовательно соединить. У них ведь один и тот же номинальный ток, как я понял.
Если сжигать то по очереди :) Один на 18А другой на 9А
Дилетанту сложные вещи кажутся очень простыми, и только профессионал понимает насколько сложна самая простая вещь
Кто хочет - ищет возможности, кто не хочет - ищет оправдание.
Найди работу по душе и тебе не придется работать.
Аватара пользователя
Rafiq
Мастер
Сообщения: 1053
Зарегистрирован: 28 сен 2012, 18:11
Репутация: 6
Откуда: Tatarstan Respublikası, Yar Çallı şəhəre
Контактная информация:

Re: Мощный лазерный диод

Сообщение Rafiq »

aftaev писал(а):Один на 18А другой на 9А
Тогда действительно не катит. Хотя можешь сделать 9А, тогда второй будет работать не на полную мощность.
Аватара пользователя
Rafiq
Мастер
Сообщения: 1053
Зарегистрирован: 28 сен 2012, 18:11
Репутация: 6
Откуда: Tatarstan Respublikası, Yar Çallı şəhəre
Контактная информация:

Re: Мощный лазерный диод

Сообщение Rafiq »

Охлаждение у них водяное?
aftaev
Зачётный участник
Зачётный участник
Сообщения: 34042
Зарегистрирован: 04 апр 2010, 19:22
Репутация: 6194
Откуда: Казахстан.
Контактная информация:

Re: Мощный лазерный диод

Сообщение aftaev »

UAVpilot писал(а):для пельтье надо обычный БП со стабилизацией напряжения, или вообще выкинуть его - пельтье нужен когда требуется понижать температуру ниже атмосферной, а тут нужно просто отводить тепло и тут от него мало толку будет.
Эти диоды вроде как до 25град. Пельте сам прикручу к отдельному БП + можно сделать водяное охлаждение и тд..

Сейчас главное диоды зажечь на несколько сек.
Дилетанту сложные вещи кажутся очень простыми, и только профессионал понимает насколько сложна самая простая вещь
Кто хочет - ищет возможности, кто не хочет - ищет оправдание.
Найди работу по душе и тебе не придется работать.
Аватара пользователя
Serg
Мастер
Сообщения: 21923
Зарегистрирован: 17 апр 2012, 14:58
Репутация: 5183
Заслуга: c781c134843e0c1a3de9
Настоящее имя: Сергей
Откуда: Москва
Контактная информация:

Re: Мощный лазерный диод

Сообщение Serg »

Надеюсь так понятнее:
stab.png (3703 просмотра) <a class='original' href='./download/file.php?id=8977&mode=view' target=_blank>Загрузить оригинал (15.14 КБ)</a>
Я не Христос, рыбу не раздаю, но могу научить, как сделать удочку...
aftaev
Зачётный участник
Зачётный участник
Сообщения: 34042
Зарегистрирован: 04 апр 2010, 19:22
Репутация: 6194
Откуда: Казахстан.
Контактная информация:

Re: Мощный лазерный диод

Сообщение aftaev »

Rafiq писал(а):Охлаждение у них водяное?
нет.
У них охлаждение на элементах Пельтье сделано вот здесь фотос есть и описание http://www.chipmaker.ru/topic/92864/pag ... p__1422790 Вода снизу подается

Нашел даташит http://www.google.ru/url?sa=t&rct=j&q=d ... Ww&cad=rjt
Дилетанту сложные вещи кажутся очень простыми, и только профессионал понимает насколько сложна самая простая вещь
Кто хочет - ищет возможности, кто не хочет - ищет оправдание.
Найди работу по душе и тебе не придется работать.
aftaev
Зачётный участник
Зачётный участник
Сообщения: 34042
Зарегистрирован: 04 апр 2010, 19:22
Репутация: 6194
Откуда: Казахстан.
Контактная информация:

Re: Мощный лазерный диод

Сообщение aftaev »

UAVpilot писал(а):Надеюсь так понятнее:
буду теперь пробовать :)
Дилетанту сложные вещи кажутся очень простыми, и только профессионал понимает насколько сложна самая простая вещь
Кто хочет - ищет возможности, кто не хочет - ищет оправдание.
Найди работу по душе и тебе не придется работать.
Аватара пользователя
Rafiq
Мастер
Сообщения: 1053
Зарегистрирован: 28 сен 2012, 18:11
Репутация: 6
Откуда: Tatarstan Respublikası, Yar Çallı şəhəre
Контактная информация:

Re: Мощный лазерный диод

Сообщение Rafiq »

Ну если Пельтье есть, наверное надо все же задействовать обе системы - и Пельтье, и воду. Не зря же его там поставили. Просто с водой без Пельте наверное перегреваться будет.
Аватара пользователя
Rafiq
Мастер
Сообщения: 1053
Зарегистрирован: 28 сен 2012, 18:11
Репутация: 6
Откуда: Tatarstan Respublikası, Yar Çallı şəhəre
Контактная информация:

Re: Мощный лазерный диод

Сообщение Rafiq »

aftaev писал(а):буду теперь пробовать :)
Сначала лучше с "тупой" резистивной нагрузкой и амперметром, а то мало ли чего...
aftaev
Зачётный участник
Зачётный участник
Сообщения: 34042
Зарегистрирован: 04 апр 2010, 19:22
Репутация: 6194
Откуда: Казахстан.
Контактная информация:

Re: Мощный лазерный диод

Сообщение aftaev »

Пельтье покупал для других дел, теперь на лазер прикручу. Знаю что его одну сторону нужно охлаждать, для этого лучше водяное охлаждение + терморегулятор. Это все можно сделать. Нужно лазер пока зажечь на несколько сек. мож они дохлые.
Дилетанту сложные вещи кажутся очень простыми, и только профессионал понимает насколько сложна самая простая вещь
Кто хочет - ищет возможности, кто не хочет - ищет оправдание.
Найди работу по душе и тебе не придется работать.
Аватара пользователя
Rafiq
Мастер
Сообщения: 1053
Зарегистрирован: 28 сен 2012, 18:11
Репутация: 6
Откуда: Tatarstan Respublikası, Yar Çallı şəhəre
Контактная информация:

Re: Мощный лазерный диод

Сообщение Rafiq »

Понятно, я то думал Пельтье в сборе с диодом.
Аватара пользователя
Rafiq
Мастер
Сообщения: 1053
Зарегистрирован: 28 сен 2012, 18:11
Репутация: 6
Откуда: Tatarstan Respublikası, Yar Çallı şəhəre
Контактная информация:

Re: Мощный лазерный диод

Сообщение Rafiq »

А что эти диоды могут? 3 мм пластик прорежут? А оргстекло?
aftaev
Зачётный участник
Зачётный участник
Сообщения: 34042
Зарегистрирован: 04 апр 2010, 19:22
Репутация: 6194
Откуда: Казахстан.
Контактная информация:

Re: Мощный лазерный диод

Сообщение aftaev »

Медленно порежут если длина волны под пластик подходит :). Нужен лазер ватт так на 50, а на 200 ваще прекрасно.
Дилетанту сложные вещи кажутся очень простыми, и только профессионал понимает насколько сложна самая простая вещь
Кто хочет - ищет возможности, кто не хочет - ищет оправдание.
Найди работу по душе и тебе не придется работать.
Аватара пользователя
Rafiq
Мастер
Сообщения: 1053
Зарегистрирован: 28 сен 2012, 18:11
Репутация: 6
Откуда: Tatarstan Respublikası, Yar Çallı şəhəre
Контактная информация:

Re: Мощный лазерный диод

Сообщение Rafiq »

Это то понятно. Но CO2 труба - это дорого и геморно. А тут все таки нечто, что можно просто поставить вместо шпинделя и не париться с линзами, зеркалами, хрупкими стеклянными трубками и т.д.
aftaev
Зачётный участник
Зачётный участник
Сообщения: 34042
Зарегистрирован: 04 апр 2010, 19:22
Репутация: 6194
Откуда: Казахстан.
Контактная информация:

Re: Мощный лазерный диод

Сообщение aftaev »

Rafiq писал(а):Это то понятно. Но CO2 труба - это дорого и геморно. А тут все таки нечто, что можно просто поставить вместо шпинделя и не париться с линзами, зеркалами, хрупкими стеклянными трубками и т.д.
Трубка у меня есть = г..о Пол года полежала и еле режет пластик 5мм была вроде как 40ватт. Потому купил лазерный диод попробовать что и как. Оптоволоконники как то соединяют вместе наращивая мощность.
Дилетанту сложные вещи кажутся очень простыми, и только профессионал понимает насколько сложна самая простая вещь
Кто хочет - ищет возможности, кто не хочет - ищет оправдание.
Найди работу по душе и тебе не придется работать.
Аватара пользователя
Rafiq
Мастер
Сообщения: 1053
Зарегистрирован: 28 сен 2012, 18:11
Репутация: 6
Откуда: Tatarstan Respublikası, Yar Çallı şəhəre
Контактная информация:

Re: Мощный лазерный диод

Сообщение Rafiq »

Сколько отдал за 18 амперник?
Ответить

Вернуться в «Электроника»