Таблица датчиков
-
byalex
- Опытный
- Сообщения: 197
- Зарегистрирован: 29 янв 2013, 18:50
- Репутация: 1
- Контактная информация:
Re: Таблица датчиков
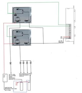
по схеме там диоды ..а что в квадратиках серых непонятно
- Сергей Саныч
- Мастер
- Сообщения: 9116
- Зарегистрирован: 30 май 2012, 14:20
- Репутация: 2858
- Откуда: Тюмень
- Контактная информация:
Re: Таблица датчиков
я не зарегистрирован на том форуме, а без этого картинки в нормальном размере не показывают.byalex писал(а):а как подключал? шемой не поделишься? я тут одну нашел но не пойму кое что.
Опять же, что там подключать?
(-) - на общий
(+) - на питание (от 5 до 24 вольт)
(OUT) - на нужный вход коммутационной платы или контроллера (у меня PLC545), или прямо на LPT. В последнем случае бывает полезно "подтянуть" вход через резистор (300-1000 Ом) на 5 вольт питания компьютера (можно взять с USB).
(L) - оставляешь свободным или соединяешь с (+), в зависимости от того, датчик должен изображать из себя нормально разомкнутый или замкнутый контакт.
Чудес не бывает. Бывают фокусы.
-
byalex
- Опытный
- Сообщения: 197
- Зарегистрирован: 29 янв 2013, 18:50
- Репутация: 1
- Контактная информация:
Re: Таблица датчиков
вот погляди.я не зарегистрирован на том форуме
а датчики с документацией приходят?
- Сергей Саныч
- Мастер
- Сообщения: 9116
- Зарегистрирован: 30 май 2012, 14:20
- Репутация: 2858
- Откуда: Тюмень
- Контактная информация:
Re: Таблица датчиков
Понял. Там зачем-то реле стоят (в тех самых квадратиках). Зачем так сложно - неясно.
Документация есть на сайте Omron. Вот она:
Документация есть на сайте Omron. Вот она:
- Вложения
-
- Omron EE-SX67_47.pdf
- (228.4 КБ) 2316 скачиваний
Чудес не бывает. Бывают фокусы.
-
byalex
- Опытный
- Сообщения: 197
- Зарегистрирован: 29 янв 2013, 18:50
- Репутация: 1
- Контактная информация:
Re: Таблица датчиков
а для нашего дела хоме и лимиты, есть разница нпн или пнп? в транзисторах знаю ... а тут... только в подключении разница? и какие допустим лучше норм открытые или норм закрытые
- Сергей Саныч
- Мастер
- Сообщения: 9116
- Зарегистрирован: 30 май 2012, 14:20
- Репутация: 2858
- Откуда: Тюмень
- Контактная информация:
Re: Таблица датчиков
Если прямо на LPT - однозначно npn. Если через опторазвязку - непринципиально.byalex писал(а):а для нашего дела хоме и лимиты, есть разница нпн или пнп? в транзисторах знаю ... а тут... только в подключении разница?
byalex писал(а): и какие допустим лучше норм открытые или норм закрытые
Если Omron - то они настраиваются так и этак.
Если вешать по одному на вход - без разницы. Если все на один общий вход - то нормально разомкнутые.
Чудес не бывает. Бывают фокусы.
-
byalex
- Опытный
- Сообщения: 197
- Зарегистрирован: 29 янв 2013, 18:50
- Репутация: 1
- Контактная информация:
Re: Таблица датчиков
у меня будет хоме совмещённый с началом и на каждую ось отдельно а концы вместе с естопом на одном пине ..реально?Serg-tmn писал(а):Если вешать по одному на вход - без разницы. Если все на один общий вход - то нормально разомкнутые.
- Сергей Саныч
- Мастер
- Сообщения: 9116
- Зарегистрирован: 30 май 2012, 14:20
- Репутация: 2858
- Откуда: Тюмень
- Контактная информация:
Re: Таблица датчиков
Реально.byalex писал(а):у меня будет хоме совмещённый с началом и на каждую ось отдельно а концы вместе с естопом на одном пине ..реально?
Чудес не бывает. Бывают фокусы.
Re: Таблица датчиков
по ссылке наименование SN04-A, на фото читается SN04-N, как и на "чуть похуже,зеленые".Dirk Diggler писал(а):С моделью.работают надежно, точность срабатывания высокая - часовым индикатором обнаружить существенных отклонений не удалось. такие(только класса в - чуть похуже,зеленые) вообще стоят в львиной доле всех самодельных станков.
-
Darxton
- Мастер
- Сообщения: 2113
- Зарегистрирован: 17 янв 2013, 08:19
- Репутация: 623
- Контактная информация:
Re: Таблица датчиков
Верно. Наша перемаркировка для ясности и разделения позиций в нашей информационной системе. Синие и зеленые - оба вида это датчик SN04-N. Только синие сам производитель относит к классу A, зеленые - к классу B. Разница в элементной базе и кабеле небольшая есть .pkasy писал(а):по ссылке наименование SN04-A, на фото читается SN04-N, как и на "чуть похуже,зеленые".
- purelogic
- Опытный
- Сообщения: 162
- Зарегистрирован: 18 янв 2012, 06:49
- Репутация: -39
- Откуда: Purelogic R&D Воронеж
Re: Таблица датчиков
Хоть производитель нарекает их датчиками разных классов, но ощутимой разницы в работе не замечено. Работают и "зеленые" и "синие" одинаково хорошо.pkasy писал(а):по ссылке наименование SN04-A, на фото читается SN04-N, как и на "чуть похуже,зеленые".Dirk Diggler писал(а):С моделью.работают надежно, точность срабатывания высокая - часовым индикатором обнаружить существенных отклонений не удалось. такие(только класса в - чуть похуже,зеленые) вообще стоят в львиной доле всех самодельных станков.
- LA-STIK
- Почетная участница

- Сообщения: 617
- Зарегистрирован: 20 фев 2013, 16:23
- Репутация: 697
- Настоящее имя: Наталия
- Откуда: РОСТОВ-НА-ДОНУ
- Контактная информация:
Re: Таблица датчиков
Помогите найти датчики как на этой ссылке такой же длины, только диаметров хотя бы 6, лучше 5мм, или подскажите где поискать еще в интернете можно?
http://www.electronshik.ru/card/indukti ... pr08-59214
http://www.electronshik.ru/card/indukti ... pr08-59214
Делай то, что любишь! Люби то, что делаешь!
- Nick
- Мастер
- Сообщения: 22776
- Зарегистрирован: 23 ноя 2009, 16:45
- Репутация: 1735
- Заслуга: Developer
- Откуда: Gatchina, Saint-Petersburg distr., Russia
- Контактная информация:
Re: Таблица датчиков
http://www.kipspb.ru/
А для чего такие тонкие? Может поставить что-то не индуктивное?
Вот есть 6.5мм http://www.kipspb.ru/catalog/6581/element258856.php
хотя пишут, что бывают и 4мм...
А для чего такие тонкие? Может поставить что-то не индуктивное?
Вот есть 6.5мм http://www.kipspb.ru/catalog/6581/element258856.php
хотя пишут, что бывают и 4мм...
- tooshka
- Почётный участник

- Сообщения: 1803
- Зарегистрирован: 24 окт 2012, 14:26
- Репутация: 209
- Настоящее имя: Андрей
- Откуда: Нижний Новгород
- Контактная информация:
Re: Таблица датчиков
5 мм в диаметре очень редкие наверно только под заказ. Обычно самый ходовой диаметр 8 мм. А зачем такие тонкие (чуть дунешь сломается)?LA-STIK писал(а):Помогите найти датчики как на этой ссылке такой же длины, только диаметров хотя бы 6, лучше 5мм, или подскажите где поискать еще в интернете можно?
Милая, ты услышь меня
под окном стою со своим я ЧПУ! (Протяжно; с надрывом; форте)
Внимание!!! Чрезмерное увлечение ЧПУ приводит к проблемам в семейных отношениях!
под окном стою со своим я ЧПУ! (Протяжно; с надрывом; форте)
Внимание!!! Чрезмерное увлечение ЧПУ приводит к проблемам в семейных отношениях!
- LA-STIK
- Почетная участница

- Сообщения: 617
- Зарегистрирован: 20 фев 2013, 16:23
- Репутация: 697
- Настоящее имя: Наталия
- Откуда: РОСТОВ-НА-ДОНУ
- Контактная информация:
Re: Таблица датчиков
Такие стояли изначально, поискала нигде не нашла , в принципе ,наверное, без разницы..... можно и 8мм поставить если по длине подходят??? 
Делай то, что любишь! Люби то, что делаешь!
- tooshka
- Почётный участник

- Сообщения: 1803
- Зарегистрирован: 24 окт 2012, 14:26
- Репутация: 209
- Настоящее имя: Андрей
- Откуда: Нижний Новгород
- Контактная информация:
Re: Таблица датчиков
Нужно искать аналоги (не выкидывайте исходный датчик) нормально закрытый/открытый/нпн/пнп? Обычно в документации на станок в электросхеме указан тип датчика.
Милая, ты услышь меня
под окном стою со своим я ЧПУ! (Протяжно; с надрывом; форте)
Внимание!!! Чрезмерное увлечение ЧПУ приводит к проблемам в семейных отношениях!
под окном стою со своим я ЧПУ! (Протяжно; с надрывом; форте)
Внимание!!! Чрезмерное увлечение ЧПУ приводит к проблемам в семейных отношениях!
- LA-STIK
- Почетная участница

- Сообщения: 617
- Зарегистрирован: 20 фев 2013, 16:23
- Репутация: 697
- Настоящее имя: Наталия
- Откуда: РОСТОВ-НА-ДОНУ
- Контактная информация:
Re: Таблица датчиков
Обычно да, но документации нет, вроде существует аппарат, определяющий пнп или нпн?
Делай то, что любишь! Люби то, что делаешь!
- Predator
- Мастер
- Сообщения: 9583
- Зарегистрирован: 18 июл 2013, 18:26
- Репутация: 2531
- Контактная информация:
Re: Таблица датчиков
Да, есть такиеLA-STIK писал(а):вроде существует аппарат, определяющий пнп или нпн?
- 3aBDB
- Кандидат
- Сообщения: 84
- Зарегистрирован: 13 дек 2013, 11:11
- Репутация: 3
- Настоящее имя: ВИКТОР
- Откуда: Чебоксары
- Контактная информация:
Re: Таблица датчиков
хватить ли блока питания 12в 500мА что бы питать 3 датчика SN04-A и плату коммутации DXB-53 http://darxton.ru/Netshop/electronics/b ... _1671.html
сколько примерно на один датчик надо мА ?
сколько примерно на один датчик надо мА ?
- 3aBDB
- Кандидат
- Сообщения: 84
- Зарегистрирован: 13 дек 2013, 11:11
- Репутация: 3
- Настоящее имя: ВИКТОР
- Откуда: Чебоксары
- Контактная информация:
Re: Таблица датчиков
удалите сообщение плиз ! тупанул ! в мануале как то умудрился не заметить !
