Настраиваем контроллер to_pci.
- 
				T00T
 - Мастер
 - Сообщения: 742
 - Зарегистрирован: 16 дек 2011, 12:07
 - Репутация: 100
 - Контактная информация:
 
Re: Настраиваем контроллер to_pci.
В новой версии драйвера(от 22.05) коэф. encoder_scale - это колл. импульсов датчика на один мм перемещения.
OUT_SCALE 1 или -1 для установки нужного направления вращения двигателя.
Так же добавлен алгоритм обработки index метки(правильный).
Дальше добавлю измерение скорости вращения для двух каналов. Последние доработки внедряю в конструкцию, а завтра все оттестирую на станке в живую , ну и вроде всё.
			
			
									
									OUT_SCALE 1 или -1 для установки нужного направления вращения двигателя.
Так же добавлен алгоритм обработки index метки(правильный).
Дальше добавлю измерение скорости вращения для двух каналов. Последние доработки внедряю в конструкцию, а завтра все оттестирую на станке в живую , ну и вроде всё.
Я не волшебник я пока учусь......
						- Nick
 - Мастер
 - Сообщения: 22776
 - Зарегистрирован: 23 ноя 2009, 16:45
 - Репутация: 1735
 - Заслуга: Developer
 - Откуда: Gatchina, Saint-Petersburg distr., Russia
 - Контактная информация:
 
Re: Настраиваем контроллер to_pci.
Да, как уже писали общепромышленное 24В, как на входы, так и на выходы автоматики. Нет, есть конечно и релешки на 5В, но на промышленном оборудовании обычно будет установленна 24В автоматика.T00T писал(а):Входы: 32 опторазвязанных входа переключаются по 2 группы в 16 каналов мультиплексорами 74HC257.
На входы можно подавать напряжение от 4в до 12в.
А какой ток держат?T00T писал(а):Выходы: 8 опторазвязанных каналов с транзисторными выходами (общий коллектор).
Вообще, желательно чтобы выходами можно было щелкать реллешками и клапанами. У месы на сколько я помню 200мА + стоит доп диод для компенсации индуктивных нагрузок.
Ну и опять же желательно 24В
- 
				T00T
 - Мастер
 - Сообщения: 742
 - Зарегистрирован: 16 дек 2011, 12:07
 - Репутация: 100
 - Контактная информация:
 
Re: Настраиваем контроллер to_pci.
Без проблем, сделаем на 24 кому надо. А кто будет использовать в качестве источника питания входов/выходов блок питания от компа - тому и 12в подойдёт.Nick писал(а):Да, как уже писали общепромышленное 24В, как на входы, так и на выходы автоматики. Нет, есть конечно и релешки на 5В, но на промышленном оборудовании обычно будет установленна 24В автоматика.
Транзисторы выдержат до 1А(40 вольт), диодов нет, но на MESA их тоже нет!!!!!!!!!!!!!Nick писал(а):А какой ток держат?
Я не волшебник я пока учусь......
						- Serg
 - Мастер
 - Сообщения: 21923
 - Зарегистрирован: 17 апр 2012, 14:58
 - Репутация: 5183
 - Заслуга: c781c134843e0c1a3de9
 - Настоящее имя: Сергей
 - Откуда: Москва
 - Контактная информация:
 
Re: Настраиваем контроллер to_pci.
300 мА, но не более 1 А на чип (8 выходов).Nick писал(а):У месы на сколько я помню 200мА
В чипах, что стоят в Месах есть вся необходимая защита от обратных токов.T00T писал(а):диодов нет, но на MESA их тоже нет!!!!!!!!!!!!!
Я не Христос, рыбу не раздаю, но могу научить, как сделать удочку...
						Re: Настраиваем контроллер to_pci.
Ув. TOOT , вы не могли бы посоветовать , какой компьютер можно использовать в связке с вашим 
контроллером ? Для танкистов , которые не в силах перелопатить форум .
Мне , например , комп нужен только для управления станком и выдачи минимальной , можно текстовой ,
информации на дисплей . Станок трехосевой , средних возможностей , ну , максимум , стол В станет 4 осью .
Понятно , что это не совсем к вам , но самому мне выбрать сложно .
			
			
									
									
						контроллером ? Для танкистов , которые не в силах перелопатить форум .
Мне , например , комп нужен только для управления станком и выдачи минимальной , можно текстовой ,
информации на дисплей . Станок трехосевой , средних возможностей , ну , максимум , стол В станет 4 осью .
Понятно , что это не совсем к вам , но самому мне выбрать сложно .
- 
				T00T
 - Мастер
 - Сообщения: 742
 - Зарегистрирован: 16 дек 2011, 12:07
 - Репутация: 100
 - Контактная информация:
 
Re: Настраиваем контроллер to_pci.
У меня пентиум 4  775 soket 512mb озу вполне со всем этим справляется
			
			
									
									Я не волшебник я пока учусь......
						- 
				T00T
 - Мастер
 - Сообщения: 742
 - Зарегистрирован: 16 дек 2011, 12:07
 - Репутация: 100
 - Контактная информация:
 
Re: Настраиваем контроллер to_pci.
А диоды луче ставить параллельно самим релюхам.UAVpilot писал(а):В чипах, что стоят в Месах есть вся необходимая защита от обратных токов.
Я не волшебник я пока учусь......
						- Serg
 - Мастер
 - Сообщения: 21923
 - Зарегистрирован: 17 апр 2012, 14:58
 - Репутация: 5183
 - Заслуга: c781c134843e0c1a3de9
 - Настоящее имя: Сергей
 - Откуда: Москва
 - Контактная информация:
 
Re: Настраиваем контроллер to_pci.
Разве-что для случая, когда их питает БП с очень большим внутренним сопротивлением.T00T писал(а):А диоды луче ставить параллельно самим релюхам.
Я не Христос, рыбу не раздаю, но могу научить, как сделать удочку...
						- 
				T00T
 - Мастер
 - Сообщения: 742
 - Зарегистрирован: 16 дек 2011, 12:07
 - Репутация: 100
 - Контактная информация:
 
Re: Настраиваем контроллер to_pci.
Ну вообще то нет, ток самоиндукции при закрытии транзистора замыкается через этот диод.
			
			
									
									Я не волшебник я пока учусь......
						- Serg
 - Мастер
 - Сообщения: 21923
 - Зарегистрирован: 17 апр 2012, 14:58
 - Репутация: 5183
 - Заслуга: c781c134843e0c1a3de9
 - Настоящее имя: Сергей
 - Откуда: Москва
 - Контактная информация:
 
Re: Настраиваем контроллер to_pci.
Или через сам транзистор и БП, если диода нет.T00T писал(а):Ну вообще то нет, ток самоиндукции при закрытии транзистора замыкается через этот диод.
Собственно спор бессмысленный, для меня более важными аргументами являются:
нормальная работа 4-х станков с суммарным временем наработки в 6 с небольшим лет;
ответ от Peter Wallace, что никакие диоды не нужны.
Я не Христос, рыбу не раздаю, но могу научить, как сделать удочку...
						- 
				T00T
 - Мастер
 - Сообщения: 742
 - Зарегистрирован: 16 дек 2011, 12:07
 - Репутация: 100
 - Контактная информация:
 
Re: Настраиваем контроллер to_pci.
Расположение разъёмов на плате to_pci_v3.
			
			
									
									Я не волшебник я пока учусь......
						- 
				T00T
 - Мастер
 - Сообщения: 742
 - Зарегистрирован: 16 дек 2011, 12:07
 - Репутация: 100
 - Контактная информация:
 
Re: Настраиваем контроллер to_pci.
Времени у меня пока мало, но работа идёт. Предлагаю обсудить подключение станка 16А20Ф3 к LINUXCNC через контроллер to_pci в этой теме.
Итак, набросал конфигурацию по аналогии со своим станком. Я эту конфигурацию сам не запускал на станке.....
Уже прописаны оси X,Z шпиндель подключен, но без узла контроля оборотов.
Подключена инструментальная голова с несколькими защитами.
Попробуйте кто нибудь подключить.
У кого какие вопросы, задавайте...
			
							Итак, набросал конфигурацию по аналогии со своим станком. Я эту конфигурацию сам не запускал на станке.....
Уже прописаны оси X,Z шпиндель подключен, но без узла контроля оборотов.
Подключена инструментальная голова с несколькими защитами.
Попробуйте кто нибудь подключить.
У кого какие вопросы, задавайте...
- Вложения
 - 
			
		
		
				
- my16A20.7z
 - (5.77 КБ) 603 скачивания
 
 
Я не волшебник я пока учусь......
						- 
				Dron
 - Кандидат
 - Сообщения: 59
 - Зарегистрирован: 21 апр 2016, 07:37
 - Репутация: 1
 - Настоящее имя: Андрей
 - Откуда: Кемероо
 - Контактная информация:
 
Re: Настраиваем контроллер to_pci.
Коллеги, при запуске данной конфигурации ошибка.
Debug file information:
Can not find -sec RS274NGC -var PARAMETER_FILE -num 1
.
Error: could not insert module /usr/realtime-3.4-9-rtai-686-pae/modules/linuxcnc/to_pci.ko: Operation not permitted
./my_16A20.hal:9: exit value: 1
./my_16A20.hal:9: insmod for to_pci failed, returned -1
See the output of 'dmesg' for more information.
9919
PID TTY STAT TIME COMMAND
Stopping realtime threads
Unloading hal components
Раздача прав не помогает.
root@debian:/home/dron# chmod 777 /usr/realtime-3.4-9-rtai-686-pae/modules/linuxcnc/to_pci.ko
root@debian:/home/dron# ls -l /usr/realtime-3.4-9-rtai-686-pae/modules/linuxcnc/to_pci.ko
-rwxrwxrwx 1 root root 120028 Июл 30 16:41 /usr/realtime-3.4-9-rtai-686-pae/modules/linuxcnc/to_pci.ko
Есть у кого варианты решения ?
			
			
									
									
						Debug file information:
Can not find -sec RS274NGC -var PARAMETER_FILE -num 1
.
Error: could not insert module /usr/realtime-3.4-9-rtai-686-pae/modules/linuxcnc/to_pci.ko: Operation not permitted
./my_16A20.hal:9: exit value: 1
./my_16A20.hal:9: insmod for to_pci failed, returned -1
See the output of 'dmesg' for more information.
9919
PID TTY STAT TIME COMMAND
Stopping realtime threads
Unloading hal components
Раздача прав не помогает.
root@debian:/home/dron# chmod 777 /usr/realtime-3.4-9-rtai-686-pae/modules/linuxcnc/to_pci.ko
root@debian:/home/dron# ls -l /usr/realtime-3.4-9-rtai-686-pae/modules/linuxcnc/to_pci.ko
-rwxrwxrwx 1 root root 120028 Июл 30 16:41 /usr/realtime-3.4-9-rtai-686-pae/modules/linuxcnc/to_pci.ko
Есть у кого варианты решения ?
- Serg
 - Мастер
 - Сообщения: 21923
 - Зарегистрирован: 17 апр 2012, 14:58
 - Репутация: 5183
 - Заслуга: c781c134843e0c1a3de9
 - Настоящее имя: Сергей
 - Откуда: Москва
 - Контактная информация:
 
Re: Настраиваем контроллер to_pci.
"Operation not permitted" - Операция не допустима.
Права на файл тут не при чём. Это ядро не желает "принимать" загружаемый модуль. Причину надо искать вместе с автором модуля.
			
			
									
									Права на файл тут не при чём. Это ядро не желает "принимать" загружаемый модуль. Причину надо искать вместе с автором модуля.
Я не Христос, рыбу не раздаю, но могу научить, как сделать удочку...
						- merkwurdigliebe
 - Мастер
 - Сообщения: 609
 - Зарегистрирован: 17 дек 2013, 22:14
 - Репутация: 580
 - Откуда: București
 - Контактная информация:
 
Re: Настраиваем контроллер to_pci.
возможно, модуль туда что-то разумительное сказал...Dron писал(а):See the output of 'dmesg' for more information.
- 
				Dron
 - Кандидат
 - Сообщения: 59
 - Зарегистрирован: 21 апр 2016, 07:37
 - Репутация: 1
 - Настоящее имя: Андрей
 - Откуда: Кемероо
 - Контактная информация:
 
Re: Настраиваем контроллер to_pci.
Поправил.
Перекомпилировал halcompile --install to_pci.c
Одновременно обновления EMC2 накатились
В общем что то из этого помогло.
			
			
									
									
						Перекомпилировал halcompile --install to_pci.c
Одновременно обновления EMC2 накатились
В общем что то из этого помогло.
- 
				T00T
 - Мастер
 - Сообщения: 742
 - Зарегистрирован: 16 дек 2011, 12:07
 - Репутация: 100
 - Контактная информация:
 
Re: Настраиваем контроллер to_pci.
Много народу просили 16К20 обсудить, ну и где вопросы?????
			
			
									
									Я не волшебник я пока учусь......
						- 
				T00T
 - Мастер
 - Сообщения: 742
 - Зарегистрирован: 16 дек 2011, 12:07
 - Репутация: 100
 - Контактная информация:
 
Re: Настраиваем контроллер to_pci.
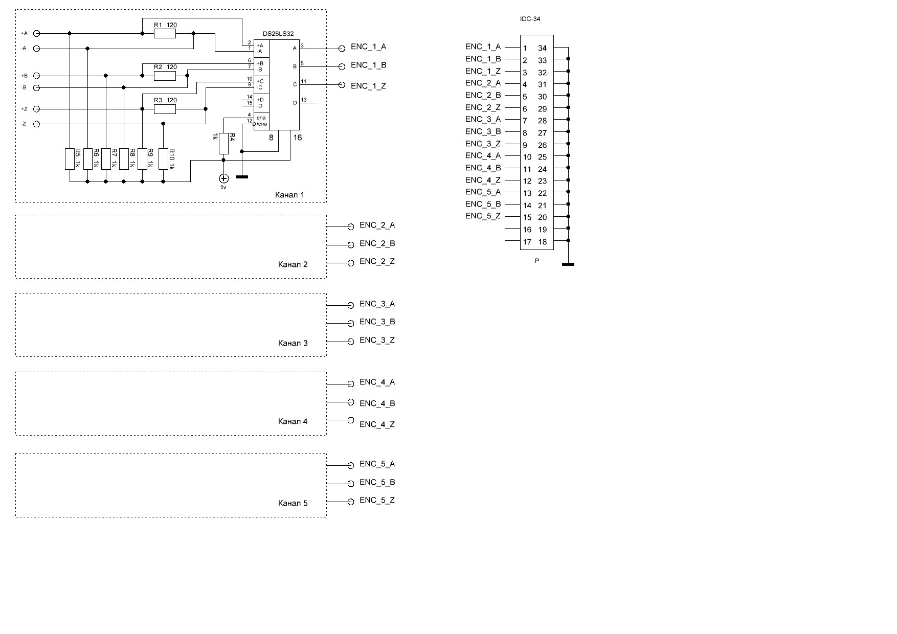
Некоторым пользователям потребовались схемы плат. Вот некоторые из них
			
							
			
									
									Я не волшебник я пока учусь......
						- SaTaN5076
 - Новичок
 - Сообщения: 22
 - Зарегистрирован: 15 июл 2016, 07:06
 - Репутация: 0
 - Настоящее имя: Дмитрий
 - Откуда: Томск
 - Контактная информация:
 
Re: Настраиваем контроллер to_pci.
Доброго времени суток. Получил платы, вылезает точно такая же ошибка. Конфиг из 1го поста данной темы. Дистрибутив рекомендуемый автором..Что посоветует сообщество?Dron писал(а):Can not find -sec RS274NGC -var PARAMETER_FILE -num 1
.
Error: could not insert module /usr/realtime-3.4-9-rtai-686-pae/modules/linuxcnc/to_pci.ko: Operation not permitted
./my_16A20.hal:9: exit value: 1
./my_16A20.hal:9: insmod for to_pci failed, returned -1
See the output of 'dmesg' for more information.
9919
PID TTY STAT TIME COMMAND
Stopping realtime threads
Unloading hal components
- 
				T00T
 - Мастер
 - Сообщения: 742
 - Зарегистрирован: 16 дек 2011, 12:07
 - Репутация: 100
 - Контактная информация:
 
Re: Настраиваем контроллер to_pci.
Это без ошибок прошло?Dron писал(а): halcompile --install to_pci.c
Покажите результат выполнения команды: lspci -v
Я не волшебник я пока учусь......
						